Hallo zusammen! An einer Solarzelle möchte ich gern ohne Massebezug eine Spannung messen. Geht das mit einem Instrumen5tationsverstärker (Echter Differenzverstärker)? Bitte die angehängte Schaltung ansehen. Sie beschreibt einen echten Differenzverstärker. Das frage ich deshalb, weil Ue1 und Ue2 immer auf GND bezogen zu sein scheinen. Was ist denn , wenn ich zwischen den Anschlüssen von Ue1 und Ue2 eine Solarzelle klemme. Kann ich dann die darüber abfallende Spannung messen? Das ganze hat ja dann keinen Massebezug und ich weiß halt nicht, ob das so geht. Die Solarzelle schwebt ja sozusagen. Solche differenzverstärker werden ja normalerweise zur Messung von Brückenspannungen eingesetzt, wo dann aber an jedem Widerstand der Brücke eine Spannung gegen masse abfällt. Besten Gruß, Leon
meiner Meinung nach, wenn du zwischen beiden Punkten einen Potential unterschied hast, aus irgendeinem Grund wie bei dir diese 4 und 3 V kombinations, wirst du eine Spannung messen können, aber nicht bezogen auf GND. gruss Mister No
Also die Frag ist, kann ich denn wenn ich eine solarzelle zwischen Ue1 und Ue2 anklemme eine Spannung bezogen auf Masse am Instrumentationsverstärker messen. Ich benötige eine Antwort von jemanden der sich wirklich auskennt. Natürlich vermute ich auch, dass das funtioniert, weil man ja eine Spannungsdifferenz hat zwischen den anschlüssen. Nur ich muss sicher wissen, ob man genau so ein schwebendes Potenzial messen kann. Mir ist eben wichtig, dass ich keinen Massebezug an der messstelle habe jedoch am ausgang des instrumentationsverstärkers eine auf masse bezogene spannung messen kann, um sie später mit einem ADC messen zu können.
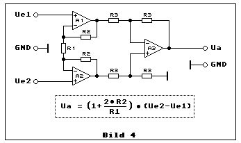
Ach mist. Ich meinte eigentlich diese Schaltung hier. Siehe Anhang. Ich benötige diese, weiol sie einen sehr hoghen eingangswiderstand hat. Also bitte alle Fragen auf diese Schaltung hier beziehen und nicht auf die zuerst gepostete. Leon
Das ganze stammt aus foilgendem Link: http://www.elektronik-kompendium.de/public/schaerer/diffamp.htm
Klar geht das, die Dinger gibt es fertig als "Instrumentation Amplifier", nicht diskret aufbauen. Trotzdem maximale Gleichtaktspannung der Amps beachten.
FULL ACK @ Tcf Kat :) Nimm einen fertigen INA nach deinen Bedürfnissen und fertig! :)
Zu beachten sind aber auch die absoluten Spannungen an den Eingängen (gegen Vcc/Masse). => Event. mit Widerständen einen Spannungsteiler aufbauen
chris (guest) wrote: > Zu beachten sind aber auch die absoluten Spannungen an den Eingängen > (gegen Vcc/Masse). > => Event. mit Widerständen einen Spannungsteiler aufbauen Die nennt man "Gleichtakt"...
Bitte melde dich an um einen Beitrag zu schreiben. Anmeldung ist kostenlos und dauert nur eine Minute.
Bestehender Account
Schon ein Account bei Google/GoogleMail? Keine Anmeldung erforderlich!
Mit Google-Account einloggen
Mit Google-Account einloggen
Noch kein Account? Hier anmelden.

