Hallo, ich hab ganz neu mit Microcontrollern etc. angefangen und daher kann es gut sein, dass die Lösung zu meinem Problem auf der Hand liegt, bzw. total klar ist. Ich hab mir nen ATmega8535 gekauft und den wie im Tutorial auf ne Platine gelötet. Ich hab aber nur nen ganz normalen Quarz genommen. Bei meiner Verbindung zum Computer verbinde ich jede Ader (MISO, MOSI etc) außer GND mit 220ohm widerstand dazwischen direkt mit dem Parallelport. Nun hab ich aber das Problem das mein Controller von sämtlichen Programmen nicht erkannt wird. Woran kann das liegen??? Hab schon Lötstellen und Kontakte überprüft. Da ist alles in Ordnung. Wär um Hilfe sehr dankbar. Gruß -marc
Hi Marc, hast du noch irgendwas anderes an den ISP-Pins hängen? Und sind alle Pins richtig belegt? Vielleicht gibts Probleme mit deinem Parallelport... das kommt ab und zu vor. Probier mal EPP oder ECP im BIOS einzustellen. Ansonsten kannst du noch AVREAL32 runterladen und ein wenig mit den Delays rumspielen (-1 -2 -3 -4 -5)... Gruß, SIGINT
@Johannes:Ich hab ein Netzgerät mit 5V dran... @Sigint: ähm. Epp oder ECP im BIOS einstellen??? Sorry aber ich bin total neu in all dem. Vielen Dank aber.
Zudem fällt mir gerad auf, dass ich den 100nF Kondensator zwischen Minus und Plus pol nicht eingebaut hab. Ist das schlimm??? Ich sah irgendwie nicht den Sinn in dem Teil
>Zudem fällt mir gerad auf, dass ich den 100nF Kondensator zwischen Minus >und Plus pol nicht eingebaut hab. Ist das schlimm??? Ich sah irgendwie >nicht den Sinn in dem Teil Lässt du bei deinem Auto auch die Reifen weg wenn du irgendwohin fahren möchtest ? Die brauchst du ja nicht. Reifen machen keinen Sinn. Kosten bloss Geld und sind irgendwann abgefahren.
lol ok das heißt ich brauch das.... ich seh nur nicht den großen Sinn einen Kondensator dazwischenzustellen... naja aber ich kenn mich auch nicht so damit aus... ok dann werd ich das mal dazulöten... Danke
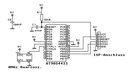
Nur weil man den Sinn nicht versteht bedeutet das nicht, daß es keinen Sinn gibt. Der Kondensator dient einerseits zum Glätten der Versorgungsspannung und andererseit kurzzeitige Laständerungen (durch umschaltprozesse im IC) zu kompensieren. Es KANN ohne funktioniere, MUSS aber nicht. Also immer einbauen... Noch eine kleine Bemerkung: Du hast im Schaltplan einen AT90S4433... ich hoffe du hast die ISP-Pins richtig am ATmega8535 angeschlossen. Gruß, SIGINT
Ja ich hab meinen Fehler gefunden.. Hab bei meinem Parallel-Stecker die Kabel falsch angelötet... Jetzt klappt alles wie geschmiert.... Vielen Dank
Bitte melde dich an um einen Beitrag zu schreiben. Anmeldung ist kostenlos und dauert nur eine Minute.
Bestehender Account
Schon ein Account bei Google/GoogleMail? Keine Anmeldung erforderlich!
Mit Google-Account einloggen
Mit Google-Account einloggen
Noch kein Account? Hier anmelden.

