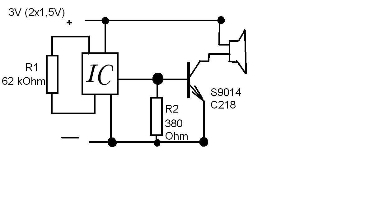
Hallo Elektroniker, ich habe heute eine Spielzeugeisenbahn von meinem Neffen bekommen zum reparieren. Die hat einen kleinen Motor drin damit sie fährt, eine Led mit Vorwiderstand die einfach nur leuchtet und ein Soundmodul (Schaltung siehe Anhang) die drei Teile funktionieren unabhängig von einander die ersten beiden gehen auch nur die Lok gibt kein Mucks von sich. Der Sound IC ist so ein vergossener Klecks der den Transistor ansteuert ich werde Morgen mal schauen ob der Transistor noch OK ist ich nehme an das da mal die Batterien falsch gepolt wurden denn eine Diode fehlt leider, ich werde sie dann aber reinlöten falls es der Transistor war. Frage: Falls nicht ist es Möglich mit nem kleinen Atmel Attinny oder so den Transistor zu steuern so dass der Lautsprecher ein Geräusch von sich gibt, (wenns geht ein TUTEN oder so) hat sich jemand damit schon mal beschäftigt? Kann R1 ein Teil von nem Resonator sein? Ich hatte mal mit nem Oszi gemessen konnte aber außer Gleichspannung nix messen, naja hab heute nur mal kurz mir die Sache angeschaut werde morgen mal genauer schauen für Anregungen bin ich dankbar wär schön wenn das Teil nicht in den Wohlstandsmüll fliegen muss. Schönes Wochenende an alle Martin
Ich schätze, der Widerstand ist nur Teil eines R/C-Oszillators, dessen Gegenstück, der C, auf dem vergossenen Chip sitzt. Nachdem das Soundmodul nicht mehr funktioniert, macht eine Diskussion über schwingen/nichtschwingen auch keinen Sinn mehr. Ein kleiner Controller ist sicherlich die richtige Wahl für eine Tonerzeugung, falls Du Dich da ein wenig reinknien willst. Ein "gut" klingendes Tuten ist etwas mehr als ein simpler Rechteck, da muss wohl noch etwas Rauschen (Dampfpfeife) dazu gemischt werden. Am besten könnte ein Rauschen klingen, das man durch einen Bandpass schickt. Da steckt dann aber etwas Hirnschmalz drin.
Es gibt da so kleine Soundmodule auf denen man einen kurzen Glückwunsch zum Geburtstag etc aufsprechen kann. Die sind so klein damit sie in eine Grußkarte reinpassen. Wenn du mit so einem Teil einen entsprechenden Sound aufnimmst wär das wahrscheinlich die einfachste Lösung.
Danke für die Antworten, die einfachste Lösung ist sicherlich wirklich ein feriges Modul. Aber mir gings auch um die Möglichkeit einfache Töne mit einem Lautsprecher über einen Atmel zu erzeugen. Martin
Wenn Du einen SMD-Atmega8 nimmst, könntest Du das hier verwenden: http://www.roboterclub-freiburg.de/atmega_sound/atmegaSID.html Damit kann man Tuten, Dampflockgeräusch und alles Mögliche fabrizieren.
Bitte melde dich an um einen Beitrag zu schreiben. Anmeldung ist kostenlos und dauert nur eine Minute.
Bestehender Account
Schon ein Account bei Google/GoogleMail? Keine Anmeldung erforderlich!
Mit Google-Account einloggen
Mit Google-Account einloggen
Noch kein Account? Hier anmelden.
