Hallo, ich habe in meinem Auto ein CB-Funkgerät und ein Radio(; Nun hat das Radio einen Mute-Eingang. Zunächst hatte ich versucht mit Dioden das Audiosignal gleichzurichten und mit Hilfe dieses Signals einen Transistor zu schalten... Mittlerweile weiß ich warum es nicht richtig ging, aber mit fehlt immer noch eine konkrete Lösung. Ich weiß nun, dass ich den Ausgang des Funkgeräts mittels OP abgreifen sollte, damit ich das Audiosignal nicht (bzw wenig) beeinflusse) Wie kann ich nun dieses Signal am besten zum Schalten nutzen? Habt ihr ein paar Ideen wonach ich suchen könnte?
Schmitt-Trigger bzw. Schwellwertschalter. OP Grundschaltung, einfach mal nach suchen... U.U. ein OP davor setzen als Spitzenwert Gleichrichter (auch Grundschaltung).
nur mal als idee: ein 555 reicht! geschalten als monoflop, trigger vom audio signal damit das ding nicht zu schnell umschaltet, monoflop time zb 2 sec. 555 aktiv - audio umschalten
Hut ab ! Nicht dran gedacht, das der 555 im Prinzip genau das eingebaut hat (präzisions Schmitt-Trigger). Nur würde ich noch eine Diode in Richtung 555 einbauen, negatives am Eingang mag der nur bis -0,3V.
Danke ! Einen 555 müsste ich sogar noch dahaben. Ich werde mal nach einer Beschaltung als Monoflop suchen
# Snt Opfer : jo, cool wat, wenn wir schon auf d-amp nix kreatives schreiben... :-)
Düsentrieb wrote:
> ach nee, komm, wer schreibt denn ohne grossbuchstaben ? ;-)
alfsch... ;)
Aber sonst mit wesentlich weniger Worten... ;)
Hallo Axel, meinst du, dass bei der "Squelch"-Schaltung eine Spannung anliegt, wenn nichts empfangen wird und ich mit dieser einen Transistor schalten könnte? Das Problem ist, dass ich von dem Teil keinen PLan habe und mich auch nicht wirklich mit der Schaltung im Funkgerät auskenne. Ich hätte auch gerne daran meinen PDA(Navi) angeschlossen. Ich habe hier eine Schaltung gefunden"Retriggerbares Monoflop". Müsste das funktionieren? Ich dachte daran, dass ich anstelle des Tasters einfach meine Audioquelle(funk/navi) anschließe... Gruß Max
Hallo, ich habe in einem Buch diese Schaltung gefunden, modifiziert und mal nachgebaut. Ich habe hier aber immer einen High-Pegel an Pin3. Habe ich hier einen Fehler bei der Schaltung? Links im Bild(bei "Signal") wird das NF-Signal abgegriffen. Ziel soll sein, ein anliegendes NF-Signal zu "erkennen" und einen Transistor/Relais zu schalten. Das Relais sollte solange angezogen sein, solange die NF anliegt bzw auch noch 2-3sec danach
Du wirst Doch eine LED auf der Frontplatte deines "Funk"gerätes haben, die "busy" oderso anzeigt, wenn der Kanal belegt ist? Da könntest Du drann, wenn Du garnicht weiter weist.
Hallo Düsentrieb, danke für deine Änderung an der "Zeichnung", ich werde es mal so umbauen. @Axel ich habe so ein mobiles, die es mal beim C gab für ~100DM. Das eine ist ein Alan, das andere ein Albrecht (bin mir jetzt aber nicht ganz sicher). Das Alan hat noch LEDs. Die eine ist immer grün, die andere wechselt, wenn ich sende...wird empfangen leuchtet nichts. Beim Anderen ist ein LC-Display mit nem S-Meter...vielleicht könnte man das abgreifen (zur Not)
Ich muss mich nochmals melden. Düsentrieb, vielen Dank !! Ich habs grad nachgebaut und es funktioniert phantastisch. Danke
Hallo, eine Sache ist mir noch aufgefallen. Wenn ein NF-Signal anliegt, gibt der NE555 ein H-"Pegel" aus, aber dieser wird des öfteres (kurzzeitig) unterbrochen. Ich habe schon versucht mit einem Kondensator das zu puffern, aber das funktioniert nicht so richtig. Gibt es da noch einen Trick zur Schaltung?
Ist zwar schon lange her, aber ich hätte da noch was sinnvolles zu ergänzen. Durch die zusätzliche Diode, wird Das Monoflop retriggerbar. Vorher lief einfach die Zeit ab und wurde dann neu getriggert. Was dann zu kurzen Unterbrechungen führte. Außerdem sollte man an Pin 5 des NE555, immer einen Kondensator von 10nF gegen Masse schalten
Hier nochmal die korrigierte Version des Schaltplans. Hatte die Beschriftung der Freilaufdiode mit der LED verwechselt.
So alle guten Dinge sind 3. Habe mich in der Zwischenzeit hier im Forum angemeldet. Mir ist aufgefallen, das ich noch einen Fehler gemacht habe. Und zwar habe ich die brücke zwischen Pin 6&7 vergessen. Also hier ist das dritte Update der Schaltung.
o alle guten Dinge sind 3. Habe mich in der Zwischenzeit hier im Forum angemeldet. Mir ist aufgefallen, das ich noch einen Fehler gemacht habe. Und zwar habe ich die brücke zwischen Pin 6&7 vergessen. Also hier ist das dritte Update der Schaltung.
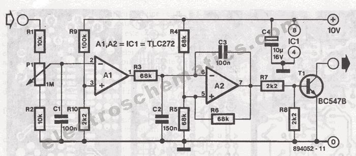
Hallo, ist zwar jetzt auch schon wieder eine Weile her, aber ich möchte an Christians letzte Schaltung mit ein paar Fragen anknüpfen: Ist es möglich, die Empfindlichkeit per Potentiometer irgendwie einstellbar zu machen, so dass es eine Art "regelbarer Squelch" wird? Könnte die angehängte Schaltung auch verwendet werden und am Kollektor von T1 ein 12V Relais angeschlossen werden?
Mit P1 stelltst du die Empfinglichtkeit ein. Ja, du kannst da ein Relais anschließen, musst allerdinsg noch eine Freilaufdiode parallel zur Relais-Spule schalten (wie oben bei den NE555 Schaltungen). Ich denke, du kannst du Schaltung problemlos mit 12V statt 10V betreiben. Ist wohl besser, damit das Relais auch sicher anzieht.
Vielen Dank Stefan! Jetzt der Knacksus: Es sollen zwei Mikrofone bzw. zwei Mikrofonsignale (Headsets) letzlich das eine Relais steuern. Also quasi wenn nur der eine oder nur der andere, oder beide sprechen. Wie wäre das zu realisieren..die beiden Mikrofonsignale entkoppelt (Widerstand, Kondensator?) auf den Eingang legen? Oder die Schaltung zweimal bauen und parallel die Ausgänge das Relais ansteuern?
Ich weiß, dass der Beitrag schon älter ist, aber ich hätte eine Frage bezüglich dem Schaltplan von Christian N. (funkerchris). Momentan wird die Schaltung mit 12V gespeist. Der NE555 funktioniert auch super mit 5V. Leider scheitern meine Versuche, die Spannungsteiler so einzustellen, dass das Audiosignal auch mit einer Eingangsspannung von 5 Volt korrekt erkannt wird. Kann mir hier jemand bei der Dimensionierung behilflich sein?
Bitte melde dich an um einen Beitrag zu schreiben. Anmeldung ist kostenlos und dauert nur eine Minute.
Bestehender Account
Schon ein Account bei Google/GoogleMail? Keine Anmeldung erforderlich!
Mit Google-Account einloggen
Mit Google-Account einloggen
Noch kein Account? Hier anmelden.






