Forum: Mikrocontroller und Digitale Elektronik Schutzschaltung für KFZ/LKW


von Fox (Gast)


Lesenswert?

Hallo Leute!

Ich stehe gerade vor folgendem Problem:
Für meine Schaltung bekomme ich von einem anderen Gerät eine saubere 
Versorgungsspannung von 5,5V oder 3,3V. Damit werden ein Mikrocontroller 
(ATTinyXX) und 4 LEDs versorgt. Die Schaltung soll sich mit der Zündung 
des Fahrzeuges einschalten. Das Problem hier ist, dass ja auch auf der 
Zündungsleitung viele Störimpulse sind und dazu kommt noch, dass die 
"Zündungsspannung" entweder 12V oder 24V betragen kann.
Wie kann ich nun mit wenig Aufwand eine solche Schaltung realisieren?

Ich dachte bereits an die Verwendung eines Optokopplers, jedoch bin ich 
mir nicht sicher, ob es damit funktionieren würde.

Oder würde auch diese schaltung dafür ausreichen?
1
                       +-|>|- +5V
2
                       |
3
Eingang --10k--+--10k--+--| ATTiny pinX
4
               |       |
5
              10nF     +-|<|- GND
6
               |
7
              GND

lg Fox

von Läubi .. (laeubi) Benutzerseite


Lesenswert?

Nimm nen OPtokopler der bei 1mA bereits durchschaltet, dimensonier den 
Vorwiderstand für 30V und du bist auf der sicheren Seite.

von Stefan (Gast)


Lesenswert?

http://www.dse-faq.elektronik-kompendium.de/dse-faq.htm#F.23

Da stehen paar nützliche Infos zum Thema

von Fox (Gast)


Angehängte Dateien:

Lesenswert?

Danke schon mal für die Antworten.
Die Seite kenne ich schon, von dort habe ich ja auch die Schaltung oben 
kopiert.

Wäre die Schaltung im Anhang so richtig bzw. passend?

lg Fox

von Stefan (Gast)


Lesenswert?

@Fox: ups, grad gesehen dass du deine Schaltung auch von dort hast... 
sorry, ist noch früh am morgen, und unser Kaffeeautomat streikt ....

von Obelix (Gast)


Lesenswert?

@Fox
Du hast keinen definierten 0-Pegel am µC Eingang, wenn der Opko nicht 
durchsteuert.

von Michael Wilhelm (Gast)


Lesenswert?

Genau. Ich würde den Emitter auf Gnd legen und am Kollektor abgreifen.

MW

von Fox (Gast)


Angehängte Dateien:

Lesenswert?

Also so wie im Anhang?

lg Fox

von Christian Auerswald (Gast)


Lesenswert?

Ist evtl. antiparallel zur Optokoppler-Led noch eine Diode notwendig? 
Ich weiss ja nicht was die Led für eine Sperrspannung hat und es sollen 
ja durchaus auch mal sehr kurze negative Impulse in der 
Auto-Stromversorgung vorkommen..

von Michael Wilhelm (Gast)


Lesenswert?

Genau so meinte ich das. denk aber dran, dass jetzt ein High am Koppler 
ein Low am Portpin bedeutet. Ob das mit der Diode notwendig ist, weiss 
ich nicht. Aber schaden kann sie auf keinen Fall.

MW

von Fox (Gast)


Lesenswert?

Und soll ich hier eine bestimmte Diode nehmen, oder eine "Wald und 
Wiesen" Diode (1N4004, etc.)?

lg Fox

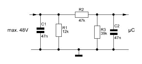
von Hegy (Gast)


Angehängte Dateien:

Lesenswert?

Alternativvorschlag ohne Optokoppler, siehe Anhang.
Der Eingang ist ausgelegt bis 48V (Überspannung), der angeschlossene 
Controller hat eine Schutzeinrichtung am Portpin (Z-Diode) und kann 
daher "überfahren" werden, solange der Strom nicht die max. Grenze 
überschreitet.

Bitte melde dich an um einen Beitrag zu schreiben. Anmeldung ist kostenlos und dauert nur eine Minute.
Bestehender Account
Schon ein Account bei Google/GoogleMail? Keine Anmeldung erforderlich!
Mit Google-Account einloggen
Noch kein Account? Hier anmelden.