Hi, ich habe ein Gerät, was mir ein RGBVH Signal liefert. Also 3 Farben und 2 Sync. Mein Anzeigegerät kann jedoch nur 3 Farben und 1 Sync. Wie kann ich die beiden Syncs so passend zusammenlegen, dass es funktioniert? Gruß, Hendrik
Display im Auto. Hat RGB Anschluss. Also Rot, Grün und blau, sowie einen eingang für sync. Ein RGB-Wiedergabegerät (mit einem sync, wie bei rgb-scart) funktioniert auch dran.
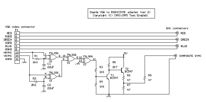
Und wo kommt das RGB mit H + V Sync denn her? Von einem PC oder wie? Um das CSync zu bekommen musst du theoretisch nur die beiden Sync Signale mit je einem Widerstand zusammen fassen. Manche Bauanleitungen für sowas sagen auch direkt zusammen klemmen. Sollte auch gehn, da die Ausgangstreiber ja 75 Ohm Ausgangswiderstände schon drauf haben. Und dann hast du ja noch das Problem mit der Frequenz und dem Interlacing....kann deine Grafikkarte denn überhaupt in einen Modus geschaltet werden, den das Display versteht? Also Interlacing, 25Hz Bildwiederholrate und 15,625kHz Zeilenfrequenz?
Also ich wollte da eine Festplatte mit eingebautem Media-Player anschließen. Also der Ausgang ist sozusagen für nen TV ausgelegt. Da das Display solche Signale verarbeiten kann (Interface-Platine verbaut) sollte das kein Problem sein. Was für Widerstände nehm ich denn da? Oder hat einer nen Link zu dem "Bauplan"? Finde über google nix :( Gruss
Achso. Ja, die Schaltung sollte auch klappen. Such einfach im Google mal nach VGA to SCART.
Ich habe noch einen VGA --> RGB Konverter hier liegen. Also kann ich den ja dann eigentlich nehmen, oder?
Probier´s doch einfach aus. Ist das ein aktiver oder passiver Adapter? Also ein richtiger Scan-Konverter, oder so ein Kabel, was bei den TV-Karten von z.B. Matrox dabei ist?
Bitte melde dich an um einen Beitrag zu schreiben. Anmeldung ist kostenlos und dauert nur eine Minute.
Bestehender Account
Schon ein Account bei Google/GoogleMail? Keine Anmeldung erforderlich!
Mit Google-Account einloggen
Mit Google-Account einloggen
Noch kein Account? Hier anmelden.
