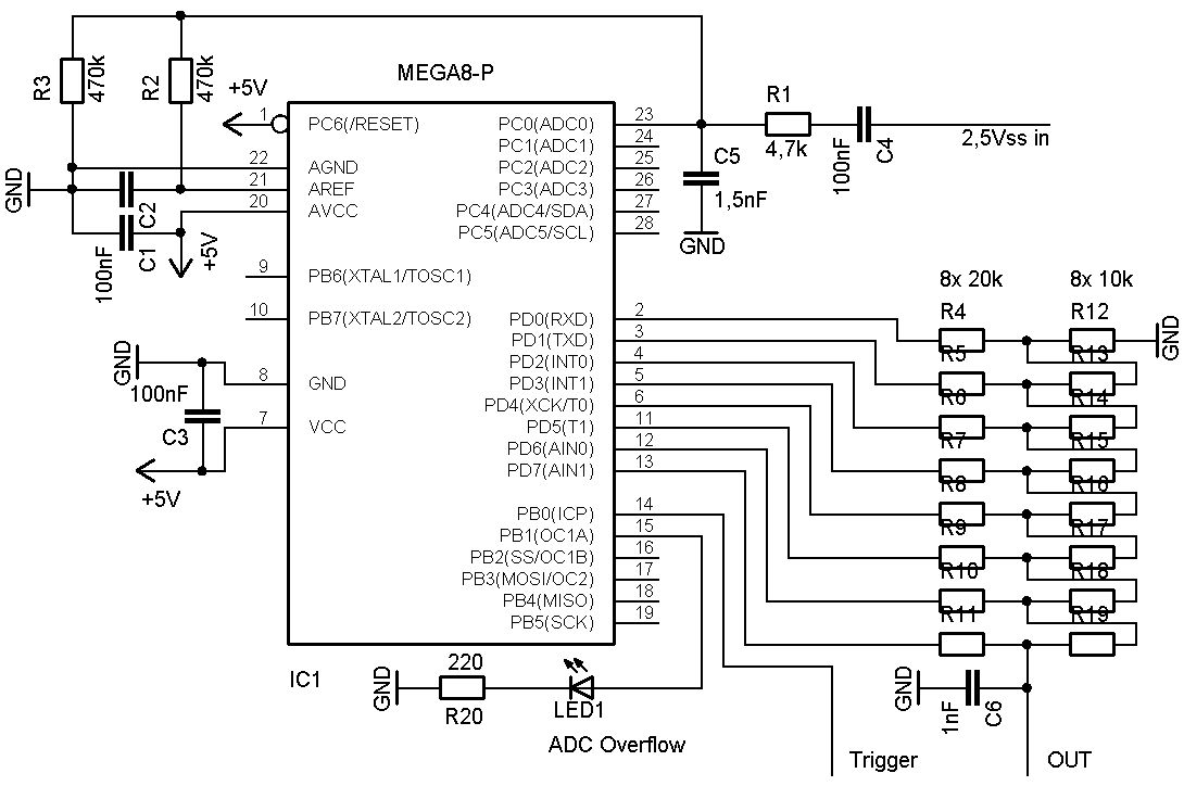
Tach! Ich bin gerade dabei mir ein Line-In-Adapter für das STK500 zu basteln. Die generelle Beschaltung habe ich einem Beitrag hier im Forum entnommen (siehe Anhang). Es geht nur um den oberen Teil für die ADC-Beschaltung. Meine Frage ist jetzt welche von den Komponenten aufgrund der bestehenden STK500-Beschaltung eingespart werden können/sollen. - Da meines Wissens nach AGND nicht rausgeführt wird, muss ich mich um dessen Beschaltung wahrscheinlich auch nicht kümmern. - AREF wollte ich einfach per 'AREF'-Jumper vom Board mit 5V füttern lassen. Im Originalschema ist wahrscheinlich AVCC als AREF per ADC-Einstellung vorgesehen, richtig? - Ist C2 auf dem Eval-Board bereits drauf?? Habe die Info nicht im Handbuch gefunden. Falls nicht würde ich den mit 100 nF ansetzen. - C1 und C3 übernehmen ja etwa dieselbe Aufgabe und sind wahrscheinlich auf dem Board schon drauf. Die Schaltung soll mit Vcc = 5 V betrieben werden. Line-In ist nicht ganz korrekt - das ganze wird an Speaker-Out angeklemmt. Der Line-In-Pegel reicht ja angeblich nicht. Oder bringt es was R1 kleiner zu machen oder die GAIN-Optionen im Controller? ... lese den Teil gerade nochmal durch. Versuchskaninchen wird ein ATmega16. Danke für eure Ünterstützung!
> Oder bringt es was R1 kleiner zu machen oder die > GAIN-Optionen im Controller? Nein. R1 bilden mit C1 und mit C4 einmal einen Hochpass und einen Tiefpass. übrigens je nach dem was Du machen willst mit einem nicht so dollen Frequenzbereich (s.u.). Über R2 und R3 wird der ADC-Eingang auf AVCC/2, also 2,5 Volt vorgespannt. Wenn also kein Signal anliegt, bringt der ADC immer den Wert 512. Das Audio-Signal wird wechselspannungsgekoppelt. Die -3db-Punkte für den Tiefpass und den Hochpass liegen bei etwa 340 Hz und 22 kHz.
Danke für die Rückmeldung. >Das Audio-Signal wird wechselspannungsgekoppelt. Die -3db-Punkte für den >Tiefpass und den Hochpass liegen bei etwa 340 Hz und 22 kHz. Stimmt, das ist echt nicht wirklich optimal. 30 Hz - 15 kHz wären mir lieber. Mir fehlt allerdings im Moment der Background um das konkret durchzurechnen. Die Frage ist jetzt natürlich immer noch, ob C1 auf dem STK500 verbaut ist und welche Größe der hat - ich schau mal, ob Atmel die Schaltung offen gelegt hat... Muss auch nochmal schauen, was mit dem ATmega16 für eine Abtastgeschwindigkeit bei 256 Stufen (sofern das einen Unterschied macht) maximal drin wäre. Wenn das zu niedrig ist, muss ich die Grenzfrequenz des Tiefpasses dringend senken. Mist, ich dachte einfach löten und gut :(
>Die Frage ist jetzt natürlich immer noch, ob C1 auf dem STK500 verbaut >ist und welche Größe der hat >- ich schau mal, ob Atmel die Schaltung offen gelegt hat... Haben sie. Die Pläne findet man in der AVRStudio-Hilfe. Wo genau, weiß ich gerade nicht (vermutlich bei den STK500-Unterlagen...)
Hallo, dann vergrößere C4 eben auf 1µF und C5 auf 2,2n (nicht gerechnet, nur geschätzt...). Denke daran, die Samplerate muß! mindestens das doppelte der höchsten im Signal vorkommenden Frequenz haben, bei 15kHz also mindestens 30kHz. Sonst gibt es nette Alaising-Effekte, die garnicht schön klingen. Neugierige Frage: was hast Du damit vor? Gruß aus Berlin Michael
>dann vergrößere C4 eben auf 1µF und C5 auf 2,2n (nicht gerechnet, nur >geschätzt...). Ich glaube, ich löte den Kram einfach mal und lasse mir die Amplituden verschiedener Frequenzen ausgeben - darüber sollte sich die Übertragungsfunktion ja recht einfach ableiten lassen. Je nachdem, wie groß die Einbrüche sind kann ich die im Programm kompensieren. Spiegelfrequenzen sind natürlich ein Problem. >Denke daran, die Samplerate muß! mindestens das doppelte der höchsten im >Signal vorkommenden Frequenz haben, bei 15kHz also mindestens 30kHz. Weiß ich doch ;) >Neugierige Frage: was hast Du damit vor? Och, das übliche: FFT, Resonanztests, Spectrum-Analyzer, Frequenzmessung, Stimmerkennung, Echo, Pitch-Shifter, Lichtorgel, BPM-Counter ... einfach schauen, was man da alles rausholen kann. Gibt eigentlich keine konkreten Pläne damit, aber ich mag es, wenn etwas zur Musik blinkt - erinnert mich an meine DOS-Zeiten in Assembler - die meisten Anwendungen werden reine Spielerei.
>R1 bilden mit C1 und mit C4 einmal einen Hochpass und einen Tiefpass. Hmmm... R1 + C4 erkenne ich auch als Hochpass, aber C1 ist für mich nur die Glättung der Versorgungsspannung. Ist nicht C5 der Tiefpass - wie auch von Michael angedeutet? Die Auswirkungen von R1 kann ich mir leider nicht herleiten. Ich habe leider keine Schaltpläne von Atmel gefunden. Denke mal, dass ich mich um C1 nicht kümmern muss und C2 wird notfalls einfach nochmal drangeklemmt, wenn ich dazu keine Info finde - doppelt hält besser ;) >Haben sie. Die Pläne findet man in der AVRStudio-Hilfe. >Wo genau, weiß ich gerade nicht (vermutlich bei den >STK500-Unterlagen...) Leider keine gefunden. In der Hilfe ist auch nur der Inhalt des Handbuchs aufgeführt (mit miserablen Grafiken). Suche nach "schematics" liefert ein paar Schaltpläne zu Tage, aber alle nicht vom STK500 :( Trotzdem danke.
Super, danke dir! Bin ich zu blöd zum suchen, oder kommt man da nicht ohne Weiteres dran?
Ok, AREF ist demnach immer mit 2x 10 nF gegen Ground geschaltet. Wenn man den ACVV-Jumper (JP601) setzt (was ich ja vorhabe), kommen nochmal 1 µF dazu. AVCC geht immer mit 3x 100 nF und 1x 10 µF gegen Ground. Mit anderen Worten, ich kann C2 und C1 in meiner Beschaltung getrost weglassen. Randfrage: Warum schaltet man eigentlich mehrere Kondensatoren parallel (um den Kapazitätsgewinn geht's ja anscheinend nicht)? Geringerer Innenwiderstand, höhere Ströme? Danke schonmal an alle!
Hallo, Serieninduktivität, Eigenresonanz zwischen C und Serieninduktivitär usw. Elkos sind für Impulse im ns-Bereich zu langsam, für niederfrequente Belastungen (blinkende LED als Beispiel) sind die Elkos dann besser. Bin gespannt, was Du aus dem armen Mega8 so rauskitzelst. :-) Gruß aus Berlin Michael
>Bin gespannt, was Du aus dem armen Mega8 so rauskitzelst. :-)
Ich auch!
> Hmmm... R1 + C4 erkenne ich auch als Hochpass, aber C1 ist für mich > nur die Glättung der Versorgungsspannung. Ist nicht C5 der Tiefpass > - wie auch von Michael angedeutet? Natürlich. Ganz offensichtlich ein Tippfehler. Also: R1 + C4 = Hochpass R1 + C5 = Tiefpass > Die Auswirkungen von R1 kann ich mir leider nicht herleiten. Ist nicht weiter kompliziert. R3 und R2 (jeweils 470k) bilden einen Spannungsteiler mit 2,5 Volt Ausgangsspannung und 235 Kiloohm Innenwiderstand. R1 bildet mit diesem Spannungsteilerinnenwiderstand wiederum einen neuen Spannungsteiler, so dass der ADC-Eingang nur ein abgeschwächtes Nutzsignal sieht. Allerdings ist diese Abschwächung klein, nämlich nur rund 2% ( 4,7k/(235k+4,7k) ). Bleibt nur noch die Frage offen, wie sich der Eingangswiderstand für zu tiefe oder zu hohe Frequenzen verhält. Auch das ist einfach: Zu tiefe Frequenzen werden von C4 nicht durchgelassen, also geht der DC-Eingangswiderstand gegen unendlich. Zu hohe Frequenzen werden über C4, R1 und C5 nach Masse abgeleitet, also geht der HF-Eingangswiderstand gegen 4,7 Kiloohm (der Wert von R1). Das ist logisch, denn für (ausreichend) hohe Frequenzen sind die Kondensatoren C4 und C5 praktisch wie Drahtbrücken. > Mir fehlt allerdings im Moment der Background um > das konkret durchzurechnen. Auch ganz einfach. Den -3dB-Punkt eines RC-Gliedes (Tiefpass wie Hochpass) berechnet sich nach: fg = 1 / (2 pi R * C) Das heisst aber nicht, dass ab diesem Punkt alle zu hohen oder zu tiefen Frequenzen weggefiltert werden, sondern nur, dass die Abschwächung ab diesem Punkt etwa 20dB pro Dekade zu nimmt. Konkret: R = 4,7kOhm C = 1,5nF fg = 1 / (2 pi 4,7kOhm * 1,5nF) = 22,5 kHz Das ergibt für: 22,5 kHz --> -3 db = 0,71 225 kHz --> -20 db = 0,10 2,25 MHz --> -40 db = 0,01 usw.
Danke dir für die ausführliche Darstellung! Ich werd' das nochmal mit meinen Wunschwerten durchrechnen. Rumprobieren kann ich danach ja immer noch ;)
Noch eine einfache Frage zu den RC-Gliedern: ist es egal, ob ich R oder C verändere um die Trennfrequenz zu anzupassen? Also ist 100 nF mit 2 kOhm dasselbe wie 200 nF mit 1 kOhm? (fiktive Werte) Oder hat das irgendwelche Seiteneffekte? Dass sich in der obigen Schaltung auch die Trennfrequenz des jeweils anderen RC-Gliedes ändert ist klar.
Bitte melde dich an um einen Beitrag zu schreiben. Anmeldung ist kostenlos und dauert nur eine Minute.
Bestehender Account
Schon ein Account bei Google/GoogleMail? Keine Anmeldung erforderlich!
Mit Google-Account einloggen
Mit Google-Account einloggen
Noch kein Account? Hier anmelden.
