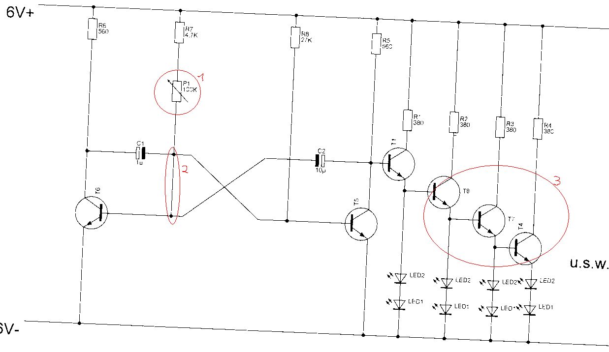
Ich möchte gerne eine Schaltung mit ein paar Kondensatoren und Transistoren (BC 546) erstellen, die 14 LEDs blinken lässt. Habe dafür eine Skizze gefunden, wie das ganze gehen könnte: http://www.hbs04.de/pics/LED-Mess.GIF Allerdings habe ich nicht 6 Volt sondern 9V und weiss nicht ganz wie ich jetzt dei Widerstände/Kondensatoren etc ändern muss. Also der rechte Teil ist ja klar, am Transistor fallen soweit ich weiss 0,7V ab, an einer LED je nach Farbe 1,4 bis 2,7. Aber wie berechnen sich die Grössen der "mittleren" 4 Widerstände. Die scheinen ja paarweise gleich sein zu müssen - die inneren und die Äusseren, aber was muss ich da wie rechnen um die Werte für z.B. 9 Volt zu bekommen und eine Blinkfrequenz von z.B. 1x pro Sekunde?
Hi, wirf den Schalplan in den Mülleimer, der funktioniert nicht. Die astabile Kippstufe müßte funktionieren, die Ansteuerung der LED's ist aber falsch. Die ersten beiden LED's leuchten noch, die restlichen nicht mehr. mfg werner
Hast du vieleicht eine Alternativ-Lösung für mich? Ich muss nur irgendwie 14 LEDs zum blinken kriegen.
ähm, dumme kleine frage, warum ist denn die ansteuerung der LEDs im schaltplan falsch? schaut doch gut aus? naja davon mal abgesehen, wozu eigentlich das riesen gedrösel mit diskreten bauelementen? ich mein wenns denn überhaupt unbedingt low integrated sein muss tuts doch auch'n ne555 fürn takt und'n missbrauchter hex inverter als led-treiber. in smd haste dann wenigstens 'ne chance das auf'ne tolerierbare grösse zu bringen
ich würde auch sagen, dass die Schaltung nicht funktioniert. An den ersten beiden LED fallen 3,2V ab, das ist dann die max. Basisspannung für den 2. Transistor. Der bräuchte aber min. 3,2V +0,7V Ube, reicht also nicht. Um allen Problemen aus dem Weg zu gehen: Nimm einfach EINEN n-Mosfet, Gate an R5/T5, Source an Masse, in den Drainkreis jeweils 7 Gruppen aus 2LED+passenden Widerstand.
noch was vergessen: bei 9V Betriebsspannung kannst du auch je 4 (rote) Leds in Reihe schalten, als 3*4 und einmal 2. Für die 4 Leds und 20mA nimmst du einen Vorwiderstand (9V-4*1,6V)/20mA 120 Ohm, für 2 Leds 270 Ohm.
Besten dank erstmal für die Tipps. 1. Habe ich auch ungefähr verstanden außer dieses eine Post von crazy horse: "Nimm einfach EINEN n-Mosfet, Gate an R5/T5, Source an Masse, in den Drainkreis jeweils 7 Gruppen aus 2LED+passenden Widerstand." Was zum Teufel ist ein n-Mosfet, wo bekomme ich eines her, Was ist Gate, was ist Source, was ist ein Drainkreis... was 7 Gruppen mit 2LEDs+R sind weiss ich glücklicherweise. 2. Da ich leider grade weder nen 555 noch so einen n-Mosfet da habe würde mich interessieren, ob auch mit meinen BC546 so etwas möglich ist? Die Schaltung blinkt ja schon, allerdings nur mit 2 LEDs und nicht mit mehr. 3. Setze ich nun die Spannung auf 9Volt hoch, auch schon mit 4 LEDs, ich brauche aber 14. Muss ich außer den LEDs+Rs auf der rechten Seite noch weiter Widerstände (R5,6,7 oder R8) verändern?
Bitte melde dich an um einen Beitrag zu schreiben. Anmeldung ist kostenlos und dauert nur eine Minute.
Bestehender Account
Schon ein Account bei Google/GoogleMail? Keine Anmeldung erforderlich!
Mit Google-Account einloggen
Mit Google-Account einloggen
Noch kein Account? Hier anmelden.
