Hallo! Dieses Thema wurde zwar schon oft behandelt, aber mir tut sich hier noch eine Frage auf: In diesem Thread wird beschrieben, dann man an die 230V einen Gleichrichter, Wiederstand und Optokoppler hängen soll. http://www.mikrocontroller.net/forum/read-1-14598.html#14688 >Brückengleichricher =300V/800MA z.B. >Widerstand für 230V =100K >Widerstand für 12V (Test) 10K >Optokoppler 4N25 Sowas wollte ich mir nun basteln. Im Datenblatt des Optokopplers steht, dass man die LED mit 60mA betreiben kann. Nun meine Rechnung: I = U/R I = 230/100k I = 2,3mA Kann das denn stimmen?? für R = 4k kommen knapp 60mA raus. Aber dann das für mich nächste Problem P = U * I P = 230 + 0,060 P = 13,8 Watt Das wird doch ein riesiger Widerstand?! Ich würde es schon gern nach dieser Methode aufbauen, denn es soll möglichst günstig sein. Und >2 für ein Relais ist mir zuviel. So... ich hoffe ihr könnt bei mir ein wenig Klarheit verschaffen. Schnmal Danke! MfG Sascha
Nur mal ne Frage, wenn schon Optokoppler, warum dann nicht mit Glimmlampe oder falls es doch LED sein soll ein Kondensator als Vorwiderstand? Noch eine Frage, wie soll der AVR mit Energie versorgt werden, etwa über ein Netzteil??? Das würde den Vorwiderstand naürlich reduzieren. Zu empfehlen ist auch die Variante eine Leuchtstoffröhre zu betreiben und das 100Hz flimmern auszuwerten :-) cu tb
ähmm... ja?! g Ich hab' wohl vergessen zu sagen, dass ich von Elektronik nicht allzuviel Ahnung hab'. Eigentlich mein Wissen nach 5V Gleichspannung auf ;-) Wäre also schön, wenn mir jemand sagen könnte, wie ich kostengünstig zum Ziel komme. MfG sascha
Wenn Impulse ausreichend sind, kann man den Vorwiderstand für die Spitzenspannung auslegen. Dazu dann ein möglichst empfindlicher Optokoppler, ich verwende gerne den H11L1, der ist mit weniger als 1mA zufrieden. Die Rechnung sieht dann freundlicher aus: R=U/I=300V/1mA=300k. Verlustleistung: hier ist dann die Effektivspannung von 230V anzusetzen: P=U²/R=52900/300000=0,18W´. Wird dazu noch eine Diode in Reihe geschaltet, halbiert sich die Verlustleistung nocheinmal. Und zum Optokoppler-Eingang eine einfache Diode antiparallel schalten, sonst wird die Sperrspannung überschritten.
Meine Vorschläge: 1. Falls die Schaltung über ein Netzteil verfügt, dann wäre dass einfachste mit einer Diode(zb:1n4007) eine Halbwelle der Sekundärspannung gleichzurichten und mit einem Widerstand (1k-100k) und einder Z-Diode (5,1V) zu begrenzen. Je nach dem ob Du Impulse auswerten willst, oder ein Gleichspannungssignal wäre4 noch ein kleiner Kondensator notwendig. oder 2. Eine Glimmlampe (der Vorwiderstand ist im allg. schon angelötet) und ein Fotowiderstand mit schwarzen Klebeband schön einwickeln, fertig ist der 100-500V-AC/DC-Optokoppler. oder 3. Nimm ein kleines Steckernetzteil, zb. Handylader, und werte dessen Ausgangsspannung aus. Die Varianten bieten alle eine galvanische Trennung. cu tb
Hi! Danke für die Hinweise! Ich glaube ich werde den Trick mit der Glimmlampe und dem Fototransistor versuchen. Da bin ich mir wenigstens sicher, wie das funzt. ...und nur wenn man es versteht, kann es nicht zu lebensgefährlichen irrtümern kommen. MfG Sascha
Probier es aus - ich glaube aber, dass du Probleme bekommen wirst. Der Dunkelstrom eines LDR ist relativ hoch, bei der geringen Beleuchtungsstärke einer Glimmlampe ist der Unterschied zwischen hell und dunkel auch nicht besonders doll, dazu kommen starke Exemplarstreuungen und grosse Temperaturabhängigkeit. Direkt auf einen digitalen I/O wirst du nicht gehen können, eher auf den Analog-Komparator. Berichte mal, wie es ausgegengen ist.
hm... das ist nicht so gut, denn ich brauche so 5-8 Eingänge. Da ich keine Lust hab bei mehreren Versandhäusern zu bestellen, kann ich den oben erwähnten Optokoppler nicht bestellen. (gibt's nicht bei Reichelt) Wie war denn das mit dem Kondensator und der Diode? Also die Schaltung wird mit 230V -> Printtrafo (6V) -> Gleichrichter -> Festspannungsregler 5V versorgt. Eine kleine Schalt-Skizze wäre nett.
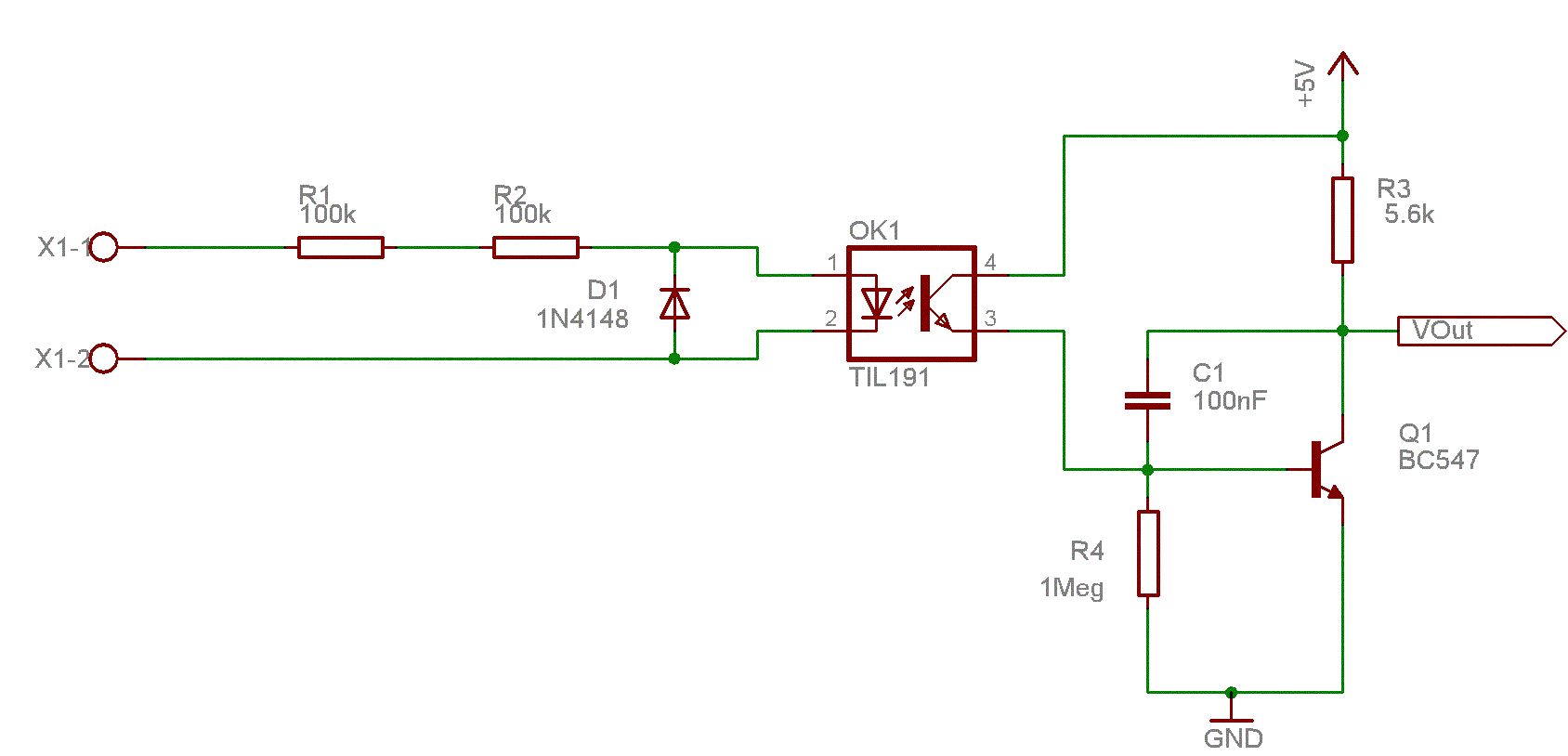
Ich würde das Ganze nicht so kompliziert machen. Die angehängte Schaltung löst dein Problem sehr preisgünstig. Der Optokoppler kann auch ein TIL111 sein (gibts bei Reichelt). Bei eingeschalteter 230V Versorgung liefert die Schaltung am Ausgang VOut einen Low-Pegel. Die Widerstände im Eingang lassen einen Strom von ca. 0.5mA durch den Optokoppler fließen. Es müssen allerdings zwei in Reihe geschaltete Widerstände sein, wegen der maximal zulässigen Spannung von 250V pro Widerstand. Die parallel geschaltete Diode "vernichtet" das andere halbe mA. Durch den Optokoppler wird nur eine Halbwelle übertragen, so daß an der Basis von Q1 Lichtimpulse auftauchen. Der Kondensator C1 glättet diese Lichtpulse und VOut liefert einen sauberen Low-Pegel.
Ja, so gehts auch, ist allerdings eben mit zusätzlichem Bauteilaufwand verbunden. Zum Thema Spannungsfestigkeit Widerstand: bedrahtete Metallschichtwiderstände Bauform 0207 haben i.a. eine Spannungsfestigkeit von 350V, Kohleschicht jedoch weniger. Anbei die Schaltung mit dem H11L1, der pullup am AVR-Eingang muss aktiviert sein, da der H11L1 OC-Ausgang hat. Ergibt L-Impulse von etwa 5ms, 15ms H-Zeit. Die auszuwerten, sollte keinem MC Probleme machen. Falls jemand Bedarf an diesen Optokopplern hat, ich habe etliche Tausend davon da.
@Lars Deine Variante gefällt mir schon mal ganz gut. Aber eine paar Fragen hätte ich da noch: 1. Wie kommst du auf 0,5mA ? I = U/R I = 230V / 200kOhm I = 1,15 mA ?? 2. Im Datenblatt vom TIL 111 Steht: "Input Diode Current" 10µA. Da macht er doch 50µA nicht all zu lang mit, oder? 3. Könnte ich mir die Schaltung nach dem Optokoppler sparen, wenn ich vorher Gleichrichter -> Widerstand -> Kondensator -> Optokoppler mache? ...müßte ich natürlich erst ausrechnen, was billiger kommt. MfG Sascha
1. Da nur eine Halbwelle durch die Diode im Optokoppler geleitet wird, halbiert sich der Strom den du berechnet hast auf ca. 0.5mA. Die andere Hälfte fließt durch die antiparallel geschaltete Diode. Deine Rechnung ist also richtig, aber du darfst nur eine Halbwelle der sinusförmigen Wechselspannung betrachten. 2. Den Strom von 10uA ist ein Reverse Current, also ein Leckstrom in Sperrichtung der Diode. Für die Belastung zählt jedoch der Continous Forward Current oder der Forward Current Peak. Der Dauerstrom ist mit 100mA angegeben, der Spitzenstrom bei 300us Pulsen und 2% Tastverhältnis sogar mit 3A. Der Diodenstrom beträgt bei der vorgeschlagenen Dimensionierung aber nur 0.5mA (500uA). Also besteht hier keine Gefahr. 3. Technisch habe ich mir das noch nicht überlegt. Ich glaube nur nicht, daß du hierbei Geld sparst. Wenn du eine Lösung mit wenig Bauteilen anstrebst, würde ich die Lösung von Crazy Horse nutzen. Ist allerdings auch eher eine Entscheidung aus dem Bauch heraus, da ich gerne wenig Bauteile auf der 230V Seite habe.
hi sorry das ich ein altes thema neu belebe jedoch brauche ich die schaltung für einen andern zweck sie soll das aufladen eines elkos bei einem ladestand von 160v beenden und ihn nicht schnell entladen also DC frage dazu: 1) funzt der H11L1 auch mit DC 2) bei wieviel mA schaltet er H11L1 Ein/Aus thx et
dann mach doch das ganze mit einem op, als komperator und einem MOS-FET als elektronischen Schalter.
Hallo, @ Lars Harms (1. Da nur eine Halbwelle durch die Diode im Optokoppler geleitet wird, halbiert sich der Strom den du berechnet hast auf ca. 0.5mA. Die andere Hälfte fließt durch die antiparallel geschaltete Diode. Deine Rechnung ist also richtig, aber du darfst nur eine Halbwelle der sinusförmigen Wechselspannung betrachten.) Wieso kommt man auf 0.5mA???? Ich habe doch 230V*1.414/200k=1,626mA! Der Strom "muß" doch da durch?!?! das habieren darf ich doch nicht, nur der strom der anderen Halbwelle fließt nicht durch den optokoppler, sondern durch die diode. Der maximale Strom bertägt demnach 1,626 mA. Oder? Danke, Spider
Die 1,4141 musst du weglassen da im mittel ja 230V anliegen und nicht mehr. wir haben ja nix gleichgerichtet und stabilisiert. das sowohl der strom fuer die diode und den optok durch die R muss stimmt.
Hallo, der maximale Strom durch den Optokoppler beträgt aber bei der max. Amplitude (325V) eben die 1,626... mA. Der Effektivwert durch die Diode is klar 0,5mA, aber der Zeitliche verlauf ändert sich eben! ;) Ich würd da schon auf den maximalen Strom aufpassen, weil wenn der überschritten wird, dann raucht einem irgendwann mal was ab, dann raucht's und stinkts und wenn man Pech hat braucht man nen Feuerlöscher! MFG Hannes
Bitte melde dich an um einen Beitrag zu schreiben. Anmeldung ist kostenlos und dauert nur eine Minute.
Bestehender Account
Schon ein Account bei Google/GoogleMail? Keine Anmeldung erforderlich!
Mit Google-Account einloggen
Mit Google-Account einloggen
Noch kein Account? Hier anmelden.

