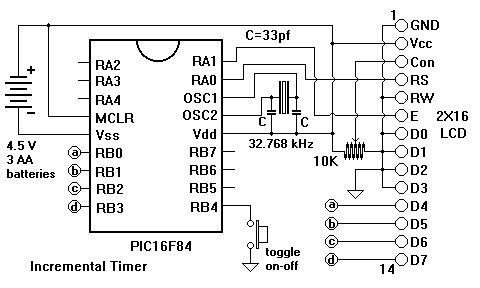
Hallo Hoffe das bild ist in Anhang. Auf den bild in der Schaltung ist ein Widerstand 10K (10 Kilo Ohm ???). Der Anschluss liegt auf D1 und geht auf masse. Und von CON kommt auch eine Verbindung. ??? Oder ist das kein Widerstand? Gruß Michi
> Auf den bild in der Schaltung ist ein Widerstand 10K (10 Kilo Ohm ???). - 10 Kiloohm ist richtig - Widerstand ist nicht ganz richtig. Es handelt sich um ein Potenziometer (früher hieß es noch Potentiometer). > Der Anschluss liegt auf D1 Stimmt > und geht auf masse. Falsch --> auf VDD (4,5V Betriebsspannung) > Und von CON kommt auch eine Verbindung. ??? Jau, das ist dann der Schleifer des Potis. Gruß, Magnetus
Das ging ja fix. Danke Eine Lücke bleibt.! Es handelt sich um ein Display. Ein Poti, hier 3 Beine. ?-Einngang? ?-Steuerung? ?-Gesteuerter Ausgang? es ist Sonntag und ich habe so einen 10K Poti net parat. Steuert sich das Ding von alleine oder gehe ich da mit einem Schraubendreher bei : ) (wisst schon, Radio, Volumen, laut leise) somit geht auch ein Transistor mit einem 10K widerstand davor? Collector, Emitter? Grus Michi Danke nochmals.
Das Poti kannst du auch durch zwei in Serie geschaltete Widerstände ersetzen. _ | _ -|_ _ _ _ _|- wird zu _ | _ -|_ _ _|- - -|_ _ _|- Zusammen sollten die Widerstände 10 k Ohm ergeben, das Verhältnis musst du ausprobieren.
Das Poti liegt zwischen Masse und 4,5V (Batterie) - es ist die Kontrasteinstellung für das Display - ein Transistor hilft Dir da nicht - Du benötigst ein Trimmpoti oder ein paar Widerstände und ein wenig Geduld, um mit den Widerständen einen geeigneten Spannungsteiler aufzubauen... Gruss Otto
des Quarzes Kondensatoren müssten doch gegen Masse geschaltet werden und nicht gegen Betriebsspannung.
Stimmt schon, aber für Wechselstrom ist es gleich.. 32kHz gehen schon durch eine Batterie durch :-) Die Kontrasteinstellung von einem Text-LCD liegt meist nahe bei GND; es könnte einfach ein 1k Widerstand zwischen GND und CON reichen.
Danke. Einen 10K Potentiometer habe ich gefunden. Zwischengeschaltet und funtzt. Nachgemessen und schau mal da, ein widerstand von 4,45 KOhm. Somit drei hintereinander gelegt zu 4,5 KOhm und geht. Bei einem Potentiometer legt man noch des dritte Bein auf minus damit die Lebensdauer des Potis verlängert wird. Der wird dann eben net mehr so heiß : ) Fazit. ? ? ? Hält die Batterie länger durch mit einem widerstand oder mit einem Poti oder bleib es sich gleich? Wobei ich selber für mich + auf – ? ? ?, schweißen kann man damit nicht aber + auf – und 10 KOhm dazwischen und der Verbraucher, aber trotzdem bei der Musikanlage sag ich mal ja, wegen der rausch Unterdrückung, aber hier extra Strom verbrauch, oder? Also 4,45 KOhm ist Tipp top. Ein Kondensator, ein Transistor und ein widerstand = Fertig ??? Je schwächer die Batterie um so geringer der widerstand um so größer der Durchfluss = Konstante Beleuchtung. Gleicher Strom verbrauch wie beim Poti, jedoch stellt sich der Kontrast von alleine nach, oder? Stimmt mir jemand zu. Gruß Michi
> Bei einem Potentiometer legt man noch des dritte Bein auf minus damit > die Lebensdauer des Potis verlängert wird. Der wird dann eben net mehr > so heiß : ) Die Logik dieses Absatzes erschliesst sich mir nicht so ganz.... (Die des Rests allerdings auch nicht)
@MichZet: Ich glaube, du hast nicht verstanden, wie ein Potentiometer funktioniert bzw. welchen Sinn das in dieser Schaltung hat. Lies z.B. das mal: http://www.elektronik-kompendium.de/sites/bau/1011211.htm In dem konkreten Fall Deiner Schaltung wird das Potentiometer als Spannungsteiler genutzt und ist für das Einstellen des Kontrastes zuständig. Von alleine regelt sich da nix. Zufall, dass das nun so funktioniert, wie Du das zusammengepappt hast.
Dazu kommt jetzt eine Lichtschranke. Ein Rundenzähler soll es werden. (Und später, später, später, mit Zwischenspeicher der Zeiten und auslesen der schnellsten zeit) Hat das liebe Forum vielleicht ein Paar Adressen zu einfachen Assembler Beispielprogrammen. Ich suche und suche und suche. Alles was ich bis jetzt gefunden habe ist noch eine Stufe zu hoch. Da haben einige von euch Recht. Und soll ich jetzt putzen gehen. Ne. Aber wenn ihr Lust habt mich einwenig weiter zu leiten, danke ich denjenigen. Gruß Michi
hi, manchmal wird ja gern zu schnell gerieben: guck doch ins tutorial! aber ich glaub da findest du gute programme zum anfangen. und wenn du dir für eine lichtschranke die kapitel I/O, interrupts und timer zusammenschraubst bekommst du auch gleich eine beschreibung dazu. und wenn dir mal nicht gleich was klar ist, wie zB oben das mit dem Poti ;-), Wikipedia hilft! http://de.wikipedia.org/wiki/Potentiometer http://de.wikipedia.org/wiki/Spannungsteiler zu ganz speziellen sachen vllt nicht mehr, aber sonst immer gut.
Hallo Las dich nicht unterbuttern! http://www.sprut.de/electronic/pic/programm/index.htm http://www.sprut.de/electronic/pic/programm/lcd.htm einfache asm für 16F84 nehme später 16F627/28 viel erfolg und spaß
Danke Danke Danke
Leute ich danke euch für die hilfreichen : ) Beiträge und Debatten.
(Deutschland(Politik)Geldverdienen)
(ich sitze genau so wie Ihr vor einer Steckdose und blicke in die weite
weite WWW Welt (Hi, Hi) und)
Komme somit auf die gleichen WWW Seiten wie ihr.
Und wenn man dann wirklich wirklich wirkilich nicht weiter kommt,
behilft man sich der Freundlichkeit der Mitmenschen und stehlt ihnen
ihre zeit.
Dafür danke ich denjenigen. Danke.
Die Kritiker und Besserwisser und und und, Wissens eben besser.
Ich für mich, gehe öfters Menschen entgegen und schenke dehnen was
persönliches aus der Trickkiste oder selbst gestricktes, und freue mich
daß es Verwendung findet.
Ich bin aber auch kein Frusti. ( NET Poti. Frusti. = frustrierte Person)
Lange Rede kurzer Sinn:
Es lag am Quarz: Ich hatte noch den 32.768 Khz drin. Und verlangt waren
4 Mhz.
Als Belohnung eine Aufgabe zur Entspannung
„ Das Bild was ich mitgeschickt habe“
Meinen Intuition dieses Bildes = Still, Zurückhaltend und trotzdem
Kraftvoll. Respekt.
(Ich glaube da und links im Bild ist auch ein Mikrocontroller verbaut.
Hi Hi)
Darf ich noch eine Frage stellen und dann schweige ich auch bevor ich
mir noch richtige Feinde verschaffe.
Um wie viele Nullen ist der Khz zu langsam:
32.768 Khz = 0,32768 Mhz ???
Gruß Michi
Ps.: Ein richtiges Beispiel währe, eine Seite mit Beispiel Dateien.
( Doch die Egos unter Uns wissen bescheid ( meins meins meins )
http://www.piclist.com/techref/io/lcd/pic.htm
Um genau so viele Nullen wie das Kiloohm zum Megaohm du Schwätzer! Es ist dem Kilo und dem Mega vollkommen Wurscht, ob hinten dran Ohms, Hertzens oder sonstiges stehen. Dies sind einfach nur Ersetzungen für Zehnerpotenzen. Scheinbar wird in den Schulen für jede Maßeinheit die Umrechnung einzeln gelehrt und irgendwann reicht das Gedächtnis nicht mehr aus.
> Um wie viele Nullen ist der Khz zu langsam: > 32.768 Khz = 0,32768 Mhz ??? 32.768 KHz = 0,032768 MHz ! ^
Bitte melde dich an um einen Beitrag zu schreiben. Anmeldung ist kostenlos und dauert nur eine Minute.
Bestehender Account
Schon ein Account bei Google/GoogleMail? Keine Anmeldung erforderlich!
Mit Google-Account einloggen
Mit Google-Account einloggen
Noch kein Account? Hier anmelden.


