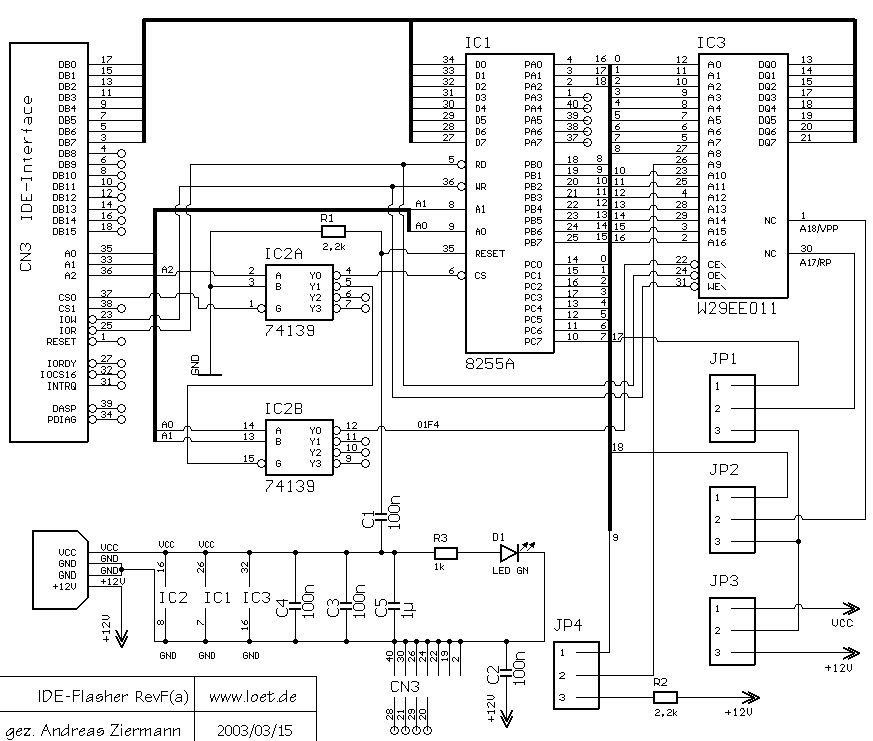
es wäre nett, wenn mir jemand erklären könnte, was die kreise (oder leeren punkte) zu bedeuten haben! (siehe Anhang!) lg samstre
@ Samuel Streiner (samstre) >es wäre nett, wenn mir jemand erklären könnte, was die kreise (oder >leeren punkte) zu bedeuten haben! (siehe Anhang!) Du meinst die Halbkreise bei einigen gekreuzten Leitungen? Damit wird dargestellt, dass die sich kreuzenden Leitungen nicht elektrisch verbunden sind. Im Gegensatz dazu der dicke Punkt, er markiert elektrische Verbindungen (Knotenpunkt). MfG Falk
ich denke er meint die vollen kreise bei den bautteilen sind es aufjedenfall negationen
ich meine die leerenkreise bei den bauteilen :) achso... das sind negationen... schon klar... jetz frag ich mich nur noch wie ich das löten soll GG
negation is mir ein begriff... nur wie muss ich den bauteil dann auf die platine löten? <- ich will das zeug auf eine leere platine löten (testplatine) da muss ich dann von hand die leitungen durch kabel (oder etwas anderes) ersetzten... was muss ich also bei einer negation machen? ^^ tut mir leid das ich mich so unklar ausdrücke :) <- anfänger halt vielen dank samstre
Hallo, Die Nagationen sind zur zum Verständniss des Bauteiles bzw. der Schaltung. Der Chip invertiert intern den Ausgang. Löttechnisch ändert sich nicht, das Bauteil wird nur eingelötet.
vielen dank für eure schnellen antworten!!! ihr habt mir sehr geholfen :)
Bitte melde dich an um einen Beitrag zu schreiben. Anmeldung ist kostenlos und dauert nur eine Minute.
Bestehender Account
Schon ein Account bei Google/GoogleMail? Keine Anmeldung erforderlich!
Mit Google-Account einloggen
Mit Google-Account einloggen
Noch kein Account? Hier anmelden.
