Moin, wie warm sollte so ein µC werden? wenn ich an meinen die 5V auf beiden seiten (wie im bild) anschließe, wird er insbesondere in der mitte so heiß, dann man den finger sofort wieder zurückzieht. kann das ein zeichen für nen defekten µc sein?
toaster wrote:
> kann das ein zeichen für nen defekten µc sein?
Wenn er wirklich so angeschlossen ist wie oben gezeigt, dann wird er
vorher schon defekt gewesen sein.
@ toaster (Gast) >wie warm sollte so ein µC werden? Unmerklich. > wenn ich an meinen die 5V auf beiden >seiten (wie im bild) anschließe, wird er insbesondere in der mitte so >heiß, dann man den finger sofort wieder zurückzieht. Dann ist was faul. verpolt? >kann das ein zeichen für nen defekten µc sein? Ja. MfG Falk
Die 4MHz können durchaus eine Grund sein, daß sich er uc etwas erwärmt. Kochen darf er allerdings nicht. Sind die unbenutzen Ports auf Eingang und Offen? Möglicherweise schwingt da noch irgendwas so arg, daß sich der Kontroller zusätzlich erwärmt. Ich würde testweise einfach mal die unbenutzen Ports Pullups anschalten oder gleich auf Ausgang stellen.
Wenn Du die Versorgung falsch rum anschließt, wirt er ziemlich heiß. Meine Behauptung: Versorgung falsch angeschlossen.
Hmm, also verpolt ist es nicht. Ich hab nochmal ein foto der schaltung beigefügt - es handelt sich um meine erste... Soweit ich weiß wird noch ein internes clocksignal im µc genutzt, da ich noch keine fuse-bits gesetzt habe. Daher weiß ich den momentanen takt nicht. extern liegen aber 4 mhz an. Die ungenutzten i/o-ports (alle) sind auch in der tat offen. Neben dem problem mit der Temperatur ist mein Hauptproblem auch, dass der AtMega8 weder mit yaap noch mit ponyprog erkannt wird. verbunden ist das ganze über 5 adern direkt mit dem druckerport, wobei sck und mosi einen 1 kohm dazwischen haben.
Sind auf deinem Steckbrett die Querschienen (auf denen du die Versorgungsspannung hast) tatsächlich alle 5 Löcher unterbrochen? Geh nicht davon aus, nur weil da die optische Reihe unterbrochen ist, dass deshalb auch der Kontakt unterbrochen ist.
also es ist ein 7805 ich hatte auch vor anschluss des prozessors immer exakt 5 v am ausgang gemessen, aber nun hab ich nocheinmal gemessen und messe sogar 11 v direkt am prozessor! das schlechte bild tut mir leid, ich habs es nun noch einmal mit makro fotografiert und meine stromversorgung markiert.
Du hast was vertüdelt. Sonst wird das Ding nicht heiss, auch mit offenen IOs. MFg Falk
Nimm mal den Prozessor raus. Nimm mal den 7805 raus. Spannung drauf. Leuchtet die LED immer noch? (Bei meinem Steckbrett ist es so, dass diese Querschienen nur in der Mitte des Steckbretts unterbrochen sind, auch wenn alle 5 Pins einer ausgelassen wird. D.h. ich brauche eine Brücke genau in der Mitte um die komplette Schiene unter Spannung zu setzen)
ok... also der hinweis ist völlig zutreffend. die optische unterbrechnung an den oberen und unteren querschienen bedeutet nix - die sind dennoch leitend. dann werd ich mal ein wenig umstecken...
Ich hab bei meinem Steckbrett diese Verbinder immer drinnen. Dazu benutze ich die beiden Schienen ausschlieslich für 5V und Masse. Und zwar so, dass jeweils eine Schiene die Versorungsspannung führt und die andere Masse. Zusätzlich habe ich dann noch mit jeweils einem roten und einem schwarzen Edding die Schienen markiert. Am Steckbrett laufen also jeweils ein schwarzer Strich und ein roter Strich parallel. (Bei deinem Steckbrett wären das dann 1 rote und 1 schwarze über der eigentlichen Steckfläche und dasselbe nochmal unter der Steckfläche). So kommst du von jeder IC Seite aus immer leicht an Vcc und GND heran. Die Versorung des 7805 kommt direkt zum 7805. Ich will erst gar nicht in Gefahr laufen, dass sich die höhere Eingangs- spannung irgendwo hin verirrt, wo sie gar nícht hin soll.
ok, vielen dank dafür schonmal ;) nun hat der µc eine angenehme temperatur über den ganzen chip verteilt und ich messe überall 5v. allerdings findet weder yaap noch ponyprog den prozessor. anschluss nachwievor: "verbunden ist das ganze über 5 adern direkt mit dem druckerport, wobei sck und mosi einen 1 kohm dazwischen haben."
Tja. Das ist jetzt schwer zu sagen * Es könnte natürlich sein, dass der µC bereits Schrott ist. 11V ist weit ausserhalb der Spezifikation * Auf der anderen Seite gibt es mit diesen Einfachst-ISP Brennern immer wieder Probleme, an denen allerdings der PC Schuld ist. Ältere PC funktionieren meist besser als welche neueren Datums.
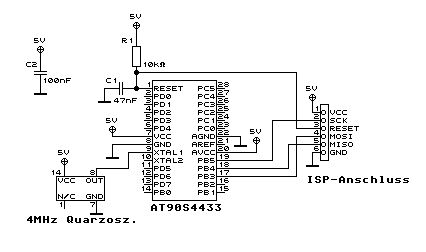
Im Schaltplan ist ein Quarzoszillator, im Steckbrett nur ein einfacher Quarz. Das kann nicht funktionieren.
also ich hatte auch einmal drei glühende mega16s. das in dieser schaltung benötigte ich ca 22v. weil ich am ausgang des 7805 ein gröserer kondensator als am eingang hatte und dort die spannung ausschaltet, hat es mir als erstes den spannungsregler abgeschossen. nachher hatte ich 22 volt auf der 5 volt leitung und so wurde mein ATmega mega heiss. ;-) nun habe ich drei stück verbraten, bis ich endlich auf den mysteriäsen grund gestossen bin... Fazit: ein neuer Mega8 nehmen und vorallem immer einige von denen auf reserve herumliegen haben! viel glück
ist wohl leider beides möglich - blöderweise hab ich nur einen atmega mitbestellt... um das zu testen muss ich wohl noch etwas geduld haben. wird ein defekter prozessor denn noch warm? ich hab auch noch einen isp mit einem 244 gebaut - ebenfalls ungetestet bis jetzt. mit dem gehts aber auch nicht. oder zählt das auch noch als einfachst isp? mein notebook hat zwar schon so viele jahre auf dem buckel, dass es noch einen ltp verbaut hat, aber dennnoch kann ich mir gut vorstellen, dass auch das ein problem sein kann. ich vermute die sache mit dem quarz ist gar nicht so tragisch - einmal weil im werkzustand der interne taktgeber aktiv sein soll und außderdem habe ich die alternative schaltung, die in dem avr-tutorial auf dieser site vorgestellt ist, verwendet.
Johannes F. wrote: > wird ein defekter prozessor denn noch warm? Kommt auf den defekt an. Möglich ist das aber auf jeden Fall. > mein notebook hat zwar schon so viele jahre auf dem buckel, dass es noch > einen ltp verbaut hat, aber dennnoch kann ich mir gut vorstellen, dass > auch das ein problem sein kann. Allerdings. Gerade Notebooks sind dafür bekannt, bei solchen Billig-Lösungen ärger zu machen. Entweder weisen sie nicht genug Spannung am LPT auf oder können sich soviel Strom treiben. Besser du versuchst es nochmal am stationären PC.
Entschuldigt, dass ich den alten Thread wieder aufwärme, aber ich muss mal was anmerken: AVRs überleben VERDAMMT LANGE verpolt!! Ich hab gerade völlig verplant einen 8515 falschrum angeschlossen. Fünf Minuten nach nem Fehler gesucht, Wärme bemerkt, ausgeschaltet, abkühlen lassen, Schaltung korrigiert und wieder an. Geht.
Bitte melde dich an um einen Beitrag zu schreiben. Anmeldung ist kostenlos und dauert nur eine Minute.
Bestehender Account
Schon ein Account bei Google/GoogleMail? Keine Anmeldung erforderlich!
Mit Google-Account einloggen
Mit Google-Account einloggen
Noch kein Account? Hier anmelden.


