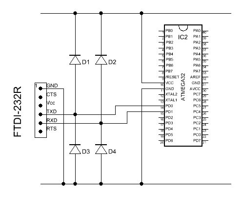
Hallo Zusammen! Ich habe folgende Schaltungskonfiguration (siehe Anhang): - Schaltung mit einem ATMega, welche von einer internen 5 Volt Spannung versorgt wird. - An die serielle Schnittstelle des ATMega ist ein USB/Seriell Kabel von FTDI TTL-232R angeschlossen. Problem: Wenn ich die Versorgung des ATMega nicht anschalte, das USB Kabel bereits am PC aber aktiv ist, bekommt die Schaltung (ATMega etc.) über die internen Schutzdioden von TXD (habe ich zur Verdeutlichung nochmal eingezeichnet) des ATMega bereits Versorgungsspannung. Dies führt nun dazu, dass der ATMega anläuft, die restliche Schaltung aktiviert, da aber der Strom nicht ausreicht, wieder einen Reset durchführt, etc. etc. Eine Versorgung des ATMega aus dem USB scheidet aus, da der Stromverbrauch der Gesamtschaltung zu hoch ist. Hat jemand einen Tipp, wie ich dieses Verhalten unterbinden kann? Ich wäre für jeden Tipp dankbar! Grüße aus Filderstadt Dietmar
Mögl. 1/ Wie wäre es mit einem Serienwiderstand in der TXD Leitung (aus Sicht des FTDI), damit der AVR daraus nicht genug Strom zum Anlaufen ziehen kann? Hilft vielleicht auch den Dioden zu überleben. Mögl. 2/ Sauberer Resetcontroller am AVR, der den Prozessor im Reset hält bis eine stabile Spannung da ist. BTW. wie ist am AVR das Brownout eingestellt?
Hallo Stefan! Danke für Deine Antwort. Ich denke, ich werde mal den Serienwiderstand in der Sendeleitung vom USB Port probieren. Brownout - muss ich schauen - weiss nicht mehr wie die Fuses stehen. Bei der nächsten Schaltung mach ich da ne vernünftige Resetsteuerung dran - die Olimex-Boards haben da so einen ZM33064 drauf - mal den versuchen. Grüße und noch ein schönes Wochenende allerseits Dietmar
schau mal ins Datenblatt von dem FT232... Da sind eine Menge Schaltungen angegeben die vlt deinen Zweck erfüllen... Ich frag mich eh was die Dioden bringen sollen... die hat der AVR schon intern.... Als Widerstand kannst du übrigens beruhigt 1kOhm nehmen...
Bitte melde dich an um einen Beitrag zu schreiben. Anmeldung ist kostenlos und dauert nur eine Minute.
Bestehender Account
Schon ein Account bei Google/GoogleMail? Keine Anmeldung erforderlich!
Mit Google-Account einloggen
Mit Google-Account einloggen
Noch kein Account? Hier anmelden.
