Hallo, ich habe die im Anhang gezeigte Schaltung für eine +5/-5V Versorgung für einen Transimpedanzwandler (mit LM741) gebastelt. Nun leider habe ich kleine Spannungsschwankungen, die sich am Ausgang des Transimpedanzverstärkers (V=300000) deutlich zeigen. ca 100mVss innerhalb von 2min. Ich frage mich woher diese Schwankung kommt. Liegts an der Versorgung? Was könnte ich dagegen tun? Oder sollte ich mir eine komplett andere Spannungsversorgung zulegen? wäre für Hilfe dankbar! grüße SledgeX
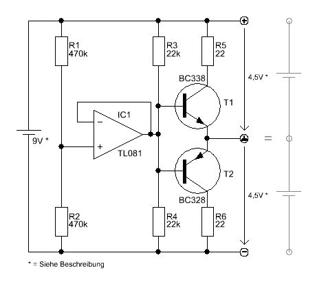
Dass der Rückkopplungsanschluss vom OPV hier nicht die Ausgangsspannung der Schaltung misst, sondern bloss seine eigene, dass irritiert dich nicht? Jedenfalls ist die einzige Spannung, die hier konstant gehalten wird, die direkt am Ausgang vom OPV. Die hinter den Transistoren ist es nicht. Woher stammt diese Schaltung?
http://www.dieelektronikerseite.de/Lections/Symmetrische%20Spannungsversorgung.htm naja ich kenn mich nicht so super damit aus. deshalb hat mich an der schaltung nichts irritiert. und sie funzt ja auch. woran liegt es, dass die spannung hinter den transistoren nicht konstant bleibt?
Der Ausgang des OPV liegt fix auf 4,5V. Der Ausgang der Transistoren liegt folglich dank deren Basisspannung je nach Richtung der Last bei 4,5V-0,6V und 4,5V+0,6V oder irgendwo dazwischen. M.a.W: Diese Schaltung ist ziemlicher Mist. Kannst es mal damit versuchen, den "-" Anschluss vom OPV nicht an seinen eigenen Ausgang, sondern an den Ausgang der Schaltung zu hängen.
achso, hab vergessen, ich habe hinter die schaltung natürlich noch die 7905 und 7805 Festspannungsregler.
SledgeX wrote: > achso, hab vergessen, ich habe hinter die schaltung natürlich noch die > 7905 und 7805 Festspannungsregler. Wie soll das denn gehen? Ein 7805 mit 4,5V rein 5V raus? Bitte poste mal die komplette wirklich realsierte Schaltung, nicht so eine unvollständige Glaskugelvorlage wie hier.
sorry! war nicht meine absicht. also ich es gegen 16V auf die im bild gezeigte schaltung. daraus folgt eine spannung von +8/-8V die ich dann mit den Festspannungsreglern auf 5/-5V regle. mit diesen versorge ich den OPV für den Transimpedanzwandler.
Bitte melde dich an um einen Beitrag zu schreiben. Anmeldung ist kostenlos und dauert nur eine Minute.
Bestehender Account
Schon ein Account bei Google/GoogleMail? Keine Anmeldung erforderlich!
Mit Google-Account einloggen
Mit Google-Account einloggen
Noch kein Account? Hier anmelden.
