Hallo! Ich habe vor, die zwei UART-Pins vom AVR als Hausbusanschlüsse zu verwenden. Das Projekt soll: - einfach sein (Keine zusätzlichen ICs, vielleicht(!) ein Pegelwandler 5V->12V/Optokoppler 5V->12V/74XX245-Transceiver...) - Das Dingens soll über eine vieradrige Leitung mit dem Schirm an & als Masse laufen können. - Übertragungsgeschwindigkeit kann ruhig 50 Baud sein ;-) - also auf Schnelligkeit kommts -wirklich- nicht an! Gedacht hätte ich so um die 50 bis 9600 Baud. - An der Leitung hängen verschiedene Teile, die untereinander unterhalten können. - Die Leitung wird vielleicht grade mal ein paar Meter lang, es soll erstmal kein Haus damit verdrahtet werden, sondern nur ein paar kleine Verbraucher und 12V-Akkus - verteilt auf zwei bis drei Zimmer. Gedacht ist, dass jeder Teilnehmer eine Nummer von 0-255 hat. Die Unterhaltungen sollten dann komplett softwaremäßig funktionieren. Das soll hier auch nix zur Sache tun. Genug Theorie, hier mein Problem. ;-) Aaaaalso: Kann ich mehrere AVRs mit den UART-Anschlüssen zusammenpfriemeln? Normalerweise funktioniert das mit zwei AVRs. Geht das dann auch mit mehreren? Im Bild ist das Problem gezeichnet. Wenn ein Teilnehmer etwas "plaudert", sollen alle anderen Teilnehmer das mitbekommen. Einer fühlt sich dann angesprochen und tut dann was. Würde das funktionieren? Oder muss ich was Anderes benutzen? Danke schonmal für eure Antworten! Stefan
> Oder muss ich was Anderes benutzen? Für sowas ist RS485 erfunden worden :) Also am UART vom AVR einfach noch ein RS485 Baustein ran und schon kannst du mehrere AVRs an einem Bus laufen lassen.
Super. Danke für die schnelle Antwort. Und was wäre da so ein RS485er-Baustein? (IC-Name?) Weißt du, wie ich den dann genau verdrahten soll? Stefan
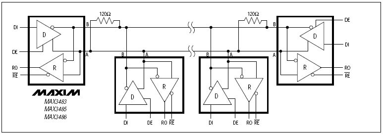
Ich nutze z.B. den MAX3485. Ich habe alerdings 3,3V, weiss nicht ob der auch für 5V geht. Verkabelung ist in den Datenblättern abgebildet, findet man aber auch etliches im Internet. Im Anhnag für den MAX3485: DI an TX vom AVR RO an RX vom AVR DE und RE zusammenschliessen und an einen beliebigen Portpin. Ist die Umschaltung senden/empfangen.
Hallo nochmal! Da brauche ich schon 5 Volt. Bei Re*chelt gibt`s einen MAX485. Dessen Datenblatt hab ich mal überflogen. Der scheint für mich der Richtige zu sein. Was meinst du dazu? Darin steht auch, dass bis zu 32 Teilnehmer an der Leitung hängen dürfen. Bei der nächsten Bestellung werd` ich ihn vielleicht mal ausprobieren. Jetzt sind noch Fragen offen, aber wozu gibt`s denn dieses Forum: ;-) - So wie ich mir die Schaltung vorstelle, ist in dem angehängten Bildchen. Testweise mal mit drei Teilnehmern. - Kann ich Suppressordioden o.Ä. verwenden? So als Blitz-/Überspannungsschutz. Kann bestimmt nie schaden. Oder doch? - Die Widerstände in deinem Bildchen und in dem Datenblatt - sind die wegen dem Wellenwiderstand da? Aber als Elektroazubi hab ich da natürlich keine Chance; das wird nicht gelehrt! ;-) Deswegen fehlen die auch bei meinem Bildchen. Wie groß müssen die ungefähr sein? Ist das kritisch? Wo müssen die hin? Danke (schonmal wieder) für alle Antworten! :-) Stefan
> Der scheint für mich der Richtige zu sein. Was meinst du dazu? Ja der schaut gut aus. > Kann ich Suppressordioden o.Ä. verwenden? Kann man machen, ja. > Wie groß müssen die ungefähr sein? Ist das kritisch? Wo müssen die hin? Das sind Abschlusswiderstände. Müssen glaub ich 120 Ohm zwischen A und B sein. Such einfach mal im Netz, da gibt es sicherlich Erklärungen die wesentlich besser sind als wie ich hier schreiben könnte :) z.B. hier: http://www.eseo.de/rs485.htm
Hallo! Die Infos von deinem Link sind super! Herzlichen Dank! :-) Vielleicht schreibe ich hier wieder mal, wenn ich mein Projektchen ein bisschen vorangebracht hab. :-) Gruß, Stefan
Bitte melde dich an um einen Beitrag zu schreiben. Anmeldung ist kostenlos und dauert nur eine Minute.
  
  Bestehender Account
  
  
  
  Schon ein Account bei Google/GoogleMail? Keine Anmeldung erforderlich!
Mit Google-Account einloggen
Mit Google-Account einloggen
  Noch kein Account? Hier anmelden.



 Thread beobachten
 Thread beobachten Seitenaufteilung abschalten
 Seitenaufteilung abschalten