Hallo, ich suche ein möglichst kleines IC (maximal SO8, gern viel kleiner), mit dem sich ein sicher laufender Oszillator zwischen 20KHz und 60KHz, und einem einstellbaren Puls- Pausenverhältnis aufbauen lässt und das direkt an einer Betriebsspannung von 30-36V arbeitet. Bin für jeden Vorschlag offen - sofern nicht dieser nicht in die Richtung "nimm doch einen Spannungsregler und..." geht. Gruß, Stefan
Tut mir leid, ich hatte vergessen zu erwähnen, dass die eingestellte Frequenz über den Betriebsspannungsbereich gleich bleiben muss. Hätte sonst auch gern einen 393 Komparator benutzt. Bei der Gelegenheit: Das Signal muss Rechteck sein !
Was meinst Du mit "konstant"? Sowohl Komparator als auch Opamp ermöglichen Oszillatoren, die nur aufgrund der unidealen Eigenschaften der Bauteile nicht "konstant" sind. Ist halt eine Frage der Grössenordnung.
Na eben, dass die Frequenz sich zwischen 12V und 30V nur unwesentlich ändert. Ein RC-Glied, dass, wie auch immer durch die Versorgung gespeist wird, bringt das eben nicht.
Und von wievielen Prozent sprechen wir also? Ich meine, für ein Design bzw. eine Anfrage musst Du schon mit einer Anforderung rüberkommen. Sind es 10%, 1%, 1 Promille oder 100ppm. Input man. Oh und nochwas: Wenn wir von Drift sprechen: Welche Initialgenauigkeit erwartest Du? Ich nehme an, es soll nichts abgegeglichen werden. Oder ist das unkritisch? Mit einem Spannungsregler... ;-)
Nimm doch einen Oszillator, welcher bei geringen Spnnung(5V) stabil läuft und takte mit dem Ausgang einen Mosfet, welcher die 35V schaltet.
Die Schaltung hatte keinen Spannungsregler und auch keinen Platz dafür. Ich suchte nach einer Art NE555 für Betriebsspannungen von 30-36V. Das IC sollte an 36V arbeiten und keinen Takt mit 36V erzeugen :-\ Ich habe jetzt alles bis an die Grenze des tolerierbaren verschoben, doch einen Spannungsregler im QFN6-Gehäuse genommen und speise damit einen Tiny45. Das passt gerade noch drauf, da ich mir einige passive Bauteile spare - ist nur blödsinnig teuer. Gruß, Stefan ---
Ein RC oszillator mit radiometrischen Schaltspannungen ist nicht von der Spannung abhengig. Mein Tip, einen 555 mit diskreten Elementen nachbauen. Sind ja nur ein paar Transistoren.
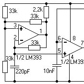
Das geht doch wunderbar mit einem LM393. Ein Komparator als RC-Oszillator läuft genauso frequenzunabhängig von der Betriebsspannung wie der 555. Die Schaltung habe mal auf die Schnelle ausgeschnitten und angehängt. Der zweite Komparator vergleicht die dreieckähnliche Spannung am RC-Glied mit deiner Steuerspannung und liefert die PWM - Eigentlich ganz einfach. Jörg
Bitte melde dich an um einen Beitrag zu schreiben. Anmeldung ist kostenlos und dauert nur eine Minute.
Bestehender Account
Schon ein Account bei Google/GoogleMail? Keine Anmeldung erforderlich!
Mit Google-Account einloggen
Mit Google-Account einloggen
Noch kein Account? Hier anmelden.
