BUZ11 Freilaufdiode nicht nötig ! Gewagte These... Laut meinem Datenblatt meines BUZ11 von Fairchild : http://www.alldatasheet.com/datasheet-pdf/pdf/95144/FAIRCHILD/BUZ11.html Auf Seite 2 ziemlich weit unten steht die Source zu Drain Dioden Spezifikation, aus der ich nicht ganz schlau werde... 1. Wichtig ist doch dabei die Geschwindigkeit und die größe des Stroms oder?!? 2. Vieleicht noch die Spannung die abfällt wegen der Leistung die dann da umgesetzt wird wenn da Strom fließt?!? 3. Da steht 200ns Reverse Recovery Time, was wenn richtig liege 5MHZ ausmacht und damit bei einer PWM von so 10-20 Khz durchaus reichen sollte?!? Wenn ich dann eine Freilauf Diode verwenden sollte, welche Daten hätte diese?!? Wäre nett wenn da jemand was aufklären könnte... Grüße Daniel
Ich habe ein paar BUZ11 vor mir liegen. Wenn ich sie mir so ansehe, brauchen sie tatsächlich keine Freilaufdiode, solange ich sie so liegen lasse.
Also, mit einem optocoupler Schalte ich das Gate des Buz auf die 12V (3,3 Kohm wegen dem opto). Der Motor Sitzt zwischen + und Drain. Source liegt an -. Noch ohne PWM, aber der optocoupler ist da um die Stromkreise zu Trennen, damit ich mir keine Gedanken um Störungen durch den Motor, für den Rest machen muss...
Du musst schon erzählen, in welcher Konfiguration Du den ganzen Mist betreibst. Wenn Du den Motor mit einem einzelnen Transistor Low-Side betreibst, dann brauchst Du definitiv eine Freilaufdiode, bei einer H-Brücke u.U. nicht...
Wenn ich es richtig verstanden habe, dann leitet die diode noch eine Zeitlang weiter, nachdem sie eigentlich sperren sollte. Das sind bei dir 200ns. Wenn die leitet, obwohl sie sperren soll, dann kann das je nach Schaltung zu einem Kurzschluss führen. Es führt auf jeden Fall zu höherer Verlustleistung. Wäre nett, wenn das jemand bestätigen/widerlegen könnte. In deiner beschriebenen Schaltung ist die diode des mosfets nie in Betrieb. Die Induktionsspannung des Motors wird nie abgebaut und zerstört irgendwann die Schaltung. Du brauchst noch eine Diode von Drain nach +12V.
Die Schaltung besteht an der Leistungs Seite nur aus dem schaltenden teil des Opto und dem Buz11 bei dem, damit er auch aus geht, noch ein Pulldown Widerstand von Gate gegen Masse geschaltet ist. Ich dachte mir, dass der Buz11 sich selber durch die eingebaute Diode vor der gegenläufigen Induktion schützt...
Daniel Platte wrote: > Ich dachte mir, dass der Buz11 sich selber durch die eingebaute Diode > vor der gegenläufigen Induktion schützt... Nein, denn die Spannung an Drain steigt beim Abschalten wegen der Induktion. Die Diode ist also immer in Sperrrichtung.
Mann, lass doch mal endlich die konkrete Schaltung rüberwachsen! Aus dem Geschreibsel wird doch kein Mensch schlau. Und nochmal: wenn Du nur mit einem Transistor schalten willst, dann brauchst Du eine zusätzliche Freilaufdiode. Die muss schließlich parallel (mit Kathode an der positiven Versorgungsspannung) zur Last eingebaut werden. Die Inversdiode im MOSFET nützt Dir in dem Fall überhaupt nichts, weil die dann in Reihe zur Last liegt!
------------------------------------------------------------------------ -------- Die Schaltung besteht an der Leistungs Seite nur aus dem schaltenden teil des Opto und dem Buz11 bei dem, damit er auch aus geht, noch ein Pulldown Widerstand von Gate gegen Masse geschaltet ist. Ich dachte mir, dass der Buz11 sich selber durch die eingebaute Diode vor der gegenläufigen Induktion schützt... Diese Schaltung würde ich mir patentieren lassen - ich verstehe sie nicht.
Also als Beispiel: Wenn am Drain eine Relaisspule gegen Plus hängt, dann wird beim Ausschalten eine Spannung induziert, die zur zuvor angelegten entgegengesetzt gepolt ist. Dann wird das Drain weit positiv hochgezogen und da nützt dir die Freilaufdiode im BUZ11 gar nichts. Da bräuchte es eine Freilaufdiode parallel zur Relaisspule. Ganz unabhängig davon: Die Freilaufdioden in Mosfets haben so schlechte Eigenschaften, dass sie in vielen Fällen nicht ausreichen.
Wie die anderen schon sagten: Antiparallel zum Motor MUSS eine Freilaufdiode, sonst geht der BUZ11 beim ersten ABschalten in die ewigen Chipgründe über...
Hab ihn jetzt schon mehrmals aus und an gemacht, sogar ziemlich oft schon, bis jetzt geht er immer noch. Wird auch nicht besonders warm... Die Diode die in einem Fet eingebaut ist wofür ist die bitteschön?!?
Daniel Platte wrote:
> Die Diode die in einem Fet eingebaut ist wofür ist die bitteschön?!?
Für nix ! Die entsteht automatisch !!!
>die in einem Fet eingebaut ist wofü Die ist nicht (extra) eingebaut! Die ist fertigungsbedingt enstanden! Gucke dir mal den Aufbau eines Mosfets an, dann leuchtet dir das ein >sogar ziemlich oft Mit MOtor als Last?? Dann nimm mal ein Oszi und gucke dir die Drainspannung (besonders beim Abschalten der PWM) mal genau an.
Ich steh grad irgendwie auf dem Schlauch... Dioden Stromrichtung ist die Technische, was mir dann sagt, dass Technisch von der Source zum Drain Strom fließen kann. Also die Richtung die ich für den Induktionsstrom bräuchte, richtig?!? Und ja, mit 7,5A läuft da ein Motor dran (mit an und aus !). Hab eben mal mit meinem Oszi die Versorgungspannung angeschaut, sieht zackig aus aber nicht so schlimm...
>ackig aus aber nicht so schlimm...
BITTE??? Eine Versorgungsspannung SOLLTE, besser MUSS KONSTANT Sein.
Hast du wenigstens, aus EMV Gründen, einen ordentlivchen ELKO als
Zwischenkreis drin???
Kein ELKO, aber ein 100nf am Motor. Versorgungspannung war etwas blöd ausgedrückt... is ja nur die Stromversorgung für den Fet, den Motor und den schaltenden Teil des Opto (siehe Plan, rechte Seite). Da is doch bischen Ripple nicht schlimm eigentlich :) Das Zackige ist wohl vom Motor, ist ja ein Bürsten Motor, da wird der ordentlich an der Stromquelle ziehen wenn die Bürsten weiterdrehen
Daniel Platte wrote:
> Kein ELKO, aber ein 100nf am Motor.
100nF am Motor und dann PWM drauf ? Na dann viel Spaß wenns Rauch.
Na ja die 100nf am Motor war geraten, da ist halt ein Keramikkondensator schon dran gewesen wo 104 drauf steht... Aus EMV Gründen könnte ich mich sogar noch zu einem ELKO überreden lassen, aber mit der Freilaufdiode stimme ich immer noch nicht überein ! Und wieso sollte es ein Problem mit PWM und dem Kerko geben?
>Und wieso sollte es ein Problem mit PWM und dem Kerko geben?
Weil der die PWM kaputt macht.
Zum Elko überreden?
Lass ihn weg, du wirst viel Spass mit der EMV haben!
Wenn durch eine induktive Last ein Strom fließt und der Stromkreis unterbrochen wird, dann will der Strom weiterfließen, weil noch Energie im Magnetfeld gespeichert ist, die wieder raus muss. Der Strom fließt dabei in der selben Richtung weiter wie vor dem "Abschalten". Eine Diode in Sperrichtung in Reihe zur Last kann deshalb den Strom nicht übernehmen. Es muss über eine Diode parallel zur Last die Möglichkeit geschaffen werden, dass der Strom im Kreis durch Last und Diode fließt und sich dabei abbauen kann. Die Diode muss dabei so eingebaut werden, dass sie im Normalbetrieb in Sperrichtung liegt. Wenn der Transistor öffnet, dann kann der Strom auf die Diode kommutieren und so die im Feld gespeicherte Energie mehr oder weniger sanft abbauen. Deshalb muss die Freilaufdiode parallel zur Last liegen. Die Inversdiode im Vertikal-MOSFET ist prinzipbedingt vorhanden und nicht vermeidbar. Da sie eben nicht vermeidbar ist, wird sie oft soweit hochgezüchtet, dass sie auch direkt als Freilaufdiode in Brückenschaltungen verwendet werden kann. Oft wird allerdings auch im Transistorgehäuse eine zusätzliche schnelle Schaltdiode eingebaut, damit man in solchen Anwendungen keine zusätzlichen Komponenten benötigt. Du hast aber keine Brückenschaltung, und kannst dementsprechend diese Diode nicht als Freilaufdiode verwenden, weil sie nicht im entsprechenden Strompfad liegt!
So wie ich das verstehe, speichert ein Kondensator Ladungen, wenn nun der 100nf geladen ist (was ja auch schnell geht bei 100nf und ner ordentlichen Quelle), PWM an und die PWM aus geht, gibt der Kerko seine Ladung ab, da der Motor 7,5A zieht, sollte der doch recht schnell leer sein ?!? Habs noch nicht nachgerechnet aber gefühlsmäßig würde ich sagen geht so 10khz PWM schon noch, oder?
@ Johannes M. Gut, dass versteh ich glaub ich, weil der Motor ungünstig zwischen + und Drain liegt kann ich die Diode im Buz11 nicht nutzen. Wenn der Motor anders liegt geht das aber oder?
Daniel Platte wrote: > @ Johannes M. > > Gut, dass versteh ich glaub ich, weil der Motor ungünstig zwischen + und > Drain liegt kann ich die Diode im Buz11 nicht nutzen. > Wenn der Motor anders liegt geht das aber oder? Wie willst Du den Motor denn sonst legen? Nochmal: Bei einer Ansteuerung mit nur einem Transistor liegt die Inversdiode des MOSFET immer in Sperrichtung für den Strom.
Schonmal daran gedacht, dass: - besagter C und das L des Motors einen Schwingkreis bilden, den du mit der PWM dauernd anregst?? - besagter Elko dir den Ind.Strom abfängt, und somit die SPitzen kappt, aber: Schwingkreis. Die PWM ist damit kaputt. - wie jonny sagte, der Strom wohin MUSS? kein ZwischenkreisElko, dann irgendwohin. => schlechte Betriebsspannung, => schlechte EMV, => somit Fehleranfällig. => Beschäftige dich mal ordentlich und KOMPLETT mit der Theorie einer PWM an einer induktiven Last. Dann wirst du deine Fehler verstehen!
Wenn ich Drain vom Fet an + mache und den Motor zwischen Source und - dann liegt doch die Inversdiode im Strompfad der Induktion des Motors. Also in dem Zustand das der Fet abgeschaltet ist und Der Motor aber immer noch dreht.
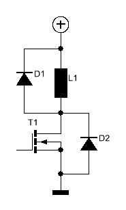
So wie im Anhang muss das aussehen. D1 ist die Freilaufdiode, D2 die Inversdiode des MOSFET...
>Inversdiode im Strompfad der Induktion des Motors.
Mach mal Theorie.
Ich gebs auf. SInnlos.
Ja wenn der Motor jetzt anders liegt, also zwischen Source und - dann kann ich doch die D1 sparen.
Daniel Platte wrote: > Wenn ich Drain vom Fet an + mache und den Motor zwischen Source und - > dann liegt doch die Diode im Strompfad der Induktion des Motors. > Also in dem Zustand das der Fet abgeschaltet ist und Der Motor aber > immer noch dreht. Mal Dir das mal in Ruhe auf und überleg noch mal, was Du da geschrieben hast... Abgesehen davon wirst Du in der Konfiguration den FET nicht mehr richtig aufgesteuert bekommen, wenn Du ihm nicht eine separate, nicht auf Masse bezogene Versorgungsspannung spendierst! Ein letztes Mal: Die Freilaufdiode muss PARALLEL zur Last liegen!
Daniel Platte wrote: > Ja wenn der Motor jetzt anders liegt, also zwischen Source und - dann > kann ich doch die D1 sparen. NEIN!!! Siehe oben...
@ Johannes M. (johnny-m): Lass es einfach. Es bringt nichts. Irgendwann ist der Fet kaputt. Und dann wird er es verstehe.. nein, kapieren, dass doch was nicht korrekt war.
1.Eine Spule ohne Freilaufdiode ist früher oder später die Ursache für den sicheren Transistortod. Betrachte Deinen Fall eher als Glücksfall (dank des 100 nF, der versucht einen Schwingkreis zu bilden). Aus der Vergangenheit kenne ich Fälle, die sogar ein paar Monate funktioniert haben. Laut der Lenzschen Regel entsteht beim Abschalten eine Spannung, die der Ursache entgegen wirkt und genau diese wird bei Gelegnheit größer sein, als Dein BUZ verträgt. Ob man diese Spitze in voller Schönheit mit jedem Oszi sieht, habe ich größere Zweifel. 2.Auch eine Spule mit schneller Freilaufdiode speichert natürlich Energie, was zu einer gewissen Trägheit führen kann, die man jedoch z.B. mit einem kleinen Widerstand überlisten kann. Gruß Lutz
Ja danke auf jeden Fall mal für die Mühen. Mein Problem war, dass ich mir nicht klar war wohin ich den Induktionssrom ableiten soll... MFG Daniel
Bitte melde dich an um einen Beitrag zu schreiben. Anmeldung ist kostenlos und dauert nur eine Minute.
Bestehender Account
Schon ein Account bei Google/GoogleMail? Keine Anmeldung erforderlich!
Mit Google-Account einloggen
Mit Google-Account einloggen
Noch kein Account? Hier anmelden.

