Hallo Leute, habe einen i²c-Bus erfolgreich galvanisch getrennt (Standardschaltung aus i²c Application-Note Phillips). "Ausgangsseitig" nimmt die Schaltung nun aber natürlich "mächtig" Strom auf um die Optokoppler durchzuschalten (11mA). Dies ist für meine Peripherie jedoch zu viel, brauche also auf dieser Seite ebenfalls einen Bustreiber, nur wie verschalte ich diesen nun?
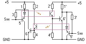
Also, zur Schaltung, der P82896 kommt zur Peripherieseite, und der Optocoupler zur MCU-seite, so spart man sich einen weiteren P82896, dann dürfte es problemlos funktionieren, sofern der Controller in der lage ist, die Led anzusteuern. Eine andere Lösung ist diese, Component Values: 5 and 5' : PNP like 2n2219 or BC557 6 and 6' : NPN like 2n2222 or BC 547 1 and 1' : 270 Ohm 2 and 2' : 3300 Ohm 3 and 3' : 1800 Ohm 4 and 4' : 1000 Ohm Optocouplers : 6n139 , 4n27 or Til 111
ich kann doch sicher auch einen bus-buffer wie z.b. hc126 einsetzen? habe damit aber keine erfahrung, sind die teile für 100kHz zu gebrauchen?
Hallo, der 6N139 ist für 100 KHz eventuell etwas zu langsamm. http://pdf1.alldatasheet.com/datasheet-pdf/view/42645/SHARP/6N139.html Die Delayzeiten mit us angegeben. Der 6N137 ist für 10 MBaud spezifiziert. Reichelt hat den für unter 1€ http://pdf1.alldatasheet.com/datasheet-pdf/view/30862/TOSHIBA/6N137.html Die Delayzeiten sind deutlich kürzer, 25-60 ns. Die Beschaltung des 6N137 ist etwas anders, eigentlich einfacher. Ich habe damit gute Erfahrungen gemacht. Gruss Klaus.
den beitrag verstehe ich jetzt nicht. wie kommst du auf den 6n139? in der phillips application note wird der 6n137 empfohlen udn diesen habe ich auch verwendet.
Henning wrote: > den beitrag verstehe ich jetzt nicht. wie kommst du auf den 6n139? > in der phillips application note wird der 6n137 empfohlen udn diesen > habe ich auch verwendet. der 6n139 kommt von chris, nicht von Dir ... chris wrote: > 3 and 3' : 1800 Ohm > 4 and 4' : 1000 Ohm > > Optocouplers : 6n139 , 4n27 or Til 111 nitraM
achso sorry, das hatte ich gekonnt überlesen. mag vielleicht sich noch jemand zu der frage äußern ob sogenannte "standard bustreiber" wie eben genannter hc126 auch nutzbar wären?? mfg - Henning
Hallo, also das Bild und Komponenten kommt von einer Newsgroup und orginal von TI glaube ich und ich habe es auch oft mit anderen, schnelleren optocouplern, sowie ohne transistoren usw verwendet. Der Trick dabei ist, daß sich die optocoupler nicht den low Zustand dauern zurückmelden, und so verhindert werden, daß dauern low ausgegeben wird. Das kann man auch mit integrierten Schaltkreisen machen, am besten mit OC and/nand, aber es geht vieles. Einen HC126 würde ich nicht nehmen, aber es geht problemlos, einen als Buffer verwenden, und den Tristate-Eingang von dem empfangs-optocoupler steuern, sowie am Ausgang einen Buffer, der dauern auf GND geschaltet ist, und entsprechend vom optocoupler den Tristate-Eingang beschaltet ist. So im Kopf brauchst du dann 4 buffer je Seite bei 2 Leitungen (SDA/SCL), genau ein IC.
Sieh Dir doch mal die Buskoppler von Analog Devices an, ADUM-Serie. Die haben genau das, was Du brauchst, nur mit viel weniger Stromaufnahme. http://www.analog.com/en/prod/0,2877,ADUM1250,00.html
Achso, den hcpl060 hattest du selbst als alternativoptocoupler in deiner liste, solltest du den nehmen, dann ist es noch einfacher, weil der ein integriertes and hat (eingang 7) und du sparst dir dann 2 buffer und kannst sie anderstwo verwenden.
Ohne das gruendlich zu testen wuerde ich etwas Bedenken haben, dass sich moeglicherweise ein "Low Level Latch Zustand" durch den Rueckpfad einstellt und davon nicht mehr freikommt. Irgendwies sieht mir das nicht geheuer aus. Man muesste das mal tatsaechlich aufbauen. Gruss, Gerhard P.S. Lasst mich bitte wissen wie es geht.
@frank b.: das ding kannte ich schon, aber der farnell preis von 11€, die SoIC-8 Gehäusebauform und auch die nichtverfügbarkeit bei reichelt lassen das teil für mich absolut sterben. @Gerhard: Was meinst Du nun? Die Grundschaltung wie von mir gepostet aus der original Phillips i²c Application Note? Die habe ich (und sicher auch viele, viele andere) schon aufgebaut und funktioniert auch einwandfrei, nur die "sekundär"seitig sehr hohe Stromaufnahme ist noch ein wenig problematisch. Ich will das ganze halt realtiv schnell und einfach austauschbar bei eventuellen Defekten haben. Deshalb DIP-ICs und möglichst viele integrierte Schaltkreise und kaum Einzelbauteile. Deshalb eben die Frage nach einem relativ günstigen Bustreiber-IC oder vielleicht auch einfach solche eine Transistor-Widerstandskombi wie benötigt in DIP-Bauform?!
Hallo Henning, ich habe mir das Datenblatt des P82896 angesehen. Im Prinzip muesste ein ADUM1402 die Isolation ermoeglichen. Bin aber nicht sicher ob die Ausgaenge des ADUM1402 mit Widerstaenden und Schottky Pull-down dioden in Open-Collector Ausgaenge umgewandelt werden muessen. Ohne Testaufbau geht es warscheinlich nicht. Ich bin ziemlich sicher dass ein direkter Anschluss wegen der Pegel Spannungserkennung nicht unbedingt funktioniert. Im Danblatt steht dass durch entsprechende Schaltungsmassnahmen ein Latch-Zustand nicht moeglich sein sollte. Wie schon gesagt, bau Dir die Schaltung auf und geh ihr mit dem Oszilloskop zu Leibe. Sollte es funktionieren, die Schaltung wuerde ein sehr praktischer unabhanegiger Baustein fuer andere Anwendungen sein. Bei Digi-Key gibt es die P82B96 in DIP Gehaeuse. MFG, Gerhard
??? also den p82b96 verwende ich schon MEHRFACH und er funktioniert in der GRUNDSCHALTUNG AUS OFFIZIELLER I²C-APLLICATION NOTE absolut einwandfrei. mein Problem war nun nur, dass ich auf der "Ausgangsseite" eben 10mA benötige um die Optos direkt zu treiben. Dies habe ich jetzt stumpf umgangen indem ich die Optokoppler in Richtung des Controllers geschaltet habe und den Bustreiber in Richtung des dann entkoppelten i²c-Busses gelegt habe. Somit werden nun zwar 2Portpins mit jeweils 10mA belastet aber das sollte bei ansonsten fast 0-Belastung (überall Treiber etc. dahinter) nichts weiter ausmachen, auch wenn ich im allgemeinen nicht so der Fan von Last direkt an Portpins bin.
Wie ist Deine Ansicht ueber den ADUM1402? Damit waere der Strombedarf deutlich geringer. Wenn ich mehr Zeit und ICs haette wuerde ich es selber ausprobieren. Ist ja eine sehr nuetzliche Schaltung. Lasse mich bitte wissen wie es weitergeht. Was mir noch nicht klar ist, ob die Verwendung von normalen CMOS Ausgaengen zu den P82B96 Einganegen ein Problem sein koennte. Die CMOS rise time ist im ns Bereich waehrend die Open Collector Schaltungen eher im us Bereich sind. Da koennte es Probleme mit der Spannungsabhaengigen Umschaltung geben. Ich habe die Befuerchtung dass der P82B96 eine gewisse Zeit zum richtigen funktionieren braucht. Dass die Originalschaltung funktioniert war mir nach dem Studium des Datenblattes klar. MFG, Gerhard
Bitte melde dich an um einen Beitrag zu schreiben. Anmeldung ist kostenlos und dauert nur eine Minute.
Bestehender Account
Schon ein Account bei Google/GoogleMail? Keine Anmeldung erforderlich!
Mit Google-Account einloggen
Mit Google-Account einloggen
Noch kein Account? Hier anmelden.

