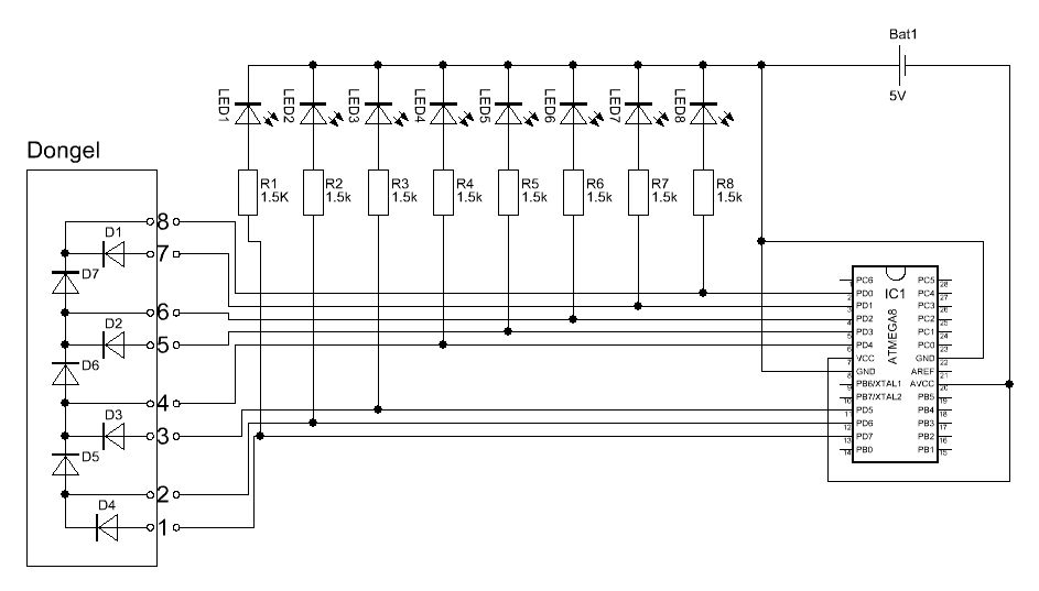
Hallo, ich versuche gerade einen Cat5 (Lan) Tester zu bauen. Ich habe mal meinen Entwurf angehangen, in dem ich mich auf das wesentliche beshränkt habe. Den ablauf dachte ich mir so..... Es werden der reihe nach die Portpin´s D7-D0 auf high geschaltet, und der rest von Port D auf eingang. Ist der zyklus durchgelaufen, werden die ermittelten werte ausgewertet. Könnte das so gehen ? Danke!!!
Ich würde das anderst machen (ich verstehe nämlich deine Schaltung nicht so ganz, was die vielen Dioden in Reihe sollen): Der reihe nach immer 1 Pin auf 1 und alle anderen auf Low. Am anderen Ende der Leitung alle Leitungen über Dioden (Kathode an die Leitungen, Anoden zusammen) verbinden. Das ist die neue Masse. Von jedem Pin zu dieser eine LED + Vorwiderstand. Dann sollte mann ein Lauflicht sehen, wenn alles OK ist.
Bin ja eben erst nach Hause gekommen. Wir haben früher Leitungen (Mehrfachstecker) so geprüft. Der DOngel war als spannungsteiler aufgebaut. von Pin 1 zu 2 zu 3 etc 1%ige Metallfilmwiderstände. und dann über ein Instrument die Spannung angezeigt, die ja der Pinnummer entsprach. so würde ich es heute mit nem uC auch machen. Wenn am richtigen Eingang die richtige Spannung liegt, darf die LED leuchten Hanns
Ich hab das mal so gebaut: http://home.tiscali.de/emanuel/Leitungstester/Leitungstester.html Ein Sender mit Mikrocontroller sendet pro Ader verschiedenlange Impulse auf allen Leitung. Ein Sender misst die Impulslänge und zeigt die entsprechende Ader auf einer 7-Segment-Azeige an. Das Prinzip gibt es mehrfach im Internet. Ist aber zugegeben eher aufwendig, da ein aktiver Sender (mit eigener Batterie) benötigt wird...
Hi! Habe auch schon mal an soetwas gedacht, aber mit verschärften Anfoderungen. Da bei mir diverse Buchsen schon mit irgendetwas verstöpselt sind, sollte der Tester einige Schutzmechanismen bzw Detektierungsfunktionen besitzen. Bei LAN ist durch die galvanische Trennung das ganze noch beherrschbar, aber die 40V vom ISDN möchte ich nicht direkt auf einen Controller legen wollen. Abgesehen davon macht der Selbstbau eines gerätes nur dann Sinn, wenn man etwas dabei lernen und verstehen kann, aber auch, wenn ein billiges Kaufteil nicht reicht und das passende Profigerät unerschwinglich ist. Also wie wäre es mit einem Leitungstester, der bei ISDN und LAN die Belegung inkl. Spannungen anzeigt und bei Fehlern eine etwas genauere Diagnose liefert? Eine Analyse auf Protokollebene ist ja nicht erforderlich, aber es sollte doch möglich sein, vielleicht eine Bruch- / Kurzschlusstelle auf ein paar Meter genau auszumessen. Gibt es dazu nicht ein paar Vorschläge für das Interface und den Analogteil? Für die Auswertelogik habe ich Ideen genug, aber der Analogteil macht mir ein paar kleine Probleme. Gruß, Ulrich
Ulrich P. wrote:
> Bei LAN ist durch die galvanische Trennung das ganze noch beherrschbar,
Naja. Wenn du Pech hast sind da 48V drauf: "Power over Ethernet (PoE)".
Grundfrage an Mr-400-Volt ist, was genau getetstet werden soll. 1.Um die >>Anzahl<<´der angeschlossenen Drähte zu testen, würden ja ein paar LEDs reichen. Viel interessanter ist jedoch, ob die zusammengehörenden PAARE richtig angeschlossen sind. Das ist mir bei obiger Schaltung noch nicht erkennbar. Das wird auch eine Frage der Testfrequenz werden. 2.Wie schon beschrieben irrtümlich 48V drauf = Schaltkreis Schrott 3.Was ist mit der Abschirmung/Mantelwellen ? Evtl. wirkt das Kabel auch als "Antenne" und erzeugt die wunderlichsten Funktionen... Gruß Lutz
Naja, so Anspruchsvoll bin ich nun auch wieder nicht. Mein erst einmal auf dem Papier existierender Vorschlag ist es, ein Gerät mit Display und eines als Gegenstation zu bauen. D.h. das an beiden Enden der Leitung ein kontrollierbares Gerät steckt. Aufgabe 1 wäre es nun diese Geräte auch dann zu synchronisieren, wenn von 8 Adern alle falsch angeschlossen und 6 defekt / unterbrochen sind. Aufgabe 2 ist dann einen schicken Ablauf zu programmieren, der sowohl die Unterbrechungen, als auch die Vertauschungen zu erkennen. Aufgabe 3 wäre dann, die Ein-/Ausgänge beider Seiten Spannungsfest zu machen. Die E/As müssten eventuell programmierbar werden, dass man Signale unterschiedlicher Spannungen ( läst sich bestimmt auf 2..3 Spannungsklassen einschränken) über einen Schmittrigger schicken kann. Ich weiß nicht, ob die bekannten Eingangsschaltungen für z.B. Frequenzzähler geeignet sind, die mit einem OP der Spannung folgen. Oder man arbeitet über Kondensatoren und sendet nur Spikes. Das ließe sich vielleicht recht einfach auf der uC Seite filtern. Aufgabe 4 wäre eine Typ-Erkennung. Also bei ISDN wäre es nett a1/a2 b1/b2 zu erkennen und ggf. die Angabe ob aktiv oder passiv versorgt ( Potential dreht sich) Eine Analyse von Ethernet ist wohl etwas arg aufwendig, jedenfalls über eine reie Modulationserkennung hinaus. Andererseits wäre mit der Hardware der ISDN-Erkennung eine Detektion von PoE möglich. Tja, wer macht mit? Gesucht werden ein paar Analog-Spezialisten :) Für Aufgabe 5: Erkennung und Entfernungsabschätzung von Brüchen / Kurzschlüssen wären dann auch HF-Spezialisten gerne gesehen :) Gruß, Ulrich
Bitte melde dich an um einen Beitrag zu schreiben. Anmeldung ist kostenlos und dauert nur eine Minute.
Bestehender Account
Schon ein Account bei Google/GoogleMail? Keine Anmeldung erforderlich!
Mit Google-Account einloggen
Mit Google-Account einloggen
Noch kein Account? Hier anmelden.
