Hallo zusammen, Ich möchte als nächstes Bastelprojekt eine "schwebende Kugel" bauen. Im Anhang habe ich das Prizip abgebildet. Eine Kugel wird von einem Elektromagneten angezogen Kugel zu hoch --> wenig Schatten auf Solarzelle --> Weniger Strom durch Elektromagnet --> Kugel sinkt tiefer. Kugel zu tief -->viel Schatten auf Solarzelle --> Mehr Strom durch Elektromagnet --> Kugel steigt. Das Ganze pendelt sich dann auf einer bestimmten Höhe ein und die Kugel schwebt. Die µC-Technik und die Treibertechnik sind kein Problem. Die Teile habe ich alle da. Meine Frage ist nun welchen Elektromagneten nehmen? Der Magnet müsste so gebaut sein, dass seine magn. Feldlinien möglichst weit in den Raum hineinreichen (Es bringt nichts, wenn die Magnetkraft nahe am Magneten sehr stark ist, dafür aber sehr schnell abfällt wenn man sich entfernt.) -Selberbauen? Wenn ja welchen Eisenkern/ Form haltet ihr für die richtige Wahl? Grüße geo
mal abgesehen von deinen Fragen, die ich dir leider auch nicht beantworten kann, mal noch ne bemerkung zur Solarzelle: Diese "Messung" dürfte nur eine schlechte Genauigkeit bringen... besser ists wohl mit 3 Fotodioden o.Ä. Christian
>Es bringt nichts, wenn die Magnetkraft nahe am Magneten sehr stark ist, >dafür
aber sehr schnell abfällt wenn man sich entfernt.
Hmm, du willst tatsächlich die Naturgesetze überwinden ?
Es kommt nicht auf Genauigkeit an, sondern auf Kontinuität. Eine Photodiode hat viel weniger Fläche und reagiert zu aprupt. Die Funktion der Solarzellenspannung in Abhängigkeit von der Kugelposition kann ich ja vermessen. Die Idee mit der Solarzelle hatte schon ein ehem. Regelungstechnikprof (oder einer seiner Studenten ich weiß nicht mehr). Der Anblick der schwebenden Kugel hat mich so fasziniert, dass ich nun selber so etwas bauen will. @ Ja mann - klar das ganze geht quadratisch. Aber es kommt eben noch auf den Feldlinienverlauf an ;) Das das Magnetfeld immer schnell absinkt ist mir auch klar ;))
Duch die geometrische Ausgestaltung der Polschuhe hat man in der Tat einigen Spielraum, Ein Tonkopf eines Bandlaufgeraetes hat das Feld auf ein paar um konzentriert. Also...
>Die µC-Technik und die Treibertechnik sind kein Problem.
Sowas geht mitm Fotowiderstand und einem (Darlington)Transistor.
Das stand schom im "ElJaBu 88".
Habs mal eingescannt. (schon wieder 20Jahre her)
Zeitgemäß wäre natürlich die Umsetzung eines PID-Reglers im µC ;-))
Viel Erfolg
Axelr.
@Axel Diese Schaltung habe ich seinerzeit für einen "Zauberer" gebaut. Der Effekt hat die Leute schwer beeindruckt. MfG Paul
Ja, das geht erstaunlich einfach z.B. auch mit einem Opamp als Regler und einem Fototransistor, das haben wir vor 20 Jahren in der Ausbildung gebaut. Recht schön sind damit auch leere Spraydosen aus Blech geschwebt, die konnte man in Drehung versetzen und die haben sich dann ziemlich lange gedreht... Heutzutage kann man die Regelung natürlich auch mit einem uC machen.
Wir haben sowas auch mal in der Schule gebaut. Der Magnet bestand aus einem ungebauten Trafo (El-Kern auseinandergenommen und nur noch die E's eingesetzt) Also Wegmesser diente ein Phototransistor, welcher im Brennpunkt einer Linse war. Dahinter war ein diskret aufgebauter PID-Regler und eine stromgeregelte Endstufe mit 2x 2N3055 Die Schaltung hatten wir damals übrigens aus einer Elektor. Gruß Roland
>>Hmm, du willst tatsächlich die Naturgesetze überwinden ?
Nö, tut er ja nicht.
Er setzt einer Kraft eine andere entgegen und versucht beide in der
Waage zu halten. Alles im Rahmen der Naturgesetze...
Jochen Müller
Bei der Sache mit den Naturgesetzen ging es um diese Aussage: >Es bringt nichts, wenn die Magnetkraft > nahe am Magneten sehr stark ist, dafür aber sehr schnell abfällt wenn > man sich entfernt.)
Schau mal im INET nach aktiven Magnetlagern. In den Papers/Diss. gibt's in den Einführungsteilen genau diesen Klassiker. Prinzipiell gilt: Fmag ~ i^2 / sL^2 mit i = Strom durch Magnet und sL den magn. Luftspalt (in der Regel identisch mit dem mechanischen). Olaf
@Roland, Das mit dem Trafo hört sich interessant an. Weißt du noch die Stromaufnahme von dem Teil? Welche Kräfte hat das Ding denn entwickelt? Strombedarf ist bei mir nicht so kritisch. Es dürfen durchaus 5-10 A oder so sein (Ich will ja durchaus dicke Gegenstände schweben lassen). Ich nutze PWM (mit BUZ11), da ist das Problem mit der Verlustleistung nicht so kritisch. @ope, habe mal danach gesucht und einige interessante Dinge entdeckt. Die aktiven Lager sind nur meistens Rund ausgelegt um Achsen oder so verschleißfrei zu lagern. Ich bräuchte ja nur einen einfachen Elektromagneten der alles anzieht was sich darunter befindet. Prinzipiell kann ich natürlich einfach einen Eisenblock mit Draht umwickeln. Ist es hier besser einen einfachen Block oder einen hufeisenförmigen Stab zu umwickeln? Ich überlege nur grade wegen dem Feldlinienverlauf… Ich denke ich werde mich mal auf dem Schrottplatz ein bischen umsehen. Ev. finde ich ja einen alten Trafo den ich umbauen kann. @Marius, Auch nicht schlecht. Wenn man das Magnetfeld noch als Wechselfeld auslegt, kann man per Induktion im Gegenstand einen Strom erzeugen, der dann eine LED oder so betreibt. Grüße geo
Die schwebende Kugel ist ein gerngewähltes Thema für Studien- und Diplomarbeiten. Im Anhang aus meinem bunten Sammelsurium folgende Diplomarbeit.
Also das Teil lief mit 24V und die Stromaufnahme lag im Bereich von schätzungsweise 3-5 A Erreichte Abstände <= 5cm bei einer leeren Coladose z.B.
Jonny Obivan: Wenn du dir die Seite nochmal genauer anschaust wirst du sehen, dass in der Glühbirne eine LED steckt welche die Birne zum leuchten bringt (wohl nicht ganz so stark wie original, aber immerhin ;)).
Habe mal angefangen das Eisenteil von einem dicken Hammer mit Draht zu umwickeln. Sicher eine etwas "rustikale Methode", aber der einfachste Weg zu einem Elektromagneten zu kommen.
Hallo Ich habe vor sehr langer zeit einen starken Dauermagneten mit einer Spule versehen, um eine starkes Grundmagnnetfeld zu erhalten. Würde mich interessieren ob dies besser ist. Als Magnet auch trafo mit M-I Kern. Sek.spule Nutzen. Tischtennisball als Ballon gestaltet. MfG
Die Idee mit dem Dauermagneten ist gar nicht so schlecht :)) Mir ist noch die Idee gekommen eine Hantel mit Kupferdraht zu bewickeln (siehe Bild im Anhang). Frage an die Elektromagnetenkenner: Würde das Sinn machen? Grüße geo
Hantel?? Quatsch (Ihr kommt auf Ideen ;-)) Du brauchst mehrere Dünne, voneinander isolierte Bleche. wie beim Trafo eben. Ist wohl auch eher kein ganz normales Eisen. Gruß Axelr.
@Axel Rühl (axelr) Nicht immer Quatsch! Warum brauchst du voneinander isolierte Bleche wie beim Netztrafo?????? erläutere es Jonny Obivan (-geo-) MfG
Die Bleche beim Trafo sind nicht voneinander Isoliert. Meistens an der Seite zusammengeschweißt oder sowas.
Die Bleche im Trafo sind klatgewalzte weissbleche. Diese leiten die Feldlinien in ihrer Walzrichtung besonders gut. Darum sind sie auch viel besser geeignet als irgendein Eisenstück. @ Jonny: Ist denn die hantel überhaupt aus Eisen?
@Robin Tönniges (rotoe) @mäxchen (Gast) Wenn ihr sicher seit. (Wirkungsgrad,Verlustleistung) Würde aber nochmals nachdenken. MfG
Na ganz so giftig sollte es ja nicht rüberkommen... Bei reinem Gleichstrom ist ein voller Eisenkörper sicher ok. Du hast aber ein Wechselanteil in deinem Gleichstrom. Den brauchst Du ja zum regeln. Und dann entstehen Wirbelstromverluste im Eisen. Diese Wirbelstromverluste lassen sich erheblich reduzieren, wenn man mehrere, von einander isolierte Bleche verwendet. Deine reingesteckte Energie soll ja über den Luftspalt in dein Objekt übertragen werden und nicht im Eisen bleiben. Wirbelstromverluste wirst Du zwar immer haben, aber man sollte schon sehen, diese auf ein Minimum zu reduzieren. Du kannst ja mal nach "eddycurrent" googlen. Von den Ummagnetisierungsverlusten lass ich jetzt mal ab. Nur soviel: Man verwendet weichmagnetische Materialien. So, nun aber viel Spaß beim wickeln! Gruß Axelr.
Hallo zusammen, Der Metallkern von Trafos ist aus separierten Blechen zusammengesetzt, um die Wirbelstromverluste gering zu halten. Ich nutze aber den Eisenkern nicht zum Transformieren ;)). Im Metallkern werden daher kaum Ströme induziert (Nur wenn eine Regelabweichung vorliegt und sich das Magnetfeld geringfügig ändert). Es ist daher relativ egal ob ich nun ein normales Stück Eisen nehme oder nicht. Das bischen Verlustleistung ist nicht so wichtig. Die Hantel ist aus Eisen. Ich habe die Idee aber wieder verworfen, da ich die Hantel 1.) Zum Trainieren brauche und 2.) nun mein Hammer schon bewickelt und an einer Haltevorrichtung befestigt ist. :)) Was die Sensoren betriff: Ich nehme nun einen Laser. Das Gerüst liegt im Keller und der Leim härtet aus. Wenn das Grobe soweit fertig ist stelle ich mal ein Bild ein. :)) Grüße geo
Die Idee finde ich gut, nur würde mir eine andere art der Erfassung der Kugelposition besser gefallen, mit licht ist zwar nicht schlecht, aber irgendwie unsichtbarer wär noch schicker ;) Muss ich mal n bisschen drüber grübeln wie man die Kugelposition sonst noch messen kann.
erinnert mich auch an meine arbeiten .... vor 50 jahren Bleibe dabei ich möchte noch das Fertiggerät sehen. MfG
@Hauke, per Infrarot ginge auch - muss mal in der Grabbelkiste gucken ich glaube ich habe noch irgendwo sowas...
Stimmt, infrarot LEDs hab ich noch hier, nur wie stark reagieren Solarzellen noch auf Infrarot (nahes IR, ich glaube meine DIoden liegen bei ~800-900nm)
hallo, Ich nehme nun doch keine Solarzelle. Habe einen IR Sender und Empfänger gefunden. Werde es mal damit probieren...
@Jonny Obivan wrote:
> Hier mal der fertige Elektromagnet.
Hast Du den mal an ein Netzteil drangehängt und die Reichweite getestet
?
Ob der Hammer ein geeigneter Kern ist, wage ich zu bezweifeln. Stahl ist
nicht gerade Weicheisen und ein Stabmagnet konzentriert seine
Feldenergie nicht gerade auf eines der beiden Enden. Ein offener E-Kern
scheint da wesentlich besser zu funktionieren.
@all
Hat eigentlich schonmal jemand diese ganz einfache Schaltung (weiter
oben) vernünftig zum Laufen gebracht ? Bei mir hat es immer nur mit
einem PID-Regler nach viel Einstellarbeit stabil funktioniert.
Jörg
@ Jörg Den Hammermagnet habe ich schon mal an Strom angeschlossen. Er zieht ca. 3A. Die Reichweite ist nicht so optimal (bei 2cm hebt der Gegenstand ab), müsste aber ausreichen (Zur Not erhöhe ich den Strom einfach und lasse das Ding nicht so lange laufen). Mit leichten Gegenständen aus Blech ist die Reichweite am Besten. Ich werde das Gerüst an dem der Magnet befestigt wird so auslegen, dass auch problemlos ein Austausch des Magneten erfolgen kann. Wenn die Reglung einmal klappt und alles soweit funktioniert, kann der Magnet dann einfach abmontiert werden und durch einen stärkeren ersetzt werden. Die Sensoren montiere ich an einer verschiebbaren Halterung, so dass ich an stärkere Magneten anpassen kann. Der BUZ11 kann ja viel mehr Strom schalten. Ich denke bei einem guten Elektromagneten mit 10A Stromaufnahme müsste auch ein wirklich "frei anmutendes" Schweben möglich sein. Sieht ja doch was besser aus, wenn der Abstand zum Magneten größer ist. Mal eine Frage am Rande: Warum eigentlich PID Regler? Einen I Anteil brauche ich doch gar nicht. Genaugenommen müsste es doch ein PD-Regler sein (Wobei ein P Regler auch schon funktionieren müsste). Gruß jonny
Hauke Radtki wrote: > Die Idee finde ich gut, nur würde mir eine andere art der Erfassung der > Kugelposition besser gefallen, mit licht ist zwar nicht schlecht, aber > irgendwie unsichtbarer wär noch schicker ;) Wie wär's mit dem Magnet als Sensor? Je nachdem, wie nah das Objekt ist, hat der E-Magnet ne andere Induktivität. Das wird zB genutzt, um schwanzlose -- äh bürstenlose DC-Motoren sensorlos anzusteuern. Wird der Magnet über PWM angesteuert, geben die Anstiegszeiten der Flanken Auskunft über die Induktivität.
Hmm ich denke bei so nem starkn magnet und so ner kleinen kugel sollte die änderung leider relativ gering ausfallen :/ aber vielleicht lässts sich messen wär n versuch wert.
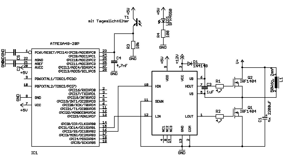
Hallo zusammen, Der Hardwareteil ist nun relativ weit komplettiert. Schweben tut nur noch nichts, weil die Software fehlt. Die Sensoren funktionieren einigermaßen. Der AD Wandler erzeugt einen Wert von 520 wenn kein Hinderniss vorhanden ist und 1020 wenn der Strahl komplett unterbrochen wird. Ich habe zum Testen eine serielle Verbindung zum PC hergestellt. Blöderweise stören Lampen relativ stark. (Wenn eine Lampe in der Nähe an ist, zappelt der Wandlerwert). Ich denke ich werde hier noch ein bischen optimieren müssen. Auch die Ausrichtung und Höhe müsste man noch richtig einstellen. Ich habe nun eine Funktion zum Erzeugen der PWM und eine zum Auslesen des AD-Wandlers. Der Elektromagnet lässt sich in der Stärke einstellen. Was nun fehlt ist eine Routine die das Regeln erzeugt. Ich bin mir momentan noch unschlüssig wie das am Besten zu realisieren ist. Sie müsste so beschaffen sein, dass Schwingungen unterdrückt werden. Das ist denke ich das Hauptproblem. Der Gegenstand soll ja nicht hoch und runterhüpfen und sich aufschaukeln. Ich werde mir die nächsten Tage mal Gedanken dazu machen... Grüße jonny
Hallo
Habe gerade eine Idee (war eine witzige Antwort eines Schreibers im
Anderen Zusammenhang) für Dich, wenn dieses Projekt fertig ist.
>>>Objekt über ein Magnetfeld schweben.
Mal was Anderes!
P.S.
wer hat dies schon versucht??
MfG
Das geht mit ein paar Tricks: Das Hauptproblem dabei ist, dass das Magnetfeld meist kugelförmig (auf jedenfall in der Mitte stärker als am Rand) ist. Von daher fällt natürlich das schwebende Objekt nach außen runter, es gleitet quasi auf dem Magnetfeld ab. Man muss nun irgendwie das Magnetfeld außen stärker machen als innen. Die geht durch entsprechend geformte Spulen, oder über andere (aufwendige) Konstruktionen. Hier ist das meiner Meinung nach ganz nett gelöst: http://de.youtube.com/watch?v=glCNP6qH_Dc
Könnte man das ganze mit einem Dauermagneten koppeln? Quasi als Gleichanteil der anziehenden Kraft. Der E-Magnet muss dann "nur" die Regelleistung übertragen. Warum soll dein Regler keinen I-Anteil haben? Ideale PD-Regler gibt es meines Wissens nach auch nicht. Ohne I-Anteil bleibt immer eine Regelabweichung.
hallo http://www2.bezreg-duesseldorf.nrw.de/schule/physik/material/menzel/skugel.htm das zur Frage Eisenkern... MfG
Hallo zusammen, Ich fang nun an die Regelfunktion zu programmieren (bzw. mir Gedanken zu machen wie:)) ) Mein Ansatz ist Folgender: Nach dem Resetten des µC wird erstmal der AD-Wert bei offener Schranke und bei geschlossener Schranke ermittelt. Ich habe dann zwei Werte. Der minimale Wert ist dann gegeben wenn die Schranke offen ist (Gegenstand weit weg) und der maximale Wert wenn die Schranke komplett geschlossen ist (Gegenstand nahe beim Magneten). Ich nenne die beiden Werte mal Wmin und Wmax. Irgendwo in der Mitte dieser Werte (die der Position des Gegenstandes entsprechen) wird dann geregelt damit der Gegenstand schwebt. Ich brauche einen P- Anteil und einen D- Anteil. Der D-Anteil ist unbedingt nötig, um Schwingungen zu unterdrücken (Der Gegenstand schaukelt sich sonst auf). Das PWM Signal hat eine Auflösung von 10Bit. Der maximale PWM Wert ist also 1023 (volle Leistung des Magneten). Der AD-Wandler hat ebenfalls eine Auflösung von 10Bit. Wenn ich nur einen P-Regler implementiere sieht die Funktion meines Erachtens so aus: PWMSignal = 1023 - [ (Wist - Wmin) * 1023/(Wmax-Wmin) ] Ich brauche aber zusätzlich noch einen D-Anteil. Ich muss also Wist einmal ableiten (dWist/dt) mit irgendeinem Faktor versehen und diesen Wert zum Proportionalwert hinzuaddieren. PWMSignal = 1023 - [ (Wist - Wmin) * 1023/(Wmax-Wmin) + (dWist/dt)*Faktor] Wenn das soweit Sinn macht müsste man nun überlegen wie die Differentiation von Statten geht. Im Prinzip brauche ich ja nur zwei Wandlerwerte W1 und W2 zu zwei Zeitpunkten t1 und t2 bestimmen und dann (W2-W1)/(t2-t1) bilden. Für t2 und t1 reicht ja ein qualitativer Wert (ich muss denke ich nicht bestimmen wie lange eine AD-Wandlung genau benötigt). Es reicht daher vermutlich einfach die Differenz von zwei Werten zu bilden und die Anzahl der Wandlerwerte zwischen diesen Werten zu variieren (ich denke hier muss man ausprobieren). So weit mal die ersten Gedanken dazu. So langsam lerne ich den Kondensator in einem neuen Licht zu sehen (schließlich ist der ein wahrer Rechenmeister wenns ums Differenzieren geht). Vermutlich wäre ein analoger Rechner mit OPs einfacher gewesen :)). Aber ich denke es ist auch mal witzig das digital zu machen. Ihr könnt ja mal über meine Gedankengänge drübergucken (ev. habe ich auf die Schnelle noch Fehler eingebaut, oder es gibt Hinweise zum Bessermachen). Grüße Jonny
Der Vorteil an der Digitalen lösung ist: du kannst über den Sollwert einen Sinuskurve legen und das teil absichtlich langsam auf und abschwingen lassen, das wäre cool ;)
Hey - das ist ja ne geniale Idee. Man könnte auch ein Mikrofon anschließen und das Auf und Ab per Musik regeln. Wäre sicher lustig. Aber zunächst muss das Ding mal schweben. ;)) Grüße jonny
Um das Problem mit dem Umgebungslicht zu umgehen oder zumindest abzumildern kannst du einfach die LED pulsen (z.B. 1 kHz) und den Helligkeitsunterschied zwischen an und aus als Messwert zum Regeln nehmen. Das Umgebungslicht verändert beide Helligkeitswerte und dürfte nicht mehr ganz so viel Einfluss haben. Schöne Grüße Kai
>Hey - das ist ja ne geniale Idee. Man könnte auch ein Mikrofon >anschließen und das Auf und Ab per Musik regeln. Wäre sicher lustig. War der erste sinnvolle Anwendungsfall, der mir beim Lesen des Threads eingefallen ist ;) . Ich denke aber das wird zu träge, da es das Objekt nur mit der Erdbeschleunigung nach unten zieht. Wenn der Magnet noch nachhilft (was wahrscheinlich nicht ganz so trivial ist), sollte das mit leichten Objekten gehen.
sodele, habe nun mal einen Test mit reinem P-Regler gemacht. Wie erwartet fängt der Gegenstand an zu schwingen (erst hat man den Eindruck den Gegenstand an einem unsichtbaren Haken aufzuhängen und kaum lässt man los fängt er an zu vibrieren und zappelt schließlich so stark das er runterfällt.). Ich werde nun mal versuchen den differenziellen Anteil reinzubekommen (man ist das spannend :)) )
schlimm wäre es ,wenn es gleich klappt. Dann könnte es zufall gewesen sein. mal sehen wie es weitergeht. MfG
Super, bin gespannt! Hmm... wenn man das echt in einer Woche hinkriegt wär das mal was Nettes für zwischendurch :)
Insgesamt ca. 3A. Der Magnet wird jedoch ziemlich warm nach einiger Zeit. Ich vermute mal das hier die Wirbelströme dann doch zu Buche schlagen(oder die Wärme wird einfach nicht ausreichend abgeführt) . Bis der Hammerklotz dann wieder abgekühlt ist, vergeht locker ne Stunde ^^. Das Einstellen des richtigen D-Wertes war etwas mühsam. Ich habe erstmal 2 Stunden damit verbracht am Code zu werkeln. Letztlich ist der Code aber ziemlich einfach. Es waren nur die Faktoren die erstmal stimmen mussten. Klappt aber dennoch überraschend gut. Ich war ziemlich verblüfft als das Ding plötzlich schwebte, weil ich schon gar nicht mehr drann geglaubt hatte. Jetzt wo es funktioniert hätte ich schon mal Lust ein größeres Exemplar zu basteln wo auch der Abstand zum Magneten größer ist. Grüße Jonny
Wärst du so nett den Code zu veröffentlichen? Dann muss ich das Rad nicht neu erfinden ;)
Hallo - Habe mal die C-Datei in den Anhang gepackt. Muss vermutlich je nach Sensor und Gegebenheit modifiziert werden. Auch die Ausrichtung der Sensoren war eine ziemliche Frikelei. Ein bischen Geduld braucht man also schon. Ah ich seh grade: Ein Kommentar ist nicht so ganz richtig. Ich wähle nicht die interne Referenzspannung sonder die externe.
Das heißt, die Spule müsste man für Dauerbetrieb also noch optimieren ? Hat jemand eine Idee, was man da verbessern könnte ? Ein E-Kern bringt sicher eine Verbesserung, aber bei dem laufen die Feldlinien relativ dicht am Kern entlang, ist ein stabförmiger Kern wie hier auf große Entfernung vielleicht sogar besser ? Was sagen die Magnetfeldexperten dazu ?
Siehe Diplomarbeit weiter oben. Dickes Ding! Leider wird nicht drauf eingegangen, ob sie es geschafft haben, die Kugel drehen zu lassen.
@Benedikt, Ich denke die lässt sich noch optimieren. Das Teil ist auch ziemlich schwer (dafür das die Reichweite nur ca. 2cm ist). Vermutlich ist es besser einen dünneren Kern zu nehmen und mehr Windungen. Dann reichen bestimmt auch 1A für dieselbe Leistung und man kann das Ding dauerhaft an lassen. Ich habe allerdings auch den Hammer mit einigen Laagen Klebeband umwickelt um den Draht stabil zu befestigen (Da ist es kein Wunder das die 15V * 3A = 45W nicht vernünftig weg können). 15 Minuten kann man das Teil aber problemlos anlassen. Wenn man länger wartet verbrennt man sich aber bald schon die Pfoten am Metall (Der Hammer hat auch ne ziemliche Wärmekapazität). Ich finde die Lösung ein paar Posts weiter oben nicht schlecht: Einfach eine dicke Schraube mit sehr vielen Wicklungen versehen(Dadurch lässt sich der Magnet auch gut befestigen). Der Stromverbrauch wird entsprechend minimiert. @Dieter - Wow das ist ein ziemlicher Brocken. Die Kugel hat auch nen ziemlichen Abstand.
@Jonny Sehe ich das richtig, dass du eine IR LED + Sensor dicht unter dem Magnet angebracht hast ? Also über dem Objekt ? Ich glaube ich werde das ganze mal nachbauen... Ich habe gerade mal nach Spulen gesucht und eine Filterspule gefunden, die ich irgendwo mal ausgebaut hatte. Diese hatte schon den Kern schön nach E und I Bleche Sortiert, so dass ich nur den I Kern entfernen musste. Diese ist für 8A Dauerbetrieb spezifiziert, wurde aber auch bei 20A nur leicht warm. Dann beträgt der Abstand etwa 3cm ab dem eine Dose hochspringt. Bei etwa 40A sind es rund 5cm. Dann wird die Spule aber schnell ziemlich heiß. Da die Spule sehr niederohmig ist (etwa 50mOhm) sollte dank PWM die Stromaufnahme bei 12V bei etwa 2A liegen, je nach Abstand. Hat jemand eine Idee wie das funktioniert ? http://www.youtube.com/watch?v=fDVLqzAiGHA http://www.youtube.com/watch?v=0xXTztbg5Dg Ich denke mal irgendwas rotiert in dem kugelförmigen Ding das auf dem Tisch steht. Aber dann würde das schwebende Objekt auch mitrotieren. Dem dünnen Kabel nach, zieht das ganze auch kaum Strom.
@Benedikt, Ja genau - Meine ursprüngliche Idee die Sensorik unter dem Objekt anzubringen war nicht praktisch, da man so ja an eine bestimmte Objektgröße gebunden ist. Wenn der Sensor drüber ist, kann man beliebig große Objekte schweben lassen. Der Magnet sieht gut aus. Der große Vorteil von PWM liegt darin das man kaum Verlustleistung im Transistor hat. Man kann ja auch mehrere Leistungs-FET parallel schalten. Auf diese Weise lassen sich schon recht große Ströme regeln. Ich habe nur festgestellt, dass mein BUZ11 bei 5V Gatespannung noch nicht so richtig niederohmig wird. Er wird aber dennoch bei 3A Stromaufnahme noch akzeptabel warm (ich habe ihm einen kleinen Kühlkörper spendiert). Ich werde mal das PWM signal vom µC auf 12V vergrößern und schauen wie sich das auf die Wärmeentwicklung auswirkt. Laut Datenblatt ist der Drainstrom bei 12V wesentlich höher (und damit der Widerstand wes. geringer) als bei 5V. Die Schaltverluste sind bei 4KHz bestimmt nicht hoch.
http://www.youtube.com/watch?v=tEu5Qkqw7Tg&feature=related den find ich gut ;) In der Spektrum der Wissenschaft gab es einen Artikel über einen bestimmten Kohlenstoff, bei dem der Diamagnetismus sehr stark ausgeprägt ist und der sich deshalb in einem Magnetfeld selbst in der Schwebe hält. Den Artikel gabs mal öffentlich zum Download, aber jetzt nur noch für Spektrum abonenten, ich muss mal gucken ob ich unsere Kundennummer finde um mich anzumelden.
sieht klasse aus - wenn man den Magneten noch in die Tischplatte integrieren würde und ein Tischtuch drüber legen würde, wärs wirklich magisch :) Den Diamagnetismus kann man auch ausnutzen bei wasserhaltigen Materialien: Diese Erdbeere schwebt in einem sehr starken Magneten (allerdings kann man so etwas kaum zu Hause realisieren. (Der Magnet ist wassergekühlt und verbraucht mehr Energie als ein Haushalt zur Verfügung hat) http://www.youtube.com/watch?v=cEC9G8JUKW8 Grüße jonny
http://www.youtube.com/watch?v=m-Al7GAnH8Q&NR=1 Frösche und Grillen können auch fliegen ;) Jeder Stoff ist im prinzip Diamagnetisch, aber bei den meisten Stoffen ist der Ferromagnetismus weit stärker ausgeprägt und überdeckt daher den Diamagnetismus
Der Diamagnetismus der üblichen Materialien ist viel zu gering, als dass man etwas über mehr als sagen wir mal 10mm schweben lassen kann. Bei dem Weinglas oder auch den anderen Objekten sind es aber defintiv mehr. Wie funktioniert das also nun ?
Beim Weinglas ist unten ein Magnet angebracht. Wenn irgendwo eine Flüssigkeit aufgrund von Diamagnetismus schwebt, dann in einem Labor mit eigenem Kraftwerk ;) Was ich aber auch nicht verstehe: Wie funktioniert das mit den Objekten die über einem Magneten schweben und nicht darunter? Stelle ich mir regelungstechnisch aufwändiger vor. Wirkt aber auch irgendwie besser. Ich weiß nicht wie man per Abstoßung Stabilität reinbekommen soll. Der Gegenstand tendiert ja immer dazu zur Seite wegzufallen. Mit mehreren E-Magneten müsste es aber möglich sein oder? Dazu noch eine Abstandsmessung per Induktivitätsmessung. Ev. bringt man auch einfach nur einen Permanentmagneten an, der das Objekt (ebenfalls mit Permanentmagn.) abstößt. Ein weiterer E- Magnet sorgt dann für Stabilität... oder so? - Keine Ahnung. Würde mich schon ziemlich interessieren Grüße jonny
Hier das Patent zum schwebenden Auto etc. http://v3.espacenet.com/textdoc?DB=EPODOC&IDX=US2007170798&F=0
http://www.youtube.com/watch?v=c_D29D9nyq0&feature=related Schaut mal: Da wurde eine Flüssigkeit mit Eisen durchsetzt. Müsste es dann nicht möglich sein eine solche Flüssigkeit unter einem Magneten schweben zu lassen? Das würde sicher sehr cool aussehen. Das kauf ich mir :)) http://www.das-originelle-geschenk.de/ferrofluid_magnetische_fluessigkeit.html
.
> Meinst du die Art.-Nr. 671157 vom blauen 'C'?
danke ... was mann alles so übersieht. ;-)
geht das mit netz, oder batterie ??
Wie wirkt sich denn das Loch für den Hammerstiel im Magnetkern aus? Müßte doch wie ein zusätzlicher Luftspalt wirken und das Feld schwächen, oder?
@Uhu, Ich denke der magnetische Fluss fließt dann einfach um das Loch herum. Dadurch wird der Fluss m.E. nicht geschwächt (um die Löcher herum ist die Flussdichte im Eisen dann einfach größer). Anders sähe das aus, wenn das Loch ein richtiger Spalt wäre, der quasi den Hammer in zwei Hälften teilen würde. Dadurch würde sich der magn. Widerstand beträchtlich erhöhen (Da nun der Fluss komplett durch Luft muss und sich nicht mehr vorbeimogeln kann) und der magnetische Fluss würde geringer werden. Ich bin aber mittlerweile zu dem Schluss gekommen das ein dünner Eisenstab besser geeignet ist. Dadurch ist der Fluss konzentrierter (B ist größer). Ich brauche ja nur ein konzentriertes Feld an dem ich den Gegenstand "aufhänge". Der Hammer ist natürl. ziemlich breit (dadurch ist die Flussdichte geringer bei gleichem Fluss). Das Feld ist dann aber auch breiter.
Hallo, hatte so ein ähnliches projekt, allerdings hab ich es mit einem Analogen PI Regler gelöst, bei mir war es eine 82g Eisen Kugel die von einem Magneten mit ca. 4 Kilo Eisen + 767 Windungen gezogen wurde. Die Spule hat 20V / 20A Verbraten und ich hatte das extreme problem das die Spule so träge war das ich im Freilaufkreis Widerstände eingebaut habe um das Magnetfeld der Spule schneller ändern zu können. War das bei dir auch ein problem? lg
@Jonny Obivan: Das heißt, daß der Fluß pro Fläche sich um das Loch herum erhöht. Wenn du sowas mit einem el. Leiter machst, ist klar, was passiert - aber ein Magnet? Außerdem müßte doch das Eisen in Sättigung kommen, wenn der Fluß zu hoch wird. Was passiert dann? Ich glaube nicht, daß das Loch sich nicht auswirkt, aber Glauben ist bekanntlich nicht Wissen... Was meint die Physik dazu?
Jankey wrote: > ich hatte das extreme problem das die Spule > so träge war das ich im Freilaufkreis Widerstände eingebaut habe um das > Magnetfeld der Spule schneller ändern zu können. Wie hat sich das ausgewirkt ? Ich habe nämlich momentan das Problem, dass die Regelung schwingt, was dazu führt, dass die Dose vibriert. Schwere Dosen macht das nicht viel aus, aber leichte springen hoch und fallen dann runter. Die Stromaufnahme der Schaltung liegt bei etwa 0,5-3A bei 14V, je nach Gewicht des Objekts. Den Spulenstrom kann ich nur schätzen, müssten aber etwa 10-30A sein. Abstand Objekt-Spule: ca. 2cm.
@ Jankey Bei meinem Teil schweben nur leichte Objekte. Bei einer massiven Kugel würde das bei mir nicht funktionieren denke ich. Probleme mit der Trägheit habe ich im Prinzip nicht. Bei einem so starken Magneten muss aber auch viel mehr Feldenergie beim Ändern an/ab gebaut werden. Wenn der Spulenwiderstand zb. zu groß ist, ist auch die Zeitkonstante zu groß. Die Feldenergie muss ja elektrisch verbraten werden. Ich denke man benötigt auch eine ziemlich dicke Freilaufdiode (ist denke ich besser eine dicke Diode zu nehmen als Widerstände, da die auch in Vorwärtsrichtung Leistung verbraten). @uhu, Wenn das Eisen um das Loch in die Sättigung gerät, hat man sehr starke Einflüsse (Im schlimmsten Fall wirkt das Eisen dann wie Luft). Keine Ahnung wann das passiert und ob das bei mir schon Auswirkungen hat. @ Benedikt, genau das Problem hatte ich am Anfang auch. Ich habe dann den D- Anteil vergrößert um die Schwingung zu dämpfen. Nun klappt es ganz gut (ein bischen vibrieren tuts aber auch bei mir). Ein weiteres Problem könnte ev. darin liegen das man den AD-Wandlerbereich nicht richtig ausnutzt (wenn die Spannung am Sensor sich nur um 1V ändert, aber mein Wandler 5V Referenz benutzt, verschenkt man Auflösung wodurch man dicke Sprünge in der Regelung hat die dann die Schwingung verstärken könnten). Schweben denn schwerere Gegenstände schon? EDIT: Bei mir liegt der durchschnittliche Strom auch so bei 3A. Ich bin bislang davon ausgegangen das der Spulenstrom sich auch bei 3A einpendelt (Die PWM müsste ja geglättet werden bei der Frequenz) Grüße jonny
>geht das mit netz, oder batterie ??
9V Steckernetzteil. Die kugel ist aber extrem leicht.
Unten ein Permanentmagnet erleichtert das Ausregeln. ;)
Jonny Obivan wrote: > Ein weiteres Problem könnte > ev. darin liegen das man den AD-Wandlerbereich nicht richtig ausnutzt > (wenn die Spannung am Sensor sich nur um 1V ändert, aber mein Wandler 5V > Referenz benutzt, verschenkt man Auflösung wodurch man dicke Sprünge in > der Regelung hat die dann die Schwingung verstärken könnten). Ich habe bei mir den Bereich nahezu voll ausgenutzt: Als IR Diode habe ich eine SFH4550 mit hoher Leistung und niedrigem Abstrahlwinkel verwendet. Zusammen mit einem Fototransistor mit Tageslichtfilter, der dazu noch von außen in die Holzkonstruktion gesteckt wurde, um Streulicht auszublenden, erreiche ich so fast 0V mit verdeckter LED und fast 5V wenn die LED ungehindert auf die Fotodiode scheint. > Schweben denn schwerere Gegenstände schon? Kommt auf die Definition von schwer an. Ich bekomme eine Pulmoll Dose, beschwert mit 3 Mignonbatterien problemlos zum schweben (2cm Abstand). Allerdings zieht die Schaltung dann 2,5A bei 25V... Die Spule ist mittlerweile aktiv gekühlt, was die Kerntemperatur bei etwa 30° hält, aber die Spule wird bei 15V 1A trotzdem rund 70° heiß. > EDIT: Bei mir liegt der durchschnittliche Strom auch so bei 3A. Ich bin > bislang davon ausgegangen das der Spulenstrom sich auch bei 3A > einpendelt (Die PWM müsste ja geglättet werden bei der Frequenz) Der Strom ist vermutlich um einiges höher, da das ganze ja eine Art Schaltnetzteil ist: Die Spule bekommt nur kurz Strom, in der restlichen Zeit fließt der Strom über die Diode weiter. Wenn das Tastverhältnis also z.B. 25% beträgt, und die (mittlere) Stromaufnahme bei 2A liegt, dann wird der Spulenstrom irgendwo bei fast 8A liegen.
Naja immerhin schwebt schon was:)) Ging ja ziemlich fix. Ich grübel grade ob die Windungszahl von 200 nicht ein bischen gering ist. Integral H ds = I*N bzw. wenn man davon ausgeht das die Feldstärke entlang einer Feldlinie überrall gleich ist: H*s = I*N --> H = I*N / s --> B = (µ0 µ I * N) /s Die magnetische Flussdichte steigt also proportional mit der Windungszahl an. Ich kann natürlich statt der Windungszahl auch den Strom erhöhen. der Vorteil von vielen Windungen ist der geringe Strombedarf. Der Nachteil ist der hohe Widerstand (Mehr Windungen = mehr ohmscher Widerstand) wodurch die Spule träger wird. Ich denke aber das man gar nicht so krasse Geschindigkeiten beim Auf/Abbau des Feldes benötigt. Es macht sicher Sinn die Windungszahl zu erhöhen. Irgendwann wirkt sich dann die Trägheit aus (Muss man irgendwo den Mittelweg finden). Stell dir mal vor du hast 2000 Wdg, dann benötigst du nur noch ein zentel des Stromes (im Vergleich zu 200Wdg) Ev. dämpft die Trägheit ja auch Schwingungen bis zu einem gewissen Grad. Ich gehe mal davon aus das diese käuflichen Dinger ziemliche "Windungsmonster" sind.
Jonny Obivan wrote: > Naja immerhin schwebt schon was:)) Ging ja ziemlich fix. Ich grübel > grade ob die Windungszahl von 200 nicht ein bischen gering ist. Ich habe gerade mal 50 Windungen... Wenn ich jetzt keinen Denkfehler habe, dann dürften mehr Windungen Energiemäßig besser sein: Wenn man den Strom verdoppelt, vervierfacht sich die Leistung (da P=I²*R). Wenn man dagegen die Windungszahl verdoppelt, verdoppelt sich nur die Leistung. Mal eine Frage zu deiner Software: Sehe ich das richtig, dass du so schnell wie möglich regelst, also ohne festen Zeitschritt für die Regelung ?
@ Benedikt, Stimmt! Habe ich noch gar nicht bedacht (soweit ich das sehe ist da kein Denkfehler drinn). Ich denke 50 Wdg sind definitiv zu wenig. Ich habe zwischen den beiden Messungen für den D-Anteil wist1 und wist2 ja einen Delay drinnen. Der gibt mir einen gewissen Zeitschritt vor. Keine Ahnung ob man das geschickter lösen könnte. Um eine Steigung (also quasi die Geschw. des Gegenstandes) bei begrenzter Auflösung gut bestimmen zu können brauch ich halt eine gewisse Zeit t zwischen zwei Messwerten. An dem Delay Wert habe ich auch erstmal ne Weile rumgeschraubt. War der zu groß fings an zu zappeln war er zu klein gings auch nicht mehr da die Differenz der Sensorwerte dann viel zu klein wurde. Wenn ich nur einen Proportional Anteil drinn hätte könnte ich theor. maximal schnell regeln.
Jonny Obivan wrote: > Stimmt! Habe ich noch gar nicht bedacht (soweit ich das sehe ist da kein > Denkfehler drinn). Ich denke 50 Wdg sind definitiv zu wenig. Dann muss ich wohl mal einen Netztrafo schlachten... > Ich habe zwischen den beiden Messungen für den D-Anteil wist1 und wist2 > ja einen Delay drinnen. delay(20) dauert ja nur wenige µs wenn ich das richtig gesehen habe ? Im Vergleich dazu dauert eine ADC Wandlung eine Ewigkeit. In der kurzen Zeit, ändert sich der ADC Wert kaum. Daher wundere ich mich ja, wiso deine Regelung so gut funktioniert. > Wenn ich nur einen Proportional Anteil drinn hätte könnte ich theor. > maximal schnell regeln. Nur bringt das nichts, da der PWM Wert nur 1x pro PWM Periode, also mit 4kHz übernommen wird.
Habe mal die Delayzeit auskommentiert --> Gegenstand wackelt erheblich mehr. Was die Delayzeit betrifft: Ich habe die übergabevar. als uint64_t deklariert. Die Zählvar. innerhalb der Fkt. als uint32_t. Wenn man diese Variablen. als uint16_t deklariert verringert sich die Zeit erheblich. Habs grade mal ausprobiert. War selber verblüfft wie viel das ausmacht (Zeit vervielfacht sich wenn man den Variablentyp ändert). Ich vermute daher mal das bei dir die Zeit zu kurz ist (Wodurch der D Anteil auch zu klein wird und Schwingungen schlecht bedämpft werden). Grüße
Das liegt vermutlich daran, dass der Compiler uint64 selbst aus 32bit Zahlen zusammebastelt. Kann es sein, dass dein Code daher auch sehr groß ist ? Ich würde besser die delay.h verwenden. Dann hast du eine feste Pause, deren Länge vorhersagbar ist (abgesehen von zusätzlichen Verlängerungen z.B. durch Interrupts o.ä.)
jepp ist vollkommen richtig. Der code ist insgesamt auch ziemlich "geschustert" (Ungeduld lässt grüßen). Wenn du bei dir die Delayzeit entsprechend anpasst wird die Regelung dann besser? Grüße
@Benedikt K.: > Wenn ich jetzt keinen Denkfehler habe, dann dürften mehr Windungen > Energiemäßig besser sein: > Wenn man den Strom verdoppelt, vervierfacht sich die Leistung (da > P=I²*R). Wenn man dagegen die Windungszahl verdoppelt, verdoppelt sich > nur die Leistung. So darfst Du das nicht rechnen: Schließlich hat die Spule auch einen begrenzten Wicklungsquerschnitt. Doppelte Windungszahl -> doppelte Drahtlänge -> halber Drahrquerschnitt -> 4-facher Spulenwiderstand -> gleiche Leistung bei halbem Strom. Wenn Du also den Kern mit Kupferdraht vollwickelst hat er immer die gleiche max. Leistung, egal wieviel Windungen drauf sind. Sehr viele Windungen sind insofern interessant, als man dann die Spule direkt mit Netzgleichspannung betreiben kann. Damit wird das Netzteil deutlich kleiner. Dafür sind bessere Isolationsmaßnahmen notwendig. Jörg
Hi, ich bin sicher schon zu alt für solche Bauwerke, habe aber trotzdem folgendes Experiment gemacht: Eine Spule(220V/ca.250 Ohm) aus einem 25A DDR-Schaltschütz habe ich mit dem Kernunterteil am "Galgen" angehangen. Die Spule war beim Ausbau schon so schwarz, aber funktionstüchtig. Vom Kernoberteil (sind E Kernteile) wurde das Mittelteil abgetrennt und mit in der Spule reingesteckt. Darunter habe ich ein Stück Verpackungsmaterial angeklebt. Bei 100V !! also Vorsicht!! und 0,3A schaffte der Versuchsaufbau bei gute 1,5cm Abstand, meine DDR-Büchse(fand auf die schnelle nichts anderes)noch zu halten. Der Strom ist locker das 10fache des I-Nenn, also müsste gekühlt werden. Vielleicht hilft es den einen oder anderen bei seinen Berechnungen weiter. Wigbert
Ich hab mal versucht ne PFC-Drossel ausm ATX Netzteil zum E-Magneten umzufunktionieren. Hat leider nicht so gut funktioniert. Bei 5V= zieht das Ding seine 3A. Hat immerhin schon eine Schraube aus 1cm Entfernung angezogen (wenn auch nicht doll). Ich sollte es mal mit ~Spannung versuchen. Vieleicht auch zu wenig Windungen.
Interessant ist, dass bei allen die Leistung in etwa gleich ist, obwohl die Windungszahlen stark unterschiedlich sind. Jonny: 200Wdg. 3A bei (vermutlich 12V) = 36W Ich: 50Wdg. 2A bei 12V = 24W Wigbert: vermutlich >1000Wdg. 0,3A bei 100V = 30W Was könnte man an der Spule also noch optimieren ?
Also ich sehe bei mein Experiment Reserven im Kern. Der ist eher bescheiden. Wenn man ein E-I Kern aufbauen würde, und die Kugel statt des I....... Wigbert
@ Benedikt, Ich weiß gar nicht wie viele Windungen ich habe. Ich habe einfach gewickelt bis mir die Lust verging. Ich denke es könnten auch locker mehr als 200 sein. Wenn ich die Spule an 15V Gleichstrom hänge zieht der Magnet ca.3A. So ganz verstehe ich auch die Rechnung mit der PWM nicht. Wenn ich ein Tastverhältnis von 100% (entspricht Gleichstrom) habe zieht der Magnet 3A wenn das Tastverhältnis kleiner wird entsprechend weniger. Wie soll der Magnet mehr Strom ziehen als der mittlere Strom der mir vom Netzteil angezeigt wird? Oder habe ich da was falsch verstanden? Habe nochmal den Beitrag von weiter oben durchgelesen. Ich habe ja auch noch einen dicken Elko (470µF) parallel zur Spule.Wenn das PWM signal grade auf 0V ist, wird die Spule dann nicht aus dem Elko weitergespeist? Grüße jonny
Jonny Obivan wrote: > Wenn ich die Spule an 15V Gleichstrom hänge zieht der Magnet ca.3A. OK, das wusste ich nicht. Ich dachte die 3A wären die Stromaufnahme bei einem schwebenden Gegenstand. > So ganz verstehe ich auch die Rechnung mit der PWM nicht. Wenn ich ein > Tastverhältnis von 100% (entspricht Gleichstrom) habe zieht der Magnet > 3A wenn das Tastverhältnis kleiner wird entsprechend weniger. Ja da hast du recht. Das ganze war ein Missverständnis, da ich davon ausging, dass die 3A eben im eingeregelten Zustand wären. Von daher müsste deine Stromaufnahme mit einem schwebenden Gegenstand um einiges kleiner sein. > Wenn das PWM signal grade auf 0V ist, wird > die Spule dann nicht aus dem Elko weitergespeist? Nein, dann fließt der Strom durch die Spule von alleine weiter. Du hast doch die Diode an der Spule dran, oder ?
Benedikt K. wrote: > Jonny Obivan wrote: >> Wenn ich die Spule an 15V Gleichstrom hänge zieht der Magnet ca.3A. > > OK, das wusste ich nicht. Ich dachte die 3A wären die Stromaufnahme bei > einem schwebenden Gegenstand. > >> So ganz verstehe ich auch die Rechnung mit der PWM nicht. Wenn ich ein >> Tastverhältnis von 100% (entspricht Gleichstrom) habe zieht der Magnet >> 3A wenn das Tastverhältnis kleiner wird entsprechend weniger. > > Ja da hast du recht. Das ganze war ein Missverständnis, da ich davon > ausging, dass die 3A eben im eingeregelten Zustand wären. Von daher > müsste deine Stromaufnahme mit einem schwebenden Gegenstand um einiges > kleiner sein. Ah ok - dann haben wir uns nur missverstanden. die Stromaufnahme bei schwebendem Gegenstand hängt auch stark von der Einstellung der Sensortiefe ab. Umso tiefer ich den Gegenstand schweben lasse um so größer der Strom (bei einem ganz leichten Gegenstand aus Blech den ich grade an der Schwelle zum Runterfallen schweben lasse liegt der Strom bei ca. 2A). > >> Wenn das PWM signal grade auf 0V ist, wird >> die Spule dann nicht aus dem Elko weitergespeist? > > Nein, dann fließt der Strom durch die Spule von alleine weiter. Du hast > doch die Diode an der Spule dran, oder ? Ja genau habe eine Diode drann. Stimmt. Wenn das PWM Signal auf 0V geht wirkt der durch die Diode fließende Strom einer Feldänderung entgegen. Ich war mir nur nicht sicher welchen Einfluss der Kondensator hat. (Ich habe Elko und Diode parallel zur Spule). Im Prinzip könnte der Imaginärteil dann ja sogar negativ werden (Kapazitiv) wenn der Kondensator die Spule "überwiegt". Muss ich mir nochmal Gedanken zu machen EDIT: mh im Prinzip ist es der Spule ja egal von wo sie gespeist wird (vergiss meinen Einwand)
Jonny Obivan wrote:
> Ich habe Elko und Diode parallel zur Spule).
Du hast hast einen Elko parallel zur Spule geschaltet ? Das ist nicht
gut, denn den der Spule liegt eine Wechselspannung an (bzw. eher eine
getaktete Gleichspannung). Der Elko muss zwischen Source vom Mosfet und
dem andereren Anschluss der Spule.
Benedikt K. wrote: > Jonny Obivan wrote: > >> Ich habe Elko und Diode parallel zur Spule). > > Du hast hast einen Elko parallel zur Spule geschaltet ? Das ist nicht > gut, denn den der Spule liegt eine Wechselspannung an (bzw. eher eine > getaktete Gleichspannung). Der Elko muss zwischen Source vom Mosfet und > dem andereren Anschluss der Spule. Vor allem weil an der Diode ja im schlimmsten Fall 0,7V Spannung abfallen, die der Elko in verkehrter Polarität abbekommt. Auf Dauer könnte das dem Elko wehtun. Ich weiß aber nicht ob sich der Elko überhaupt so weit entläd. Wenn der Kondensator die PWM-Spannung glättet, bekommt die Spule nicht diese aprupten Flanken ab (sondern nur einen langsamer schwankenden Mittelwert). Oder sehe ich das falsch? Wäre sicher mal interessant das auf dem Oszi anzugucken.
Hallo alle Zusammen!!!! Werde mich auch mal einmischen. Für den Fall, das du nicht vorhast jede beliebige Kugel schweben zu lassen sondern immer nur eine bestimmte, mit einem festen Gewicht, kannst du dir die ganze Auswertungselektronik mit dem Lichtsensor sparen!!! Du kannst dann einfach spezifische Pwm-Signale ausgeben welches zuerst eine Höhere ich nenne es mach Durchschnittsspannung besitzt und und eins welche eine nidriege Durchschnittsspannung aufweist. Natürlich sind zwischenwerte Sinnvoll!!! Kommt ausf selbe bei raus, nur du hast dir den Sensor gespart, denn die Kugel Fällt immer gleich und steigt auch immer bei dem gleichen Spannungswert!! lg Kai
ohne Reglung ist ein Schweben nicht möglich - seh ich auch so. Man muss bedenken das kleinste Abweichungen vom "Sollfallverhalten" der Kugel sich aufsummieren und letztlich dazu führen das die Kugel entweder nach oben saust oder nach unten fällt --> instabiles, chaotisches System.
Ist es nicht so das es bei einem Magneten überhaupt keinen Punkt gibt bei dem ein Gegenstandt in der Schwebe gehalten wird? Eigentlich macht die Regleung ganz schnell stärker, schwächer, stärker,... und so schwebt das Teil dann. Man müsste ne Art Sinus festellen am Magneten.
@uhu, Chaotisch schon auch. Nehmen wir mal an die Kugel befindet sich exakt unter einem Permanentmagneten und die Bedingung m*g = -Fm ist erfüllt. m = masse | g = Erdbeschleunigung | Fm = Kraft vom Magneten Dann müsste der Gegenstand ja schweben (tut er aber nur ganz kurz). Chaotisch ist das System doch deshalb, weil nicht vorhersehbar ist wohin der Magnet fällt (nach unten oder oben). Zufall --> chaotisch. Ein System das nur instabil ist, ist doch berechenbar. Beispielsweise kann ich ausrechnen in welchem Zustand ein nur instabiles System sich in t+x sec befindet (zb. bei einem Oszillator, der ja im Prinzip auch so etwas wie ein instabiles System ist (während er sich aufschaukelt)). Bei einem chaotischen System kann ich das nicht --> Die Zukunft ist vollkommen ungewiss @ Robin, genaugenommen ja. Gruß jonny
@Jonny Obivan Zufall hat mit Chaos nichts zu tun. Unter Zufall subsummiert man landläufig Störgrößen, die man nicht quantifizieren kann. Ich würde sagen, daß das schwebende System mustergültig linear ist, nur die Störgrößen aus der Umwelt - Erschütterungen, Luftbewegungen etc. pp. - werden vom Regler kompensiert. Von Chaos ist da nicht die Spur. http://de.wikipedia.org/wiki/Chaos_%28Mathematik%29 : Im mathematischen Sinne wird ein Prozess als chaotisch bezeichnet, wenn Systemvariablen des Prozesses zu einem beliebigen Zeitpunkt mit exponentieller Geschwindigkeit divergieren.
Uhu Uhuhu wrote: > @Jonny Obivan > > Zufall hat mit Chaos nichts zu tun. Unter Zufall subsummiert man ^^^^^^^^^^^ > landläufig Störgrößen, die man nicht quantifizieren kann. ^^^^^^^^^^^^^^ Da muss ich erstmal das Wörterbuch rauskramen ;)
@ Robin Tönniges Nein, im Idealfall sollte die Regelung nicht schwingen. Zwar gibt es bei einem Zeitlich konstanten Magnetfeld keinen Punkt an dem die Kugel sicher schweben würde, jedoch ist das Magnetfeld durch die Regelung nicht mehr Zeitlich konstant, sondern es werden Störungen ausgeregelt. In dem PDF über Diamagnetismus aus der Spektrum war das sehr gut beschrieben. Dort wurde das Magnetfeld als Berg beschrieben, theoretisch ohne Störung müsste die Kugel oben auf dem Berg bleiben, aber sobald eben nur die geringste Störung auf die Kugel wirkt rollt sie an irgend einer seite runter. Nun musst du es durch die Regelung schaffen oben auf dem Berg einen kleinen Krater zu erzeugen. Wenn du das geschafft hast, reichen kleine Störungen nicht mehr aus, um die Kugel aus dem lokalen Minimum zu befördern.
@UHU, Wiki sagt: Die Chaosforschung (auch: Theorie komplexer Systeme oder Komplexitätstheorie) ist ein Teilgebiet der Mathematik und Physik und befasst sich im Wesentlichen mit Systemen, deren Dynamik unter bestimmten Bedingungen empfindlich von den Anfangsbedingungen abhängt, so dass ihr Verhalten nicht langfristig vorhersagbar ist. Da diese Dynamik einerseits den physikalischen Gesetzen unterliegt, andererseits aber irregulär erscheint, bezeichnet man sie als deterministisches Chaos. Chaotische Systeme sind nichtlineare dynamische Systeme. Meines Erachtens trifft dies auf den Magneten mit Gegenstand zu. Geringste Änderungen der Anfangsbedingungen (minimalste Abweichungen nach oben oder unten um Atomlängen) verändern den Zustand des Systems in der Zukunft radikal! Zudem spielen Luftturbulenzen (nichlineare Systeme) welche mit dem Gegenstand interagieren eine wesentliche Rolle. Und wie wir alle wissen sind Turbulenzen und Luftströmungen hochgradig nichtlinear und chaotisch. Google mal nach Magnetpendel --> typisches chaotisches System das immer wieder im Physikunterricht beispielhaft als Solches vorgestellt wird.
@ Jonny Obivan: Vielleicht solltest du dir mal die Stellgröße auf einem Oszi ansehen. Wenn die Änderungen der Stellgröße wirklich ein Sinus ist, dann deutet das nicht gerade auf Chaos hin, oder?
@uhu, Ich meinte doch das das ungeregelte System chaotisch ist (bezog sich auf die Idee von Danteln die Regelung(und damit die Sensoren) nicht zu benötigen) ;)) Das System mit Regelung ist natürlich nicht chaotisch :) haben wir uns ev. auch missverstanden. Also nochmal: Der Gegenstand unter einem Magneten, dessen Stärke nicht in Abhängigkeit vom Ort des Gegenstandes geregelt wird ist ein chaotisches System. Das System mit Regelung ist nicht chaotisch. Grüße jonny
Jonny Obivan wrote:
> haben wir uns ev. auch missverstanden.
Nein haben wir nicht. Ohne Regelung können Störungen nicht kompensiert
werden und das Teil geht in eine seiner beiden Extrempositionen.
Chaotisch ist es deswegen noch nicht unbedingt - dafür reicht schon ein
labiles Gleichgewicht.
Ein chaotisches System bleibt aber auch mit Regelung chaotisch.
Allerdings bewirkt die hohe Empfindlichkeit der Parameter, daß ein
Regler das System mit minimalem Energieaufwand auf jede mögliche
Trajektorie zwingen kann - das ist eigentlich eine sehr angenehme
Eigenschaft...
Aber ensthaft: Wie kann man entscheiden, ob das System chaotisch ist,
oder nicht?
@ uhu, mhh- aber die Parameterempfindlichkeit ist doch bei einem Gegenstand der unter dem Magneten schwebt extrem hoch. Wenn sich ein Atom auf meinen Gegenstand setzt, fällt er runter. Wenn eine Mücke von unten gegenpustet knallt er oben gegen den Magneten. Die Bedingung der Nichtlinearität ist gegeben. Die Umgebungsparameter (Luftwiderstand, Turbulenzen in der Umgebungsluft) muss man doch zu dem System hinzuzählen (wenn man das System nicht idealisiert also real betrachten will). De Fakto würde ich also sagen das es sich um ein chaotisches, nichtlineares System handelt. oder um ein instabiles System mit chaotischen Anteilen? Grüße jonny
@ Jonny Obivan: Ich glaube nicht, daß sich die Nichtlinearität von Luftströmungen auf das schwebende Teil überträgt: Als Folge einer Luftbewegung wirkt eine Kraft auf den Gegenstand - dann gilt F = m*a und das ist schön linear. Das einzige, was an dem System nicht unbedingt linear ist, ist die Geometrie des Feldes des Magneten und die muß sich nicht unbedingt destabilisierend auswirken, weil die Feldlinien nach oben auf den Kern konvergieren. Meine Frage Wie kann man entscheiden, ob das System chaotisch ist, oder nicht? scheint eine echte Preisfrage zu sein...
> Wie kann man entscheiden, ob das System chaotisch ist, oder nicht? > scheint eine echte Preisfrage zu sein... @uhu, stimmt... Scheint auch eine tendenziell philosophische Frage zu sein. Auf jeden Fall lohnt es sich mal drüber nachzudenken. Ist schon eine spannende (und vermutlich doch nicht ganz so triviale) Sache. Für mich war ein System immer dann chaotisch wenn es dynamisch, nichtlinear (kleine Änderungen der Anfangsbedingungen haben große Auswirkungen auf die Parameter zur Zeit t+x) und daher auch zu einem gewissen Grad unvorhersehbar war. Klassische Beispiele: Klimamodelle, Magnetpendel etc… Und wenn ich die Bedingung Fmagnet + m*g = 0 herstelle und den Gegenstand loslasse ist das Ergebnis ungewiss (Niemand kann sagen in welchem Zustand sich das System zum Zeitpunkt t+x befinden wird). Gruß Jonny
Nochmal zum eigentlichen System zurück: Könnte man nicht eigentlich auch mit einem Wechselfeld nicht Ferromagnetische Stoffe schweben lassen? Durch die Wirbelströme müsste doch das zu schwebende Objekt auch ein Magnetfeld aufbauen. Dadrüber denke ich schon die ganze zeit nach ;) Realisieren könnte man das mit einem Schwingkreis, den man von außen anregt. Im Resonanzfall sollte die Kraft maximal sein, wenn man etwas neben der Resonanzfrequenz anregt sollte die Kraft geringer sein. Oder liege ich da gerade total falsch?
Hauke Radtki wrote: > Nochmal zum eigentlichen System zurück: > > Könnte man nicht eigentlich auch mit einem Wechselfeld nicht > Ferromagnetische Stoffe schweben lassen? Durch die Wirbelströme müsste > doch das zu schwebende Objekt auch ein Magnetfeld aufbauen. Dadrüber > denke ich schon die ganze zeit nach ;) > > Realisieren könnte man das mit einem Schwingkreis, den man von außen > anregt. Im Resonanzfall sollte die Kraft maximal sein, wenn man etwas > neben der Resonanzfrequenz anregt sollte die Kraft geringer sein. > > Oder liege ich da gerade total falsch? Hallo Hauke, sollte eigentlich gehen, denke ich auch Gruß Axelr. http://www.axelr.de.vu/ http://freenet-homepage.de/Yetirobot/prpclk.html http://freenet-homepage.de/Yetirobot/images/resonanzwandler.png
@ Hauke, interessante Idee. Aber dann müsste man das Objekt über dem E-Magneten schweben lassen oder? Die im Objekt induzierten Ströme sind ja stets so gerichtet, dass das von diesen erzeugte Magnetfeld der Ursache entgegenwirkt.
Axel Rühl wrote:
> http://www.axelr.de.vu/
Wenn du mal eine völlig verunglückte Homepage sehen willst...
das sieht man öfter mal in wissenschaftlichen Sendungen. Z.B. die Bratpfanne, die über einer Batterie von vielen Elektromagneten schwebt und in der dank Wirbelstromverlusten gleichzeitig ein Spiegelei brät. Sehr bekannt ist auch die etwas merkwürdig gewickelte Induktionsspule, in der eine Metallschmelze in der Schwebe gehalten wird. Jörg
>Schwebende Metallschmelze ... DAS wär mal n hingucker fürs Zimmer ;) Definitiv! Vielleicht lässt sich mit den Ferrofluiden so was erreichen, wenn die Oberflächenspannung stimmt. (http://de.wikipedia.org/wiki/Ferrofluid) Kann man das eigentlich normal käuflich erwerben? - Habe noch nicht gesucht... Wie kriegt man das Zeug eigentlich von einem Permanenmagneten ab?
>Kann man das eigentlich normal käuflich erwerben? - Habe noch nicht >gesucht... Ok kann man (eBay) - kennt einer eine Adresse, wo das bezahlbar ist? Mir kommen da gerade ganz viele Ideen :)
Uhu Uhuhu wrote: > Axel Rühl wrote: >> http://www.axelr.de.vu/ > > Wenn du mal eine völlig verunglückte Homepage sehen willst... achduguck, was'n das? kA
> Wie kriegt man das Zeug eigentlich von einem Permanenmagneten ab?
Gar nicht ;)
Scherz beiseite - Ich glaube man kann Ferrofluide auch selber
herstellen. Ansonsten ist sowas auch käuflich (aber nicht grade billig).
Ich würde dann vermutlich einen Plexiglaskasten unter meinen E-Magneten
stellen, damit es keine Sauerrei gibt, wenn mein Ferrofluidtropfen
versehentlich doch nicht schwebt und schlimmstenfalls am E- Magneten
klebenbleibt. Also immer eine dünne Trennschicht zwischen Ferrofluid und
Magnet! Jeder kennt die Sauerrei die es gibt, wenn Eisenpulver an einen
Magneten gerät - wie das bei einer Flüssigkeit ist kann man sich ja
denken g.
Ansonsten kommen mir da auch einige Ideen. Es ist bestimmt sehr hübsch
eine Konstruktion mit schwebender Flüssigkeit auf dem Schreibtisch
stehen zu haben.
Grüße
Jonny
Hab bei uns an der Uni mal nen netten vortrag dadrüber gehört. Ferrofluide sind schweine teuer, und anscheinend nicht ganz einfach selbst herzustellen, wobei ich nciht sagen will, dass es nicht geht ;) Das Problem wird sein, die Ferrofluide entmischen sich nach einer Zeit, evtl. Tropft dann die fliegende Kugel ;)
Axel Rühl wrote: > Uhu Uhuhu wrote: >> Axel Rühl wrote: >>> http://www.axelr.de.vu/ >> >> Wenn du mal eine völlig verunglückte Homepage sehen willst... > > achduguck, > was'n das? > kA <OT> ich hatte damals für Yetisports III einen Robot geschrieben, welcher Höchstpunktzahlen garantieren konnte. War ein recht umfangreiches Delphiprojekt. Leider liess sich der Ordner bei freenet nun nicht mehr zurückbenennen. Also habe ich die de.vu als "Umleitung genommen. Das das am Ende kauderwelsch ergibt, dachte ich mir schon fast. Bei mir kommt das "Erfahren Sie mehr..blabla" nur ganz kurz und dann siehts aus, wie es aussehen soll. </OT> Naja egal. Hast sich jemand mal die Schaltung angesehen? http://freenet-homepage.de/Yetirobot/images/resonanzwandler.png Sollte so ganz ohne Kontroller eigentlich auch funktionieren. Ichhabe am WE den Kern der Laugenpumpe unserer alten Waschmaschine gefunden. ist ein U-Schnitt mit zwei nebeneinander liegenden Spulen drauf. Ist allerdings für 220V ausgelegt. Kann ich ja mal friemeln, melde mich... Axelr.
OT: Axel Rühl wrote: > Uhu Uhuhu wrote: >> Axel Rühl wrote: >>> http://www.axelr.de.vu/ >> >> Wenn du mal eine völlig verunglückte Homepage sehen willst... > > achduguck, > was'n das? > kA Kann es sein, daß du die Seite mit einem Baukasten gebastelt hast? Sollte man nicht machen, kommt nur Mist dabei raus, vor allem, wenn das Teil für diesen weit verbreiteten, aber mit maximaler Ignor- und Arroganz gebastelten Browser geschrieben wurde. Im Ernst: Bilder in einer Scrollbox - das ist doch völliger Blödsinn. Als könnte ein Browser nicht von Haus aus Rollen... Nimm doch Kompozer - damit kriegst du es auch ohne großartige HTML-Kenntnisse 100 mal besser hin, als mit einem Baukasten.
Ist mitm NVU gemacht worden. Bei meinem Firefox2.0.0.14 sieht alles prima aus (naja bis auf die kurze Weiterleitung durch de.vu.) Geh mal direkt auf die freenet Seite http://freenet-homepage.de/Yetirobot/ ist alles in Tabellen gepackt und ohne viel Schnickschnack gemacht. Direktlink auf die Fotos usw. Da ist auch kein Scrollbalken odersowas. Den Baukasten kannste vergessen, ist klar. Hatte ich schon mitbekommen. Daher hatte ich mir den NVU Komoster installiert. wer weiss, was da bei deinem Browser verstellt ist, k.A. Gruß Axelr.
In meinem Browser ist nichts verstellt. Das ist Firefox 2.0.0.14 unter Ubuntu 7.10. Das liegt wohl an dem iframe, in das die Seite reingezogen wird.
Zurück zum Thema: "Vor allem weil an der Diode ja im schlimmsten Fall 0,7V Spannung abfallen, die der Elko in verkehrter Polarität abbekommt. Auf Dauer könnte das dem Elko wehtun. Ich weiß aber nicht ob sich der Elko überhaupt so weit entläd. Wenn der Kondensator die PWM-Spannung glättet, bekommt die Spule nicht diese aprupten Flanken ab (sondern nur einen langsamer schwankenden Mittelwert). Oder sehe ich das falsch? " Tut mir Leid, aber ein C parallel zur Spule ist ziemlicher Unfug. PWM im Zusammenspiel mit einer Spule bewirkt, dass ein konstanter Strom fließt, aber die Spannung eine Rechteckspannung mit Amplitude = VCC sein muss. Mit C wird die Endstufe ein Kuddelmuddel aus analog und digital. Das soll wie eine Class-D-Endstufe funktionieren. Ein Freund baute mal vor langem ein solches Teil analog, funktionierte ohne viel Abgleich erstaunlich gut. Auch er verwendete als Magnet einen EI-Trafo, von dem er den I-Kern abtrennte. Die Primärwicklung und Sekundärwicklung in Reihe geschaltet (richtigherum, so dass die Felder sich addieren). Meiner Erfahrung nach ist die Kupfermenge entscheidend für die effektive Stärke des Magneten. In der Arbeit verwenden wir sogar rechteckigen Draht, um durch hohen Füllfaktor möglichst viel Kupfer auf den Kern zu bringen.
Hallo eProfi, Den Elko habe ich vorher anders angeschlossen - also an Source und den anderen Anschluss der Last. Leider hatte ich dauernd Störungen auf dem µC (Die auch durch Maßnahmen wie Abblock-C nicht zu verhindern waren) Ich habe dann kurzerhand den Elko parallel zur Spule angeschlossen(Beinchen hoch und festgelötet). Seitdem funktioniert die Reglung einwandfrei und es gibt nicht die geringsten Probleme oder Störungen. Selbstverständlich hast du Recht: Es ist keine unbedingt saubere Lösung(Das eine Spule Ströme glättet ist mir klar). Aber mein Instinkt sagte mir: Schließ den Elko parallel zur Spule an (da es dann funktionierte habe ich mir nicht die Mühe gemacht eine andere Lösung zu finden und da ist es mir auch ziemlich egal was "Unfug" ist oder nicht - Hauptsache es tut ;)) ) Die Realisierung mit analogen Rechnern (eine OP- schaltung ist nichts anderes als ein analoger Rechner, der Ableitungen berechnen kann für den D-Anteil und entsprechend den P-Anteil bestimmt) ist sicher das einfachste. Es ist einfacher einen Kondensator damit zu beauftragen ein Differenzial zu bilden als eine Ableitung im µC nachzubilden. Die Idee mit dem µC hat mich aber dennoch gereizt, da sie mit weniger Bauteilen auskommt und sich auch neue Möglichkeiten bieten. Eine Operationsverstärkerschaltung müsste immernoch an einen Treiber angeschlossen werden der die PWM generiert (Das macht direkt der µC). Grüße jonny
die Frage mit chaotisches System ja oder nein scheint so ähnlich zu stehen wie systematische und zufällige Fehler. Je mehr Details man in die Systembeschreibung mitreinnimmt, desto präziser wird die Vorhersage. Ich mein, dass man ein Doppelpendel für ein chaotisches System hält obwohl man es sehr schön mit den Differentialgleichungen beschreibt. Nur wird leider die Trajektorie nach kurzem Schwingen von der errechneten abweichen. Ich würde auch sagen, dass ein Magnet in demselben Sinne chaotisch ist. Obwohl er 2 stabile (klebend und unten) und 1 labiles(frei hängend) Gleichgewicht hat. So wie ein Würfel 6 stabile Endzustände einnimmt, und bei allen Wurfbeschreibungen praktisch nicht vorhersagbar ist. Gruss, Daniel
Könnt ihr mal die Daten eurer Aufbauten in eine Funktion der Leistung von Gewicht und Abstand überführen? Das sind ja doch ganz schöne Heizungen! Welches Verhalten zeigt der Regler wenn nichts die Lichtschranke unterbricht? voller Strom? Kann man mit Fremdlicht die Regelung so durcheinanderbringen, dass das Objekt runterfällt? Ist das ein Sicherheitsrisiko wenn die Regelung dann voll aufdreht? Ist eine induktive Abstandsmessung möglich?
Analog wrote: > Könnt ihr mal die Daten eurer Aufbauten in eine Funktion der Leistung > von Gewicht und Abstand überführen? Bei meinem Aufbau: Nur geschätzt, nicht exakt nachgemessen: Gewicht->Leistung: In etwa linear Abstand->Leistung: Vermutlich quadratisch, auf keinen Fall linear > Das sind ja doch ganz schöne Heizungen! Ja, trotz 50mm Lüfter sollte man das ganze nicht im Dauerbetrieb laufen lassen. > Welches Verhalten zeigt der Regler wenn nichts die Lichtschranke > unterbricht? voller Strom? Ja. > Kann man mit Fremdlicht die Regelung so durcheinanderbringen, dass das > Objekt runterfällt? Bei mir eher nicht, da ich eine sehr starke IR LED und einen Phototransistor mit Tageslichtfilter verwendet habe. Außerdem steck dieser etwa 2cm tief mitten im Holz. Das Licht müsste also schon ziemlich senkrecht da rein fallen, um den Sensor zu erreichen. > Ist das ein Sicherheitsrisiko wenn die Regelung dann voll aufdreht? Bei mir eher nicht, da die Software 10s nach dem Fehlen des Objekts (Sensorsignal nahezu voll ausgesteuert) den Strom abschaltet. > Ist eine induktive Abstandsmessung möglich? k.A. Ich denke der Sensor wird aber ziemlich durcheinanderkommen bei einem so starken Magnetfeld in der Nähe.
Hallo, bei der SCHWEBENDE WELTKUGEL "C" Artikel-Nr.:671157 - LN von Conrad iat ein Hall-Sensor zur Abstandsmessung eingebaut. Ich kann diese Kugel für Bastler nur empfehlen. Für 16.- Euro kann man eine sehr optimierte Kugel, eine Spule und ein Netzgerät verwenden. Habe das schon ausgeschlachtet und verwendet. Gruß Max
Ich werde demnächst mal bei einem Schrotthändler vorbeischauen. Jemand eine Idee wonach ich Ausschau halten könnte?
Jonny Obivan wrote: > Ich werde demnächst mal bei einem Schrotthändler vorbeischauen. Jemand > eine Idee wonach ich Ausschau halten könnte? Nach alten Kugellagern, vielleicht von Tagebau-Großgeräten? :-) Habe mal in der Schlosserei dessen gearbeitet, was jetzt die Laubag ist. Da waren Wälzlager normal, bei denen die Kegelrollen separat von den Laufringen montiert wurden (keine Käfig) und jede Rolle so ca. 10...15 cm lang war und wahrscheinlich 3...5 cm im Durchmesser. Eine Kugel aus einem vergleichbaren Kugellager wäre sicher recht imposant hier, aber der notwendige E-Magnet auch nicht zu verachten.
Mein erstes Objekt schwebt: Ein Deckel vom Einmalglas :D Mein E-Magnet ist so etwa das unoptimalste was es gibt, ist eine Achse aus einem Laserdrucker :P mit 4 Lagen Kupferdraht umwickelt. Wird auch sehr schnell Warm leider, da muss noch was neues her. Was mir noch aufgefallen ist: Je näher ich das Objekt am Magneten schweben lassen will, desdo höher muss ich die verstärkung vom P und D teil wählen (D immer 10* größer als P), damit das ganze nicht schwingt. Woran liegt das? Muss man den P anteil vielleicht zu nem "E(xponentiellen)" bzw. Quadratischen anteil machen?
Hey Hauke, Klasse! Sieht super aus. > Je näher ich das Objekt am Magneten schweben lassen will, desdo höher > muss ich die verstärkung vom P und D teil wählen (D immer 10* größer als > P), damit das ganze nicht schwingt. Der D- Anteil ist ja nichts anderes als die Berücksichtigung der Geschwindigkeit des Objekts. Umso näher der Gegenstand am Magneten ist, umso größer ist dessen Beschleunigung (Geschwindigkeitsänderung) durch Änderungen des Magnetfeldes. 2 Newtonsches Axiom: Kraft = Masse * Beschleunigung --> Beschleunigung = Kraft/ Masse Der D- Anteil muss dafür sorgen, dass aprupte Positionsänderungen durch eine entsprechend starke Gegenmaßnahme gedämpft werden. Ansonsten geht das Schwingen los. @ Jörg, Hört sich interessant an. Ich grübel momentan noch ob sich auf dem Schrottplatz nicht auch ein guter E-Magnet finden lässt. Blöderweise habe ich vor ein paar Jahren mal einen richtig schicken E-Magneten weggeschmissen den ich zuvor mal auf nem Schrottplatz gefunden hatte. Der Magnet war allerdings nur eine Spule mit recht hoher Windungszahl auf einer Art kurzem Kunststoffrohr (Das Ganze Armdick) in das man Metall schieben konnte. Grüße Jonny
Ich würde für den E-Magneten wirklich nochmal nach einem alten EI-Trafo suchen, bei dem sich das Blechpaket entfernen lässt, sodass du die E-Bleche danach allein neu reinstapelst.
Hi, russisches Postrelais(denke ich mal) bei 10V=/ 8A!! schafft die Spule eine Büchse von 3cm Abstand nach oben zu ziehen. Kann mir mal einer ein Mostreibertyp für das Projekt nennen? Wigbert
Hallo Wigbert. hehe - russische Technik ist eben was stabiles 'g' Ich habe als Treiber den BUZ11 genommen (ist aber nicht wirklich 5V tauglich und wird daher etwas warm). Der IRL3803 Power N-Kanal FET ist jedoch 5V tauglich und kann sogar bis über 100A schalten (für den Fall das du mit einer 5V PWM steuern willst sehr gut geeignet).
Wigbert Picht wrote: > bei 10V=/ 8A!! schafft die Spule eine Büchse von 3cm Abstand nach oben > zu ziehen. Nach wievielen Sekunden brennt die Spule durch ? Ich glaube kaum, dass die länger als ein paar Minuten durchhält. > Kann mir mal einer ein Mostreibertyp für das Projekt nennen? IRF540, IRFZ44, IRF1404 usw.
Dank Euch erst mal für die Treibertypen @Benedikt K >Nach wievielen Sekunden brennt die Spule durch ? Ich glaube kaum, dass >die länger als ein paar Minuten durchhält Ich wollte es genau wissen: 5 min Betrieb: 10V 8A erwärmte sich die Spule von ca 26°C auf 40,3°C @Jonny Obivan >hehe - russische Technik ist eben was stabiles 'g' bin selbst ein bisschen positiv überrascht. Wigbert
Wigbert Picht wrote: > Ich wollte es genau wissen: > 5 min Betrieb: 10V 8A erwärmte sich die Spule von ca 26°C auf 40,3°C Wie groß ist das Teil ? Ich hätte dem Bild nach auf 5cm Länge geschätzt. Wenn es aber 5 Minuten lang 80W verträgt, und nur 40° heiß wird, dann muss es aber sehr viel größer sein.
hier mal meine aktuelle Version zur Ansicht. Marmeladenglasdeckel mit breitem glatten Rand eignen sich besonders gut. Es gehen aber auch dünnwandige Hohlkörper in Form von Kugeln oder Dosen. Der Magnet ist ein uralter Lautsprecherelektromagnet mit neu bewickelter Spule. Sowas dürfte heutzutage aber kaum noch zu bekommen sein, da entsprechend alte Radios inzwischen einen gewissen Sammlerwert haben und nicht mehr zum Ausschlachten zur Verfügung stehen. Ähnlich gute Ergebnisse brachte ein "entjochter" E-78/32-Kern, der mit ca. 1000 Wdg. 0,4 mm Lackdraht bewickelt war und bei ca. 30 V, 500 mA betrieben wurde. Um das Gerät kompakt zu halten, habe ich in der neuesten Version die Spule direkt mit Netzgleichspannung und PWM betrieben. Im Bild ist ein Lüfter neben dem Magneten zu sehen. Dieser ist wegen der kompakten geschlossenen Bauweise nötig. Jörg
was lese ich da ab, muss natürlich statt 8A ->0,8A heissen. Ist mir jetzt peinlich !!!(wohl schon das Alter) Wigbert
Wigbert Picht wrote:
> muss natürlich statt 8A ->0,8A heissen.
;-)
Laut Aufdruck ist das Ding mit 0,38 mm dickem Draht bewickelt. Bei
einer Stromdichte von 2,55 A/mm² wäre er mit 290 mA dauerbelastbar.
Danke für die "Nachhilfestunde" Jörg. Ich denke das Relais ist eine ungefährliche Variante, und mit Kühlung machbar. Wigbert
Lautsprechermagneten ...einer schwebt. wer kann damit was anfangen? Ist nicht von mir.
IRLZ 34N Sind zwar nicht die billigsten, dafür ham se interne Dioden und sind bei 5V schon ziemlich stark aufgesteuert. Ich werd mir mal nen neuen Magneten basteln, ich denke meiner ist einfach so schwer zu regeln weil er so schwach ist. Ich hab irgendwo noch nen riesigen U-Kern liegen von nem Demonstrations e-Motor .... eine Seite davon Verwendet könnte vielleicht gehen, muss das ding nur erst mal wieder finden :(
Ok, dass das ganze bei ir immer noch bei allen Einstellungen leicht geruckelt hat lag an dem Verrauschten (durch die PWM ansteuerung der Spule) Sensorsignal, Tiefpass und gut ;)
Hallo, da dieses Thema bei mir großes Interesse erregt hat, überlege ich nun auch, mir eine solche schwebende Kugel zu bauen und auch mal zu gucken, wie sich Ferrofluide dabei verhalten. Da ich hier schon öfter gelesen habe, dass sich E-Kerne gut für den Magneten eignen sollen, habe ich mich mal auf die Suche begeben und bin auf folgendes gestoßen: http://de.farnell.com/1422748/elektrotechnik/product.us0?sku=epcos-b66363gx197 Meine Frage wäre jetzt, ob sich dieser Kern dafür eignen könnte oder nicht. Gruß Niels
Wo ist mein Beitrag? Also nochmal in kurz eine allgemeine Frage. Wenn die Detektion des Objektes in einer Lichtschranke erfolgt, dann ist mein Positionssignal digital, also entweder innerhalb der Lichtschranke, oder eben außerhalb. Warum wird dann ein stetiger (oder quasi-stetiger) Regler verwendet? PD wurde mal genannt. Sollte in dieser Anordnung nicht auch ein genügend schneller Zweipunktregler funktionieren? guude ts
klodeckel wrote: > Wenn die Detektion des Objektes in einer Lichtschranke erfolgt, dann ist > mein Positionssignal digital, also entweder innerhalb der Lichtschranke, > oder eben außerhalb. Kann man so machen. Man könnte es aber auch so sehen: Der Lichtstrahl ist ja nicht unendlich dünn und der Detektor hat ja auch nicht eine unendlich kleine Fläche. Wenn nun die Kugel in den Lichtstrahl einwandert, wird der Detektor abgeschattet. Sein Ausgangssignal geht analog nicht schlagartig von Vcc nach 0 zurück, sondern es nimmt mit dem Grad der Abschattung ab. Ausgangsspannung des Detektors an einen ADC -> der Wert vom ADC ist ein Gradmesser dafür, wie tief die Kugel im Lichtstrahl steckt.
> Sollte in dieser Anordnung nicht auch ein genügend schneller > Zweipunktregler funktionieren? Ich habe zunächst bei ersten Tests eine Zweipunktreglung softwaremäßig implementiert --> Schwingung entsteht --> funktionierte nicht. Das Hauptproblem sind m.E die entstehenden Schwingungen. Durch das Ab/Anschalten wird dem Gegenstand "rythmisch" kinetische Energie zugeführt die zu einem Aufschaukeln führen kann. Das An/Abschalten ist auf Grund der Trägheit des Systems nicht sehr schnell. Man muss bedenken, das eine Spule ihr Magnetfeld nicht sofort abbaut und ein entspr. Spulenstrom immer noch eine Weile weiterfließt durch die Freilaufdiode. Genauso ist es auch mit dem Aufbau des Feldes --> es braucht Zeit. Grüße Jonny
Niels Janson wrote: http://de.farnell.com/1422748/elektrotechnik/product.us0?sku=epcos-b66363gx197 > > Meine Frage wäre jetzt, ob sich dieser Kern dafür eignen könnte oder > nicht. Geht prinzipiell zwar, ist aber nicht so gut geeignet. Diese Ferritkerne sind zur Leistungsübertragung bei hohen Frequenzen optimiert. Großer Nachteil von Ferrit ist die geringe Sättigungsinduktion (nur ca. 20-30% von Eisen).Für einen starken Elektromagneten brauchst Du aber gerade eine möglichst hohe Sättigungsinduktion. Deshalb gibt es keine vernünftige Alternative zu Weicheisenkernen für Elektromagnete. Jörg
Hallo, ein Zweipunktregler geht sicher nicht. Es muss ein PD Regler sein. Um auch die Kugelgeschwindigkeit zu bestimmen benötigt man einen Sensor, der großflächig ist. Ich habe schon eine schwebende Kugel gesehen (es war in einem technischen Museum), bei der eine Lines beim Detektor angebracht war. Der Sensor ist bei dieser Konstruktion im Brennpunkt. Dadurch bekommt man einen größeren "Einfangbereich" Gruß Max
Kann derjenige, der so ein funktionierendes Teil hat vllt. mal den Ist-Wert vom Sensor oszillografieren, evtl. auch den Einschwingvorgang wenn das Objekt von unten herangeführt wird? Wäre super, danke ts
Ich wolt schnell drauf hinweisen. Das System ist nichtlinear, benoetigt deshalb eine Linearisierung. Und dann ein Modell, .. die paar Gleichungen.
Zum Sensor ich habe die besten Erfahrungen mit einem großflächigen Sensor von Farnell. Dieser ist aber nicht mehr erhältlich. Mit einer BPW34 hat man 3 mm Bereich zum Messen. Das ist die billige Lösung. Falls man etwas mehr investieren kann würde ich http://at.rs-online.com/web/search/searchBrowseAction.html?method=getProduct&R=6546596 empfehlen. Zur Nichlinearität: Falls der Regelbereich z.B. 3 mm beträgt, ist die Anordnung praktisch linear. mfg MAx
In dem aktuellem Elektor-Halbleiterheft S.10 ist ein ähnliches Projekt beschrieben.
also nun doch Solarzelle? Die von ElEKTOR haben hier sicher mitgelesen. "Ach, was schreiben wir denn ins aktuelle Heft? mal bei mikrocontroller.net nachlesen, was es da neues gibt" Oder so ähnlich ;-)) bin mir gaanz sicher. Gruß ;-) Axelr.
Axel Rühl wrote:
> Die von ElEKTOR haben hier sicher mitgelesen.
Glaube ich nicht. Dann hätte das Heft weniger Fehler...
Das Problem an einer großflächigen Solarzelle ist, dass die Schaltung
dann sehr empfindlich auf Streulicht reagiert.
Ein analoger Positionssensor ist bei Pollin günstig erhältlich:
Best.Nr. 120 404
Hallo zusammen, Da ich schon länger mit einer IR-Diode rumhantiere und es ganz gut klappt, habe ich die Solarzellenvariante nicht mehr ausprobiert. Wenn man eine Solarzelle nimmt, sollte man eine sehr helle Lichtquelle verwenden (zb. Halogenstrahler der ja auch einen ästhetischen Nutzen haben kann). In der Hochschule hatten die einen Aufbau mit heller Halogenlampe und Solarzelle. Ich fände aber die Variante mit IR-Diode und ev. einem difusen Filter nicht schlecht. Eine Sammellinse ist auch eine Option. Irgendwo weiter oben kam ja die Idee den Gegenstand zu bewegen (hoch und runter). Dann müsste man für langsamere Übergänge im Strahlverlauf sorgen, um den Bereich in dem das Bewegen möglich ist groß zu halten. Bei meinem jetzigen Aufbau ist der Bereich sehr klein (ich schätze mal ca. 5 mm). @Axel, das wär ja witzig. Meinst du die schauen hier im Forum extra nach Themen? Aber denkbar wär es natürlich schon.
@Jonny Was denkst Du, WER hier alles mitliest! Viele Grüße (auch) an DieterB., ThomasK., UweH., ClausZ. und HarryG. Axelr.
http://4hv.org/e107_plugins/forum/forum_viewtopic.php?9059 Hat das mit Hallsensoren gemacht. Gefällt mir persönlich auch besser als mit Photodioden, weils einfach eine witzige Idee und noch etwas exotischer ist.
Hallo, ich habe mir sowas gebaut, allerdings ist die Regelung analog. Wie einige Voredner habe ich einen EI Eisenkern genommen (gefunden) Eisenkern: EI 150 zerlegt, die Is weggelassen und wieder geschichtet. Die Kugeln sind ca 300 gr 4cm Durchmesser. Habe ich aus einer Kugellagerverwertung für Pfennige (ist schon lange her). Lichtschranke(zw. Kugel und Magnet): LDR03 Photowiderstand mit ca 10mm Durchmesser in einem schwarzen Rohr um das Fremdlicht abzuschirmen und Photodiode (weiß) wie sie als Taschenlampe dient. Der PID Regler ist recht kniffelig. Das Leistungsteil habe ich umschalbar analog/ PWM. Analog wird der Transistor 2N3055 ganz schön warm.... Ich würde erstmal zum analogen Aufbau raten. Wenn dann alles geht, kann man mit dem Prozessor weiter machen. Ach ja: Bei der Auslegung der Spule solltest du bedenken, dass die Betriebsspannung bei PWM ausreichend hoch sein sollte, um eine kleine Zeitkonstante zu erreichen. Sonst ist die Kugel schon aus der Lichtschranke gefallen, bevor sie das Magnetfeld zurückholen kann. Spannung 24V Strom 5-8A. Nach einer halben Stunde muß ich abschalten. Wenn mir noch jemand sagt wie ich *jpg dateien anhängen kann, gibt es Fotos. Gruß Wolfgang
> Wenn mir noch jemand sagt wie ich *jpg dateien anhängen kann, gibt es
Trag den Pfad im Eingabedialog unter Dateianhang ein, bevor du den
Beitrag abschickst - wenn du Vorschau klickst, ist eine vorherige
Eingabe dort wieder vergessen.
Es geht pro Beitrag nur ein Anhang.
wie kommt ihr auf den PD Regler? müsste man dazu nicht erstmal das Streckenmodell haben, um dann Übertragungsfunktion der gekoppelten Schleife zu berechnen + ein paar Spezifikationen bezüglich der Toleranz des Einschwingens usw?
Bisher: Viele Spekulationen, wenig Sinnvolles, noch weniger Reales. Zu meinem Beitrag 2 bzw. 4 Beiträge weiter oben Weitere Informationen zum Aufbau schwebende Kugel: Die Wicklung des Magneten wurde mit 1,5mm Cul Draht gewickelt und hat ca. 2 Ohm. Kupferlackdraht bekommt man bei Motorwickeleien. Du könntest aber auch im Wertstoffhof mal nach Trafos für Halogenlampen suchen. Die haben Primär- und Sekundärwicklung aus Sicherheitsgründen in getrennten Kammern. Vom EI-Kern das I abschneiden, wenn möglich die Primärwicklung entfernen und den so entstandenen Platz durch die Sekundärwicklung eines gleichen Trafos ersetzen. Fertig! Übrigens steht im Deutschen Museum in München so eine Anordnung. Dort wird ein Rundeisenkern verwendet. Die Stromregelung erfolg mit einer Phasenanschnittsteuerung mit Thyristoren. Die Wicklungslagen der Spule sind mit Abstandshaltern voneinander getrennt, um Luftkühlung zu ermöglichen. Die Kugel ist 5kg schwer und hat am Magnetpol schon eine Menge Einschlagskrater hinterlassen!!! Das Verhältnis Durchmesser/Höhe der Spule ist wohl 2:1. Als Spulenkern kannst du im Eisenhandel ein Stück Rundeisen abschneiden lassen. BEDENKE! Das Magnetfeld ist dem Strom proportional! Man müsste also eine Stromregelung einsetzen und nicht die Spannung schalten. Bei Schrittmotoren wird das gemacht, um die EMK und die Selbstinduktivität die sich dem Anwachsen des Stromes entgegenstellen, zu „überlisten“. Daher haben SM einen kleinen Widerstand (1 Ohm) und können trotzdem mit Impulsbreitenregelung mit z.B. 35V betrieben werden. Dadurch könnte auch die Regelung für die schwebende Kugel schneller reagieren. Zu diesem Beitrag gibt es eine Reihe von haarsträubenden Antworten, denen bis jetzt nicht widersprochen wurde. Das könnte bei anderen Lesern den Eindruck erwecken, dass sie richtig seien. Besondere Zahnschmerzen hat mit der Beitrag von 1. Axel Rühl bereitet: Hantel?? Quatsch (Ihr kommt auf Ideen ;-)) Du brauchst mehrere Dünne, voneinander isolierte Bleche. wie beim Trafo eben. Ist wohl auch eher kein ganz normales Eisen. Gruß Axelr. Meine Meinung dazu: Schließlich wird der Magnet nicht mit Wechselstrom betrieben, bzw. modulierten Gleichstrom, sondern im eingeschwungenem Zustand mit Gleichstrom, dessen Änderung kaum messbar ist. 2. Robin Tönniges: Die Bleche beim Trafo sind nicht voneinander Isoliert. Meistens an der Seite zusammengeschweißt oder so was. Stimmt, wenn man mit einem Ohm-Meter misst. Für die Wirbelströme in den Blechen ist jedoch schon der Widerstand der Walzhaut der Bleche ausreichend hoch, um die Kernverluste klein zu halten. 3. mäxchen (Gast) Die Bleche im Trafo sind klatgewalzte weissbleche. Diese leiten die Feldlinien in ihrer Walzrichtung besonders gut. Darum sind sie auch viel besser geeignet als irgendein Eisenstück. Meine Meinung dazu: Weissblech ist verzinntes Blech, zum Beispiel Dosenblech.... Ach hättest du nur geschwiegen! 4.Nochmal Axel Rühl: Bei reinem Gleichstrom ist ein voller Eisenkörper sicher ok. Du hast aber ein Wechselanteil in deinem Gleichstrom. Den brauchst Du ja zum regeln. Und dann entstehen Wirbelstromverluste im Eisen. Meine Meinung dazu: Da kann ich der kompetenten Antwort darauf von Jonny Obivan nur zustimmen! Gruß Wolfgang
>Das Magnetfeld ist dem Strom proportional! Du meinst das H-Feld. B(H) ist die bekannte Hysterse, die eine grosse Steigung hat. Was mich interessieren würde ... nachdem Eisen in Sättigung geht, wächst ja B von H linear an. In diesem übersättigten Bereich wollen wir nicht arbeiten, stimmt' es? >Man müsste also eine >Stromregelung einsetzen und nicht die Spannung schalten. Bei >Schrittmotoren wird das gemacht, um die EMK und die Selbstinduktivität >die sich dem Anwachsen des Stromes entgegenstellen, zu „überlisten“. verstehe ich ehrlich gesagt nicht. liegt vielleicht an mir und nicht an der Ausführung. Was mich noch interessieren würde ist, ob ich für die Strecke einfach R und L in Serie annehmen kann .. oder auch die Auswirkung der sich heben Masse mitreinnehmen muss. Schliesslich entnimmt die nach oben gehende Masse die Energie aus dem Feld. Was könnte man da für Differentialgleichungen aufstellen? d{0.5*L*i(t)^2}/dt = -m*g*v(t) + u(t)*i(t) - R*i(t)^2 für die Leistungsbilanz grüsse, daniel
Bei einer laminaren Strömung gilt für eine Kugel:
F = 6*Pi*µ*r*v
µ = 18,2 μPa s für Luft
r = Radius der Kugel
v = Geschwindigkeit = dx(t)/dt
d{0.5*L*i(t)^2}/dt = -m*g*(dx(t)/dt) - 6*PI*µ*r*(dx(t)/dt)² + u(t)*i(t)
- R*i(t)^2
Wer bietet mehr? ^^
ich denke es fehlt noch die Abhängigkeit zwischen v(t) und i(t) um es vollständig zu machen. v ergibt sich ja aufgrund von Kraft und Kraft aufgrund von i das Problem ist nur, dass die Kraft auf die Kugel von x und i abhängt. also formal F(x(t),i(t)) = m*x'' Je tiefer die Kugel, so kleiner die Kraft bei gleichem i ich werd mal bischen drüber nachdenken grüsse, daniel
man könnte ja den Ansatz F(x,i)=a*i/x^2 probieren. nach Bauchgefühl sollte die Kraft quadratisch abfallen^^
@ Daniel, Ich grübel grade wie sich der Feldlinienverlauf auswirkt. Ich glaube nicht das man einfach per se von einem quadratischen Abfall ausgehen kann. Nehmen wir an, wir befinden uns innerhalb der Spule. Dort ist das B-Feld zunächst entlang der Spulenachse konstant und fällt dann dort, wo sich die Feldlinien "auffächern" um sich dann quasi "umzubiegen" und auf der anderen Seite der Spule wieder "zusammengedrückt" zu werden , ab. - jetzt mal ganz blumig ausgedrückt. Man kann das hier nicht wie bei einem Gravitationsfeld sehen, bei dem sich die Wirkung auf einer Kugeloberfläche aufteilt. Es gibt ja tatsächlich Magneten, die ganz nahe am Magneten irre stark sind (da kann man zig Kilos drannhängen) und extrem schnell schwach werden, wenn man sich nur ein bischen entfernt --> Das liegt m.E. am Feldlinienverlauf. Und dann gibts Magneten die in der Nähe auch nicht besonders stark zu sein scheinen, aber deren Wirkung weiter in den Raum hineinreicht.
meine Pulmoll-Dose hängt sicher wie an einem Haken ;-)) (Man möge mir die Unordnung verzeihen) Beide Spulen parallel 700mA bei 30Volt. Gruß Axelr. edit: ist ja kaum zu sehen, meine Unordnung .- ich hab' nichts gesagt
@ Axel, Kirsche schmeckt mir auch besser. Ne im Ernst: Sieht aber gut aus! Ist der zweite Empfänger dazu da eine Kompensation bezügl. Umgebungslicht zu erreichen? Wieviele Windungen haben die Spulen zusammen? Grüße Jonny
Ohne Magnet oder ähnliches ist anscheinend kein niedrigerer Energieverbrauch möglich: 30V 0,7A sind 21W, ähnlich dem der anderen Aufbauten. Nur der Abstand scheint etwas niedriger zu sein, daher auch der kleinere Energieberbrauch. Die Wahl der Spule ist also wirklich ziemlich egal. (Diese scheint jetzt sehr viele Windungen im Vergleich zu z.B. meiner zu haben).
Ich habe die nicht selber gewickelt, zählen ist also eher schlecht ;-( Das Gebilde war mal eine Laugenpumpe von einer Waschmaschine. In der Ausbuchtung unten zwischen den beiden Polhälften lief der Rotor. Das war ein Magnet in Plastik, wo dann die "Schaufel" drann war. Ich kann mal den Gleichstromwiderstand und die Induktivität messen. edit, zu schnell auf SUBMIT gerückt. der zweite Empfänger sollte mal gegenlich kompensieren. Muss ich aber noch dichter drann setzen. War ich zu optimistisch. Abstand ist noch etwas mehr drinn, wird aber "wacklig"
Es liegt bestimmt am Feldlinienverlauf und deren Stärke. Ich schätze mal eine grössere Schnittfläche würde homogenäres Feld darunter erzeugen. Vielleicht würde für die Kraft auch eine Approximation mit Polynomen funktionieren. Je nach verwendetem Magnet, ergeben sich dann andere Koeffizienten für Polynome. Das Problem wird dann sein diese rauszufinden :) Ich werde für meine einfache Approximation mal eine Simulation probieren. grüsse, daniel
also was ich bis jetzt gesehn habe: es soll also eine theoretische Kugel in einem thoretische Magnetfeld theoretisch zum schweben gebracht werden. In theoretisch 100 Jahren wird es ja hoffentlich so weit sein, wenn weiterhin nur über Theorie gequatscht wird. Bis jetzt scheint ja noch nicht einmal ein E-Magnet real zu existieren. Pack es an, sonst wird es nix und frage die Leute bei denen es funktioniert!
Der Gleichstromwiderstand beträgt 47 Ohm und die Induktivität ist 400mHenry. Die Pulmoll Dose ist, nebenbei bemerkt, mit 3x R6 Akkus "beschwert". Die Schaltung ist oben genannte, eingescannte Schaltung: http://www.mikrocontroller.net/attachment/preview/36053.jpg BCW40 als Fototransistor, SC238(BC548), SF828D(bC639) und SD349(BD239) in der Endstufe auf einem kleinen ALU Winkel. Der Strom regelt sich auf ca 550-600mA ein, überm Endstufentransistor fallen gut 3Volt im eingeregelteten Zustand ab. Wird alles seeehr warm... Leider lässt die Originaldimensionierung keine große Regelung zu. dreht man den Regler nur ein kleines Stück, wird bereits so viel Magnetkraft der Regelung überlagert, das die Dose sicher nach oben gezogen wird. Wählt man den Abstand der Lichtschranke großzügiger, fängt die (noch unbeschwerte) Dose an auf-und ab zutanzen. Ich werde den 680K mal gegen einen 2M2 tauschen. den 3K3 habe ich schon auf 18K gestzt, den 2u2 auf 680n herabgesetzt. Im Original hat die Spule ja auch nur 15Ohm, entsprechend sind höhere Ströme für die Treiberleistung erforderlich. Der BE-Widerstand 56 Ohm ist bei mir ein 470 Ohm. Man kann über die Betriebsspannung einiges erreichen. Aber das soll ja eigentlich nicht sein... Lichtempfindlich ist es auch noch sehr. man bekommt mit Blitzlicht reproduzierbare, spektakuläre Abstände hin ;-)) Man muss nur die Lichtschranke mit dem Blitz treffen. Hier habe ich die Unordnung nun aber doch etwas kaschiert ;-)
Bitte melde dich an um einen Beitrag zu schreiben. Anmeldung ist kostenlos und dauert nur eine Minute.
Bestehender Account
Schon ein Account bei Google/GoogleMail? Keine Anmeldung erforderlich!
Mit Google-Account einloggen
Mit Google-Account einloggen
Noch kein Account? Hier anmelden.
















