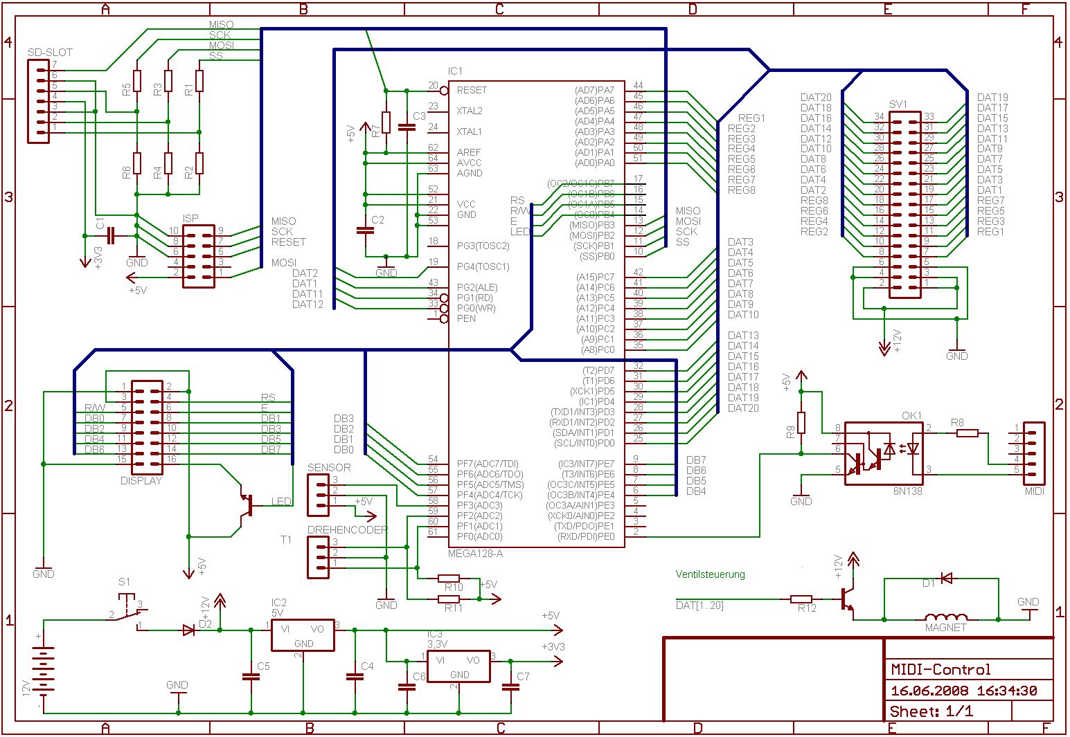
Hallo Leute! Also ich hab letztes Wochenende mal einen Schaltplan gezeichnet (ist mein allererster - also bitte nich' hauen!! ;) Zum Projekt: Das Ganze soll eine Midi-gestützte Steuerung für eine Drehorgel werden. Das heißt die Midi-Dateien werden von einer Speicherkarte gelesen und es sollen 20 Zugmagneten für Ventile und nochmal 8 für die Register (An/Aus) gesteuert werden. Zur Bedienung soll ein Drehencoder dran. Außerdem ist noch ein Sensor dran, der die Drehgeschwindigkeit der Orgel erkennen soll (wie das genau funktionieren soll weiß ich noch nicht - Lichtschranke, Reedkontakt oder sowas...) Und schließlich gibts noch einen Midiport zum "fernsteuern". Jedenfalls wollte ich mal fragen - falls jemand ein paar Minuten hat - ob da so im groben Überblick irgendwas total falsch ist, oder ob das so funktionieren könnte. Der ERC von Eagle gibt zwei Fehler mit nicht angeschlossenen Input Pins an und beschwert sich das VCC mit +5V und GND1 mit GND verbunden ist. Und ja - da ist einiges vom Mr.Midi abgekupfert. Na vielleicht hat ja jemand einen Tipp für mich... Vielen Dank schon mal! Viele Grüße, Cr@zy
Ein dicker Fehler ist schon mal der Anschluss des ISP-Steckers am Mega128 (die altbekannte, sogenannte "Mega128-ISP-Anfänger-Falle";-). Die Signale kommen nicht an MOSI und MISO (PB2/PB3), sondern an PDI und PDO (PE0/PE1). Außerdem fehlen da überall Abblockkondensatoren an den Versorgungsspannungsanschlüssen (hier ganz besonders wichtig, weil induktive Lasten geschaltet werden!). Merke: An jeden VCC-Anschluss einen ca. 100 nF-VS-Kondensator *möglichst nah am Pin* Außerdem ist AREF nicht mit VCC zu verbinden. Wenn eine der intern auswählbaren Referenzspannungsquellen (inklusive (A)VCC, das ebenfalls intern wählbar ist!) verwendet werden soll, dann kommt da außer einem kleinen Keramikkondensator (ca. 100 nF) gegen Masse nix dran. AREF ist nur dann anders zu beschalten, wenn eine externe Referenzspannungsquelle verwendet wird.
Die Ansteuerung des Transistors ohne Namen unten rechts in der Ecke (bei R12) wird so bestimmt nicht gehen! Das ist ein Misch aus Kollektor und Emitterschaltung.
Was sind das für Spannungsregler links unten? Speziell der 3,3V-Regler sollte ein LDO-Typ sein, ein Standardtyp (78irgendwas) dürfte mit 1,7 V U_D überfordert sein.
Ja danke erstmal für Eure Kritik!!! Bei dem ISP bin ich wohl wirklich in die Anfängerfalle getappt... Darf ich auch noch... ;) (Das selbe gilt wohl für den Aref...) Mit den Abblockkondensatoren meinst Du solche wie den C2 nur eben an jedem Pin extra, oder? Beim namenlosen Transistor muss dann die Spule sozusagen auf die andere Seite, oder muss das ganz anders aussehen? :-/ Die Spannungsversorgung hab ich aus der Mr.Midi Schaltung übernommen da wird für 5V der LM340 (falls ich den überhaupt bekomme...) und für den 3,3V ein LT1086 vorgeschlagen. Ich hab halt statt 9V eine 12V Batterie... Viele Grüße, Cr@zy
Raphael Dives wrote: > Bei dem ISP bin ich wohl wirklich in die Anfängerfalle getappt... Darf > ich auch noch... ;) (Das selbe gilt wohl für den Aref...) > Mit den Abblockkondensatoren meinst Du solche wie den C2 nur eben an > jedem Pin extra, oder? Ja. > Beim namenlosen Transistor muss dann die Spule sozusagen auf die andere > Seite, oder muss das ganz anders aussehen? :-/ z.B. http://www.elektronik-kompendium.de/sites/slt/0204302.htm > Die Spannungsversorgung hab ich aus der Mr.Midi Schaltung übernommen da > wird für 5V der LM340 (falls ich den überhaupt bekomme...) und für den > 3,3V ein LT1086 vorgeschlagen. Das ist glaub ich ein LDO. Müsste dann also gehen.
Bevor mich jemand lyncht, ich weiß alter Thread und so... Aber ich stolpere hier 16(!) Jahre später wieder drüber und stelle fest, dass das Ende des Threads etwas unbefriedigend war. (Wie doch die Zeit vergeht...) Also, habe damals zwei Platinen erstellt (sogar per Hand belichtet und geätzt). Eine zur Steuerung als MIDI Player mit MIDI Ausgang und eine zweite als "Endstufe" mit MIDI Eingang, einem kleineren Atmega und Schieberegister mit Darlington Transistor Arrays für die Magnetventile. Habe das Ganze in Sprint Layout geroutet... glaube ich. ;) Long story short - das Projekt hatte tatsächlich ein Happyend und spielt bis heute in meiner selbstgebauten Höffle Orgel. Software ist inzwischen eine neuere Version und die Stromversorgung habe ich dieses Jahr auf Lithium Akku umgebaut. Fall es jemanden interessiert, im Anhang drei Bilder dazu. :) Viele Grüße Raphael
Raphael D. schrieb: > Habe das Ganze in Sprint Layout geroutet... glaube ich. ;) Der Schaltplan schaut für mich eher nach EAGLE aus.
Marc X. schrieb: > Raphael D. schrieb: >> Habe das Ganze in Sprint Layout geroutet... glaube ich. ;) > > Der Schaltplan schaut für mich eher nach EAGLE aus. Der Schaltplan wird auch Eagle sein. Der TE bezog sich da wohl auf die Platine, welche er mit Sprint entwarf.
Bitte melde dich an um einen Beitrag zu schreiben. Anmeldung ist kostenlos und dauert nur eine Minute.
Bestehender Account
Schon ein Account bei Google/GoogleMail? Keine Anmeldung erforderlich!
Mit Google-Account einloggen
Mit Google-Account einloggen
Noch kein Account? Hier anmelden.



