Hallo zusammen, ich habe ein Problem mit einer Schnittstellenkarte. Diese verkraftet leider nur TTL Pegel(0V-5V). Ich habe allerdings auch Signale die höher sind. Daher bräuchte ich eine Schaltung die ab einer bestimmten Spannung(3V) mir 5V liefert andernfalls 0V. Da habe ich an eine Transistorschaltung gedacht. Der Transistor soll also bei größer 3V, 5V durchschalten anderfalls 0V bringen. Jetzt bin ich nicht der Transistorprofi und weiss auch nicht genau wie man diesen für diese Anwendung beschaltet. Kann mir damit jemand helfen. Grüße Tom
Wie hohch ist den die höchste Spannung bzw. mit was Schaltest du die Schnittstellenkarte max Strom währe für die Transistor und Widerstandsgröse noch interesant
Die höchste Spannung ist ca. 10V. Ich nehme mit der Schnittstellenkarte Messsignale auf. Der Strom der fliesst ist nicht sehr groß.(ca.200mA)
Kann man sowas auch mit einer Komparatorschaltung an einem OP machen? Ich hab mal ein Bild angehängt. Die Versorgungsspannung ist 5V und 0V
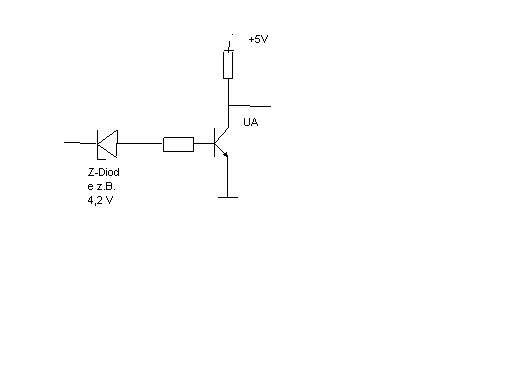
Hi, anbei mal eine kleine Tansistorschaltung. So muesste es eigentlich funktionieren Mfg Dirk
Vielen Dank schon einmal Dirk, d.h. also dass die Zenerdiode erst ab 4,2 Volt durchschaltet und dadurch dann auch der Transistor. Ist das richtig was ich da sage?
mit diser Schaltung ist es möglich den schaltpunkt zu bestimmen und da es ein Chip mit C-MOS technologie ist, braucht er fast nichts für sich. R1 und R2 sollten im Bereich von 10K liegen.
Ist die Transistorschaltung nicht invertierend? Wenn der durchschaltet ist mein Ausgangspegel duch null, weil die 5V komplett ueber dem Kollektorwiderstand abfallen. Tim
... aber man kann die Spannung ja auch einfach uebe dem Widerstand abgreifen, und nicht gegen Masse. Sollte dann aber etwas mehr als 5V nehmen.
HallO Männer! Wie wäre es mit einem einfachen Spannungsteiler mit nur 2 Widerständen? MfG Paul
Hi, du siehst es richtig ... die Zenerdiode bricht erst bei 4,2 V durch und somit kann erst der Transistor durchschalten .... norml wuerde der Transistor schon ab 0,7 V leitend. Mfg Dirk
Ich habe noch eine Frage zu der Schaltung von Stefan. Ich habe das einmal ausprobiert. Ich habe zwei Potis mit 500 Ohm genommen, größer hatte ich leider keine da. Das klappt auch wunderbar, es schaltet bei 3V. Aber wenn die Spannung unter 0.8V fällt schaltet der Ausgang auch auf high. Woran kann denn das liegen. Ich habe einen TL074 OP verwendet. Grüße Tom
Moin, also für alle die es interessiert. Ich konnte mein Problem leider nicht mit dem OP lösen da wie gesagt unter 0.8V der auch auf high geht. Ich habe mich dann für die Variante mit dem Transistor entschieden und siehe da es funzt. Also Spannungsteiler an der Basis(jeweils 20k), am Collector 5k und darüber abgegriffen. Versorgungsspannung 5V und den Emitter nach GND. Ich habe einen npn Transistor genommen(BF199) und nun steuert bei ca.2V der Transistor voll durch. Vielen Dank an alle die mir geholfen haben. Grüße Tom
Es ist aber schon klar, dass man den opamp auch mit min. 10V versorgen muss, wenn das Eingangssignal bis 10V geht. Also entweder mit 5V versorgen und einen Spannungsteiler am Eingang, oder mit 10V versorgen und Spannungsteiler am Ausgang. Man könnte aber den opamp ganz weglassen und nur einen Spannungsteiler verwenden (wie schon richtig geschrieben), wenn die Signalflanken des Eingangssignals ausreichen.
Ich dachte eigentlich ich hatte mein Problem schon gelöst, allerdings habe ich gemerkt, dass ich die Spannung gegen Masse brauche. Bei meiner Beschaltung habe ich da ja ein invertierendes Verhalten und das wollte ich nicht. Und mein Last muss ich gegen Masse schalten. Kann mir da nochmal jemand weiterhelfen. Grüße Tom
Hallo Tom, einen zweiten Tansistor dahinterschalten. Die Basis über eine 4k7 Widerstand an den Collektor des ersten Transistors, den Collektor auch mit 4k7 an +5V und am Collektor ist der Ausgang wie vorher beim ersten Transistor. Gruß, Arno
Was stört Dich denn an der Idee mit dem Spannungsteiler? Ist die billigste Variante!
Die Idee ist gut, wenn es immer 10V wären. Wenn ich es richtig verstanden habe ist das aber wohl nicht immer der Fall und die Spannung schwankt bis maximal 10V. Gruß, Arno
nim doch einen Optokoppler: Wenn ein Anwender einmal sagen darf: "Da sind Optokoppler drin", dann schwebt er im 7.Himmel. Hört sich auch in jeder Anleitung gut an.
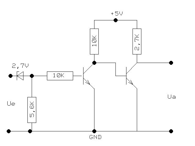
Conlost hat es richtig erkannt. Ich habe Schwankungen von 2,5V bis 10V. Und damit kann ich mir keinen Spannungsteiler vorstellen, wie das funzen würde. Ich bin noch am verzweifeln, ich habe in der Zwischenzeit einmal folgende Schaltung gebaut(s. Anhang). Das ganze geht auch wenn ich 10V Versorgung am Transistor liegen habe aber wenn ich gleicht Schaltung aufbaue mit 5V Versorgung geht es nicht. Das Signal bekomme ich dann invertiert. Kann mir das auch jemand erklären ich flippe noch aus. LG Tom
Logisch das das nicht geht. Der Sperrwiderstand (wenn man das überhaupt so nennen kann) des Transistors wird niemals in den Bereich des Megaohms kommen. D.h., dass der Strom zum größten Teil über den Transistor abfließen wird, egal ob er gesperrt ist oder nicht. Das es mit 10V funktioniert wundert mich aber, offensichtlich ist die Messkarte sehr empfindlich. Welchen Transistortyp verwendest Du?
Ich verwende einen BF199. Ich bin nicht so der Profi was Transistorschaltungen angeht also habe ich das ganze halt mit den Widerständen die ich hatte ausprobiert und warum das ganze bei 10V ging kann ich auch nicht sagen. Gibt es nicht eine Software mit der man das ganze berechnen kann?
Bitte melde dich an um einen Beitrag zu schreiben. Anmeldung ist kostenlos und dauert nur eine Minute.
Bestehender Account
Schon ein Account bei Google/GoogleMail? Keine Anmeldung erforderlich!
Mit Google-Account einloggen
Mit Google-Account einloggen
Noch kein Account? Hier anmelden.




