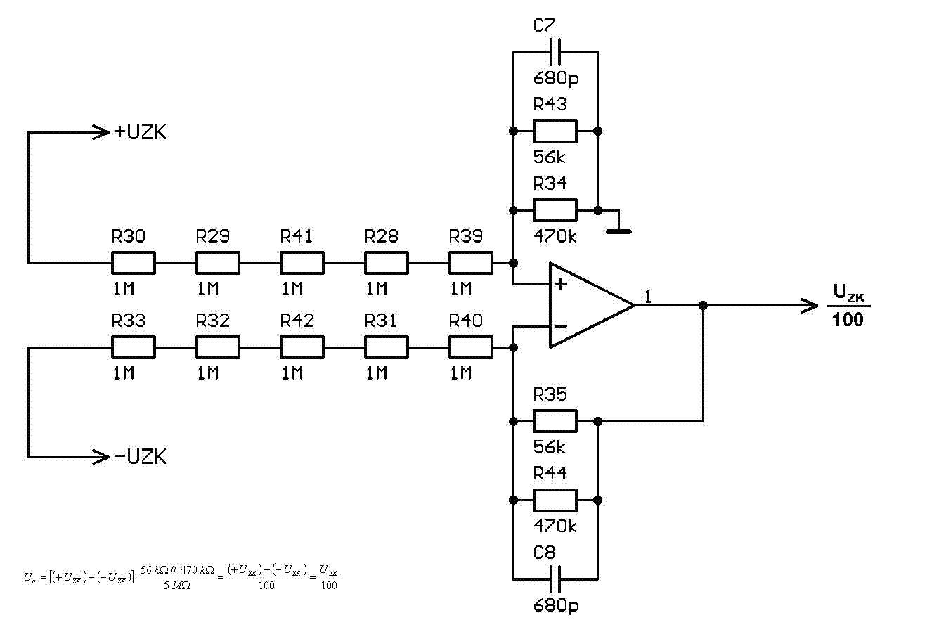
Hallo, bin gerade dabei einen Umrichter aufzubauen. Um die Zwischenkreisspannung zu messen, hab ich mir folgende Schlatung erstellt. Der Eingang des Differenzverstärkers liegt an der Zwischenkreisspannung an (sowohl im einphasigen sowie dreiphasigen Betrieb). Die Schaltung sollte mit diesen Werten so dimensioniert sein, dass ich am Ausgang des Verstärkers Uzk/100 herausbekomme da dieses Signal weiterbenutzt wird. Ich hoffe ich habe mich hierbei nicht vertan. Hab die Rechnung mit in den Schlatplan eingefügt, falls euch ein Fehler auffällt wäre ich euch dankbar. Nun meine Frage: Was für einen OP (Als Differnzverstärker) sollte ich verwenden? Ich hoffe ihr könnt mir weiterhelfen. Mfg, und schon mal Danke
Da kannst du fast jeden OP für nehmen. Frequenzumrichter die ich kenne haben an der Stelle TL08x , OPA2340 Gruss Helmi
Bitte melde dich an um einen Beitrag zu schreiben. Anmeldung ist kostenlos und dauert nur eine Minute.
Bestehender Account
Schon ein Account bei Google/GoogleMail? Keine Anmeldung erforderlich!
Mit Google-Account einloggen
Mit Google-Account einloggen
Noch kein Account? Hier anmelden.
