Hallo! Habe schon einen Quarztaktgeber mit folgenden Ausgängen. 0,25 Hz 0,5 Hz 1 Hz 2 Hz 4 Hz 8 Hz 16 Hz Dazu suche ich eine Zählerschaltung, die jeweils bei 60 Sekunden eins weiterschaltet. Oder halt passend zu einer der anderen Frequenzen. So daß ich Minuten einstellen kann, bis zum Abschalten bzw. Danke H.D.T.
Wer es denn unbedingt klassisch mag, und nicht af einem Mikrocontroller oder CPLD programmieren möchte, kann hier ein paar CD4017 kaskadieren.
soll ein display dran? wenn ja welches?(led 7segm, lcd, dot matrix?) sollen sekunden angezeigt werden? soll die zeit relativ oder absolut angegeben werden? soll eine uhrzeit vorhanden sein? was soll geschaltet werden welche lasten? welche spannungen existieren? in welcher technik (smd,hmd) welcher bauteile sollen verwendet werden? geht auch ein controller? wenn ja welcher? was genau ist vorhanden? wie tiefgehend soll die einstellmöglichkeit sein.(taster für min std etc, oder menu) soll es nur einen schaltkanal, zeitpunkt geben...? so ich hör mal auf, denn es lohnt sich allen anschein nach ja eh nicht:-) "ich will 70v erzeugen, wie mach ich das?" eine spannungsquelle habe ich schon hier.... w.
Schaltuhren (in digital) gibts beim Baumarkt (MAx Bahr z.B.) für 5 EUR in der Wühlkiste
Bruno Franke wrote: > Dazu suche ich eine Zählerschaltung, die jeweils bei 60 Sekunden eins > weiterschaltet. Oder halt passend zu einer der anderen Frequenzen. So > daß ich Minuten einstellen kann, bis zum Abschalten bzw. Hört sich so nach ersten Gehversuchen in der Digitalwelt an. Ich finde, du solltest erstmal mit etwas Kleinerem anfangen. So eine Displayansteuerung und Tastaturabfrage mit dem uC sind wenig geeignet, für solche Einsteigerprojekte. Mal ganz zu schweigen von einem Frequenzzähler. Das kann schon recht komplex werden und braucht etwas Erfahnung. Ich kann mir nicht vorstellen, daß du eine fertigen Schaltplan für dein Vorhaben finden wirst. Komplette CountDown-schaltungen solte es jedoch zu Hauf geben.
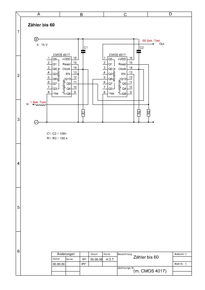
Laßt den verbalen Kleinkrieg, nicht jeder, der einfache Fragen stellt, ist ein Idiot den man besser zum Baumarkt schickt. Die Überschrift "Schaltuhr bauen" läßt wohl zugegeben falsche Vermutungen aufkommen. Es steht aber doch da, daß ich "eine Zählerschaltung" suche und nicht eine sonstige Anleitung "für alles drumherum". Also kein Display und nichts weiter. Nur eine Information, wie ich mit möglichst einem IC bis 60 zählen und dann eins weiterschalten kann. Alles andere laßt meine Sorge sein. Ein Microcontroller kommt nicht in Frage, dafür gibt es auch handfeste Gründe. Ich hab die Frage auch nur hier gestellt, weil es hier auch Experten für Digitalbausteine geben wird. Das Forum heißt ja auch "Microcontroller und Elektronik". Die Lösung mit dem CD4017 kenne ich. Der 1. zählt jeweils bis 10 und der 2.kaskadierte bis 6. Vielleicht gibt es ja einen Zähler-IC, der bis 60 und ein Vielfaches davon zählen kann.
>Ein Microcontroller kommt nicht in Frage, dafür gibt es auch handfeste >Gründe. warum nicht? billiger, einfacher und flexibler wirds wohl nicht gehen!
Ich habe eine Elektronik-Webseite mit Bastelvorschlägen für Laienbastler. (werd den Teufel tun und den Link hier nennen) Dieser Timer ist ein immer wieder gefragtes Objekt. Da kannst Du den Bastlern nicht mit Microcontrollern kommen. Das ist eine gänzlich andere Sparte. Würde es um Serienherstellung gehen, käme nur ein Microcontroller in Frage, das ist klar.
Hi der 4017 ist eigentlich schon der Spezialfall eines Zählers mit dekodierten Ausgängen. Zu TTL-Zeiten wurden für solche Fälle Schaltkreise wie 74xx90/93/190...193 verwendet. Das sind 4Bit dezimal-/binärzaäler. Die haben aber alle binär codierte Ausgänge. Aus heutiger Sicht würde ich einen 74xx390 nehmen (2 Dezimalzähler). Einen als Dezimalzähler und mit dessen Übertrag oder Bit4 den zweiten getaktet. Der zweite muss mit ein paar Gattern beschaltet werden, die bei einem Zählerstand von 6 einen Resetimpuls für die Zähler erzeugen. Dieser Reset-Impuls ist gleichzeitig der Takt für nachfolgende Zählerstufen. MfG Spess
Bruno Franke wrote: > Ein Microcontroller kommt nicht in Frage, dafür gibt es auch handfeste > Gründe. Wäre schön gewesen, das gleich von anfang an zu erfahren. > Die Lösung mit dem CD4017 kenne ich. Der 1. zählt jeweils bis 10 und der > 2.kaskadierte bis 6. Vielleicht gibt es ja einen Zähler-IC, der bis 60 > und ein Vielfaches davon zählen kann. Wenn dann, würde ich gleich einen 8-Bit Zähler (z.B. 74LS590) nehmen und den binären Zustand 60dez (111100b) mit einfachen Und-Gattern auscodieren. Es könnte sein, daß 8Bit-Zähler nicht ganz zu einfach zubeschaffen sind. Alternativ könnte man auch einfach zwei 4-Bitzähler kaskadieren. Diese simple Aufgabe könnte aber auch ein einziger kleiner attiny übernhemen; das wäre wesendlich flexibler....
wenn es sich im Rahmen hällt (Menge), würde ich Dir gegen Erstattung der Portokosten eine Hand voll Tinys kostenlos programmieren! Diese kannst Du dann ja auf deiner Webseite verteilen. So ein Tiny kostet momentan bei Reichelt <1 Euro. Gruß Carsten
Hi >Diese simple Aufgabe könnte aber auch ein einziger kleiner attiny >übernhemen; das wäre wesendlich flexibler.... Hier wird immer wieder vergessen, daß es immer noch eine Welt ausserhalb von µCs gibt. Etwas Beschäftigung damit wurde hier manchen gut tun. Würde manche überflüssige Frage vermeiden. MfG Spess
Leider ist 60 nicht als 2 hoch n darstellbar (vorausgesetzt, daß n eine ganze Zahl ist). Ansonsten könnte man einen vielstufigen Binärzähler (CD4040) verwenden. 60 sind binär 111100. Man könnte also die Ausgänge des Zählers in folgender Weise verknüpfen: RESET=/Q0&/Q1&Q2&Q3&Q4&Q5. Dann hätte man einen Zähler bis 60. Allerdings braucht man dazu natürlich zusätzliche Gatter. Vielleicht findet jemand ja einen Weg, das mit 4 NAND-Gattern zu lösen. Dann hätte man eine 2-Chip-Lösung, genauso wie mit 2x CD1017, nur geringfügig billiger und vielleicht etwas eleganter.
Eine Idee mit nur einem IC habe ich auch nicht, dafür aber eine mit 2 ICs. Einmal ein Binärzähler wie z. B. der 4040, danach ein 8 Bit Magnitude Komparator wie HC682 oder so. Da gibst auf der einen Seite den Zählerstand drauf, die andere Seite wird in Hardware (verlötet) eine 60 eingestellt. Wenn der Zähler 60 erreicht hat, kippt ein Ausgang. MW
Hi
>Es lebe die Zeit der TTL-Bretter.
Immer noch besser als µC-Idioten.
MfG Spess
spess53 wrote: > Hier wird immer wieder vergessen, daß es immer noch eine Welt ausserhalb > von µCs gibt. Etwas Beschäftigung damit wurde hier manchen gut tun. > Würde manche überflüssige Frage vermeiden. Und was willst du dann von mir? Wie ich es in TTL-Logic lösen würde, habe ich bereits beschrieben. Ich halte es nur für absolut unsinnig. Jeder halbwegs studierte Hobbyelektroniker hat einen Prommer zu Hause.
Vielleicht läßt sich ja der SAB0529G verwenden, den man zur Zeit bei der bekannten Onlineauktion mit den 4 Buchstaben erwerben kann. Datenblatt z.B. hier: http://pdf1.alldatasheet.com/datasheet-pdf/view/87233/SIEMENS/SAB0529G.html Ist zwar eigentlich für 50 Hz vorgesehen, wird aber auch mit weniger laufen, wenn man sich das richtige Teilerverhältnis berechnet.
Hi Das war genau so allgemein gemeint, wie 'TTL-Bretter'. Also keinesfalls persönlich. Es sei denn, jemand zieht sich die Jacke an. Das ist aber dann nicht mein Problem. Über Kommentare wie 'Kauf dir ne Eieruhr.' hat sich hier keiner so richtig aufgeregt. MfG Spess
Vielleicht hat ja jemand noch DDR-Restposten E351, der kann in einem Chip /60 teilen: http://www.sn.schule.de/~gyfloeha/rt/lex04/e351.html Peter
Ach so, das erwähnte ich nicht... Die Schaltungen meiner Bastelwebseit müssen allesamt mit gängigen ICs von Conrad, Reichelt etc. machbar sein, sonst funktiniert es auf Dauer nicht, mit dem Nachbauen. Danke schon mal für alle Anregungen.
Dann ist wahrscheinlich die Lösung von MW vorzuziehen. Reichelt hat einen LS682 (80 Cent), der unter Umständen als Ersatz für den HC682 herhalten kann. Vielleicht reicht der Ausgangsstrom eines 4040 sogar dafür. Das wäre dann eine Lösung mit gut verfügbaren Bauteilen.
spess53 wrote: > Über Kommentare wie 'Kauf dir ne Eieruhr.' hat sich hier keiner so > richtig aufgeregt. heheh...uns Falk halt. Da lach' ich drüber. Meiner Sichtweise nach hat er sich durch seine vorwiegend kompetenten Beiträge eine Art Narrenfreiheit "erkauft".
Update: Habe gerade nachgesehen, müßte gehen (bei 5V Betriebsspannung): 4040 kann bis zu 2 LSTTL-Eingänge treiben (siehe Datenblatt Fairchild).
Michael Wilhelm wrote: > Sorry, mein Fehler. Dann konsequent den 74HC4040 nehmen. Du meinst doch nicht etwa den: http://de.wikipedia.org/wiki/Intel_4040 X-)
Schau Dir mal den SN7497 an! Mit dem sollte das mit einem Chip gehen! (aber teuer) Carsten
>Du meinst doch nicht etwa den: >http://de.wikipedia.org/wiki/Intel_4040 Der kann es natürlich auch. MW
Paul Baumann wrote: > Nimm diesen. Man kommt mit 2 Schalt-Greisen aus. ;-) > > MfG Paul Hihi, erinnert mich an meine Basteleien von vor 25 Jahren mit dem D192 bzw. D193. Da hatte ich auch mal eine Quarzuhr gebaut, mit diesen Zählern. Dahinter dann die 7-Segmentdecoder (D147?). Würde ich aber heute nicht mehr so machen. Das Forum heißt ja schließlich mikrocontroller.net und nicht TTL-Schaltungen.net oder so.... Sven PS: Ich würde aber behaupten, dass aus der Schaltung 1/70 der Eingangsfrequenz kommt. Oder?
> Das Forum heißt ja schließlich mikrocontroller.net und nicht TTL->Schaltungen.net oder so.... Der Fragesteller hat es nicht mit einem MC machen wollen. >PS: Ich würde aber behaupten, dass aus der Schaltung 1/70 der >Eingangsfrequenz kommt. Oder? Ich nicht. ;-) Der obere 192 gibt nach jedem 10. Impuls einen Übertrag aus. Der untere zählt die Überträge. Wenn dort der Zählerstand 7 kommen will, wird er dreist auf Null zurückgesetzt. MfG Paul
"Divide-by-”N” Counter" auf Seite 8/13 des bei Reichelt erhältlichen Datenblattes. Als "N" binär 60 einstellen.
Paul Baumann wrote: > > Ich nicht. ;-) > Der obere 192 gibt nach jedem 10. Impuls einen Übertrag aus. Der untere > zählt die Überträge. Wenn dort der Zählerstand 7 kommen will, wird er > dreist auf Null zurückgesetzt. > > MfG Paul Aber dann hat doch die Gesamtkonstruktion bereits bis 69 gezählt, wie soll denn da 1/60 entstehen? Ich würde ja eher behaupten, dass der untere IC bei 6 resetet werden muss. Dann zählt das Ding von 0 bis 59 und wird bei 60 auf Null gestellt. Ich würde also mal behaupten, dass die Diode an QA weggelassen werden muss, damit der IC bei 6 auf Null geht und nicht erst bei 7. Sven
Ich habe keine Lust, mich herumzuzanken. Bau die Schaltung auf und behaupte dann das, was Du messen kannst. MfG Paul
Sven, die 3 Counter-Ausgänge vom unterer Zähler müssen an den Dioden alle HIGH werden, um den RESET auch HIGH werden zu lassen. Qc hat Wichtung decimal 4 Qb hat Wichtung decimal 2 Erst wenn Qa kommt (bei: (4+2)+1=61), wird auf Null gesetzt.
Auch ich habe keine Lust mich herumzustreiten. Auch möchte ich nicht irgendwie besserwisserisch wirken oder so. Ich habe lediglich versucht deine Schaltung logisch nachzuvollziehen. Und auch wenn ich da noch so lange auf den Schaltplan schaue, ergibt "meine" Logik, dass die Schaltung bis 69 zählt um dann wieder bei 0 anzufangen. Ich würde dir auch gern meine Gedanken noch kurz erläutern: Ausgangszustand: Beide IC sind auf 0 Nun kommen Impulse in den oberen IC, bis er von 9 auf 0 wechselt und einen Übertragsimpuls generiert. Dieser kommt auf den zweiten IC. Soweit gehst du ja sicher mit. Der zweite IC zieht über mindestens eine der drei Leitungen (QA..QC) den Kondensator gegen Masse, so das der CLR Eingang nicht aktiviert wird. Sobald an den Ausgängen eine 7 (QA-QC=High) anliegt, kann sich der Kondensator aufladen, am CLR Eingang liegt High und der zweite IC wird resettet. An den Ausgängen liegt nun wieder 0 an. Da die Umschaltung von 6 auf 7 aber erst erfolgt, wenn der erste IC von 9 auf 0 zählt, sollte die Schaltung nach meiner Auffassung bis 69 zählen und dann auf 00 schalten. Wie gesagt, mir liegt es fern mich hier herumzustreiten, zumal diese Logigschaltungen inzwischen ca. 25 Jahre her sind, wo ich so etwas mal gebaut habe. Aber trotzdem versuche ich die Logik noch zu begreifen. Eventuell habe ich ja einen Denkfehler, dann wäre es nett, wenn du mir sagst, an welcher Stelle ich falsch liege. Und dann könne wir beide beruhigt ins Bett gehen ;-) Gruß Sven
Doch nicht! Der untere Zähler darf nur 5 erreichen, mit der kommen-wollenden 6 gehts auf Null zurück, die 6 sieht niemand. 6 heißt, daß Qc=HIGH und Qb will HIGH werden, Qa wird nicht für RESET gebraucht.
Nur beim ersten schnellen Blick war es klärchen, länger verweilt aber nicht. Wäre noch im DB zu schauen, ob der Übertrag CC überhaupt rauskommt, sieht nicht so aus.
So, ich habe eben nochmal den Schaltplan meiner u(h)r-alten Uhr aus dem Keller geangelt. ;-) Es werden nur QB und QC ausgewertet und somit wird von 0 bis 5 gezählt, was ja dann wieder 6 Schritte ergibt. Asche auf mein Haupt. So, ich führe jetzt bei mir selbst einen Reset aus und fahre meinen Takt langsam herunter. ;-)) MfG Paul
Hi Der Vollständigkeit halber: Eigentlich müssten noch die negierten Ausgänge Qa und Qd einbezogen werden. Da aber der Zustand Qb=H und Qc=H zum ersten mal bei 6 auftritt geht die vereinfacht Variante. MfG Spess
@Wolf
>Darf ich etwas von Deiner Asche haben?
Zu spät; ich habe sie gerade beim Duschen entfernt. ;-)
@Spess53
Ja, das konnte ich mir deswegen ersparen. Aber die Variante mit den
Dioden
ist immer noch besser, als noch ein paar Gatter mehr zu brauchen.
MfG Paul
Hi
>Ein CARRY kommt aber nicht vor Vollendung aller Stufen.
Muss auch nicht. Das wird von der Diodenlogik übernommen. Der erzeugte
Resetimpuls ist gleichzeitig der Takt für nachfolgende Stufen.
MfG Spess
Na ein Glück. Und ich dachte schon mein Gehirn wird langsam madig. Scheint aber noch zu funktionieren, trotz seiner 44 Jahre ;-) Sven
Sebastian wrote: > "Divide-by-”N” Counter" auf Seite 8/13 des bei Reichelt erhältlichen > Datenblattes. Als "N" binär 60 einstellen. Wäre binär 60 an J0 - J5 so richtig eingestellt? binär 60 = 111100 J0 = 0 J1 = 0 J2 = 1 J3 = 1 J4 = 1 J5 = 1 J6 = 0 J7 = 0 Hab mir gedacht, J6 u. J7 setzt man dann noch auf 0. (?)
Wegstaben Verbuchsler wrote: > Schaltuhren (in digital) gibts beim Baumarkt (MAx Bahr z.B.) für 5 EUR > in der Wühlkiste bauhaus für 3,99 mit display!!!
@ Bruno Franke (hdt) >Wäre binär 60 an J0 - J5 so richtig eingestellt? binär 60 = 111100 Das ist richtig. Aber zum teilen durch 60 musst du 59 einstellen, den das Teil zählt rückwärts von 59..0 = 60 Takte. ;-) Also 59 = 0b00111011 >Hab mir gedacht, J6 u. J7 setzt man dann noch auf 0. (?) Muss man. CMOS-Eingänge dürfen nicht offen bleiben. MFG Falk
Frank B. wrote: > Wegstaben Verbuchsler wrote: >> Schaltuhren (in digital) gibts beim Baumarkt (MAx Bahr z.B.) für 5 EUR >> in der Wühlkiste > > > bauhaus für 3,99 mit display!!! Ihr macht einen echt Neugierig: Kennt ihr eigentlich den Unterschied zwischen einer Schalduhr und einem Countdown-Zähler?
Falk Brunner wrote: > @ Bruno Franke (hdt) > >>Wäre binär 60 an J0 - J5 so richtig eingestellt? > > binär 60 = 111100 > > Das ist richtig. Aber zum teilen durch 60 musst du 59 einstellen, den > das Teil zählt rückwärts von 59..0 = 60 Takte. ;-) > > Also 59 = 0b00111011 > >>Hab mir gedacht, J6 u. J7 setzt man dann noch auf 0. (?) > > Muss man. CMOS-Eingänge dürfen nicht offen bleiben. > > MFG > Falk ----------------- OK, dann so, wie auf jetzt auf der Zeichnung. Den CMOS 40103 bzw. den 8-bit Binär-Code hab ich kapiert. Aber den CMOS 40102 verstehe ich noch nicht. Hab zwar im Datenblatt gelesen, daß der zwei kaskadierte 4-bit BCD-Counter hat, die bis 100 zählen. Sind die Eingänge bei dem geteilt in J0 - J3 u. J4 - J7?
Danke! Schaust Du mal, was ich noch zu dem anderen (CMOS 40102) auf dem gleichen Datenblatt schrieb? ---"Aber den CMOS 40102 verstehe ich noch nicht. Hab zwar im Datenblatt gelesen, daß der zwei kaskadierte 4-bit BCD-Counter hat, die bis 100 zählen. Sind die Eingänge bei dem geteilt in J0 - J3 u. J4 - J7?"---
@Bruno Franke (hdt) >Schaust Du mal, was ich noch zu dem anderen (CMOS 40102) auf dem >gleichen Datenblatt schrieb? Das ist die BCD-Version vom 40103. Dort kann man nur max. durch 100 teilen, weil jeweils die Nibble J0--J3 und J4..J7 BCD kodiert sind. Hat den Vorteil, dass man dort mit BCD Kodierschalter direkt die Zahlen einstellen kann, wenn es denn variabel sein sollte. MFg Falk
Meinst Du damit, daß man einfach 10-stellige BCD-codierte Drehschalter nehmen kann (je einen an J0 - J3 und einen an J4 - J7) und dann dort an dem einen für die Zehner 5 und dem anderen für die Einer 9 einstellt und der Zähler dann auf 59 steht? Das wäre ja komfortabel hoch 3. Gruß H.D.T.
Nimm das 0.25Hz Signal. 15 Clocks davon ergeben eine Minute. Schalte ein 4-fach AND Gatter hinter einen 4-Bit Binärzähler (15 = 4'b1111) und lege das auf Reset von deinem Zähler. Das oberste Bit des Binärzählers kannst du als Minutenclock nehmen. Aber schön, wie hier alle um sich ballern... ;-)
@ Bruno Franke (hdt) >dem einen für die Zehner 5 und dem anderen für die Einer 9 einstellt und >der Zähler dann auf 59 steht? Ja. >Das wäre ja komfortabel hoch 3. Nicht wahr. Das ist für Leute, die nicht binär Denken können/wollen. MfG Falk
>"Das ist für Leute, die nicht binär Denken können/wollen."
Es gibt noch eine 3. Möglichkeit: "sollen".
Damit ist widerlegt: Denken ist nicht binär.
Wenn das so mit dem CMOS 40103 geht, wovon ich ausgehe, wäre das eine Lösung "mit einem IC" für die Minutenausgabe. (Der kostet ja auch nur 19 Cent bei Reichelt. Und selbst, wenn er 2 Euro kosten würde...) Der Clou wäre ja, daß ich mit einem CMOS 40102 in Folge dann an zwei 10-stelligen BCD-codierten Drehschaltern die Zehner- und Einer-Minuten einstellen könnte. Erweiterbar auf Stunden, Tage, Monate...
Falk Brunner wrote: > Nicht wahr. Das ist für Leute, die nicht binär Denken können/wollen. > Wenn ich oder jemand anderes das in einer Schaltung verwendet, die er weitergeben will, dann "muß das so sein". Man kann die Menschen nicht dazu zwingen, binär zu denken. :-) Ich selber möchte auch nicht in ein paar Wochen wieder alles dieses jetzt "neu hervorholen und erst nachdenken", sondern einfach an den Schaltern drehen und das Ergebnis an den Ziffern "sehen". Gruß H.D.T.
@ Bruno Franke (hdt) >Man kann die Menschen nicht dazu zwingen, binär zu denken. :-) Nöö, das machen sie von allein. Sogar die "Grossen" der Politik, wie G.W. Bush "Für oder gegen uns!" Ok, ist jetzt leicht OT. > Ich selber möchte auch nicht in ein >paar Wochen wieder alles dieses jetzt "neu hervorholen und erst >nachdenken", sondern einfach an den Schaltern drehen und das Ergebnis an >den Ziffern "sehen". Na dann schreib aber dran, dass du 59 einstellen musst, um durch 60 zu teilen . . . MFG Falk
Falk Brunner wrote: > Na dann schreib aber dran, dass du 59 einstellen musst, um durch 60 zu > teilen . . . Das ist ein echtes Problem. Aber ich denke, mit einer kleinen Skala draufgesteckt, läßt sich das lösen. Vielen Dank! Gruß H.D.T.
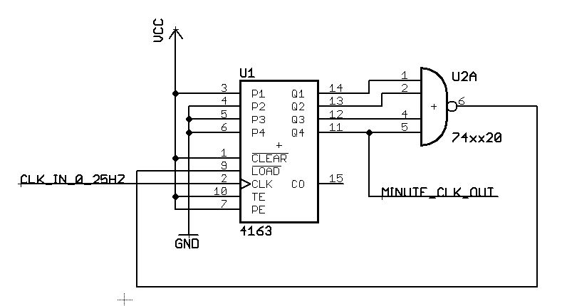
So Leude, nachdem mein Vorschlag es sich einfacher zu machen, indem man das vorhandene 0.25Hz Signal durch 15 teilt, hier nochmal mit hübschem Schaltbild. Ich hoffe doch, die Schaltung findet noch mehr Freunde als nur mich selbst. Der 4163 arbeitet synchron, ich habe ihn daher so beschaltet, dass er bis 15 zählt und dann mit der nächsten clk wieder auf 1 springt.
@ Tim R. (vref) >nachdem mein Vorschlag es sich einfacher zu machen, indem man das >vorhandene 0.25Hz Signal durch 15 teilt, hier nochmal mit hübschem >Schaltbild. Einfacher? Wozu zwei ICs, wenn es einer tut? MFG Falk
Ich finde ja bis 15 zählen einfacher als bis 69 ;-) Ne, du hast schon recht. 1 IC ist besser. Vielleicht gäbe es ja auch nen 4 bit Zähler, bei dem das Carry bit invertiert rausfällt, oder Reset active high ist? Ich mache jedenfalls mal Feierabend. Cheers.
@ Tim R. (vref)
>Ich finde ja bis 15 zählen einfacher als bis 69 ;-)
Es muss nur bis 59 gezählt werden. Freudsche Fehlleistung . . .? ;-)
MfG
Falk
Hackt mal schön weiter auf Pauls Irrtum mit der 69 herum, obwohl Paul seine Aussage schon lange revidiert hat: Beitrag "Re: Schaltuhr bauen" Ihr habt Euch vermutlich noch nie geirrt, oder? Und wenn, dann wird's als "kleiner Aufmerksamkeitstest" hingestellt. ;-) KH
Kachel-Heinz wrote:
> Hackt mal schön weiter auf Pauls Irrtum mit der 69 herum, obwohl Paul
Tut doch gar keiner. Wo denn?
Verstehe ich auch nicht. Nur weil wir einen Wettbewerb gestartet haben, wer weiter zählen kann? Ein bischen Humor darf aber doch schon sein...
Ich möchte mich bei allen Ratgebern bedanken. War erfolgreich für mich. Ich werd es mal wie auf der Zeichnung versuchen. Wird schon irgendwie gehen, auch wenn da noch das eine oder andere nicht stimmen sollte. Das finde ich dann schon heraus. Also vielen Dank! Gruß H.D.T.
hey ihr pappnasen, wenn man das forum hier durchliesst könnte man runterbrechen vor lachen. ihr zickt euch an wie kleine mädchen. würde mich nicht wundern wenn ihr euch irgendwo trefft um euch an den haare zu ziehen. gruß Azubi
Ja, aber das ist in Foren normal. Und im Karnickelzuchtverein, und im Gesangsverein und und und... Lern erstmal das Leben kennen. Am schlimmsten sind die ewigen Sandkastenpöbler, die alle Foren abgrasen, um Kommentare ohne Sachinhalt zu hinterlassen.
Sebastian schrieb: > "Divide-by-”N” Counter" auf Seite 8/13 des bei Reichelt erhältlichen > Datenblattes. Als "N" binär 60 einstellen. ich weiß das der Thread schon alt ist, aber da hier die Schaltung vorgeschlagen wurde wollte ich auch hier weiterschreiben. wenn man mit dieser Schaltung mehr als 2 einstellt wird das Signal "unsymetrisch" - wieso? ich habe mal 4 eingestellt und den Signalverlauf angehängt.
Ich kann da jetzt erstmal nur vermuten, daß vielleicht nur die ansteigende oder die abfallende Flanke zählt und immer nur eine Impulsbreite dauert. Der Rest fällt dann auf den anderen Schaltzustand. Dann wäre das normal.
Klär das vielleicht erstmal ab, ob es so ist, wie ich vermute. Wenn ja, müßte ja eigentlich, wenn Du jetzt z.B 8 einstellst, die untere Flanke gleich bleiben und nur die obere länger werden. Oder? Ich denke, daß man das Problem mit einem Flip-Flop löst. Damit teilst Du nochmal durch zwei, hast aber dann 2 gleichlange Flanken. Vielleicht schreibst Du mal, welche Taktlänge Du haben möchtest. Ich hab hier einen Link von meiner Webseite für einen Taktgeber, der z.B. 1 Sekunde liefert, aber auch andere Werte. Bei gleicher Länge der Flanken. http://atx-netzteil.de/quarz_taktgeber.htm
HDT schrieb: > Klär das vielleicht erstmal ab, ob es so ist, wie ich vermute. > Wenn ja, müßte ja eigentlich, wenn Du jetzt z.B 8 einstellst, die untere > Flanke gleich bleiben und nur die obere länger werden. Oder? genau richtig - die untere Flanke bleibt immer gleich (einen Takt) und die obere verlängert sich. > Ich denke, daß man das Problem mit einem Flip-Flop löst. Damit teilst Du > nochmal durch zwei, hast aber dann 2 gleichlange Flanken. wie könnte das schaltungstechnisch aussehen mit dem Flip-Flop? > Vielleicht schreibst Du mal, welche Taktlänge Du haben möchtest. > Ich hab hier einen Link von meiner Webseite für einen Taktgeber, der > z.B. 1 Sekunde liefert, aber auch andere Werte. Bei gleicher Länge der > Flanken. > > http://atx-netzteil.de/quarz_taktgeber.htm ich wollte eigentlich einen programmierbaren Frequenzteiler machen - also einstellbar zwischen 2 und 256.
Bitte melde dich an um einen Beitrag zu schreiben. Anmeldung ist kostenlos und dauert nur eine Minute.
Bestehender Account
Schon ein Account bei Google/GoogleMail? Keine Anmeldung erforderlich!
Mit Google-Account einloggen
Mit Google-Account einloggen
Noch kein Account? Hier anmelden.











