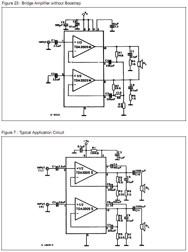
So mal wieder ein Problem mit dem TDA2005 ;) Ich habe die Schaltung von Seite 6 des Datenblatts(STEREO AMPLIFIER APPLICATION (TDA2005S)Figure 7 : Typical Application Circuit) nachgebaut. So weit so gut. Das Problem ist nur, dass es manchmal "kratzt" (enorm übersteuert), was mit einer großen Schwankung ( bis zu 16V) der Versorgungsspannung verbunden ist (18W @ 12V ). Wo sollte ich mit der Fehlersuche beginnen?
>was mit einer großen Schwankung (bis zu 16V) >der Versorgungsspannung verbunden ist Was ist hier jetzt Ursache und was Wirkung? Wie groß ist deine Versorgung normalerweise? 12V? Falls ja: woher können da 16V kommen? Wie hast du die 16V gemessen? Wie sieht die Schaltung des Netzteils aus? Ist das ein freiverdrahteter Verstärker? Wie sind die Rückkopplungspfade verlegt C5/R3 + C7/R5? Wie ist der Chip gekühlt? >dass es manchmal "kratzt"... Beide Kanäle gleichzeitig? Bei großer Lautstärke? Bei kleiner Lautstärke? Gleich nach dem Einschalten? Alle 5/10/24/130 Minuten? Nur bei Softrock/HeavyMädel?
Lothar Miller wrote: >>was mit einer großen Schwankung (bis zu 16V) >>der Versorgungsspannung verbunden ist > Was ist hier jetzt Ursache und was Wirkung? > Das Frage ich mich auch :| > Wie groß ist deine Versorgung normalerweise? 12V? Huuups, die Versorgungsspannung ist 6(!)V. Die Spannung schwankt zwischen 2,5 und ~16(!)V. > Falls ja: woher können da 16V kommen? Ich tippe mal auf die Bootstrap-Kondensatoren. > Wie hast du die 16V gemessen? Mitm DSO :) > Wie sieht die Schaltung des Netzteils aus? Weiß ich nicht (ist nen 18W Experimentiernetzteil) > Ist das ein freiverdrahteter Verstärker? Was meinst du damit? Das teil ist auf ner Lochrasterplatine aufgebaut. > Wie sind die Rückkopplungspfade verlegt C5/R3 + C7/R5? > Wie ist der Chip gekühlt? Mit nem winzigen Kühlkörper aus der Bastelkiste ;) > >>dass es manchmal "kratzt"... > Beide Kanäle gleichzeitig? Ein Kanal (welcher weiß ich grade nicht) geht alleine, wenn ich aber an den anderen Kanal einen Lautsprecher (2W@8Ohm) anschließe, dann geht das Gezappel los. > Bei großer Lautstärke? Etwas über Zimmerlautstärke, bessergesagt bei Lautstärkenspitzen (Bässen ;)) > Bei kleiner Lautstärke? Da klingts gut :) > Gleich nach dem Einschalten? Ja, so issess > Alle 5/10/24/130 Minuten? Immer, nur nen par Sekunden krazts nicht > Nur bei Softrock/HeavyMädel? Immer
Definieren wir "übersteuern": Wenn das Eingangssignal einen Bestimmten Wert überschreitet, nimmt die Ausgangsspannung einen festen, hohen Wert an.
>Die Spannung schwankt zwischen 2,5 und ~16(!)V Da sollte das Netzteil aber etwas stabiler sein... > Wie sieht die Schaltung des Netzteils aus? Wiveile uF hast du in die Versorgung mit reingepackt? Da kommt evtl. was ins Schwingen, schau dir die Rückkopplungspfade C5/R3 + C7/R5 nochmal genauer an.
Lothar Miller wrote: >>Die Spannung schwankt zwischen 2,5 und ~16(!)V > Da sollte das Netzteil aber etwas stabiler sein... > >> Wie sieht die Schaltung des Netzteils aus? > Wiveile uF hast du in die Versorgung mit reingepackt? > 10.000µ (Was größeres war nicht auffindbar, dürfte aber reichen ;)) > Da kommt evtl. was ins Schwingen, schau dir die Rückkopplungspfade C5/R3 > + C7/R5 nochmal genauer an. Also auf Verdrahtungsfehler überprüfen? Dumme Frage: Für R3 + R5 habe ich 3.3ohm genommen. Die Beschriftung ist im Datenblatt ist ein bisschen unleserlich :(
:-) Wenn nur noch < 6V übrig sind, scheint mir das Netzteil "nicht überdimensioniert". Da wird ein dicker Elko nur die erste Lastspitze überbrücken. Beim nächsten Sinuston geht dann wieder das Licht aus ?? Miß mal an einem kräftigerem Labornetzteil den Stromverbauch Deiner Schaltung im laufeneden Betrieb. Das bringt Erkenntnisse.
Das stärkste Netzteil, das ich hier habe, ist ein 40W Laptopnetzteil :( Un mein Multimeter braucht ne neue Batterie :((
So mein Multimeter hat jetzt ne frische Batterie. Die Stromaufnahme liegt immer bei 300-500 mA. Netzteil wäre als Fehlerquelle ausgeschlossen :)
>Die Stromaufnahme liegt immer bei 300-500 mA.
Ja, im Mittel. Die Spitzenströme sind wesentlich höher.
Eventuell geht dein Netzteil in die Begrenzung und
deshalb kratzt es.
ein Labornetzteil halte ich bei der Fehlersuche an einer Endstufe nich für die optimale Auswahl. Bei kleiner Leistung mag das gehen aber sonst...?? Dein Netzteil versucht immer die Ausgangspannung konstatnt zu halten. Das ist nicht wirklich gut und kann die Endstufe auch zum Schwingen anregen. Gerade beim A2005 oder TDA2005. Am besten wäre ein Netzteil wie in der endgültigen Anwendung. Trafo, Gleichrichter, ELko und sonst nichts,.. gar nnichts. ! Außer vielleicht ner Sicherung. Eingangsspannung max. 1Veff. Kleine Last ( >20 Ohm nur zum Test ) Wenn dann alles ok. dann runter auf 8 oder 4 Ohm.
500mA wären übrigens bei 12V gerade 6 Watt ohne Verluste. Soll heissen 3 Watt pro Kanal ohne Wärme.
Hallo, irgendwie komme ich mit Deinen Spannungsangaben nicht klar... Theoretisch sind (U^2)/(8*RL) möglich. Bei Ub = 6V und 8 Ohm Last also (6*6)/(8*8) = 36/64 = 0,56 Watt. Praktisch also ca. 350mW. Da bist Du in der Begrenzung, bevor es wirklich laut wird. Bei 12V wären es (12*12)/(8*8) = 144/64 = 2,25W, praktisch ca. 1,5W. Die können zwar schon Krach sein, dazu muß aber der Lautsprecher einen brauchbaren Wirkungsgrad haben. Eine Kompaktbox oder ein Lautsprecher zum Teset ohne Gehäuse ist da noch nicht wirklich laut. 250W PMPO aus einem 12V 0,5A Netzteil geht nur bei PC-Speakern und passenden Werbefachleuten... Gruß aus Berlin Michael
Michael U. wrote: > 250W PMPO aus einem 12V 0,5A Netzteil geht nur bei PC-Speakern und > passenden Werbefachleuten... > Habe ich dies je versucht / behauptet PS: Diese ganzen Verstärker ICs wie der TDA2005 und Konsorten eignen sich für nichts außer Autoradios. So langsam beginne ich zu verstehen, dass ein vernünftiger AMP nicht nur aus nem IC + Hühnerfutter besteht ;)
>PS: Diese ganzen Verstärker ICs wie der TDA2005 und Konsorten eignen >sich für nichts außer Autoradios. Mein Autoradio klingt eigentlich ganz gut. >So langsam beginne ich zu verstehen, dass ein vernünftiger AMP nicht >nur aus nem IC + Hühnerfutter besteht ;) Ich glaube, es sind mehr Verstärker dieser Art auf dem Markt, die mit solchen und ähnlichen ICs aufgebaut sind. Und die funktionieren trotzdem vernünftig. Das musst du mit einer diskreten Endstufe in der vergleichbaren Qualität und Leistungsklasse erst mal vormachen. Ich vermute eher (wie auch schon andere), dass deine Stromversorgung untauglich ist. Oder mit zu dünnen und langen Drähten angeschlossen ist. Oder einfach nur dürftig entkoppelt ist. Wie sagte Stephan Henning schon: "Am besten wäre ein Netzteil wie in der endgültigen Anwendung. Trafo, Gleichrichter, ELko und sonst nichts,.. gar nnichts. !" @Michael U. schrieb: >irgendwie komme ich mit Deinen Spannungsangaben nicht klar... >Theoretisch sind (U^2)/(8*RL) möglich. und im Brückenbetrieb U^2/(2*RL) (oder irre ich mich da?). >Bei 12V wären es (12*12)/(8*8) = 144/64 = 2,25W, praktisch ca. 1,5W. Die Leistungsberechnung wird häufig nicht an den 12V sondern bei 14,4V oder noch höher durchgeführt. Mit Lasten von 2 Ohm. Da braucht's dann noch keine Werbe-Fuzzi um pro Kanal auf 10W zu kommen.
@ Sir alan Teplotaxl > So langsam beginne ich zu verstehen, dass ein vernünftiger AMP > nicht nur aus nem IC + Hühnerfutter besteht ;) Wie schon in Beitrag "Re: TDA7560 mit Strom versorgen" postuliert. Einsicht ist nach wie vor der beste Weg zur Besserung ;-) Zusammengefasst: für eine vernünftige Endstufe brauchst du eine +Ub und eine -Ub. Da ist nichts mit unipolar und 12V... ;-) Diese ganzen Amps fürs Auto mit (echten) 4x100W aufwärts haben ein Schaltnetzteil, das erst mal zwei vernünftige und stabile Spannungen im Bereich um +-40V aus den 12V macht.
Hallo, HildeK wrote: > @Michael U. schrieb: >>irgendwie komme ich mit Deinen Spannungsangaben nicht klar... >>Theoretisch sind (U^2)/(8*RL) möglich. > und im Brückenbetrieb U^2/(2*RL) (oder irre ich mich da?). Hab ich auch so in Erinnerung... > >>Bei 12V wären es (12*12)/(8*8) = 144/64 = 2,25W, praktisch ca. 1,5W. > Die Leistungsberechnung wird häufig nicht an den 12V sondern bei 14,4V > oder noch höher durchgeführt. Mit Lasten von 2 Ohm. Da braucht's dann > noch keine Werbe-Fuzzi um pro Kanal auf 10W zu kommen. Ich schätze mal, an 2 Ohm Last in Brückenschaltung während der Fahrt (wegen der 14V) dürften so 20-25W machbar sein, praktisch wohl merklich weniger, weil wegen der 2 Ohm Last die Leitungswiderstände bei Lautsprechern und Betriebsspannung wegen der höheren Spitzenströme schon stark stören. Eine TBA810 machte z.B. mit 4 Ohm Lautsprecher viel Krach, mit 8 Ohm aber die merklich größere nutzbare Lautstärke, weil der Klrrfaktor nicht so stark anstieg. Gruß aus Berlin Michael
Die Masseführung verdient auch noch eine Betrachtung. Sobald über die Masseleitung, über die auch die NF zugeführt wird, auch Ströme aus der Endstufe abfließen können, ist es aus mit gutem Klang. Verzerrungen im Baßbereich sind die Folge. Wichtig ist hier eine sternförmige Verdrahtung mit dem Massepin des ICs als Mittelpunkt. Gruß Jadeclaw.
Laut datasheet hast Du eine Verstärkung von 34 eingestellt Bei 6V Versorgungsspannung ist theoretisch bei 176mV schluss mit Aussteuerung. Danach kracht es nur noch. Bei 6 V musst Du R2 und R4 entsprechend verkleinern. Und wie von den Vorpostern gesagt: Ein anständiges Netzteil hilft auch.
Jadeclaw Dinosaur wrote: > Die Masseführung verdient auch noch eine Betrachtung. > Sobald über die Masseleitung, über die auch die NF zugeführt wird, auch > Ströme aus der Endstufe abfließen können, ist es aus mit gutem Klang. > Verzerrungen im Baßbereich sind die Folge. Wichtig ist hier eine > sternförmige Verdrahtung mit dem Massepin des ICs als Mittelpunkt. > > Gruß > Jadeclaw. Ist alles irgendwie verdrahtet. Lochrasterplatine halt ;)
> Die Masseführung verdient auch noch eine Betrachtung. Darauf zielte schon meine Frage ab: >> Wie sind die Rückkopplungspfade verlegt C5/R3 + C7/R5? Sieht so aus, also ob das Ding bei höherer Belastung schwingt. Das kommt u.U. daher, dass der Ausgangsstrom mit über die Rückkopplungs-Masse fließt. >Ist alles irgendwie verdrahtet. Klingt und spielt dann auch so ;-) Mach doch mal ein Bild von deinem Aufbau und zeig uns das. Komm schon, trau dich...
Hallo, meinen Post gelesen? Du hast doch ein Oszi. Musst also nur Ein und Ausgang mal messen und schauen, ob es über 200mV clippt.
Die Hifi-Fans vermissen noch einige Angaben über Querschnitte der dicken Stromschienen, die zu Deinem Klingetrafo führen. http://pitts-electronics-home.de/electron/schplnt.htm Der wäre zu groß. http://voltagezone.com/forum/files/file0001_152.jpg
Zum AMP führen irgenwelche 0815 Strippen mit ~ 1mm² Querschnitt. @ogni42: Wenn ich mich recht erinnere denk jap, so um die 200mv warens
Ja, dann doch als erstes mal die Verstärkung reduzieren, oder die Versorgungsspannung (von 6V auf 12V) erhöhen und schauen, ob es immer noch kratzt (sollte dann erst bei 400mV auftreten)
Dir ist schon klar, dass du das Musterlayout aus dem Datenblatt sträflich vernachlässigt hast? Dort sind nämlich die Verdrahtungsreglen eingehalten: Eingang+Rückkopplung links, Leistung rechts. Nicht umsonst ist der TDA so bepinnt. Bei dir geht die Rückkopplung zum Pin 2 quer über alle Leistungspins drüber, das kann das Gesamtergebnis nicht verbessern. Auch die Masseführung entspricht auch nicht dem, was man sich unter "Stand der Technik" vorstellt. Ich konnte übrigens nirgends im Datenblatt eine Stelle finden, an der ein Anschluss über Flachbandkabel empfohlen wird. Wie lang sind die Flachbandstrippen zum TDA2005? Das sind jetzt nur_3 der Punkte, die mir aufgefallen sind. Aber die Gesamtheit macht die Musik. Wenn einer im Orchester mal daneben spielt, gut, das kommt vor. Aber wenn alle schräg spielen, dann tuts nicht gut. Meine Empfehlung: Nimm das Musterlayout und bau das auf Lochrasterplatine nach. Das geht.
Das ist das Layout für den Monoamp ;) Das Flachbandkabel hab ich genommen, weil ich zu faul war die Pins des TDA in die Lochrasterplatine zu pfriemeln; das Flachbandkabel ist ~10cm lang ud war ursprünglich ein ide Kabel :O
> Das ist das Layout für den Monoamp ;) Suche im Suchbild die paar Unterschiede. Wieviele findest du. Du siehst: soooo unterschiedlich, dass die Layout-Regeln dafür andere wären, sind die beiden Schaltungen nicht. >...Flachbandkabel ist ~10cm lang... Autsch. Meine Empfehlung: Sieh dir das Musterlayout an und bau das entsprechend auf Lochrasterplatine nach. Das geht auch in Stereo.
Den Monoamp hatte ich schonmal ähnlich unhübsch aufgebaut und der lief trotzdem 1. Sahne :)
Leute, bei so einem Ding hat das erst dann etwas mit dem Layout zu tun, wenn alle anderen Fehlerquellen ausgeschlossen sind. Hier sind die Ströme niedrig und die Frequenzen sind es auch. Die besten Kandidaten sind, nach allen Infos die hier darstellt und diskutiert wurden: * Unzureichende Stromversorgung * Zu niedrige Spannung * Zu hoher Verstärkungsfaktor für die Zielspannung Erst wenn teplotaxl erklärt, dass er die Fehlerquellen ausgeschlossen hat, wird das Layout interessant.
@ Ingo Elsen >bei so einem Ding hat das erst dann etwas mit dem Layout zu tun, wenn >alle anderen Fehlerquellen ausgeschlossen sind. Aber das ist es doch: eigentlich funktioniert es ja. Nur nicht immer. @ Sir alan Teplotaxl >Den Monoamp hatte ich schonmal ähnlich unhübsch aufgebaut und der lief >trotzdem 1. Sahne :) Schon klar. Nur: wenn ich einmal mit verbundenen Augen lebend über die Autobahn gekommen bin, dann muß das nicht heißen, dass es ein zweites Mal genauso gut geht ;-) Eine grundlegende Frage: wie hört sich das "Kratzen" überhaupt an? Versuch mal, das zu beschreiben, oder nimm es auf (bitte mit gängiger Musik).
Ist einfach SEHR starkes Übersteuern. Ab einer bestimmten Eingangsspammug schnellt die Ausgangsspannung auf einen sehr hohen Wert (clipping?)
Hallo, das dürfte dann der Punkt sein, wo der Kram zu schwingen beginnt. Ich baue zwar zum Testen auch manchmal seltsame Konstruktionen auf Lochraster, aber einen TDA2005 mit Flachbandkabel und so weiträumig verteilter Außenbeschaltung würde ich mich nicht trauen. Dazu können die Teile einfach zu sensibel auf den Aufbau reagieren... Gruß aus Berlin Michael
Nö, aber wikipedia ist mein Freund ;) http://de.wikipedia.org/wiki/SOAR-Diagramm Ist das das richtige?
Nein er funktioniert nicht. Er übersteuert, laut Deiner Aussage, ab 200mV Eingangsspannung bei 6V Versorgungsspannung. Eingestellt ist laut Schaltung eine Verstärkung von 36,36(*) bei 6V Versorgungsspannung. Ergo: 6V/36,36 = 165mV. Also: Ab 165mV geht Dein Verstärker in die Begrenzung und "kratzt" Setzt Du die Versorgungsspannung auf 12V "kratzt" er wahrscheinlich ab 300mV Eingangssignal (*) wenn ich das aus dem Bild richtig gelesen habe: 1.2kOhm und 33Ohm
> zum Thema Netzteil...
Ja, da sollte man sich doch mal das Datenblatt genauer ansehen:
6V Versorgung sind zu wenig, wenn das DB "Supply Voltage 8 - 18 V" sagt.
Du bewegst dich ausserhalb des spzifizierten Bereichs. Da kann alles
passieren.
Der TDA 2005 läuft von 8-18 Volt , nur der HFO Typ A2005 schon mit 4 Volt , allerdigs bei so kleiner Versorgungspannung ca 1 Watt am Lautsprecher . Du musst dem Verstärker erst mal eine Vernünftige Stromversorgung bieten 12 Volt bis 16 Volt bei Brückenbetrieb und ca 4 Ampere pro Kanal . Anders kann der Schaltkreis keine Leistung bringen, wenn das Teil ca 20 Watt am Ausgang bringen soll müssen mind . 40 Watt in das Teil rein . Mit 1 Glas Mineral komme ich auch nicht das Matterhorn rauf ...Dann das Layout Deiner Schaltung :da wird das Teil übelst zum Schwingen anregen . Wegen der hohen Verstärkung schwingen sich die Teile gern auf . Miss den Ruhestrom, wenn das Teil sehr warm wird und einen hohen Strom ständig zieht, schwingt es. Die Querschnitte lassen auch keine hohen Ströme zu .Wichtig auch , wenn nicht das wichtigste : Ein ordentlicher Kühlkörper min 2 K/W muss montiert werden, Bauteil mit Wärmeleitpaste auf Kühlfläche bestreichen . Der Kühlkörper hat dann die richtige Grösse, wenn das Teil auch nach einer Std. mit hoher Lautstärke max. handwarm wird .... Viele Grüsse Matze
Hi Lothar. Eine ausgefuchste Schaltung mit der Brücke. Die holen die Steuerspannung vom InvertEINGANG des 1. Ops da dort ja Ue wieder auftaucht. Fähig!
@Exe (Gast) & Matze (Gast) Glaubt ihr, der wollte nochmal mit Dir reden? Der Fall ist schon fast 1/2 Jahr alt.
Hi Jens. Mag ja sein aber wenn es etwas interessantes gibt, wie der Abgriff der 2. Brücke am EINGANG, spielt es wohl keine Rolle wie alt das ganze Ding da ist. Bemerkenswert der niederohmige pull-down zur Erzielung der Verstärkung.
Bitte melde dich an um einen Beitrag zu schreiben. Anmeldung ist kostenlos und dauert nur eine Minute.
Bestehender Account
Schon ein Account bei Google/GoogleMail? Keine Anmeldung erforderlich!
Mit Google-Account einloggen
Mit Google-Account einloggen
Noch kein Account? Hier anmelden.



