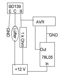
Hiho, Möchte folgende Schaltung bauen. Aber vorher will ich sicher gehen, das ich meinen AVR nicht abschieße. Also wie auf dem Bild im Anhang zu sehen: Ich will die Basis vom BD139 permanent (über 1K) an +12 Volt legen, weil sonst vom Transistor auch nur 5 Volt durchgelassen werden würden. Um mit PWM die Spannung vom Lüfter regeln zu können, will ich die Basis auf Masse ziehen können. Geht das, wenn ich die Basis direkt an den AVR anschließe?? Wegen dem Wiederstand dürften doch nicht mehr al 12mA fließen und das müsste doch gehen!? Danke für eure Hilfe und evtl. Verbesserungsvorschläge. Grüße Axel
Hallo, über den Widerstand liegen 12 V am Portpin des AVR, das ist nicht gut. Der BD139 ist ein bipolarer Transistor: es ist nicht nur eine Frage der Spannung an der Basis, sondern des Stromes durch die Basis-Emitter-Strecke um die Kollektor-Emitter-Strecke durchzuschalten. Berechne mit dem Innenwiderstand des Lüfters und dem Spannungsabfall über C-E des Transistors (Sättigungsspannung nach Datenblatt) den Strom I_CE. Dann mit dem Stromverstärkungsfaktor (ebenfalls Datenblatt) den nötigen Basisstrom bestimmen. Bei fünf Volt aus dem Port des AVR kannst du dann den nötigen Basisvorwiderstand ausrechnen. Achja, es bleibt dann abzuchecken, ob der Portpin diesen Srom liefern kann. Viele Grüße
@Axel Das würde gehen, aber nur!!! wenn der Transistor richtig angeschlossen ist. Dann liegt am Portpin maximal die BE-Spannung vom Transistor an. Einige Risiken gibt es: Der AVR hat interne Schutzdioden. Wenn der BD139 fehlt oder falsch beschaltet ist, würden Deine 12V über die Diode gegen die 5V des AVR geklemmt werden. Bei 1k würde ein Strom von 6mA fließen, das könnte für einen Latch-Up schon reichen. Der Portpin darf nur zwischen Tristate (BD139 durchgeschalten) und Ausgang low (BD139 gesperrt) wechseln. Bei Ausgang high wird der Strom nur durch den AVR begrenzt, das nicht gut sein. Wenn Ausgang low, muß der Portpin bis 12mA schlucken (sink). Das kann er zwar ab, aber wenn dabei die Spannung zu stark ansteigt, wird der BD139 nicht mehr richtig gesperrt. Besser Darlington-Transistor nehmen (1,4V BE) und Widerstand auf 4,7 bis 10k erhöhen. Warum eigentlich nicht den BD139 direkt aus dem AVR ansteuern, mit Vorwiderstand? Eventuell Darlington-Transistor nehmen, wenn der Basisstrom zu groß wird. Sven
ich habe festgestellt, das ich über den Transistor maximal die Spannung bekomme, die an der Basis anliegt (-0,6 V) Wenn also an der Basis 5V liegen, dann bekommt mein Lüfter nur 4,4 Volt und damit läuft er nicht an ! :-( jo Axel
Wieso nimmst du nicht ein Fet der direkt am AVR Betrieben wird ? Die brauchen so gut wie keinen Strom und fals mal was daneben geht geht dir wenigstens nicht der µC defekt. Achjo nimm einen Selbsleitenden MOSFet da läuft der Lüfter dann wenigstens wenn der µC oder deine selbstgebastelte Schaltung abraucht ^^
Sorry für Doppelpost hab aber noch nen kleines Schaltplänchen für die FetSchaltung gemacht und sie gleich Simuliert. Mit anderen Worten kannste das direkt an µC Ports hängen und muß funzen volle 12 Volt( Oder was auch immer du da verwenden willst ) fürn Verbraucher der im übrigen auch ruhig ein paar Amps ziehen kann je nach Fet eben. Ach und die Frequenz ist hierbei Wurscht hängt halt vom Verbraucher ab ich hab nen simulierten Strom von 2 Ampere mit nem MHz takten können ( IRF640 ) ohne eklatante Signalverzerrungen zu erkennen. Den IRF640 gibts für knappe 80Cent bei Reichelt.de der 740 dürfte auch nicht alzu viel kosten. Sind im TO-220 Gehäuse und sollten sicherheitshalber mit nem Kühlkörper bestückt werden. Im zweifel lieber zu gut Kühlen ^^ Ich geh mal davon aus das ein 12 Volt PC Lüfter ca 250-500mA zieht und damit muss das wunderbar klappen. Achja : das Signal am Ausgang ist nicht invertiert. Das heißt wenn der µC nix bringt läuft auch der Lüfter nicht.
super danke für die unterstützung ich werde mal sehen, dass ich so nen FET bekomme Axel
Hi der IRF740 ist für die direkte Ansteuerung mit einem AVR nicht geeignet da er zum vollen Aufsteuern mehr als 5V ugs benötigt. Es gibt mitlerweile sog. LogicLevel-FET's die bereits bei 5V Ugs ordentlich aufmachen. Ein Typ wäre z.B. der IRLU2905. Matthias
Na mag ja sein aber die 5Volt reichen hier fuer 1A bei 12V locker aus Wenns preislich kaum nen Unterschied macht isses ja wurscht welchen Typ man nimmt . Dachte nur das die IRF Typen die meisten schon in ihren Schränken ham ^^
Hi Bei 1A hat der IRF740 eine Verlustleistung von "nur" 500mW (I^2*Rdson) ohne auf die Umschaltverluste einzugehen. Für ein TO220 in warmer Umgebung ist das schon etwas viel. Ein ordentlicher, moderner POWER-MOSFET ist hier um mindestens eine Zehnerpotenz! besser (den kümmert bei dem Strom die Erwährmung noch garnicht) und dazu noch kleiner (TO251 vs. TO220) bei gerade mal 0,02 Preisunterschied beim Reichelt. Matthias
Hallo, ich habe jetzt einfach noch einen Optokopler zwischen AVR und BD139. Das ist vielleicht keine Perfekte Lösung, aber immerhin hatte ich den noch hier. Im Anhang meine Schaltung mit nachgemessenen Spannungen und Strömen Soll ich jetzt für mein PWM noch einen Kondensator nehmen ? Welchen ? Wohin ? Danke Grüße Axel
Oh das wusste ich gar nicht mit dem Power Fet , sollte mich da mal schlau machen. So als Elektroniker is das ganz gut zu wissen ^^
Bitte melde dich an um einen Beitrag zu schreiben. Anmeldung ist kostenlos und dauert nur eine Minute.
Bestehender Account
Schon ein Account bei Google/GoogleMail? Keine Anmeldung erforderlich!
Mit Google-Account einloggen
Mit Google-Account einloggen
Noch kein Account? Hier anmelden.


