Hallo Zusammen, das ist mein erster Beitrag hier im Forum. Ich hab jetzt schon ein paar ähnliche Beiträge zu diesem Thema gefunden, aber noch keine aussagegräftige Lösung gefunden. Ich bin mir etwas unsicher mit der Umsetzung. Folgendes möchte ich realisieren. Ich bekomme von einer SPS ein 24V Signal das ich mit wenigen Komponeten auf ein 5V Signal umwandeln möchte, um damit einen IO Port eines Microcontroler anzusteuern. Das Signal kommt vielleicht 1 mal pro Sekunde. Als Microcontroller verwende ich einen C-Control Micro. Bei 24 V möchte ich den Level High bei 0V den Level Low. Es gibt da jetzt verschiedene Lösungen - Schaltregler MC34053 - 78L05 - LM2574 oder wie in einem anderen Beitrag gelesen eine Lösung mit Diode und Strombegrenzungswiderstand. Was würdet Ihr empfehlen? Ist eine galvanische Trennung sinnvoll? Welches ist die Lösung mit den wenigsten Komponenten? Wo sind die Unterschiede zwischen den einzelnen Varianten? Vielen Dank für eure Beiträge.
Nimm doch einfach nen Transistor in Emitterschaltung. Oder wenns galvanisch getrennt sein soll einfach nen Optokoppler. Dann bekommst du zwar das Signal invertiert heraus, also 24 V -> 0 V und 0 V -> 5 V, aber das lässt sich mit nem einfachen Inverter in den Griff kriegen. Zur not auch einfach in Software bei einem µC. MfG Marius
>Es gibt da jetzt verschiedene Lösungen >- Schaltregler MC34053 >- 78L05 >- LM2574 Das sind alles Spannungsregler. Total unbrauchbar fuer deinen Zweck einen 24V Logik eingang zu realieren >Ist eine galvanische Trennung sinnvoll? Ja Nimm einen Optokoppler . Die meisten SPS haben Optokoppler an ihren Eingaengen. Gruss Helmi
Hallo Marius, danke für die schnelle Antwort. Das mit dem Optokoppler hört sich gut an. Da hab ich gleich zwei Dinge gelöst. Gibt es da einen den du mir empfehlen kannst? Grüße
Hab da zwar nicht so die riesen Erfahrung, aber ich denke für deine Zwecke reicht nen Standard CNY17-Optokoppler völlig aus. Die Frequenz des Signals ist ja sehr klein mit 1 Hz. Ich lass mich aber gerne korrigieren. MfG Marius
so jetzt habe ich mich mal ein bißchen schlauer gemacht. Ich habe mich für den oben genannten CNY17-Optokoppler entschieden. Für die Berechnung des Vorwiederstandes hab ich mir folgendes überlegt. Laut Datenblatt hat der Input(Emitter) eine Stromaufnahme von 50mA bei typisch 1,25V. Wenn ich nun ein 24V Signal anschließen möchte sollte die Berechnung sein: (24V - 1,25V) / 0,05A = 455 Ohm Verlustleistung= (24V - 1,25V) * 0,05A = 1,14 Watt Gibt es sonst noch etwas auf der Eingangsseite zu beachten. Die Ausgangsseite schließe ich an den IO Port des Controllers als wäre es ein Schalter. 5V -> Collector des OK ---- Emitter des OK -> 1kOhm -> Masse und Emitter des OK -> IO Port Habe ich das richtig verstanden?
>Laut Datenblatt hat der Input(Emitter) eine Stromaufnahme >von 50mA bei typisch 1,25V. gehe mal von ~1,5V und 15mA aus. Ausgangsseitig passt das so.
Im Prinzip klingt das richtig, allerdings brauchst du deutlich weniger Strom: laut Datenblatt sollten 10mA völlig reichen (besonders, wenn du nicht CNY17-1 sondern -2..4 benutzt). Dann reicht als Vorwiderstand ein 2.2 kOhm / 0.25W ... Ahoi, Martin
>Laut Datenblatt hat der Input(Emitter) eine Stromaufnahme >von 50mA bei typisch 1,25V. >Wenn ich nun ein 24V Signal anschließen möchte sollte die >Berechnung sein: Warum immer solche hohen Stroeme gewaehlt werden. Mein Auto kann auch 200km/h fahren muss es aber nicht. Nimm mal einen vernueftigen Strom an. 10mA ist vollkommen ausreichend. bei 63% Current Transfer Ratio macht das auf der anderen Seite ein Mindeststrom von 6.3mA. Pullup oder Pulldown von 4.7K dran und du bist auf der sichern Seite. Auf der Diodenseite machst du noch eine Z-Diode von 8.2 .. 12V in reihe zu Koppler und den Vorwiderstand. Beispiel: 10mA LED Current , 10V Z-Diode, 1.6V an der LED 24V Input (24V - 10V - 1.6V) / 0.01 = 1.2 Kohm Und wenn du der Koppler LED noch was gutes tun willst eine normale Diode (1N4148) noch Antiparallel zu der geschaltet. Die moegens nicht wenn die Spannung verpolt ist. Die Z-Diode dient dafuer einen einigermassen exakten Umschaltpunkt zu erzeugen. Gruss Helmi
> Auf der Diodenseite machst du noch eine Z-Diode von 8.2 .. 12V in reihe > zu Koppler und den Vorwiderstand. Was soll das für einen Vorteil haben? Die Verlustleistung fällt dann halt an der Zenerdiode an. Außerdem ändert sich der Strom stärker mit den Schwankungen der 24V Spannung. 2 x 1000 Ohm (1/4 Watt) in Serie, das macht ca. 144 mW pro Widerstand, ist völlig ausreichend. Der Tipp mit der antiparallelen Diode ist gut, die Sperrspannung beträgt nur 6V.
@Klaus Falser (kfalser) >Was soll das für einen Vorteil haben? >Die Verlustleistung fällt dann halt an der Zenerdiode an. Außerdem >ändert sich der Strom stärker mit den Schwankungen der 24V Spannung. Das hat den Vorteil einer definierten Umschaltschwelle. In den meisten professionellen SPS ist das so gemacht. Ein bedeutet demnach 12 .. 24V Aus bedeutet demnach 0 .. 12V Ansonsten kann es je nach Current Transfer Ratio des Kopplers sein das 0.. ca 2V Aus bedeutet und 2 .. 24V Ein bedeutet und da kann man nicht behaupten das die Schaltschwellen guenstig liegen. Und je nachdem was fuer Geber dort angeschlossen ist kann es schon mal bedeuten das Aus gar nicht erkannt wird. Ausserdem liegt dort eine Z-Diode in reihe mit dem Widerstand. Gruss Helmi
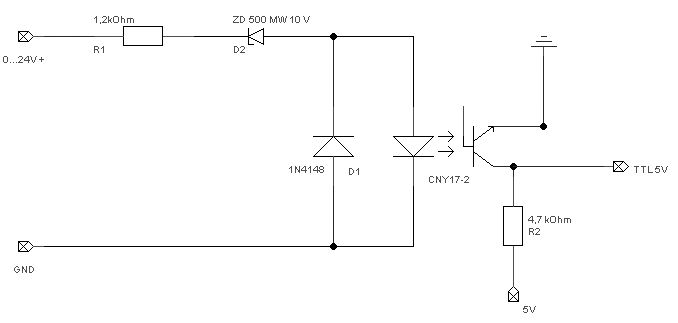
Her mal ein Schaltplan zum Vorschlag von helmil. Ich denke soweit alles drin. Hat jemand einen Einwand? Fehlt noch etwas?
Was auch öfters gemacht wird: einen Brückengleichrichter vor den Optokoppler. Verhindert auch die Sperrbelastung, hauptsächlich aber funktioniert es auch unabhänging von der Eingangspolarität (gut, ist in deinem Fall nicht unbedingt ein Kriterium, aber "Strippenzieher" haben ein Händchen für vertauschte Leitungen :-) Ist es nur ein Eingang, ist das mit der obigen Schaltung völlig i.O. Anders sieht das aus, wenn man z.B. 8 Eingänge auf eine Karte platzieren will. Da kann die Verlustleistung zum Problem werden -> Optokoppler mit niedrigem Eingangsstrom verwenden. H11L1 z.B., 1mA, Schmitt-Trigger-Ausgang.
Schaut mal hier nach: http://mitchsoft.de/Elektronik/AVR/Grundschaltungen/Optokoppler.html Einfache Schaltung und bessere Erklärung Gruß Robert
@ Robert (Gast) Was willst du uns damit sagen ? Die Schaltungen dort sind nicht Industrietauglich wegen der oben aufgefuehrten Problematik.
>Was willst du uns damit sagen ?
Das möchte ich auch wissen.
Hier gab es schon deutlich bessere Empfehlungen im Forum.
Hallo, ich bin gerade mit der gleichen Aufgabe beschäftigt. Ich habe im Elektronik-Sortiment eines Freundes folgenden IC gefunden 74HC14D Dieser müsste die Z-Diode ersetzen können?!, oder erreiche ich mit der Z-Diode genau den selben Effekt? Gruß Max
> IC gefunden 74HC14D > Dieser müsste die Z-Diode ersetzen können?! Druck dir mal die Datenblätter einer Z-Diode und eines 74HC14 aus und vergleiche die dann... Kannst du irgendwas erkennen, das deine Meinung bestärkt? Nein? Richtig! Also: was willst du mit dem 74HC14 machen?
Das Thema ist zwar schon veraltet... aber falls es doch noch jemand interessiert: Wenn es wirklich ein SPS-Signal ist, sollte man daran denken, dass der Eingangsstrom für Low und High Pegel genormt ist und man es einhalten sollte. Es gibt hier auch verschiedene Geräteklasse, bei denen verschiedene Werte gelten. Ich weiß leider aus dem Kopf nicht die entsprechenden Normen oder Werte. Aber vielleicht kann hier noch jemand nachhelfen.
Au Mann-O-Mann Jetzt wird schon ein Schmitt-Trigger IC mit einer Z-Diode verglichen. Kinders bleibt bloss weg vom Strom.
Ich muss zugeben ich habe das Datenblatt nur kurz überflogen. Ich bin davon ausgegangen das ich mit diesem die Umschaltschwelle realisieren kann und zudem das Signal schon vor dem OK zu invertieren. Ignoriert meinen Beitrag einfach;)
Wenn du den 74HC14 vorher mit Klebeband umwickelst kannst du den schon nehmen. Das Klebeband brauchst du um den magischen Rauch im IC zu halten.
Hab den Tipp mit der Zener Diode vor dem Optokoppler berücksichtigt und alles hat super geklappt! 1A Habe auch die Outputs galvanisch getrennt und mit einem Pull Down an die SPS wieder angeschlossen! WUNDERBAR und Merci auch von meiner Seite
Magischer Rauch? Magnetischer Rauch...? Hmm. Er will einfach nur 24V auf einen Portpin bringen ohne daß dieser abraucht. Thema nach dem 5. Beitrag erledigt. Warum so viel Lamentiererei mit 'Hätte' und 'Könnte'? Kein Wunder daß Deutschland kaum wirtschaftlich produziert.
>Warum so viel Lamentiererei mit 'Hätte' und 'Könnte'? Kein Wunder daß >Deutschland kaum wirtschaftlich produziert. Nennt man Beratende Tätigkeit. Gibt mehr Geld als Arbeit.
Hi, es tut mir leid, dass ich das alte Thema aufwärme, aber ich habe gerade ein kleines Problem bei dieser Schaltung. Ich möchte ähnlich so wie oben beschrieben einen 24V-Ausgang einer Siemens Logo! auf einen IC geben. Nun habe ich die oben gepostete Schaltung nachgebaut, aber irgendwie will der OK nicht auf mein Logo-Signal reagieren. Es liegen immer 5V an egal ob der Ausgang geschalten ist oder nicht. Der OK ist ein CNY17-2 und die 5V werden über eine Festspannungsregler erzeugt.
Hab gerade herausgefunden, dass ich die Diode falschherum reingesteckt habe (Schande über mein Haupt). Da der OK das Signal invertiert dürfte es reichen, wenn ich das Signal in der Logo einfach negiere oder?
Hallo, auch wir haben die Schaltung von Jürgen nachgebaut. Wir verwenden an der SPS das Modul 4DO DC24V/0.5A mit einem Ausgangsstrom von typisch 500mA und maximal 600mA. 500mA * 24V macht 1,2W, die vorgeschlagene Z-Diode kann aber maximal 0,5W ab... Ich rechne mit magischem Rauch - was meint ihr? ;) Wie kriegen wir jetzt den Strom von 500mA auf ~20mA runter? Grüße Daniel
Daniel schrieb: > Wir verwenden an der SPS das Modul 4DO DC24V/0.5A mit einem > Ausgangsstrom von typisch 500mA und maximal 600mA. > 500mA * 24V macht 1,2W, Nein, das sind 12W. Aber: der Ausgangsstrom fließt nur, wenn man ihn fließen lässt, d.h. die angeschlossene Last den Strom auch "holt". > die vorgeschlagene Z-Diode kann aber maximal > 0,5W ab... Ich rechne mit magischem Rauch - was meint ihr? ;) Ja, aber nicht nur bei der Z-Diode, sondern auch der Optokoppler mag das nicht. > Wie kriegen wir jetzt den Strom von 500mA auf ~20mA runter? Da ist doch der Vorwiderstand R1, der den Strom einstellt. Gruß Dietrich
Danke für den Beitrag... Wir haben die wesentlichen Probleme lösen können. Etwas war falsch angeschlossen und die Werte der Widerstände waren nicht korrekt :( Nun sind wir uns eigentlich sicher, dass alles passt. Wenn kein Signal von der Maschine kommt, liegen am Ausgang 5V an. Der DIO Channel (NI USB6008) kann mit 1 ausgelesen werden. Wenn ein Signal von der Maschine kommt, liegen an Optokoppler die 10V der Z-Diode an. Auf der Ausgangsseite liegen zwischen 5V TTL und GND aber nicht 0V, sondern noch immer ~1,7V an. Das ist laut Datenblatt des ADC kein definierter Pegel und beim Auslesen zeigt dieser immernoch High Pegel :( Irgendwelche weiteren Ideen, warum die 5V nicht komplett über Collektor-Emitter nach GND abfallen, sondern ein Teil der Spannung noch am Ausgang liegt? Bei der Fehlersuche ist außerdem aufgefallen, dass die ~23V die von der Maschine kommen, auf ~13,7V zusammenbrechen, sobald die Schaltung mit dem Optokoppler angeschlossen wird. Das ist allerdings kein wirklich großes Problem, weil die anliegende Spannung ja immernoch reicht damit an der Z-Diode 10V abfallen... Beste Grüße Daniel
Offenbar sind die Widerstände zu klein... Habe die angegebenen Werte verwendet, aber das im letzten Beitrag erwähnte Problem. Wenn ich den Widerstand am Ausgang erhöhe, sinkt der "Nullpegel", wenn ich den Am Eingang erhöhe, steigt dieser, aber der Einbruch der Spannung ist weniger stark... Wie dimensioniere ich die Widerstände richtig? Gelten hier die Regeln für Transistoren in Emitterschaltung?
Zeichne mal einen Schaltplan, der deine Schaltung RICHTIG abbildet und bezeichne alle Bauteile mit den Typen/Werten die du verwendet hast. Daniel schrieb: > Wir verwenden an der SPS das Modul 4DO DC24V/0.5A mit einem > Ausgangsstrom von typisch 500mA und maximal 600mA. Das sind die Ausgangsströme, die das Modul liefern KANN, nicht muss. Du brauchst nur 10mA für die Diode des Optokopplers. Das ist wie mit einem dicken Oberklassewagen. Der hat auch 300PS aber du musst nicht mit Vollgas und 250 durch die 30er Zone, man kann mit dem dicken Motor auch fast im Leerlauf zuckeln.
Hallo, Ich nutze diesen Thread da ich eine ähnliche Schaltung benötige. Ich möchte eine Schaltung bauen, mit der ich von einem SPS Digital Ausgangsmodul (24V / 0,5A / max 500Hz Schaltfrequenz) die Logik Eingänge (5V) des Motorentreibers A4988 ansteuern kann. Für den Step-Eingang des Treibers möchte ich, wenn möglich die Schaltfrequenz des Ausgangsmoduls voll ausnützen. Dies sollte jedoch mit Optokoppler kein Problem darstellen?! Da mein Fachwissen in dieser Thematik sehr klein ist, wäre ich Froh, wenn Ihr einen Schaltplan entwerfen könntet mit den entsprechenden Bauteilen inklusive Kenndaten. Falls Ihr eine eine besser Lösung habt, wäre dies auch in Ordnung. Eine Galvanische Trennung ist in meinem Fall nicht unbedingt nötig. Vielen Dank!
Falls das eine industrielle Anwendung ist (wovon ich wegen der SPS ausgehe): Warum verwendest du nicht einen Treiber, der direkt die 24V verarbeiten kann [1]? So eine Endstufe kostet natürlich mehr als ein Pololu-Board mit dem A4988, aber wenn du deine Entwicklungs-Zeit, das Material und den zusätzlichen Verdrahtungsaufwand mit berücksichtigst, ist das im gewerblichen Umfeld schnell teurer als die fertige Lösung. Mit freundlichen Grüßen Thorsten Ostermann [1] http://www.mechapro.de/shop/Schrittmotor-Endstufen/Einzelachsen/Tiny-Step-plus-II-f-Hutschiene-2-25A-Mikroschritt-Endstufe::221.html
@Malefiz Könntest du das ganze ein wenig mehr Ausformulieren.. :D @Thorsten Es ist ein Berfuschulprojekt, bei dem wir nur ein kleines Budget haben und brauchen dürfen. Wir brauchen 3 Schrittmotoren pro Schrittmotor eine solche Endstufe, da sind wir bereits bei 180 Euro. Hätten wir mehr Budget zur Verfügung, hätte ich eine eigene Lösung gehabt. Der grössere Zeitaufwand stellt nicht das Problem dar. Somit wäre ich über einen Lösungsvorschlag, am besten mit Optokoppler, dankbar. Gruss
Hallo Leute, bin komplett neu hier und habe diesen Beitrag etwas verfolgt. Ich habe ein ähnliches Problem und hoffe auf eine konkrete, funktionierende Lösung. Habe hier Vieles gelesen, jedoch auch viele verschiedene Sachen, bei denen ich jetzt nicht weiß, was denn in meinem Fall funktionieren würde. Ich muss in meiner Ausbildung als Mechatroniker bei Daimler in Gaggeanu ein Projekt bearbeiten. Und zwar geht es darum, dass ich auf einem TouchPanel, sprich eine SPS, eine Rückmeldung eines Getriebes darstellen muss und zwar welcher Gang denn eingelegt ist. Die Sensoren im Getriebe sind induktive Wegesensoren und müssen mit einem 5V TTL Signal versorgt werden. Das Original Steuergerät, welches dieses Signal liefert, kann ich nicht mehr verwenden, sprich das Signal muss von der SPS kommen. Wie kann ich jetzt aus meinem 24V Signal von der SPS ein 5V TTL Signal für die Sensoren machen? Ich weiß außerdem, dass das Ausgangssignal eine Frequenz um die 200 Hz hat. Würde solch eine Schaltung wie die von Helmi definitiv funktionieren? Ich bitte um Rückmeldung Vielen Dank
Marvin Schönamsgruber schrieb: > Würde solch eine Schaltung wie die von Helmi definitiv funktionieren? Aber klar. 200Hz ist da kein Problem. Welchen 5V Eingang willst du damit treiben? Eventuell zwischen Kollektor vom Optokoppler und Eingang noch einen Schmitttriger ala 74HC14 schalten. Sorgt fuer mehr Treiberstrom und sauberer Flanken.
Helmut Lenzen schrieb: > Welchen 5V Eingang willst du damit > treiben? Vielen Dank für die schnelle Antwort! Ging ja schnell. Zu dem Zitat? Was meinst Du genau? Bin da als Mechatroniker in der Ausbildung echt nicht so tief drin und muss mir das ganze benötigte Wissen selbst erarbeiten, da es mich sehr interessiert. Aus diesem Grund bitte ich schon mal um Entschuldigung, wenn ich das Ein oder Andere doppelt frage. Ich muss quasi die Sensoren mit einem 5V TTL-Signal versorgen. Diese geben dann ein TTl Signal aus mit gleicher Periodendauer, jedoch mit veränderten Puls/Pausenzeiten. Das ist dann mein zweites Problem. Aus diesen Signalen, siehe Anhang, soll ich ein für die SPS verwertbares Signal generieren. Danke!
Marvin Schönamsgruber schrieb: > Zu dem Zitat? Was > meinst Du genau? Du sagtes das du einen Eingang eines Sensors mit 5V ansteuern willst. Daher die Frage was braucht der Eingang an Strom. Reichen ihm 100uA oder braucht er 10A oder irgendwas dazwischen. Marvin Schönamsgruber schrieb: > Aus diesen > Signalen, siehe Anhang, soll ich ein für die SPS verwertbares Signal > generieren. Kann die SPS den diese Puls/Pausen des Signales auswerten? Oder misst die nur die Frequenz.
Achsooo. Der braucht nur ca 10mA. Sorry!! Also die SPS kann das nicht auswerten, soweit ich das weiß, da die Zeiten um die 150Mikrosekunden zu kurz sind für die Reaktion Zeit der SPS. Diese hat vielleicht 3-40ms Reaktionszeit. Habe ich aus anderen Foren entnommen. Die Frequenz können wir zur Auswertung nicht nehmen, da das die SPS mit der Analogbaugruppe auch nicht auswerten kann. Deshalb sollte eine Schaltung entwickelt werden, mit der aus dem 5V TTL Signal ein verwertbares Signal für die SPS generiert werden kann. Sprich zum Beispiel eine messbare Ausgangsspannung zwischen 0-10 Volt. Ist ein sehr schwieriges und spezielles Thema, aber sollte irgendwie machbar sein. Das Schwierigste an der ganzen Sache ist es, das TTL-Signal f+ür die SPS verwertbar zu machen! Das TTL-Signal erzeugen ist mir klar und das werde ich versuchen zu umzusetzen. gruß marvin
Marvin Schönamsgruber schrieb: > Das Schwierigste an der ganzen Sache ist es, das TTL-Signal f+ür die SPS > verwertbar zu machen! Da wirst du an einem uC nicht drum rum kommen. Nimm einen AVR, lege an dessen ICP Eingang deinen Sensor und miss mit einem Timer des uC das Puls/Pausenverhaeltnis. Dann gibst du den Messwert ueber eine Serielle Schnittstelle (RS232/RS485) an deine uebergeordnete SPS und machst was damit.
Also wenn es um SPS geht dann nimm doch eine Wago Klemme WAGO Kontakttechnik DC/DC-Wandler 24V/5V, 0,5A für TS 859-801 alles andere ist irgendwie Bastelkram. http://www.elektro4000.de/Steuerungen-Schaltgeraete/Niederspannungs-Schaltgeraete/Gleichstromversorgung/WAGO-Kontakttechnik-DC-DC-Wandler-859-801::477062.html
Die Wago Klemme liefert aber nur 5VDC, jedoch kein TTL-Signal. Oder meinst Du, dass ich die Klemme benutze um 5VDC zu erhalten und danach dann quasi einen CNY 17-2 Optokoppler anfüge, der mir das TTL-Signal erzeugt? Das mit dem AVR klingt interessant! Danke! Ich bedanke mich! Bei weiteren Fragen, komme ich auf Euch zurück! Jetzt habe ich wenigstens etwas Material, mit dem ich arbeiten kann bzw. in das ich mich einarbeiten kann. Vielen Dank!
Thomas der Bastler schrieb: > EIn bisschen googel.... > > http://www.leg-gmbh.de/html/su2_pegelwandler.html Die bieten ja sogar Bauteile an, die eine Frequenz in eine analoge Spannung zwischen 0 und 10 Volt umwandeln! Das wäre natürlich auch eine Möglichkeiten!
Ist meine Problematik auch mit einem Integrator zu lösen? Macht eigentlich wenig sind, oder? Ich kann ja die Schaltung von Helmi verwenden umd die Sensoren mit einem 5V TTL Signal versorgen und um das ausgegebene TTL Signal wieder auswerten zu können, verwende ich einen uC. Ist dennoch ein Integrator auch möglich? Auf dem Bild ist außerdem was zu sehen, was mir vorgelegt wurde. Kann mir damit einer helfen? Was ist das genau und inwiefern soll das funktionieren mit den ganzen Widerständen und OPs etc.? Da ist doch so ein uC einfacher zu benutzen oder?
Jürgen Wenges schrieb: > Gibt es da einen den du mir empfehlen kannst? wenn´s ne bastellösung ist pollin 120101 mb111 0,15teu Optoelektronischer Koppler aus DDR-Beständen mit IR-Emitterdiode als Sender und Si-Fotodiode mit nachfolgender, integrierter Verstärkerschaltung als Empfänger. TTL-kompatibler Ausgang. Offener Kollektor. DIP 8.
Helmut L. schrieb: >>Laut Datenblatt hat der Input(Emitter) eine Stromaufnahme >>von 50mA bei typisch 1,25V. >>Wenn ich nun ein 24V Signal anschließen möchte sollte die >>Berechnung sein: > > Warum immer solche hohen Stroeme gewaehlt werden. > Mein Auto kann auch 200km/h fahren muss es aber nicht. > > > Nimm mal einen vernueftigen Strom an. 10mA ist vollkommen ausreichend. > bei 63% Current Transfer Ratio macht das auf der anderen Seite ein > Mindeststrom von 6.3mA. Pullup oder Pulldown von 4.7K dran und du bist > auf der sichern Seite. > Auf der Diodenseite machst du noch eine Z-Diode von 8.2 .. 12V in reihe > zu Koppler und den Vorwiderstand. > > Beispiel: > > 10mA LED Current , 10V Z-Diode, 1.6V an der LED 24V Input > > (24V - 10V - 1.6V) / 0.01 = 1.2 Kohm > > Und wenn du der Koppler LED noch was gutes tun willst eine normale Diode > (1N4148) noch Antiparallel zu der geschaltet. Die moegens nicht wenn die > Spannung verpolt ist. > > Die Z-Diode dient dafuer einen einigermassen exakten Umschaltpunkt zu > erzeugen. > > Gruss Helmi Hallo miteinander! Sorry dafür, dass ich den Thread nochmal ausgrabe, aber ich hab noch ein Verständnisproblem. Würde gerne die Schaltung von Helmut nachbauen, aber sie vorher gerne verstehen. Wird die rechte Seite im Schaltplan mit einer 5V Spannungsquelle versorgt oder wird durch den Optokoppler auf die rechte Seite ein Strom von 6,3 mA übertragen und mit einem Widerstand somit eine Spannungsquelle erzeugt? Ich sehe keinen Widerstand und somit kann das eigentlich nicht sein, aber warum berechnet ihr dann die Stromstärke für die rechte Seite? Bin deswegen irgendwie etwas verwirrt.. Oder ist der Optokoppler hier eher ein Taktübertrager der auf der rechten Seite einen positiven Pegel erzeugt wenn auf der linken Seite ein positiver Pegel anliegt? Also wie ein Schalter der die 5V durchschaltet, wenn auf der 24 V Seite ein High Pegel anliegt? Danke schonmal im Voraus! Mit besten Grüßen Nachteule
Nacht E. schrieb: > wird durch den Optokoppler auf die rechte Seite ein Strom von 6,3 mA > übertragen Ein Optokoppler ist ein "Stromübertrager". Die wichtigste Kennzahl nemmt sich CTR (Current Transfer Ratio, Stromübertragungsverhältnis). Wenn du bei einem OK mit 100% CTR einen Strom von 5mA durch die LED schickst, kann der Transistor maximal einen Strom mit 5mA durchlassen. Irgendwelche Spannungen ergeben sich dann aus der umliegenden Beschaltung.
+5V
|
R2
|
+24V----R1---ZDiode--------+--------+ +----- Ausgang
| | |
K A C
1N4148 Koppler Koppler
A K E
| | |
0V-------------------------+--------+ GND
10mA LED Current , 10V Z-Diode, 1.6V an der LED 24V Input
R1 = (24V - 10V - 1.6V) / 0.01 = 1.2 Kohm
Wenn der Koppler nun ca. 63% CTR hat dann fliessen bei 10mA LED Strom im
Kollektor max. 6.3mA.
Bei angenommenen ca. 0.5V Saettigungspannung am Kollektor bleiben fuer
R2 dann ca. 4.5V.
R2 min = 4.5 / 0.0063A = 714 Ohm.
Das waere der kleinste Widerstand der noch getrieben werden koennete.
Nimmt man jetzt einen hoehren Wert fuer R2 (Faktor 5..10) liegt man auf
der sicheren Seite.
Also meine 4.7K die ich im Beispiel gewaehlt habe sollten ausreichen.
Es sei denn du willst dort hohe Frequenzen( MHz Bereich) uebertragen...
Dann baust du dir quasi eine 5V Quelle mithilfe des R2 Widerstandes und des Optokopplerstroms? Das wären ja dann 29,61V an R2 (6,3mA * 4700Ohm? Ich glaub ich hab einfach nen Denkfehler.. Oder benutzt du den R2 einfach als Pullup Widerstand und hast trotzdem ne 5V Spannungsquelle drangehängt? Die liefert aber doch auch ne gewisse Stromstärke? Sorry für die "dummen" Fragen!
Die Stromstärke von der Spannungsquelle ist ja dann unerheblich weil ich sie durch 4700 Ohm teile kommt mir grad..
Nacht E. schrieb: > Oder benutzt du den R2 einfach als Pullup Widerstand Das ist ein Pullupp Widerstand. Der Koppler kann im Beispiel max. 6.3mA Kollektorstrom haben, muss er aber nicht. Der R2 von 4.7K begrenzt den Strom auf rund 1mA.
Dann ist es ja so: Wenn am 24V Kreis ein Lowpegel anliegt, dann liegt am Ausgang ein Highpegel an, richtig? Danke!
Nacht E. schrieb: > Wenn am 24V Kreis ein Lowpegel anliegt, dann liegt am Ausgang ein > Highpegel an, richtig? Jepp, die Schaltung invertiert dein Signal. Soll es das nicht tun dann koennen der Optokopplertransistor und R2 die Plaetze tauschen.
Nacht E. schrieb: > Dann baust du dir quasi eine 5V Quelle mithilfe des R2 Widerstandes und > des Optokopplerstroms? Das wären ja dann 29,61V an R2 (6,3mA * 4700Ohm? > Ich glaub ich hab einfach nen Denkfehler.. Der Denkfehler ist, das der Optokoppler-Ausgang keine aktive Stromquelle ist, sondern der Transistor kann max. diesen Strom "schalten". Nacht E. schrieb: > Oder benutzt du den R2 einfach als Pullup Widerstand und hast trotzdem > ne 5V Spannungsquelle drangehängt? Genau das. > Die liefert aber doch auch ne gewisse Stromstärke? Die 5V-Spannungsquelle muss diesen gesamten Strom liefern. Wenn man es noch etas vertiefen will: - die LED am Eingang liefert Licht - in die Basis des Ausgangtransistors auf Grund dieses Lichts ein Strom erzeugt - dieser Strom wird vom Transistor verstärkt. Also genau genommen fließt aus dem Emitter der Basisstrom und der Kollektorstrom. Da der Basisstrom aber sehr gering ist, kann man ihn (meistens) vernachlässigen. Man könnte also theoretisch nur einen Widerstand zwischen Emitter und Masse schalten (Kollektor offen) und "sieht" dann am Spannungsabfall diesen Basistrom. Aber da er wie gesagt sehr gering ist, ist das für die Praxis kein vernünftiger Ansatz. Der Wert von CTR ist das Verhältnis Eingangsstrom zu Kollektorstrom, nicht Eingangsstrom zu Basisstrom.
Hoppla, ein Zeitsprung von gut 4 JAHREN zwischen dolf schrieb: > Autor: > dolf (Gast) > Datum: 18.06.2015 06:52 und Nacht E. schrieb: > Autor: > Nacht E. (nachteule) > Datum: 06.11.2019 15:58 wobei die Ursprungsfrage bereits gut 11 JAHRE alt ist Jürgen W. schrieb: > Autor: > Jürgen W. (xwinge) > Datum: 23.09.2008 11:27 Weiter so!
Perfekt danke hab ich verstanden =) Andere Frage noch wie wär es umsetzbar, wenn ich keine 5V Spannungsquelle anschließen möchte und das Signal einfach auf 5V runterwandeln möchte. Mit nem DC-DC- Wandler wäre das doch umsetzbar - natürlich geht die galvanische Trennung verloren.. Danke schonmal und viele Grüße!
Nacht E. schrieb: > ndere Frage noch wie wär es umsetzbar, wenn ich keine 5V > Spannungsquelle anschließen möchte und das Signal einfach auf 5V > runterwandeln möchte. Dazu nimmt man einfach 2 Widerstaende... auch Spannungsteiler genannt.
Nacht E. schrieb: > Perfekt danke hab ich verstanden =) Sicher? > Mit nem DC-DC- Wandler wäre das doch umsetzbar - natürlich geht die > galvanische Trennung verloren.. DC/DC-Wandler gibt es auch isoliert, i.e. mit galvanischer Trennung. Willst du jetzt den Pegel eines Signal wandeln oder willst du 5V Versorgungsspannung für irgend etwas bereit stellen? Nur im zweiten Fall wäre ein DC/DC-Wandler eine Option.
Bitte melde dich an um einen Beitrag zu schreiben. Anmeldung ist kostenlos und dauert nur eine Minute.
Bestehender Account
Schon ein Account bei Google/GoogleMail? Keine Anmeldung erforderlich!
Mit Google-Account einloggen
Mit Google-Account einloggen
Noch kein Account? Hier anmelden.


