Hallo Gemeinde ! Ich habe folgende Schaltung gefunden um eine symmetrische Spannung zu erzeugen http://www.dieelektronikerseite.de/Lections/Symmetrische%20Spannungsversorgung.htm Eine Frage habe ich dazu jedoch : Die Versorgungsspannung am TL081 ist dort nicht eingezeichnet, und laut Datenbaltt benötigt dieser ebenfalls eine symmetrische Spannung ! Wie muss ich da verfahren ? Kann ich den TL081 einfach an +5Vund GND hängen ? Die zweite Frage ist, ob diese Schaltung oben auch bei 30V > +-15V noch funktioniert (bei ein paar mA) ? Grüße, Christian
>Kann ich den TL081 einfach an +5Vund GND hängen Ja, kannst Du machen. >oben auch bei 30V > +-15V noch funktioniert (bei ein paar mA) ? Ja, aber 30 Volt ist das Maximum. Eventuell brauchst Du, wenn Du nur "ein paar Milliampere" ziehen willst noch nicht mal die Transistoren hinten dran. Der Kollege hat eine Verlustleistung von 680mW. MfG Paul
>Die Versorgungsspannung am TL081 ist dort nicht eingezeichnet, und laut >Datenbaltt benötigt dieser ebenfalls eine symmetrische Spannung ! Symmetrische Spannung braucht eigentlich kein OP wirklich -- Ein- und Ausgangsspannung muss nur innerhalb des Versorgungsspannungsbereichs liegen. Im allg . ein paar Volt tiefer als pos. Versorgung und ein paar Volt höher als neg. Versorgung. (Es gibt aber Single-Supply und Rail-To-Rail OPs, da kann Ein- und Ausgang sich auch nahe an der Versorgungsspannung befinden.) Der OP in Deiner Schaltung ist ein Spannungsfolger, Ausgangsspannung gleich Eingangsspannung. Durch den Spannungsteiler am Eingang halbierst Du die ursprüngliche Spannung und schaffst damit ein neues Bezugspotential. Die Transistoren können mehr Strom als der OP liefern und sorgen daher dafür, dass dieses neue MASSE-Potential auch bei Belastung stabil bleibt. Beispiel: 9V Blockbatterie. OP Versorgung an jeweils einen Pol der Batterie. Neue Masse in der Mitte, also als wenn Du je zwei Batterien a 4.5V hättest. So viel wollte ich eigentlich gar nicht schreiben -- lies mal OP Grundschaltungen nach.
Autor: Paul Baumann (Gast) Datum: 28.09.2008 18:36 >>Kann ich den TL081 einfach an +5Vund GND hängen >Ja, kannst Du machen. Die Antwort ist Quark!
>Verräts Du auch warum?
Zunächst, weil der Frager daraus nichts lernt und eher verwirrt wird.
Ich habe bewusst nicht Unsinn geschrieben, denn Du kannst Dein GND
natürlich so definieren, dass Du zunächst dem Minus-Pol der Batterie
meinst?
Willst Du wirklich den pos. Versorgungspin des OP mit dem Ausgang der
Schaltung (das ist ja der neue GND) verbinden? Das wäre ja fast so, als
wenn man den Ausgang des OP direkt verwendet, um den pos. Supply-Pin zu
versorgen?
Wenn ich Dich schon nicht klar verstehe, wie soll es der offensichtlich
unerfahrene Fragesteller?
Richtig bei 9V Block ist ja wohl ohne Zweifel Versorgungspins des OP an
Pole der Batterie.
Leg mir nicht Sachen in den Mund, die ich nie gesagt habe! Ich weiß nicht, was den Fragesteller verwirren sollte, wenn ich ihm antworte, daß er den OPV mit der Eingangsspannung versorgen soll. Deine lange Erklärung hättest Du Dir schenken können, die war schon im Link vom OP enthalten. Übrigens: Die Schaltung im Link enthält auch noch einen Fehler: Der nichtinvertierende Eingang des OPV gehört an den Ausgang zwischen die beiden Emitter. MfG Paul
>Zunächst, weil der Frager daraus nichts lernt und eher verwirrt wird. Formuliere es so, dass der Frager und andere (z.B. Paul) etwas daraus lernen: Es geht (nicht) weil ... ! >Wenn ich Dich schon nicht klar verstehe, wie soll es der offensichtlich >unerfahrene Fragesteller? Naja, das ist nicht zwingend :-) >Richtig bei 9V Block ist ja wohl ohne Zweifel Versorgungspins des OP an >Pole der Batterie. IMHO wollte er einfach wissen, ob statt 9V auch 5V gehen - bei der verlinkten Schaltung. Laut Datenblatt wird es nicht gehen, denn der Eingang muss 3V von der V- weg liegen. Worst Case sogar 4V von beiden Rails. Der Ausgang würde es schaffen, wenn sich der OPA an seine typischen Daten hält (>1.5V Abstand von den Rails, bei kleiner Last = hier gegeben). Unter 9V Versorgung ist der TL08x nicht die glückliche Wahl.
Autor: Paul Baumann (Gast) Datum: 28.09.2008 21:29 >Leg mir nicht Sachen in den Mund, die ich nie gesagt habe! Ich weiß >nicht, >was den Fragesteller verwirren sollte, wenn ich ihm antworte, daß er den >OPV mit der Eingangsspannung versorgen soll. Deine lange Erklärung >hättest Du Dir schenken können, die war schon im Link vom OP enthalten. Ja zugegeben, völlig klar formuliert ist die ursprüngliche Frage nicht -- vielleicht ist Deine Antwort genau das, auf was der Fragesteller schon sein ganzes Leben gewartet hatte... Zu meiner langen Erklärung: Ich wollte eigentlich nur ein paar Worte schreiben, habe dann aber befürchtet, dass mich der Fragesteller nicht klar genug versteht. Den Text von dem angegebenen Link hatte ich natürlich vorher nicht gelesen.
Autor: HildeK (Gast) Datum: 28.09.2008 21:34 >IMHO wollte er einfach wissen, ob statt 9V auch 5V gehen - bei der >verlinkten Schaltung. Kann ich mir nicht vorstellen, er schrieb: >Kann ich den TL081 einfach an +5Vund GND >hängen ? Er betont das GND, und durch die Antwort von Paul Baumann könnte der Fragesteller auf die Idee kommen, den pos. Versorgungspin mit dem Ausgang der Schaltung zu verbinden. Vielleicht hast Du aber doch recht und es ging nur um die 5V... Wenn ich es mir recht überlege war die Bezeichnung Quark für die Antwort >>Kann ich den TL081 einfach an +5Vund GND hängen >Ja, kannst Du machen. doch nicht so gut, denn Quark ist ja durchaus nahrhaft, obige Antwort aber gewiss nicht.
hi,
der Ton macht die Musik, das war schon immer so!
>>Die Antwort ist Quark!<<... das hört sich halt eine wenig danach an, hey,
Vollpfosten, ich bin hier der Überflieger...
Ist doch schön, dass ihr was gelernt habt im Umgang mit den kleinen
grünen Stromtierchen, jetzt lernen wir noch, einigermaßen kollegial
(hier im Forum sind wir es ja mehr oder weniger) miteinander umzugehen,
und schon ist die Welt wieder in Ordnung.
Grüssens, harry
>Übrigens: Die Schaltung im Link enthält auch noch einen Fehler: Der >invertierende Eingang des OPV gehört an den Ausgang zwischen die >beiden Emitter. Fehler würde ich nicht sagen -- Du schlägst eine Variante mit Rückkopplung vom Ausgang (Emitter der Transistoren) zum Eingang des OP vor. Wahrscheinlich besser, aber: Prinzipiell könnte man dann Probleme mit Schwingungen bekommen, wenn die Phasenverschiebung durch die Transistoren zu groß wird, also insbesondere wenn man einen schnellen OP nehmen würde.
@Stefan Salewski (Gast) Quark mag ich nicht besonders - lieber Rostbraten :-) Sorry, mich hatte nur dein kurzes, prägnantes Statement 'Quark' leicht gestört. Ich hab deshalb einfach nochmals versucht, ein 'Geht' oder 'Geht-Nicht' zu begründen und zusammenzufassen. Dass hier vermutlich GND, Masse, V- und "was weiß ich noch" etwas unklar bezeichnet wurden, ist mir auch aufgefallen.
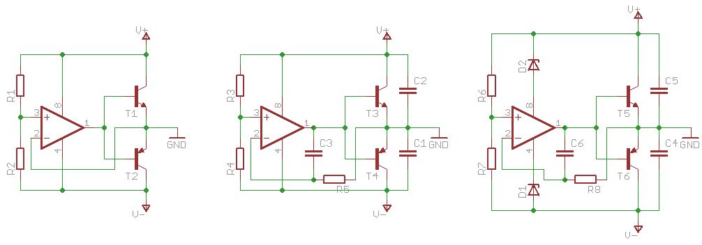
Servus, Also den link ausm 1. Beitrag hab ich angeschaut und mir gedacht das geht so nicht. Was auch immer diese Schaltung bewirken soll, eine besonders tolle Lösung ists nicht! Drum hab ich mir gedach muss ich mein Wissen auch mal unters Volk bringen und hab 3 Schaltungen gebastelt. 1. Schaltung: Ganz simpel und funktional bis +-18V (also 36V) 2. Schaltung: Deluxe Version der 1. Wobei C3 = 1nF nur dazu da ist möglicherweise durch zu langsame Transistoren verursachte Schwingungen zu kompensieren. R5 sollte also auch entspechend klein sein. (vllt. so 100 Ohm) 3. Schaltung ist die 2. Schaltung für beliebig viel Spannung. Soviel die Transitoren abkönnen. Die 2 Zener-Dioden haben den gleichen Wert und werden so berechnet, dass der OpAmp seine 20-30V abbekommt und dat ding rockt. Viel spaß beim Bauen. Ich selbst habe Version 3 schon erfolgreich in einem Amplifier eingestzt. 1A. Ach ja und der OpAmp ist bei mir ein TL071. Den Rest such einfach aus deiner Kruschkiste.
@Hans Wurst: Bei Schaltung 3 wäre ich äußerst vorsichtig den OpAmp an große Spannungen zu hängen. Das er angeblich bei Dir funzt liegt vmtl. nur in der Tatsache begründet, daß Du rein zufällig einen OpAmp benutzt, der einen hohen Ruhestrom hat, und damit durch die Dioden genug Strom fließt läßt, um jenseits ihren 'Diodenknickpunktes' (siehe U/I-Kennlinie der Z-Diode) betrieben zu werden. Bei der Verwendung von z.B. Low-Power-OpAmps wäre ich da seeeehr vorsichtig! Es gibt da viele, die nur wenige Microampere benötigen wenn sie nichts treiben müssen (also noch diesseits ihres 'Diodenknickpunktes' betrieben werden) - und wenn es nur für wenige Microsekunden wäre - was aber für den OpAmp in der regel 'tödlich' endet. Also wäre für eine 'narrensichere' Lösung etwas anderes vorteilhafter. Ich benutzte dazu nur eine Z-Diode über den OpAmp selbst, mit entsprechenden Widerständen zur 'pos.' und 'neg.' Versorgungsspannung, incl. dickem Abblockkondensator. Dieser würde in der von Dir vorgeschlagenen Schaltung vmtl. auch Wunder bewirken. Somit wäre er für die sichere Funktion der Schaltung nicht ganz unerheblich und hätte im 'simplen' Schaltplan unbedingt eingezeichnet werden sollen - oder halt direkt ein Widerstand über den Betriebsspannungsanschlüssen, um einen Mindeststrom durch die Dioden zu garantieren. Ansonsten nette Arbeit, die unseren eigentlichen Fragensteller (Christian O.) sicher ein wenig geholfen hat. Übrigens, die Versorgungsanschlüsse für den TL081 sind zwar im Schaltplan nicht explizit angegeben, in der Grafik, die das bestückte Steckboard zeigt, sind die Versorgungsspannungspins des OpAmps aber (korrekt) angeschlossen worden.
@ Raimund Rabe: Ups. Ich sollte wohl nicht mehr in der Nacht um 1 solche Sachen verfassen. Ich hab wichtige Deteils vergessen. Nämlich dass ich noch einen Lastwiederstand parallel zum OpAmp gehängt habe um genau dies zu verhindern. Waren bei mir 100 Ohm. Sorry. Umd mit nem Elko und 2 kleineren C's habe ich das ganze dann auchnoch "stabilisiert". Nochmals sorry. Deine Lösung gefällt mir aber sogar noch besser, da bei dir die Versorgungsspannung schwanken kann ohne größere auswirkungen auf den OP. Ich musste meine Versorgungsspannung auf 60V stabilisieren, was bei deiner Schaltung wohl nicht nötig gewesen wäre. Danke fürs Korrekturlesen ^^
@ Hans Wurst: Null Problemo. Aber ich hatte auch nicht wirklich vermutet, dass bei Dir irgend etwas 'falsch' gewesen wäre. Mein Verdacht ging halt in die Richtung, dass Du nur etwas wichtiges vergessen hattest zu erwähnen. Nachher sind wir noch Schuld, wenn ein Newbee das genauso nachbaut, und BÄNG geht sein OpAmp 'hoch' und derjenige weiss nicht wo's herkommt und was er falsch gemacht hat. Aber schwamm drüber, Du bist nicht der einzige dem sowas passiert (ist). Nobody is perfect. Auch ich freue mich immer über (konstruktive) Korrekturen, Verbesserungen, Anregungen, Ideen, ... .
Bitte melde dich an um einen Beitrag zu schreiben. Anmeldung ist kostenlos und dauert nur eine Minute.
Bestehender Account
Schon ein Account bei Google/GoogleMail? Keine Anmeldung erforderlich!
Mit Google-Account einloggen
Mit Google-Account einloggen
Noch kein Account? Hier anmelden.
