Hallo! Ich habe im Anhang ein Datenblatt für eine 10mm 7-Segmentanzeige und ein Datenblatt für eine 100mm 7-Segmentanzeige angehängt. Da drin stehen beinahe die gleichen Werte für den Betrieb. Brauch ich nicht für die große Anzeige viel mehr Strom? Laut Datenblatt kann ich also die große mit der gleichen Beschaltung betreiben wie die kleine????? Danke für eure Hilfe
eig. benötigt die größere eine höhere Spannung, da mehrere led's in Reihe geschaltet sind, aber warum auch nur ~2V im Datenblatt steht hab ich eine Ahnung, vll ist nur eine led angeg???
Der Strom bleibt gleich. Aber bei der 100mm Anzeige sind 4 LEDs in Reihe geschaltet. Also brauchst du an Versorgungsspannung 4x2,5V.
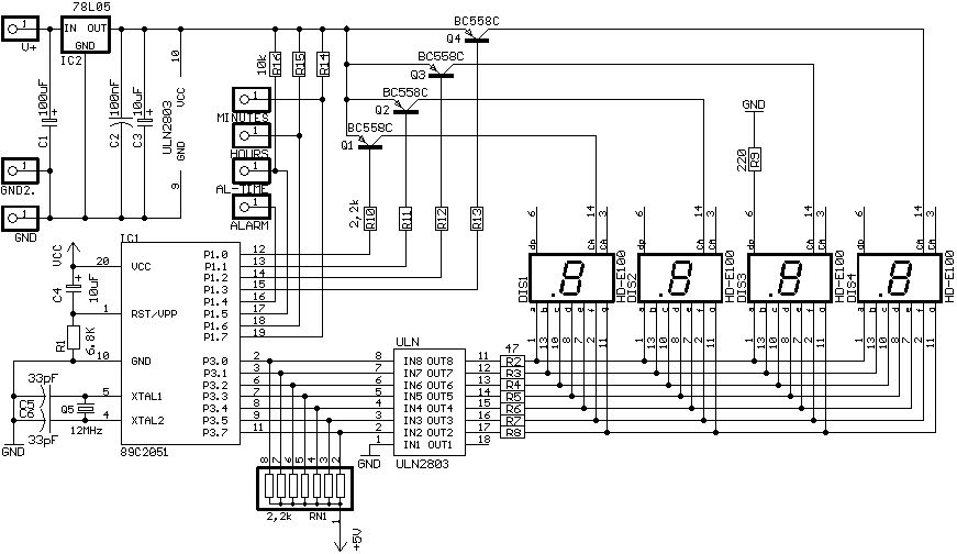
Das heißt, dass ich an die Transistoren 10V anlege statt 5V ?? Der ULN wird dann auch ein Vcc von 10V brauchen oder?
Mit den Transistoren hast Du Recht. Du musst praktisch rechts von R14 auftrennen und dort die höhere Betriebsspannung (z.B. 10V) anlegen. Der ULN benötigt keine positive Versorgungsspannung (sind ja nur Darlingtonstufen) - dort kannst Du alles so lassen, wie es ist. Chris
>Der ULN benötigt keine positive Versorgungsspannung (sind ja nur
>Darlingtonstufen) - dort kannst Du alles so lassen, wie es ist.
Also diesen Pin abtrennen, nicht auf 5V lassen, sonst gäbe es eine
ungewollte Verbindung von den Segmenten (10V) zu den 5V im
nichtdurchgeschalteten Zustand.
@ Wurglits Phil (Gast) >Das heißt, dass ich an die Transistoren 10V anlege statt 5V ?? Das reicht nicht. Erstens, weil in Summer mehr als 10V gebraucht werden. 4x2,5V für die Anzeige 1V für den ULN2003 1..2V für den Vorwiderstand 1V Reserve. Macht mindestens 14V. Und zweitens, weil du dann einen Pegelwandler brauchst. Oder gleich einen UDN2981 nehmen, da ist alles fertig drin. Der braucht aber auch noch ca. 1,5V zusätzlich, also in Summe ~15V. MFG Falk
ok, das heißt für mich - - rechts von R14 auftrennen und die 15Volt anlegen. - statt dem ULN2803 einen UDN2981 verwenden. - Die Widerstände zwischen UDN2981 und Anzeige nocht richtig dimensionieren (15V/100mA = 150Ohm) und sonst kann die Schaltung gleichbleiben oder?
Nein, den ULN2003 kannst Du so lassen. Den UDN2981 setzt Du an Stelle der Transistoren ein. Sorry für meine falsche Aussage von oben - da war ich wohl eher bei meinen Problemen im Labor als bei Deinem :-/ Den Pegelwandler (im UDN integriert) benötigst Du natürlich noch. Grüße, Chris
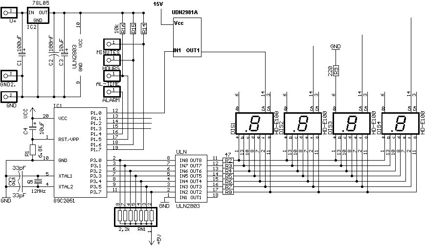
ich muss leider nochmal nachfragen! FALK schreibt dass im UDN2981 bereits ein Pegelwandler drinnen ist. Du (Chris D.) schreibst aber, dass ich noch einen Pegelwandler brauche. Kenn mich im Moment nicht ganz aus. Hab mir jetzt einmal das Datenblatt angeschaut - lieg ich da richtig, dass ich einfach mit meinen Freigabepin vom MC auf den Pin 1 vom UDN2981 und vom Port 18 auf die gemeinsame Anode von der Anzeige gehen kann? Auf Vs vom UDN2981 liegen die 15V ?? hab das Datasheet angehängt.
ich habe die schaltung jetzt umgezeichnet - natürlich ist sie nur für die erste Anzeige komplett! Könnt ihr mir bitte sagen ob das so passt oder nicht! DANKE
Wurglits Phil wrote: > ich muss leider nochmal nachfragen! > > FALK schreibt dass im UDN2981 bereits ein Pegelwandler drinnen ist. > Du (Chris D.) schreibst aber, dass ich noch einen Pegelwandler brauche. Da hast Du meine Klammer überlesen "(im UDN integriert)" - ich wollte damit nur meinen Fehler korrigieren. Das, was Falk schrieb, stimmt so :-) > Hab mir jetzt einmal das Datenblatt angeschaut - > lieg ich da richtig, dass ich einfach mit meinen Freigabepin vom MC auf > den Pin 1 vom UDN2981 und vom Port 18 auf die gemeinsame Anode von der > Anzeige gehen kann? > Auf Vs vom UDN2981 liegen die 15V ?? Ja, so isses. Der Schaltplan sieht doch so schon ganz gut aus :-) BTW: benötigst Du wirklich das 2,2k-Array an den Eingängen vom ULN? Kann der µC nicht +5V durchschalten? Fände ich ungewöhnlich - ich kenne den Typ aber auch nicht. Chris
du hast recht - müsste wahrscheinlich auch ohne gehen! Ich habe die Schaltung von dieser Seite http://www.batronix.com/elektronik/bauanleitungen/timer-modul.shtml und da behauptet der Autor : Der ULN2803 fungiert hierbei nur als invertierender Verstärker. Das Widerstandsnetzwerk RN1 ist als Pull-Up in den Port 3 eingebaut, da der MC sonst Probleme mit dem Ansteuern des ULN 2803 bekommen kann. habe die Schaltung mit den PNP Transistoren bereits zum laufen gebracht allerdings mit herkömmlichen 10mm Anzeigen! Jetzt gehts dann an die 100mm Anzeigen - mal schaun wo ich den UDN2981 herbekomme! Bei Conrad schaut glaube ich schlecht aus :-( !!
Chris D. wrote: > BTW: benötigst Du wirklich das 2,2k-Array an den Eingängen vom ULN? > Kann der µC nicht +5V durchschalten? Das Problem dürfte eher das 8051-Derivat sein. Wenn dessen Ports auch so aussehen wie die von Intels Original, dann liefern die grad mal 50µA. Wobei das natürlich auch für die High Side Driver gilt. Mit Mega8 wäre das nicht nötig.
is nur das Problem, dass der Reichelt erst ab 150€ nach Österreich schickt :-( !! mal schaun ob ich den bei uns irgendwo auftreiben kann!
Bitte melde dich an um einen Beitrag zu schreiben. Anmeldung ist kostenlos und dauert nur eine Minute.
Bestehender Account
Schon ein Account bei Google/GoogleMail? Keine Anmeldung erforderlich!
Mit Google-Account einloggen
Mit Google-Account einloggen
Noch kein Account? Hier anmelden.

