Hallo, ich bin dabei eine Funkuhr mir großen 7-Segment Anzeigen zu bauen. Leider brauchen die Anzeige Elemente 7,2 Volt, da der Atmega8 ja mit 5Volt läuft weis ich nun nicht wie die Anzeige Ansteuern soll. Wäre net wenn ihr mir helfen könntet. mfg P.S. 7-Segment Anzeige mit gemeinsamer Kathode und 40 mA pro digit
Hi, im Anhang findest du die Beschaltung der Ausgänge des 74HC4094 um die einzelnen Highside zu treiben. Widerstände auf deinen Transistortyp anpassen, das wars. Gruß Christian
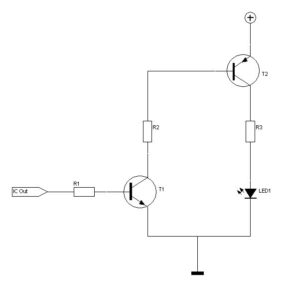
Danke erstmal, kann man das auch anders lösen da ich das ganze ja 32 mal brauche daher wäre eine Lösung nicht schlecht die sehr wenige bauteile benötigt.
Ja, eni integrierter HighSide-Treiber spart eindeutig Platz. Kenn mich mit den gängigen IC noch nicht so aus...bin eher noch ein Elektronik-Grünschnabel. =) Aber anstatt das ganze 32 (4 x 8 wegen Dotpoint, oder?) mal zu machen (dafür brauchst du auch 4 UDN2981), würde ich über Multiplexing nachdenken. LowSide kannst du problemlos mit deinen 5V out und einem NPN-Transistor treiben. http://www.mikrocontroller.net/articles/AVR-Tutorial:_7-Segment-Anzeige#Schaltung_2 Gruß Christian
Die einfachste Treiberschaltung dürfte so aussehen, wie im Anhang - mit einem PNP oder einem NPN-Transistor, und zwei bzw. nur einem zusätzlichen Widerstand. Die drei (oder vier) in Reihe geschalteten LEDs sollten die maximal 5V in Sperrichtung eigentlich "ganz gut wegstecken". Die "NPN"-Schaltung (rechts) benötigt ein High-Signal, das möglichst nahe bei 5V liegt, aber auch dann werden am Emmitter max. 4,3 V anliegen. Bei der "PNP"-Schaltung dürfte der Spannungsabfall über dem Transistor etwas kleiner sein, daher die unterschiedlichen Angaben für die Strombegrenzungs-Widerstände - die ich aber ohnehin experimentell bestimmen würde. MfG
Ich vergaß noch: Dazu braucht man jedoch zwei Versorgungsspannungen, +5V und -5V, wie die Bilder zeigen. Bei 32 Treibern könnte das aber der einfachere Weg sein... MfG
Danke erstmal für die vielen Antworten @lorio: Wäre nett wenn mir jemand die Widerstandswerte berechnen könnte. Hier die Transistortypen: BC557B und BC547A LED zieht 40mA an + liegen 7,2 Volt an, An IC out ist ein Atmega8 Schonmal Danke
Bitte melde dich an um einen Beitrag zu schreiben. Anmeldung ist kostenlos und dauert nur eine Minute.
Bestehender Account
Schon ein Account bei Google/GoogleMail? Keine Anmeldung erforderlich!
Mit Google-Account einloggen
Mit Google-Account einloggen
Noch kein Account? Hier anmelden.

