Hallo, ich habe im November im eBay-Shop "radiofactory" einen 2.4GHz Hand-Frequenzzähler Suchlink: http://search.ebay.de/search/search.dll?query=GY560 für Eur 6,60 (+9,- Porto) =15,60 per Paypal sofort gekauft. Nach ca. zwei Wochen erhielt ich den Frequenzzähler als Einschreibbrief. Einen Scan des Innenlebens (378 kB) habe ich im Forum als Zip file beigefügt. Die Kennung des Haupt IC's wurde vom Hersteller zwar weggefräst, aber nachdem ich das IC mit Lösungsmittel behandelt hatte, konnte ich einige Teile der Nummer lesen, und so die Typenbezeichnung des IC's rekonstruieren. Bei dem Zähler handelt es sich um einen Mikrocontroller des Typs ATMEL "ATmega8L-8PU". http://home.arcor.de/u101143665/ATmega8-245kB.pdf =ATMEGA8.pdf (245 kB 23 Seiten) http://www.atmel.com/dyn/resources/prod_documents/doc2486.pdf =ATMEGA8.pdf (4,5 MB 308 Seiten) -Der Mikrocontroller steuert ein zweizeiliges LCD-Modul an, welches aus 2 Zeilen mit je 8 Zeichen besteht. Die LCD-Anzeige ist mit 9 Leitungen mit dem Mikrocontroller verbunden: (anbei die Belegung des LCD Moduls aus dem Zip file): 1 VSS (Masse) 2 VCC 3 VEE 4 RS 5 R/W (im GY560 nicht verbunden) 6 E (im GY560 nicht verbunden) 7 DB0 (im GY560 nicht verbunden) 8 DB1 (im GY560 nicht verbunden) 9 DB2 10 DB3 11 DB4 12 DB5 (im GY560 nicht verbunden) 13 DB6 14 DB7 Anstelle des LCD-Moduls möchte ich die empfangenen Frequenzen in den PC einlesen und (mit einem selbstgeschriebenen Basic Programm) grafisch darstellen bzw. loggen. Die Datenverbindung könnte zum Beispiel durch den seriellen Port oder durch den Druckerport geschehen. -Muss man zum Connecten des Atmel mit dem PC ein eigenes Hardware-Interface bauen, oder gibt es bereits eine PC Software, die es erlaubt, ohne zusätzliche Hardware die Daten des Atmel über den Druckerport mitzuschreiben?
@ Dan Worel (pegasus) >-Muss man zum Connecten des Atmel mit dem PC ein eigenes >Hardware-Interface >bauen, Ja. Nimm klassich RS232 mit MAX232 oder neumodisch per USB-Emulation den FT232RL. > oder gibt es bereits eine PC Software, die es erlaubt, ohne >zusätzliche Hardware die Daten des Atmel über den Druckerport >mitzuschreiben? Nix allgemeines, alles nur speziell zugeschnitten. http://www.mikrocontroller.net/articles/AVR-Tutorial:_UART Und wenn du clever bist, tauschst du die ext. belegten Pins PD0 und PD1 mit anderen, und kannst parallel die Daten auf das LCD und den PC ausgeben. MFG Falk
Hallo, interessantes Teil für den Preis. Der MB506 ist sonst wohl kaum noch aufzutreiben. Zu Deinem Problem: es gibt keine "Daten vom Atmel", die Dir was nutzen würden. Du müßtest Das Datenblatt des Displays bemühen, mit einem zweiten Controller das Display sozusagen emulieren und die richtigen Daten aus den Steuerkommandos des Displays rausfiltern und passend zum PC schicken. Wenn ich es machen wollte würde ich den Schaltplan rauszeichnen, und den Mega8 mit einer neuen Software versehen, die die Daten zusätzlich über den UART zum PC schickt. Ich brauche es aber nicht, wüßte eigentlich auch nicht, was ich mit den Daten auf dem PC anfangen sollte... ;-) Nachtrag: @Falk Brunner: ich denke mal, wenn die sogar den Aufdruck abschleifen, werden auch die Lock-Fuses gesetzt sein... Gruß aus Berlin Michael
@ Michael U. (amiga) >würden. Du müßtest Das Datenblatt des Displays bemühen, mit einem >zweiten Controller das Display sozusagen emulieren und die richtigen >Daten aus den Steuerkommandos des Displays rausfiltern und passend zum >PC schicken. ??? >Nachtrag: @Falk Brunner: ich denke mal, wenn die sogar den Aufdruck >abschleifen, werden auch die Lock-Fuses gesetzt sein... Ja und? Wer will denn den Code auslesen? Ich nicht. Einfach neu schreiben, ist einfacher und schneller als Reengineering. Dann braucht man auch keinen zweiten Controler ;-) MFG Falk
>> Michael U. (amiga)wrote >> wüßte eigentlich auch nicht, >> was ich mit den Daten auf >> dem PC anfangen sollte... Hab noch keine Zeit gehabt, es zu erzählen. Ich wohne im ersten Stock in der City, und der Counter zeigt Frequenzen vorbeifahrender Autos an, auch wenn die Entfernung zu dem sendenden Objekt noch ca. 40 m beträgt. Derzeit ist ein NE555 Multivibrator an Pin 27 an dem Feldstärke-Eingang angeschlossen. Am Pin liegt 0,02 Volt an, wenn "kein Signal" anliegt und bis zu 3 Volt bei maximaler Signalstärke. Wird ein Funksignal detektiert, geht die NE555 Schaltung vom Ruhezustand (0 Hertz) in den Schwingzustand über, und ich höre über einen Lautsprecher einen höher werdenden Ton, je stärker das Signal wird. Da ich genug Erfahrung in Basic Programmierung habe, wollte ich eine Applikation schreiben, um die empfangenen Frequenzen zu loggen, und auszuwerten. Auch um zu sehen, ob man ungenaue Anzeigen des Counters (bei schwachen Signalen) durch Verwendung einer Korrekturroutine (also mit einem Programm) verbessern kann.
> ... der Counter zeigt Frequenzen vorbeifahrender Autos an, auch wenn > die Entfernung zu dem sendenden Objekt noch ca. 40 m beträgt. Ohhh, vorbeifahrende Autos senden? Wieder was dazugelernt.
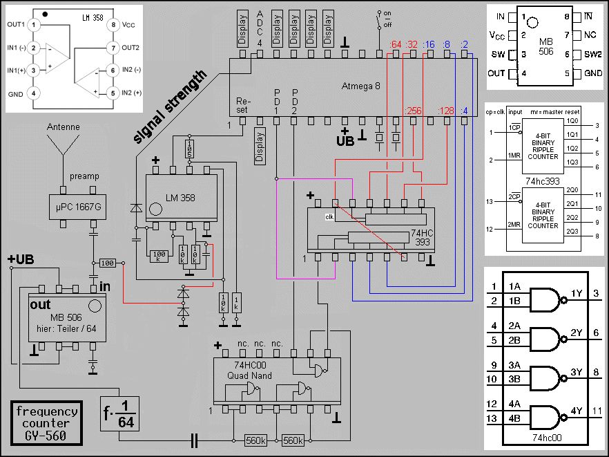
Hallo, welche Frequenz liegt am AVR an, wenn am Eingang 100 MHz anliegen? Der Vorteiler ( 74HC393 ) PDF hier (137 kB): http://www.nxp.com/acrobat_download/datasheets/74HC_HCT393_3.pdf ...teilt das Eingangssignal durch 256 (Pin 1 + Pin 13 sind Inputs)(2,12 Master Reset)(Pin 6+8 sind Outputs) Pin8 geht am AVR zu Pin 11,Pin 12 geht am AVR zu Pin 3 PS: Der IC 74HC00 ist ein Quad Nand mit je 2 Inputs (Gehäuse DIP14)
Hallo, so, falls es hier noch jemanden gibt, den das Teil interessiert: die Displaybelegung oben ist falsch angegeben, der Aufdruck auf der Rückseite zeigt richtig die Zuordnung zu den Nummern, die Nummeriereung ist auf der Displayseite angegeben! Das Display ist ein normales 2x8 Display und wird im 4.Bit-Mode betrieben. D4..D7 an OC0...PC3 (Pin 23-26 Controller) RS an PC5 (Pin 28) E an PD0 (Pin 2). PC4 wird für die Feldstärkeanzeige gebraucht. Der Vorverstärker ist recht interessant: µPC1667G von NEC. Breitband, Bandbreite 1200MHz, GaAs-Technologie, 22dB Verstärkung bei 500MHz. Der Vorteiler ist ein MB506 von Fujitsu, teilt durch 64, kann auch 128 und 256. Angegeben bis 2,4GHz, ECL-Ausgang. Der 74HC00 spielt ECL-CMOS-Pegelwandler, eigentlich mehr 2 Verstärker, 2 Gatter hintereinander jeweils mit 560k zwischen Ein- und Ausgang. Das dritte Gatter ist Torschaltung zum 74HC393, steuert von PD2 (Pin 4). Die 2. Hälfte des 393 ist mir noch völlig unklar, hängt mit Eingang und Ausgängen am Controller... Der LM358 ist einmal Verstärker für die Feldstärkeanzeige, einmal??? Da ist eine seltsame Beschaltung, die am Reset-Pin des Mega 8 endet, das muß ich mir nochmal anschauen. Dazu noch ein 78L05 für die 5V und 2 Transistoren für die Ein- Ausschaltgeschichte. Alles zusammen auch zur Bauteilgewinnung bei dem Preis nicht uninteressant, im Lieferzustand habe ich keine richtige Verwendung gefunden. Bei 200kHz-Raster meist No Signal, nur neben einem DECT zählt er da sinnvoll, in den anderen Bereichen zählt er "Hausnummern" ohne praktische Bedeutung. Wie auf dem Bild der Feldstärkebalken auf Anschlag kommt, wäre mal interessant, in einer Microwelle vielleicht??? ;-))))))))))) Gruß aus Berlin Michael
>Einen Scan des Innenlebens (378 kB) habe ich im Forum als Zip file beigefügt.
Aaaaaahhhhh, Ein Zip. Sonst noch was?
Aeh. So einen Zaehler auszulesen kann kaum schwierig sein.
  Hallo, der MB506 von FUITSU ist ein Prescaler /64/128/256 (im SO8 Gehäuse). Pin 2,3,6,7 sind verbunden (2=VCC), daher wird die Frequenz durch 64 geteilt. MB506P(2.5GHz) MB506PF(3GHz) PDF file: http://www.chinaicmart.com/buyer/search.html?keyword=MB506P&radiobutton=radiobutton&Submit=Search Datasheet MB506 261 kB im Dateianhang dieses Postings !
Das LCD Display ist von 'Amson'. Der Platinenaufdruck auf dem Display ist YJ-802A . Das LCD Modul hat 8characters x 2 Lines PDF file 84 kB im Anhang. PS (zur Frage): Habe einen Handsender eines Rauchmelders verwendet, und durch Anlöten des Sendemoduls an eine Batterie auf "Dauersenden" gestellt, und mit dem Scanner gescannt. -Deshalb ist die Feldstärkeanzeige auf Vollausschlag.
Hallo, falls noch jemand den MMIC vom Eingang benutzen will: Datenblatt hängt dran. Etwas schwer zu finden gewesen, kopfüber eingelötet und Beschriftung von IC und Board als CIB zu lesen. Heißt aber C1B... PS: @pegasus: Danke fürs Display-Datenblatt, weiß ich wenigstens den Controllertyp. Gruß aus Berlin Michael
Betr.: Posting vom: 07.01.2009 18:53 statt ... D4..D7 an OC0...PC3 (Pin 23-26 Controller) muss es wohl ... D4..D7 an PC0...PC3 (Pin 23-26 Controller) ... heissen.
amiga wrote: "die Displaybelegung oben ist falsch angegeben" Danke für den Hinweis, amiga. -Der Aufdruck auf der Platine ist um 180° gedreht. -Anbei das gescannte Bild des Displays nochmal, aber mit modifizierter Pinbelegung . (98kB / JPG)
Hallo, Die Beschriftung ist durchaus nicht falsch aufgedruckt, höchstens irritiernd. Es beschreibt die Belegung der Pins 1-14. Wie man auch an Deinem Bild gut erkennen kann, ist Pin 1 der Leiste rechts unten, erkennbar wie üblich am viereckigen Lötauge. Gruß aus Berlin Michael
Michael U. wrote: > Die 2. Hälfte des 393 ist mir noch völlig unklar, hängt mit Eingang und > Ausgängen am Controller... Der "geteilt durch 16" -Ausgang des 74HC393 führt auf den clk2-Eingang am selben IC. Durch diese Verschaltung hat die "2. Hälfte" des 393 die Teilerausgänge :32 :64 :128 und :256 ... und liefert an den Pins (18,19,13,11) des AVR folgende Frequenzen: Pin 18: Empfangsfrequenz /64 /32 (=Empfangsfrequenz/2048) Pin 19: Empfangsfrequenz /64 /64 (=Empfangsfrequenz/4096) Pin 13: Empfangsfrequenz /64 /128 (=Empfangsfrequenz/8192) Pin 11: Empfangsfrequenz /64 /256 (=Empfangsfrequenz/16384) Folgende Tabelle (siehe GIF-Grafik im Anhang) zeigt die Frequenzen, die an jedem einzelnen der acht Mikrocontroller-Pins anliegen.
(modified: 26.Jan 2009 14:12h) (modified: 26.Jan 2009 21:38h) (modified: 27.Jan 2009 07:03h Feldstärkeanzeige im Plan hinzugefügt) (modified: 29.Jan 2009 19:53h 1 Widerstand am LM 358 hinzugefügt) Attachement : ============== GOOIT "GY560" schematic GOOIT "GY-560" schematics GOOIT "GY-560" Schaltbild
Ansicht der Platine vor und nach Auslöten des Mikrocontrollers. An Stelle des Mikrocontrollers wurde eine 28pol. Präzisions- IC-Fassung mit gedrehten Kontakten aus Beryllium-Kupfer eingesetzt. Die Fassung ermöglicht es, den AVR zu wechseln, und (mit BASCOM) eigene Programme für den Frequenzzähler zu schreiben. Die Präzisions-Fassung gibt es bei Conrad auch vergoldet. Die war mir aber zu teuer, da sie knapp dreimal soviel kostet.
Im Forum ist die Editierung eines 3 Monate alten Beitrags leider nicht möglich. Nur ein Neuposting ist möglich. Ergänzung: 28 pol. Fassung, gedrehte Kontakte, Beryllium-Kupfer (Eur 0.84, Best. 189669)
>An Stelle des Mikrocontrollers wurde eine 28pol. Präzisions-...
Ich will deine Selbsgespräche ja nur ungern unterbrechen, aber so alle 
1-2 Jahre eine Zusammenfassung des Projektfortschritt reicht auch. 
IC-Fassungen und deren Bezugsquellen haben in einem Elektronikforum 
eigentlich keinen Neuigkeitswert.
Und noch ein Geheimtipp: Reichelt. Da kostet die vergoldete Fassung nur 
0,36 Euro. Ist zwar immer noch verdammt viel Geld, aber man gönnt sich 
ja sonst nix...
Oliver
  Leute wie Oliver haben's noch nicht verstanden: Das Internet ist kollektive Information und dieses Forum ein gut indizierter, leicht zugänglicher, bekannter, einigermassen sicherer Platz für diese Information (und für Werbung). Ausserdem weisst Du gar nicht, ob pagasus nicht eine "PM" erhalten hat und die Antwort jetzt allen zukommen lässt. Zumal er seinen bisherigen Post ergänzen wollte. So genug über dich aufgeregt, die anderen Trottel warten an jeder Ecke auf mich :-)
Na, dann noch zwei Geheimtipps: "Präzisionssockel" sind gar nicht dafür vorgesehen, IC's mehrfach ein- und wieder auszubauen. Wenn das von vornherein geplant ist, wäre ein Nullkraftsockel o.ä. besser geeignet. Der kostet dann aber richtig viel Geld. (sprich, knapp 5 Euro). Eleganter und im direkten (Wort-)Sinne der "ISP"-Schnittstelle (In System Programming-) wäre anlöten einer ISP-Buchse. Dann kann das IC am Platz bleiben. Oliver
Gast, könnt' sich bei Dir wie im Witz mit dem Geisterfahrer verhalten: "Was einer ? Hunderte !" :D
hallo, was ist aus dem Projekt geworden ? habe etwas ähnliches vor. Der Schaltplan ist sehr hilfreich.
Hallo, danke daß du den Schaltplan 'gelobt' hast. -Habe das "Prinzip-Schaltbild" bestimmt 20 Mal verbessert, und immer wieder hier im Forum hochgeladen. Habe eine Zwinge an eine 433 MHz Fernbedienung angelegt, sodass der Knopf permanent gedrückt war, und die Funksteckdosen-Fernbedienung in Dauerbetrieb sendete. An den Pins 18,19,13 und 11 des Frequenzzählers müßte dann eigentlich eine Frequenz von 26kHz bis 210 kHz anliegen (siehe Tabelle). Detektieren wollte ich diese Kilohertzfrequenz mit einem zweiten Atmega, der (mit Bascom) so programmiert war, dass er die am Eingangspin anliegende Frequenz durch 100 teilte, und am "Ausgangspin" ausgab. An den Ausgangspin schloss ich einen Verstärker an. Als ich den Eingangspin mit der Hand anfasste (der Eingangspin war mit 10 MOhm sehr hochohmig), brummte der Verstärker. Das war ein Zeichen, dass der Frequenzteiler funktionierte. -Jedoch, egal ob ich den Eingangspin an Pin 18,19,13 oder 11 des Frequency Counters anschloss, und ein 433 MHz signal sendete, es war nie etwas im Lautsprecher zu hören. Normal müßte aber die Frequenz (26kHz/100) zu hören sein! -Als ich nicht dahinter kam, woran der Fehler lag, habe ich damals das Projekt nicht weiter verfolgt. Das ist der momentane Stand der Dinge!
Ich habe vor Jahren ein 433 Mhz Empfangsmodul, ein Atmel und ein Lcd Display zusammen gebaut, um die Fernbedienungs Codes anzuzeigen. Nun suchte ich dafür ein Breitbandempfänger mit Frequenzanzeige, also ein Zähler mit Antenne. Da 2,4 Ghz nicht auf einem Lochraster gebaut werden sollte, also etwas fertiges. War alles zu teuer, bis auf den Gy560. Google fand nur einen sinnvollen Link, diesen ! Und dann gleich mit Schaltplan. Genau das was ich wollte, und das für nur 17 Euro incl. Versand. Glücklicherweise hattest du ja die Sache mit dem Sockel erwähnt, es ist ja nicht selbstverständlich das der Platz dafür reicht. Nach 14 Tagen ist das Teil nun angekommen. Nun zu deinem Problem: Ich staunte auch nicht schlecht,an den Zählerausgängen waren keine Impulse zu sehen, obwohl die Frequenz angezeigt wurde. Des Rätsels Lösung ist, das Gatter vor dem Zähler wird immer nur für einen kurzen Impuls freigegeben, währenddessen gemessen wird. Die Zähler stehen also die meiste Zeit! Aber für deine Anwendung kein Problem, an Pin 7 vom LM358 steht das demodulierte Signal mit ca. 4 Volt. Ein Kopfhörer oder Lautsprecher mit mindestens 200 Ohm Vorwiderstand lässt sich da wohl anschliessen, oder eben ein Verstärker. So und jetzt reiss ich den Atmel raus.., und dann bau ich meinen eigenen ein. Ich melde mich dann wieder.
Leider kann man seit 2010 nur noch FÜNFZEHN Minuten lang seine hochgeladenen Bild-Dateien ändern. Das ist für Elektroniker & Schaltplanentwickler unvorteilhaft. Den Frequenzzähler hatte ich 2009 als einzelne Platine auf dem Schreibtisch liegen. Ich hatte die elektronische Schaltung während dreier Tage (siehe mein Schaltplan-Posting vom vom 29.01.2009 19:55) in ein Schaltplan umzuwandeln. Dabei war es äusserst hilfreich, dass man immer wieder dieselbe Grafik hochladen konnte, um die Grafik auf den neuesten Stand zu bringen. Doch das Editieren ist jetzt nur noch FÜNFZEHN Minuten nach dem Hochladen möglich. Dies ist eine Verschlechterung für Elektroniker & Schaltplanentwickler. Anbei die upgedatete Version des Schaltbildes "gy560-schaltbild.gif"
(modified: 20.Jul 2010 09:38h Leitungsführung am ATMEGA verbessert)
Hans-michael K. schrieb: > Ich staunte auch nicht schlecht,an den Zählerausgängen waren > keine Impulse zu sehen, obwohl die Frequenz angezeigt wurde. Des > Rätsels Lösung ist, das Gatter vor dem Zähler wird immer nur für einen > kurzen Impuls freigegeben ... die Zähler stehen also die meiste Zeit Ja richtig, das Pin "PD2" des Atmega steuert das "clock enable" für den Zähler 74HC393. Der 74HC393 hat 8 einzelne Output-Pins, mit denen der Zähler von "0-255" zählt. Habe folgendes mit dem Voltmeter gemessen: Der Pol PD2 des Atmega hat in der überwiegenden Zeit den Zustand LOW. Er schaltet (ungefähr dreimal sekündlich) für ca. eine hundertstel Sekunde auf HIGH, um Zählimpulse durchzulassen (hörte das Knacken im NF-Verstärker). Ebenso ist der Pin... PD1 des Atmega standardmäßig auf LOW. Nur gelegentlich (dreimal sekündlich) geht PD1 für den Bruchteil einer Sekunde auf HIGH, um den Zähler zu resetten. Er bedient die Masterreset-Pins 2 und 12 des 74HC393.
Daniel W. schrieb: > Leider kann man seit 2010 nur noch FÜNFZEHN Minuten lang seine > hochgeladenen Bild-Dateien ändern. Das ist für Elektroniker & > Schaltplanentwickler unvorteilhaft. Jammer nicht, mach eine Wiki-Seite auf, statt einen Diskussionsthread. Im Wiki kannst du dir den Arsch rumeditieren wie du lustig bist.
Ja, deine Messungen kann ich voll bestätigen. Ich habe einen neuen M8 reingesteckt, Pin 1 (RESET) muss man natürlich abtrennen. Da du Bascom erwähnt hattest, hier das das Testprog., und das Ergebniss als Bild. Bin gerade am testen von meinem eigenen Messprog. Melde mich dann...
Es ist ein 8 * 2 Display, und deshalb müsste es in dem Basic-Programm Config Lcd = 8 * 2 heissen, und nicht Config Lcd = 16 * 2
Ansicht der 8 * 2 LCD-Displayplatine (Rückseite ). Damit es steckbar ist, wurde die Anzeigeeinheit mit vergoldeten Steckkontakten bestückt.
Ich habe es genauso steckbar gemacht. Bascom kennt kein 8*2 Display, das 16*2 ist aber voll kompatibel. Ich habe den 393 ausgelötet, ich brauche die Pins vom Atmel. Habe jetzt ein Mega88 eingesetzt, der ist auch ohne 393 als Vorteiler schnell genug. Mit 20Mhz Quarz, und den 506 als 256 Vorteiler statt 64 reicht das auch so bis 2,5Ghz. Den Draht von mir am 506 kann man ja auf dem Foto gut sehen. Ich habe sogar ein 22,1184 Mhz Quarz genommen, ist besser für die Baudraten erzeugung, falls ich die Serielle benutze, denn TXD ist ja nun auch frei geworden. Ausserdem habe ich noch RS vom Display von Port C5 nach Port B0 verlegt, weil ich einen Analogeingang frei brauchte, um die Batteriespannung zu messen. Ach ja die Led die man auf dem Foto sehen kann, ist an Pin 7 vom LM358 über 620 Ohm an Masse,und flackert immer schön mit bei Empfang. Sehr nützlich. Ich habe den Schaltplan jetzt auch in Eagle neu gezeichnet, ist einfacher zu Ändern. Erste Versuche mit eigenem Programm brachten sehr genaue Messergebnisse, aber bis alles fertig ist, werden wohl ein paar Wochen ins Land gehen.
Hannes Jaeger schrieb: > Jammer nicht, mach eine Wiki-Seite auf, statt einen Diskussionsthread. > Im Wiki kannst du ... rumeditieren wie du lustig bist. Habe ein WIKI aufgemacht für den Gy560-Zähler. Die URL lautet: http://gy560.wikispaces.com
Wie misst die Firmware des Atmega die Frequenz ? Nach meiner bisherigen Erkenntnis funktioniert es so: Am Atmega8 (an Pin ADC4) liegt das vom OPAMP LM358 verstärkte Antennen- eingangs-Signal an. Stellt ADC4 fest, dass eine Frequenz empfangen wird, schaltet Atmega8 das Pin PD2 auf HIGH, und lässt die Empfangs-Wellen, die mit einer Frequenz von (f * 1/64) am 74HC393 ankommen, durch. Die "Torzeit", also die Zeit, während der Empfangs-Impulse (hier: Empfangsfrequenz durch 64) durchgelassen werden, beträgt 1/100stel Sekunde (die Dauer 1/100s ist eine Schätzung des 'Thread Openers' pegasus). Ist die Torzeit vorbei, wird gemessen, wie weit die acht einzelnen Output-Bits des 74HC393,gezählt haben. Diese 8 Bits können maximal von "0-255" zählen. Wurde eine Frequenz von 150MHz empfangen, liegt während der Torzeit (an Pin 11 des Atmega8) eine Frequenz von rund neun kHz an. In 1/100stel Sekunde kommen rund (neun kHz geteilt durch 100) neunzig Impulse an diesem Pin durch. Ist die Torzeit vorbei, errechnet der Atmega8 die Frequenz. Rechen-Beispiel: 91 Impulszählungen wurden während 1/100stel Sek. an Pin 11 festgestellt 239 ist der Zählstand, den der 74HC393 Zähler hat (nachdem die Torzeit vorbei ist) ================== Summe: (91*256) + (239*1) = 23535 Der Atmega8 hat 23535 Zählungen festgestellt. Er errechnet nun, dass rund 150MHz angelegen haben. Rechnung : 23535 *100 (Hundertstel_Sekunden) *64 = 150624000 Hertz Also lag während der Torzeit (1/100stel Sekunde) an dem Frequenzzähler eine Frequenz von 150,624000 MHz an. PS: Dies ist lediglich eine persönliche Theorie, wie der Atmega wahrscheinlich die Frequenz ermittelt. -Kommentare und Korrekturen sind willkommen. mfg pegasus
Wie die Firmware arbeitet werden wir nie heraus bekommen, da man sie nicht auslesen kann. Deshalb habe ich gleich was eigenes angefangen. Erste Ergebnisse siehe Bild. Oben die Frequenz, unten Signal als S-Wert und rechts die Batteriespannung. Ist aber noch viel zu tun, um auch gepulste Signale mit grosser Genauigkeit zu messen. Das Original kann ja nur eins von beiden.
Hans-michael K. schrieb: > Ich habe es genauso steckbar gemacht. Ein steckbares Display macht die Sache einfacher. Als Stifte kann man nicht die standard RM 2.54 -Stifte mit 0.65mm Dm nehmen (sind zu dick!), sondern man muß die dünnen Stifte mit RM 2.00 und 0.50mm Durchmesser nehmen (Conrad Best.740094). Als Stifte könnte man auch die Stifte einer RJ45 Netzwerkbuchse aus einem alten Router nehmen. Diese Stifte sind 0.45mm dick (auch im Bild zu sehen). Als Gegenstück zu den Stiften nahm ich Beryllium-Kontaktfedern von einer gedrehten IC-Fassung (Beryllium-Kontakte siehe Posting vom 29.01.2009 19:56). Die Kontaktfedern haben einen geschlossenen Kelch, und können sich beim Löten nicht mit Zinn vollsaugen. Sie lassen sich am Füßchen, welches sich am Ende der Kontaktfeder befindet, prima einlöten.
Hallo Hans-michael K. (hansmicha), wo finde ich den Quelltext den du benutzt hast? Gruss rieselkalk
Hallo, habe hansmicha's JPG mal aufgehellt, und das Bild neu eingstellt. Bei dem aufhellten JPG sieht man, dass auf dem Display sogar was draufsteht. PS: Der Quelltext, den hansmicha benutzt hat, würde mich auch interessieren.
Hallo, mal wieder anbei die letzte testversion für bascom, leider nicht fertig. zuviel anderes zu tun. mach aber nochmal weiter. beachtet die von mir beschrieben schaltungs änderungen. leider darf man ja keine bearbeitbare schaltpläne posten, wie eagle, obwohl das prog kostenlos ist, und andere machen keinen sinn, wenn mehrere personen daran arbeiten, da änderungen ja nicht eingearbeitet werden können. bis bald
Hans-michael K. schrieb: > leider darf man ja keine bearbeitbare schaltpläne posten Wer behauptet denn das? Klar darf man. Nur da Eagle nicht gerade das Werkzeug der Wahl für Profis ist, wirst du hier nur wenige Eaglebenutzer finden.
@hansmicha Habe im Forum einmal nachgefragt. Die Mods von mikrocontroller.net stören sich nicht daran, ob ein Schaltplan "bearbeitbar" ist oder nicht. Sondern eher daran, dass ein Schaltplan "zu wenig" opensource -Charakter hat. Wenn ein Schaltplan in einem Format vorliegt, wo man erst eine (Kauf-) Software (oder eine mehrere hundert MB grosse Software) herunterladen muß, um den Schaltplan lesen zu können, dann empfehlen die Mods von mikrocontroller.net, dass man zu dem unüblichen Format zusätzlich einen Schaltplan im universellen gif oder pdf -Format beifügt. Natürlich muss auch das Copyright eingehalten werden. Aber juristisch betrachtet darf man ja ein Gerät, welches man in seinem Besitz hat aufschrauben, und die Bilder hier im Forum posten!
Es kommt vor dem Upload die Meldung: Schaltpläne NUR als PNG oder Gif, sonst wird der Beitrag gelöscht. Wie gesagt, "NUR" steht da und der "Beitrag", nicht nur der Anhang wird gelöscht! Das ist auch der Grund, warum dieses Forum für mich bisher nicht sonderlich interessant ist, denn wenn ich einen Beitrag finde mit einem Schaltplan, muss ich diesen ja komplett neu zeichnen. Dann kann ich das ja gleich selber machen. Die Arbeit, die andere schon gemacht haben, würde ich ja gerade gerne durch den Austausch im Forum nutzen können. Und natürlich meine Arbeit Anderen zur Verfügung stellen. Bisher ist das bei Schaltpänen in diesem Forum aber nicht so. Also bin ich über diese Aussage sehr verwundert! Ich deute dann mal das "NUR" als "auch als PNG oder Gif". Mal sehen was passiert. So, dann mal den original Plan, und den geänderten Plan b. die Gründe für die Änderungen hab ich ja beschrieben.
Hans-michael K. schrieb: > Es kommt vor dem Upload die Meldung: Schaltpläne NUR als PNG oder Gif, > sonst wird der Beitrag gelöscht. Damit ist gemeint: Wenn man Schaltpläne als Bild postet, dann soll es kein JPG sein. Die Warnung des Löschen des Beitrags wird nur sehr selten und nach einigen Hinweisen, doch bitte die richtigen Bildformate zu verwenden gemacht. Bei konstruktiven Beiträgen wie deinen habe ich selbst das noch nicht erlebt.
Hans-michael K. schrieb: > denn wenn ich einen Beitrag finde mit einem > Schaltplan, muss ich diesen ja komplett neu zeichnen. Musst du sowieso. Wenn hier ein Schaltplan im Altium- oder sonst einem Profiformat angehängt wird, wirst du den wohl kaum in dein Amateueagle laden können. Also besser als PNG anhängen, dann haben alle was davon. Abzeichnen muss man sowieso.
@ hansmicha >>wird der Beitrag gelöscht der Beitrag könnte gelöscht werden, wenn man Schaltpläne (statt im gif-Format) im jpg-Format einstellt. Das jpg Format hat die unangenehme Eigenschaft, dass es bei jedem Öffnen der Datei, Hinzufügen eines Schaltungsdetails, und anschließendem Speichern immer schlechter wird. Nach ein paar Dutzend mal editieren bekommt man ein total schlieriges Bild. Grafiken im Format gif und png gehören zur Gruppe der verlustfreien Bildformate. Das heisst, man kann eine gif Grafik unendlich oft öffnen, etwas hinzufügen, neu abspeichern, und das Bild wird von der Qualität niemals schlechter. >>ist auch der Grund, warum dieses Forum für mich >>bisher nicht sonderlich interessant ist Seh' ich ähnlich. Das uC Forum ist für mich wegen fehlender Funktionen nicht interessant. Liegt zum Teil an der eher eigenwilligen selbstgemachten Software. Als User kann man seine eigenen Beiträge nicht immer, sondern nur innerhalb einer kurzen Zeit löschen (veraltete Schaltpläne sind dadurch nicht löschbar, wenn man seinen Schaltplan nach einigen Wochen einmal upgedatet hat), und ein User kann die Liste seiner eigenverfassten Beträge nicht listen lassen, da hierzu in seinem persönlichen Profil leider die dafür nötige Funktion fehlt. >>So, dann mal den ... geänderten Plan b Super, dankeschöön!
Daniel W. schrieb: > veraltete Schaltpläne sind dadurch nicht löschbar, wenn man seinen > Schaltplan nach einigen Wochen einmal upgedatet hat Für solche Projekte ist das Wiki besser. siehe z.B. AVR-Transistortester > ein User kann die Liste seiner eigenverfassten Beträge nicht listen Doch, hier: http://www.mikrocontroller.net/user/my_posts (Einstellungen -> Threads mit meinen Beiträgen)
@esko >>esko wrote: >>Doch, hier: http://www.mikrocontroller.net/user/my_posts Ok, esko. Wenn es jetzt doch möglich ist, dann wurde ich von den 34 "Antwort-Gebern" in dem (von mir eröffneten) Thread: Beitrag "Wo ist die Liste meiner verfassten Beiträge?" ...nicht vollständig informiert. Habe eigens dort nachgefragt, ob es im persönlichen Userbereich eine "Funktion" gibt, wo man die Liste seiner eigenverfassten Beträge listen lassen kann. -Ich schätze, dass diese "Spezial-Funktion" im September 2009 von den Programmierern, die die Forensoftware machen, ergänzt wurde.
Für die Versionsverwaltung von Programmen, Schaltplänen, etc. steht jedem Benutzer übrigens auch ein SVN-Server zur Verfügung.
Liebe Leute, bleibt doch bitte beim Thema. z.B Wo sind noch Fehler im original Schaltplan von hansmicha? z.B Kondensator beim Quarz, Reset Anschluß vom LM358. Danke!!
Ich habe mal eine theoretische Pegel Betrachtung versucht. Bei ca. 2Ghz Eingang uPC1667: 15 mV Ausgang uPC1667: 150 mV Eingang MB506: 140 mV Ausgang MB506: 500 mV Da taucht bei mir die Frage auf: Wie funktioniert das mit der Pegel Anzeige? Eine Ge Diode braucht doch mindestens 200mV. Die nächste Frage: Wie bekomme ich den Vogel bis 2,5 Ghz Empfindlicher und das mit einer brauchbaren Pegel Anzeige. Hat schon Jemand herrausgefunden wofür ich den Reset Eingang gebrauche?
Stimmt Resetleitung und Kondensatoren im Original vergessen. Die Kondensatoren sind in der b-Variante nicht nötig, da ich ja ein Mega88 benutze, und da hängt es von den Fuses ab. Die Resetleitung sorgt dafür, das bei gepulsten Signalen nur während der Pulsdauer gemessen wird. Da ich aber auch dir Pulsdauer und die Pulsfrequenz anzeige, musste ich das anders lösen. Sind wohl Schottkydioden, Anzeige erfolgt schon bei einigen mV an der Antenne. Weniger geht auch nicht, wegen dem Vorteiler. Für höhere Empfindlichkeit kann man z.B. einen Sat- Inlineverstärker nehmen. Dann muss man natürlich statt der Antenne eine Buchse einbauen. Ist bei genaueren Messungen ja sowieso nötig.
      Beitrag #5807191 wurde von einem Moderator gelöscht.
  
      
        
      Beitrag #5807193 wurde von einem Moderator gelöscht.
  
    
    
        
Bitte melde dich an um einen Beitrag zu schreiben. Anmeldung ist kostenlos und dauert nur eine Minute.
  
  Bestehender Account
  
  
  
  Schon ein Account bei Google/GoogleMail? Keine Anmeldung erforderlich!
Mit Google-Account einloggen
Mit Google-Account einloggen
  Noch kein Account? Hier anmelden.















 Thread beobachten
 Thread beobachten Seitenaufteilung abschalten
 Seitenaufteilung abschalten