Hallo zusammen. Für die meisten von euch mag das Folgende Problem ein klax sein, aber ich hatte bisher leider nicht soviel zu tun mit transistoren. Also: Ich möchte mit meinem PIC 24Volt schalten. Aber High-Side und nicht Low-Side. Gehen tut es konkret um eine 24Volt leitung, welche zu einem anderen gerät gelegt wird und dieses nur "High" oder "Low" erkennen muss. Die 24Volt sollten aber auch auf 12Volt geändert werden können. Jetzt hatte ich es mit der angehängten schaltung probiert, und dachte das es funktionierte, aber ihrgendwie bekomm ichs (nicht mehr) hin. Kann mir jemand helfen auf was ich achten muss, oder hat jemand eine komplett andere idee wie ich das lösen kann?? mfg und vielen dank empi
Hi, Q2 kannst du weglassen, direkt an den Collector von Q3 die 12V klemmen und wenn du die schalten willst, noch nen pnp Transistor dahinter...
meinst du die 12/24Volt and den Q3 Collector direkt ohne vorwiderstand? und R2 auch weglassen? Ihrgendwie bekomm ich das nicht gebacken! :-( Hab die schaltung prinzipell aus dem "wiki" hier. nur das ich Q3 selbt noch hinzugefügt habe, um des ganze wieder "zurückzuinvertieren". --> das ganze sollte nach möglichkeit nicht invertiert sein, da ich so die Software nicht ändern muss!!! Und ach ja R3 war in meiner Testschaltung 0 Ohm --> wos glaub ich schonmal funktioniert hat. Und eine weiter Frage: Hab hier nur noch BC858C hier herumliegen --> müsste ja mit denen auch genauso funktionieren. mfg Empi
nim nen udn und gut, dann musst du nicht lange darüber nachdenken...
Nachtrag: Das ganze soll natürlich auch billig sein, da es sich hier nicht um eine "heimgerät" handelt, sondern um serienfertigung. mfg
so, nochmal ich, sorry ;-) würde sowas funktionieren? http://at.farnell.com/zetex/zxgd3003e6ta/driver-gate-bipolor-5a-peak/dp/1549140 mfg
danke einmal für die antworten. vom BSS84 werd ich mir gleich mal 10 bestellen, aber hat keiner eine idee mit "normalen" transistoren, bzw. warum die schaltung adaptiert werden kann? Last muss wie gesagt keine geschaltet werden, da es nur eine kommunikation ist, mit einem signal, was max alle 5ms wechselt, und selbst das nicht kritisch ist. würde das mit dem BSS84 auch funktionieren wenn die VCC zwischen 5 und 30 Volt liegt? --> sollte das ziel sein. mfg und vielen dank
>vom BSS84 werd ich mir gleich mal 10 bestellen, aber hat keiner eine >idee mit "normalen" transistoren,.... Mit einem PNP anstatt des BSS84 sollte es auch gehen. Evt. halt die Widerstände noch anpassen. >würde das mit dem BSS84 auch funktionieren wenn die VCC zwischen 5 und >30 Volt liegt? --> sollte das ziel sein. Sollte gehen.
aber dann bin ich ja e wieder auf dem, was ich schon hatte oder? oder vom prinzip her auf dem selben? mfg
@Empi (Gast) Die Schaltung von Jörg S. ist schlecht. Denn 24V Gate-Source Spannung mögen die meisten MOSFETs nicht. Und von variabler Spannung an den 24V mal ganz zu schweigen. Man kann es auch richtig machen. Beitrag "Re: Strombegrenzt schalten" Q2 kann man logischerweise gegen einen wesentlich kleineren Typen tauschen, BC327 wenns THT sein soll, BC857 in SMD. R3 kann man vergrösseren, um den Kurzschlusstrom zu verringern. Das Ganze ist dann bezüglich der 24V sehr flexibel, sollte so von 5..50V laufen. MFG Falk
Der TIP42C ist mir zu groß. Bräuchte eher was mit SMD. <-- Leistung brauch ich ja keine. gibts keinen einfachen Treiberbaustein? würde sowas nicht einfach funktionieren: ZETEX - ZXGD3003E6TA - DRIVER, GATE, BIPOLOR, 5A (PEAK http://at.farnell.com/zetex/zxgd3003e6ta/driver-gate-bipolor-5a-peak/dp/1549140 mfg und danke empi
>Nachtrag: >Das ganze soll natürlich auch billig sein, da es sich hier nicht um eine >"heimgerät" handelt, sondern um serienfertigung. dann solltest du als Heimwerker das vielleicht einem Fachmann überlassen??
Nimm einen BSP452 oder einen BSP742 von Infineon oder einen VN800 von National oder einen ähnlichen High-Side Smart-Switch (TI, ST...).
@bernd Danke für deinen konstruktiven Beitrag, der hilft mir aber nicht weiter! mfg
@Empi (Gast) >Der TIP42C ist mir zu groß. >Bräuchte eher was mit SMD. <-- Leistung brauch ich ja keine. Lesen kannst du aber? Dann lies mein Posting nochmal LANGSAM und GRÜNDLICH. Leute gibts . . . >gibts keinen einfachen Treiberbaustein? Billiger als zwei 0815 Transistoren und drei Widerstände wirds nicht.
>Denn 24V Gate-Source Spannung mögen die meisten MOSFETs nicht.
Dann tun wir noch 'n Widerständchen rein und schon geht's bis 40V. Nur
mit den 5V wird's halt ein bisschen knapp ;)
Für die Miniaturisierung könnte man sich dann auch Halbbrückentreiber
mit 2 Bipolar oder 2 MOSFETs in einem Gehäuse suchen (sowas wie
Si5504DC).
http://www.fairchildsemi.com/ds/FD/FDC6323L.pdf gibts bei farnell http://de.farnell.com/fairchild-semiconductor/fdc6323l/mosfet-dual-np-smd-supersot-6/dp/1467965 gibt aber nur noch 9 Stück ;-))
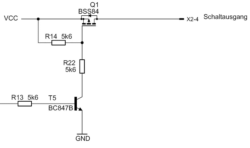
Hallo zusammen Danke für eure Hilfe. Habs jetzt mal hinbekommen mit der angehängten schaltung. (In PSpice vorhher simuliert) Danke an alle die mir geholfen haben. Was auf der Schaltung jetzt nicht drauf ist, ist ein widerstand und ein kondi parralel zum ausgang auf masse. Nach möglichkeit wärs nicht schlecht den ausgang kurzschlusssicher zu machen. Wüßte da jemand eine einfach möglichkeit? Einen Widerstand möchte ich nach möglichkeitvermeiden, da ich nicht weiß, was nach dem ausgang kommt. mfg und danke empi
Empi wrote: > Nach möglichkeit wärs nicht schlecht den ausgang kurzschlusssicher zu > machen. Wüßte da jemand eine einfach möglichkeit? > ... da ich nicht weiß, was nach dem ausgang kommt. >> Nimm einen BSP452 oder einen BSP742.... Die Dinger werden bei Kurzschluss heiß und dann schaltet die interne Temperaturbegrenzung ab. Die Schaltung, die du jetzt gerade untersuchst wirst du nicht so einfach (dauerhaft) kurzschlussfest bekommen, wenn du bei 12V oder 24V noch nennenswerte Ströme fliessen lassen willst... :-/
@Empi (Gast) >Nach möglichkeit wärs nicht schlecht den ausgang kurzschlusssicher zu >machen. Wüßte da jemand eine einfach möglichkeit? Sie ist kurzschlusssicher, wenn Q3 im Kurzschlussfall die Wärmeleistung 24V*Imax abgeben kann. Stand auch alles in der Schaltungsbeschreibung . . . @Lothar Miller (lkmiller) >Die Schaltung, die du jetzt gerade untersuchst wirst du nicht so einfach >(dauerhaft) kurzschlussfest bekommen, Doch. > wenn du bei 12V oder 24V noch >nennenswerte Ströme fliessen lassen willst... :-/ Lesen . . . "Last muss wie gesagt keine geschaltet werden, da es nur eine kommunikation ist, mit einem signal, was max alle 5ms wechselt, und selbst das nicht kritisch ist." MFG Falk P.S. Wenn man mal 5mA als sehr luxeriösen Ausgangsstrom ansieht, dann muss im Kurzschlussfall 24V*5mA=120mW verheizt werden, das schafft sogar ein SOT-23 Gehäuse mit ein klein wenig Kupferfläche.
Nachtrag. In der Simulation fehlt der wichtige Widerstand an der Basis von Q3!
Bitte melde dich an um einen Beitrag zu schreiben. Anmeldung ist kostenlos und dauert nur eine Minute.
Bestehender Account
Schon ein Account bei Google/GoogleMail? Keine Anmeldung erforderlich!
Mit Google-Account einloggen
Mit Google-Account einloggen
Noch kein Account? Hier anmelden.



