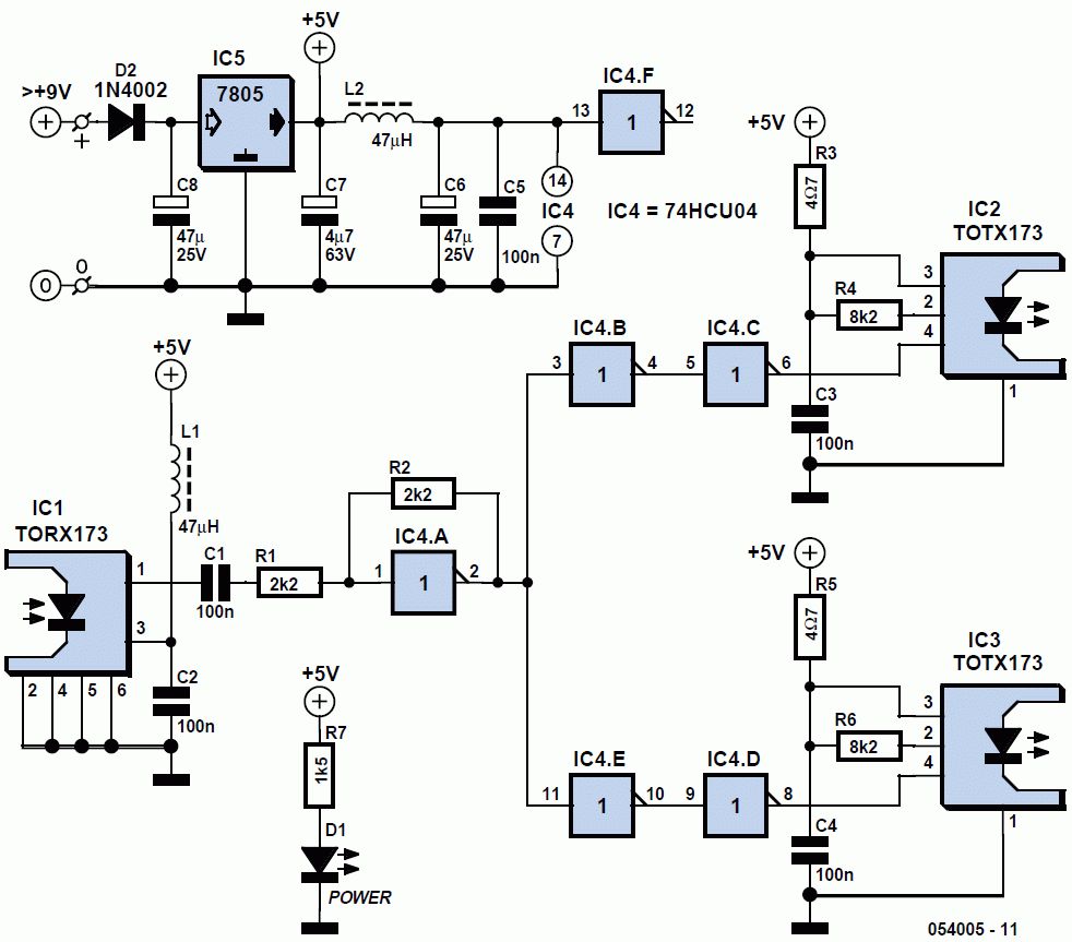
Hallo zusammen, ich möchte einen ADAT®-Splitter bauen um das Signal von einem achtfach Mikrofonverstärker auf ein digitales Mischpult und ein FireWire Recording Interface zu führen. Im Netz habe ich einen Schaltplan gefunden (s. Anhang) der aufgrund seiner Bauteile wahrscheinlich für den Heimkino-Bereich o.ä. konzipiert wurde. Für die Verwendung mit ADAT würde ich einfach "schnellere" Bauteile verwenden, allerdings ist meiner Meinung nach in dem Plan eine Invertierung zu viel (IC4.A). Laut Datenblätter der TOSLINK-Stecker (TORX173 u. TOTX173) besteht HIGH-Pegel wenn Licht empfangen/gesendet wird, bzw. LOW-Pegel wenn eben keine Licht da ist. Mir ist auch die Kombination aus C1, R1 und R2 nicht ganz klar. Hier also konkret meine Fragen: Ist IC4.A notwendig? Was macht C1 (evtl. AC-Kopplung/DC Entkopplung)? Wird IC4.A evtl. mit R2 "überbrückt"? Die im original Plan verwendeten Bauteile für IC1, IC2 und IC4 würde ich aufgrund der höheren Datenrate von ADAT® mit TORX147L, TOTX147L und SN74LVCU04A (TI) ersetzen. Wenn es hilft kann ich auch alle DB einem ZIP-file anhängen.
Ist IC4.A notwendig? Ja C1(DC Entkopplung), R1, R2 und IC4.A arbeiten als linearer Verstärker (deshalb auch 74HCU U=Unbuffered). Der Vorteil des Verstärkers liegt auch darin, das man ein SPDIF Signal per Koaxkabel einspeisen könnte. IC4.B-D erhöhen die Flankensteilheit. Aufgrund der Kodierung beeinflußt eine Invertierung nicht das Signal.
Der Buffer mit IC4.A (als Linear Verstärker ist vollkommen unnötig. Das macht man so, wenn RCA Pegel (Chinch) empfangen werden. Bei Toslink kann das entfallen stört aber nicht. Schneller Bauteile sind nicht notwendig. Die Anzahl der Invertierungen spielt auch keine Rolle, da bei SPDif die Informationen in den Flanken stecken. Übertragungsfrequenz ist bei ADAT auch 12.288 MHz Thomas
OK. Soweit schon mal vielen Dank für die Antworten. Das mit IC4.A als linear Verstärker und der Anschlussmöglichkeit per Koax (Chinch) ist mir jetzt klar. Hätte ich mal früher ins DB eines 74HCU04 gekuckt :-) (s. Anhang) Ich werde den linear Verstärker im Layout mal vorsehen, aber auch die Möglichkeit, ihn zu überbrücken. Mit schnelleren Bauteilen meinte ich vor allem die TOSLINK-Stecker. Die TOR(T)X147 können 15Mbit/s und bei ADAT wird ja mit 12,288Mbit/s übertragen. Die TOR(T)X173 können laut DB nur 6Mbit/s. Ich werde mir auch beide Varianten des HEX-Inverters bestellen. Den SN74LVCU04A schon deshalb, weil er mir für 3,3V Betrieb geeigneter scheint als der „standard“ 47HCU04. Das gilt es ja bei den 147er TOSLINKs zu beachten. Dann werd ich mal bestellen und aufbauen. Die Stecker sind bei Farnell sogar noch recht günstig. Wenn alles funktioniert melde ich mich wieder. Vielen Dank für die Hilfe. Jochen
Wenn ich mir den Schaltplan angucke, sieht das ziemlich nach ELV aus. Da könnte man bestimmt auch den Bausatz bestellen...
Hi >Wenn ich mir den Schaltplan angucke, sieht das ziemlich nach ELV aus. Da >könnte man bestimmt auch den Bausatz bestellen... Eher Elektor. MfG Spess
>>Wenn ich mir den Schaltplan angucke, sieht das ziemlich nach ELV aus. Da >>könnte man bestimmt auch den Bausatz bestellen... >Eher Elektor. Stimmt.
Die Ausgänge und Eingänge der TOTX/TORX-Bausteine kann man direkt zusammenklemmen, wobei ein TORX locker bis zu 5 TOTX treiben kann, bei mehreren tut´s ein einfaches, nichtinvertierendes HC-CMOS Gate, welches dazwischengeschaltet wird. So kann man bis zu 20 TOTX an einen TORX hängen. Wichtig ist nur, daß man Bausteine mit 15Mbit Datenrate verwendet.
Travel Rec, das ist die Antwort auf die eigentlich gewartet habe. Hab's mir schon fast gedacht :-)
Hallo Jochen, hast Du das Projekt realisiert ? Ich wäre an einem Erfahrungsaustausch interessiert. Gruß und Danke
Hallo SFL, habe den Splitter/Umschalter gebaut. Ich konnte noch nicht alles testen aber soweit funktioniert das Ding tadellos. Werde demnächst Schaltung und Layout posten. Vielen Dank nochmal alle Helfer.
So, hier ein PDF was ich fabriziert habe. An JP1...3 ist ein 3-fach Umschalter angeschlossen. Auf den beiden Bildern fehlen noch die Sender. Die waren nicht gleich lieferbar, sind aber mittlerweile bestückt. Bleibt noch die Frage, wie der Splitter eingesetzt wird. Mit der Platine werden ein Yamaha 01V96 Digitalpult, drei 8-fach Mikrofonverstärker und ein Presonus FireStudio lightpipe Audioinerface verbunden. Ich kann jetzt 32 Mono-Kanäle über FireWire aufzeichnen und bei Bedarf 24 Kanäle im Pult mischen.
Hallo Jochen! ich bin sehr an einem ADAT Splitter interessiert (3x Adat in, 6x out). Mir fehlen leider die Vorraussetzungen und Möglichkeiten deine Schaltung zu realisieren. Würdest du für ein entsprechendes Entgeld mir ein solches Modul bauen? Danke für die Info.
Hallo Andreas, werde versuchen Material und Zeit auszurechnen. Schauen wir mal, was dabei rauskommt. Jochen
Du könnstest auch einen ADAT Multicore Extender www.appsys.ch/de/products/digitalaudio/adatmulticoreextender dafür "missbrauchen" (ein einzelner ADX-64A-PRO reicht dafür, mit einem kurzen Patchkabel beide 32-Kanal-Submodule verbinden und Du hast 4x In, 8xOut).
Juergen S. schrieb: > Lässt sich was über die Signalqualität besagen? Ja, das funktioniert ohne hörbare Qualitätseinbussen (digital). Lediglich der Jitter nimmt prinzipbedingt etwas zu, das stört aber nicht weiter, weil die Limits der ADAT-Spezfikation nach wie vor eingehalten werden. [Achtung: Manche Geräte wie Yamaha-Mischpulte halten sich bei 48kHz Samplerate nicht an die Spezifikation - dort ist es erforderlich, das ADAT-Signal neu zu takten. Dies ist aber machbar bzw. erhältlich, bitte um PN falls gewünscht.]
> Rolf Eichenseher > (Firma: Application Systems) Wow: ASH. Da werden Erinnerungen wach!
Hallo Jochen, könntest Du die Projektdatei hochladen? Ich würde gerne noch ein paar Kleinigkeiten verändern, habe aber momentan nicht die Zeit alles neu zu erstellen. Gruß Axel
Moin, das Thema lässt mir doch keine Ruhe. Bin nun über diese ADAT/TOSLINK Extender gestolpert, mit denen man das ADAT-Signal über ein Cat5 Kabel auf bis zu 100m Reichweite übertragen kann. Meint Ihr, man könnte die ADAT Sender und Empfänger ohne weitere Verstärkung auch über ein 50-100m Twisted Pair Kabel verbinden? Das wäre dann eine ziemlich günstige Variante um sich in Verbindung mit einem Digitalpult ein digitales Multicore mit 32 Hin- und 8 Rückwegen zu bauen. Außerdem könnte so das Signal zusätzlich für Recording oder ein zweites Monitorpult aufgesplittet werden. Hätte alternativ jemand eine Verstärkerschaltung für diesen Einsatz im Angebot? Viele Grüße
Hab mich des Themas mal angenommen, herausgekommen ist das: http://appsys.ch/de/products/adattoslink-splitter
Rolf Eichenseher schrieb: > Hab mich des Themas mal angenommen, herausgekommen ist das: > http://appsys.ch/de/products/adattoslink-splitter Wow! Hätte ich vor Jahren mal gebrauchen können. Axel schrieb: > Bin nun über diese ADAT/TOSLINK > Extender gestolpert, mit denen man das ADAT-Signal über ein Cat5 Kabel > auf bis zu 100m Reichweite übertragen kann. Link? Bin auch gerade dabei, Audio über Netz zu schieben.
Wenn Du schon AES hast, kannst Du damit doch direkt auf das Cat.5 gehen - das sind 110Ω Wellenwiderstand - passt! Gruß Jobst
Bitte melde dich an um einen Beitrag zu schreiben. Anmeldung ist kostenlos und dauert nur eine Minute.
Bestehender Account
Schon ein Account bei Google/GoogleMail? Keine Anmeldung erforderlich!
Mit Google-Account einloggen
Mit Google-Account einloggen
Noch kein Account? Hier anmelden.

