Hi, Bei Pollin gibt es zur Zeit das Display LJ640U34 (120620). Wenn ich das richtig sehe, hat das Teil EL-Hintergrundbeleuchtung Google ist eigentlich voll von dem Display, konnte aber leider kein DBL ausfindig machen. Zur Ansteurung sind nur 2 Data Leitungen herausgeführt(denke ich mal) Wird das seriell angesteuert? Kriege ich das als Bastler zum laufen? Dank Euch mal schon Wigbert
Wigbert Picht-dl1atw schrieb: > Wenn ich das richtig sehe, hat das Teil EL-Hintergrundbeleuchtung Wenn ich das richtig sehe, hat das Teil gar keine Hintergrundbeleuchtung. Es sollte sich um ein Elektrolumineszenzdisplay handeln, bei dem die Pixel selbst leuchten (ähnlich eines OLED-Displays). Zu dieser Erkenntnis hat mich die Suche im Netz gebracht. Das Bild, welches Pollin auf der Artikelseite zeigt, scheint dementsprechend auch nicht wirklich das angepriesene Produkt zu zeigen. > Google ist eigentlich voll von dem Display, konnte aber leider > kein DBL ausfindig machen. Auf die Schnelle hab ich auch nur diese Infos finden können: http://www.lj640u34.com/photo_gallery/photo_gallery.htm http://www.industrial-monitors.com/sharp-industrial-monitors.htm http://www.industrial-monitors.com/LJ640U32.pdf http://www.youtube.com/watch?v=2O-WJzbt22k > Zur Ansteurung sind nur 2 Data Leitungen herausgeführt(denke ich mal) > > Wird das seriell angesteuert? Kriege ich das als Bastler zum laufen? Jau, wird wohl seriell angesteuert, besitzt aber keine eigene Intelligenz. Das Display muss also permanent mit Displaydaten versorgt werden. Pin 15 = DATA SIGNAL ODD COLUMN Pin 16 = DATA SIGNAL EVEN COLUMN Das Display wird simultan mit zwei seriellen Datenströmen beschickt. Über Pin 15 gehen die Daten für die ungeraden, über Pin 16 die Daten für die geraden Zeilen. Und: Ja, man kann das Display als Bastler zum laufen kriegen. Ob Du das mit deinen Fähigkeiten kannst, weiß ich nicht. Ich finde auf jeden Fall, dass es ein interessantes Display ist ;)
Das Kabel links sieht sehr nach einem CCFL Backlight aus (sowohl der Stecker, als auch die Farben: rosa: HV, weiß: GND, und auch der Rahmen links in dem sich die CCFL befinden könnte, der Rest, sowie die Bezeichnung sprechen aber für ein EL Display. Irgendwie sehen die Fotos im Internet auch alle anders aus, als das von Pollin. Hat Pollin da etwa ein falsches Bild drin?
Und wie könnte man das teil Ansteuern (am besten mit einen AVR)? Laut Pollin hat es folgende Pinbelegung: - Pin 1/2 = +12 V - Pin 3/4 = +5 V - Pin 5/6 = nicht belegt - Pin 7/8 = GND - Pin 9 = V-SYNC - Pin 10 = nicht belegt - Pin 11 = H-SYNC - Pin 12 = GND - Pin 13 = DATA TRANSFER CLOCK - Pin 14 = GND - Pin 15 = DATA SIGNAL ODD COLUMN - Pin 16 = DATA SIGNAL EVEN COLUMN
Mit einem AVR direkt wirds schwer: 640x400x70Hz=18MHz. Da man 2 Leitungen hat, reicht die Hälfte, also 9MHz. Man müsste also etwas Logik zusammenbauen um mit einem AVR 8bit ausgeben zu können, die dann als 2x 4bit seriell übertragen werden. Der AVR selbst müsste nur 2,25MByte/s liefern, was kein Problem sein sollte.
*Jungs, es gibt gute Neuigkeiten* Im Anhang ist ein verwertbares Datenblatt. Es stammt zwar von einem SHARP LJ64EU34, aber Auflösung, und Pinbelegung passen. Gruß, Magnetus
Hi, Dank Euch mal schon, wie es Aussieht hat Pollin nur einige Displays davon. Wenn meine ankommen OK, aber großartige "Entwicklungshilfe" kann man wohl nicht erwarten. Wigbert
Wigbert Picht-dl1atw schrieb: > Wenn meine ankommen OK, aber großartige "Entwicklungshilfe" > kann man wohl nicht erwarten. Täusch dich da mal nicht. Mit ein paar Standard TTL Keksen und nem 32 Kilobyte SRAM müsste sich was zaubern lassen.
>Täusch dich da mal nicht.
Na ja, was ich kaufe, werde ich sicher zum Laufen bringen,
aber ich fürchte es bleibt bei einen Zwie-/Drittgespräch,
was eigentlich nicht der Sinn einer Forumfrage wäre.
Mal sehen wann die Dinge kommen, dann kann man noch bessere Aussagen
treffen. Ich stufe das Display erstmal als "NICHT HOFFNUNGSLOS" ein.
Wigbert
Das Bild zum Display bei Pollin muß falsch sein. Ich habe solche Displays in echt schon gesehen (aber kleinere Ausführung der gleichen Serie, mit etwa halb sovielen Pixeln). Die sind wirklich selbstleuchtend, und die Displayfläche sieht ausgeschaltet heller aus als auf dem Foto. Eine CCFL-Röhre gibt es auch nicht. Die kleinere Variante, die ich kenne, wird mit einer Art Videocontroller im 40-poligen DIP-Gehäuse, der einer altmodischen Grafikkarte ähnelt, angesteuert. Das ganze hat entfernte Ähnlichkeit mit einem controllerlosen LCD - wenn man die Ansteuerung ohne Spezialbauteile bewerkstelligen will, muß man ziemlich schnell sein. Im Gegensatz zum LCD flimmern diese orangeleuchtenden EL-Displays recht stark, weswegen man für ein gutes Bild die maximal zulässige Ansteuerfrequenz schon ausreizen muß.
Sebastian schrieb: > Die kleinere Variante, die ich kenne, wird mit einer Art Videocontroller > im 40-poligen DIP-Gehäuse, der einer altmodischen Grafikkarte ähnelt, > angesteuert. Ist das vielleicht ein HD6845?
Habe ich jetzt nicht im Kopf, da müßte ich nächste Woche in der Firma nachsehen. Kann aber gut hinkommen, in dem System ist ein 68000er als CPU verbaut, das würde passen.
Von vorne. Ich habe ein paar VRAMs 256Kx4 rumliegen, mit denen dürfte das problemlos machbar sein. Würden sich folglich sogar 2 Displays ansteuern lassen. ;-)
Und von hinten. Ziemlich gewichtiges Teil. Subjektiv fast so schwer wie mein ganzer Rechner (eeepc ohne Akku) mit ebenso grossem Display. Das unten drunter ist übrigens Pollins Verpackung. Die Dinger sind doch tatsächlich einzeln sauber verpackt. Kenne ich von Pollin auch anders.
Genau so ein Display habe ich erwartet ;) Ein "normales" SRAM müsste theoretisch auch gehen, da bei 8MHz Displaytakt für einen SRAM-Lesezyklus ganze 500ns zur Verfügung stehen. Allerdings benötigt man dann noch zusätzliche Logik um die 8 Bit Daten in zwei serielle Datenströme umzuwandeln und um ein Speicherinterface für den Controller zu implementieren. Hast du nähere Infos, wie viele Displays bei Pollin vorrätig sind?
Das schaut ja gut aus. Ich habe ebenfalls ein Display bestellt und schon erste Grundzüge der Ansteuerung entworfen. Die Ansteuerlogik übernimmt ein kleiner CPLD und ein SRAM. Leider hab ich momentan extrem wenig Zeit, sodass es mit der Fertigstellung noch ein wenig dauern wird. Hias
>Hast du nähere Infos, wie viele Displays bei Pollin vorrätig sind?
na ja, glaub 13 Stück noch, aber die sind für viel Geld woanders wohl
auch zu haben
Wigbert
Keine Ahnung wieviele er davon hat. Nachteilig könnte bei solchen Dingern aber die Neigung zum persistenten Standbild (lies: einbrennen) sein. Ausserdem ist der Stromverbrauch laut Datasheet auch nicht von schlechten Eltern (11W typ, 17W max), das Ding frisst demnach so viel wie mein gesamter PC. Mit VRAM und einem 20MHz AVR ist m.E. nur noch ein 74HC02 nötig (und ein P-FET um die 12V zu schalten). da müsste sogar ein Mega168 reichen. Mit normalem RAM könnten es ein paar ICs mehr sein.
Meine Displays sind auch unterwegs. Die Ansteuerung ist auch schon fertig (eine Modifikation meines 640x480 Controllers mit einem zusätzliche Schieberegister für die parallel-seriell Wandlung). Demnach was ich ohne Display testen konnte, scheint das ganze zu funktionieren. Leider hatte ich nur Schieberegister mit asynchronem Load auf Lager, daher ist das Timing noch etwas kritisch. Insgesamt sollte die Ansteuerung aber kein großes Problem sein, da sich die Datenrate in Grenzen hält, dank den Schieberegistern.
Benedikt K. schrieb: > Meine Displays sind auch unterwegs. Ich hätte darauf wetten können dass du dich nicht bremsen kannst ;o) > Insgesamt sollte die Ansteuerung aber kein großes Problem sein, da > sich die Datenrate in Grenzen hält, dank den Schieberegistern. Meine Rede.
Magnus Müller schrieb:
> Ich hätte darauf wetten können dass du dich nicht bremsen kannst ;o)
EL und Plasma (Neon) Display fehlen mir bisher noch in meiner Sammlung.
Letzteres ist aber leider mittlerweile schwer zu bekommen.
Hi, meine Displays sind auf den Weg. Weiss auch nicht, ob ich Ar... der Welt wohne und DHL so lange braucht. Mir hat eigentlich die EL-Farbe gefallen (wenn die Bilder in I-Net, stimmen)und scheint ja wirklich Industriequalität zu sein. Schön, das es so schnell auch Lösungsvorstellungen gibt. Wigbert
Benedikt K. schrieb:
> EL und Plasma (Neon) Display fehlen mir bisher noch in meiner Sammlung.
Mal ne Frage was machst du mit all den Displays?
Alle zusammenbauen zu einer Multi-Kulti-Video Leinwand? ;)
Oder reizt dich nur das ausprobieren verschiedener Technologien?
Läubi .. schrieb:
> Oder reizt dich nur das ausprobieren verschiedener Technologien?
Das dürfte der Hauptgrund sein.
Natürlich verbaue ich die Displays danach auch in allen möglichen
Projekten (Das 320x240 LCD von Pollin wurde zu einem stromsparenden
Videomonitor für die Überwachungskamera neben der Haustüre, das 160x80
Grafik VFD das es Ende letzen Jahres bei Pollin gab, steckt in einem µC
gesteuerten Netzteil usw.).
Das Display ist relativ Timing kritisch was die Frequenzen angeht. Es scheint so, als wenn es bei mir momentan nur jedes 2. Frame akzeptiert. Auch die Frequenzen und Pulsbreiten usw. muss man unbedingt einhalten, sonst passiert etwas merkwürdiges: Es werden z.B. alle 3 Zeilen die nächsten 3 Zeilen ausgelassen... Eventuell liegt das an dem Mikrocontroller der da drauf ist (ich denke zumindest, dass es einer ist: Daneben ist ein 8kByte OTP-EPROM und ein Quarz). Dieser könnte intelligent sein und ähnlich wie ein PC Monitor erstmal prüfen ob alle Signale ok sind, ehe er diese weiterleitet. Aber davon abgesehen: Es läuft! (und brummt.)
Ich denke, jetzt habe ichs raus: Der Controller auf dem Display scheint die Framerate zu prüfen. Den Pixeltakt kann man problemlos auch höher drehen (bei mir momentan 14,318MHz), nur VD muss 55-62Hz haben, damit das Display richtig läuft. Eine Zeile ist bei mir momentan 592 Takte lang, davon beinhalten 320 die Bilddaten, die restlichen sind frei für andere Aufgaben des AVRs. Dies ergibt eine Horizontalfrequenz von 24186Hz. Als Zeilenanzahl habe ich 404 eingestellt, was eine Framerate von 59,87Hz ergibt. Das HD Signal muss laut Datenblatt zeitgleich mit dem ersten Pixel aktiv werden, was bei mir nicht wirklich geht, denn dazu müsste ich parallel die sbi und ld Befehle ausführen. Interessanterweise kann man das ganze aber auch mit dem Ende des HD Signals beeinflussen: Ich setze HD einfach vor der Übertragung der Bilddaten und setze es am Ende zum passenden Zeitpunkt zurück. PS: Für das Bild benötigt die Schaltung rund 1,15A, wovon rund 90mA für den AVR und den Speicher benötigt werden. Ich muss unbedingt mal den 7805 durch einen Schaltregler ersetzen, denn zusammen mit dem Display sind es je nach Bildinhalt zwischen 200 und 350mA auf der 5V Leitung.
@Benedikt K. (benedikt) (Moderator) Es kommt mir vor, als ob Du das Display ausgepackt hast, angeschlossen, und das Bild war da. Sehr beeindruckend. Deine Ansteuerplatine kommt mir bekannt vor, und scheint ja wirklich nicht so komplex zu sein. Na, ja vielleicht kannst Du Dich hinreissen, ählich dem 320x240 Displ. eine SW mit Ansteuerung über Uart zu machen. Wenn ich meine Displays mir so anschaue, wäre eine erste Idee, eine abgesetzte Anzeige daraus zu machen Wigbert PS. Pollin hat noch 12 Displays.
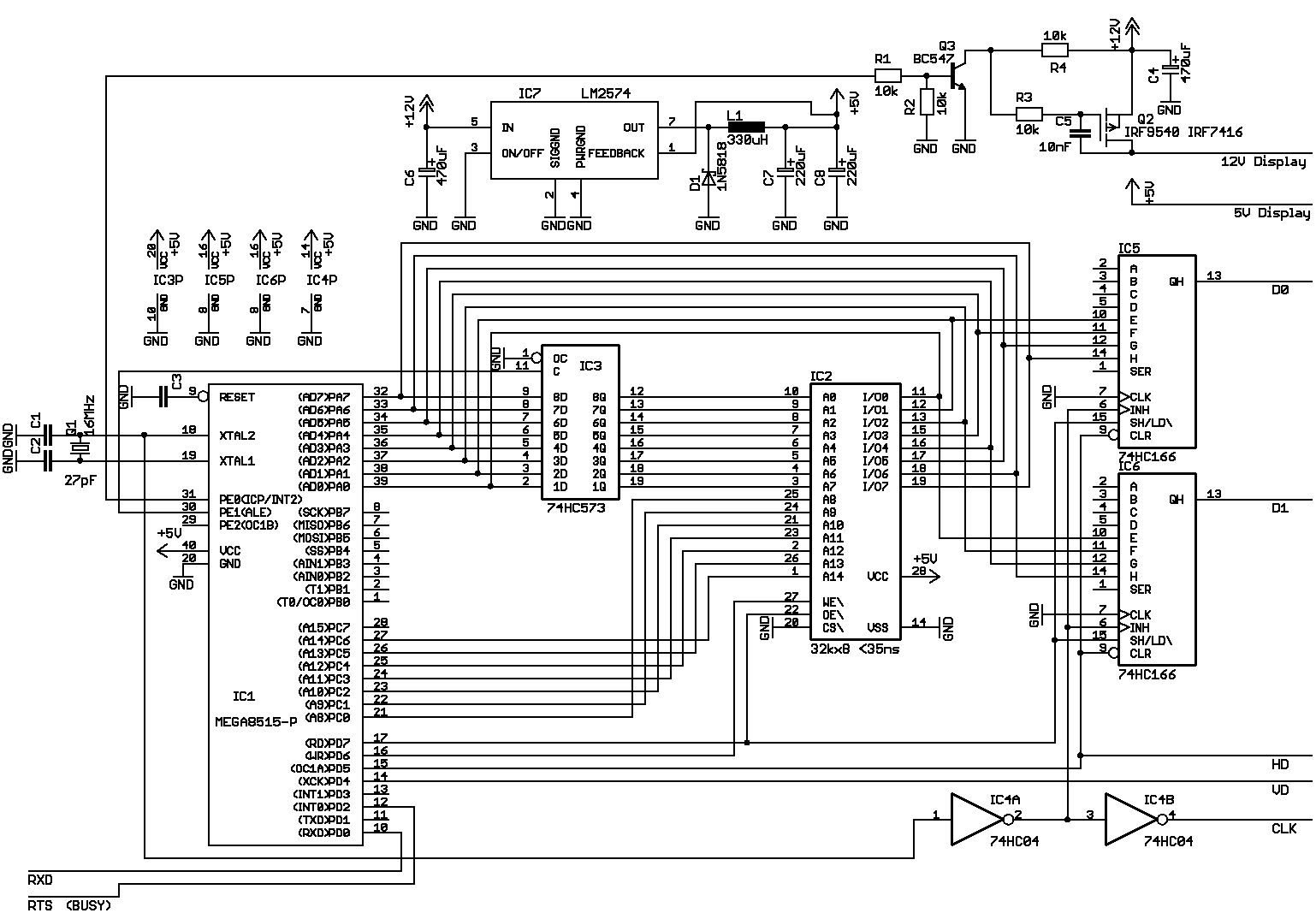
Wigbert Picht-dl1atw schrieb: > Es kommt mir vor, als ob Du das Display ausgepackt hast, angeschlossen, > und das Bild war da. Ich musste erst noch ein 16 poliges Kabel suchen, aber ansonsten wars so ähnlich. Die Software und Hardware hatte ich letzes Wochenende direkt vorbereitet. > Deine Ansteuerplatine kommt mir bekannt vor, und scheint ja wirklich > nicht so komplex zu sein. Das Grundprinzip der Schaltung ist immer gleich, nur der Ausgang ist anders. Den Schaltplan habe ich mal angehängt. Momentan sieht der noch geringfügig anders aus, denn momentan habe ich noch HC165 drin, die HC166 muss ich erst bestellen. Kleine Details können sich also noch ändern. > Na, ja vielleicht kannst Du Dich hinreissen, ählich dem 320x240 Displ. > eine SW mit Ansteuerung über Uart zu machen. Die ist prinzipiell schon fertig. Ich habe die 320x240 Version einfach entsprechend angepasst. Momentan komme ich auf eine Ladezeit von etwa 1s pro Bild über UART. > Wenn ich meine Displays mir so anschaue, wäre eine erste Idee, > eine abgesetzte Anzeige daraus zu machen Ja, irgendein Gehäuse braucht das Teil, das Design der flexiblen Leiterplatten mit den Treiber ICs ist sehr filigran. Außerdem wird die Rückseite des Displays ordentlich warm. Vor allem der große Ferrittrafo, der µC, die Spulen und die 1W Widerstände. Also eigentlich alles. Das Display selbst wird jedoch kaum warm. > PS. Pollin hat noch 12 Displays. Mir kommt es so vor, als wenn nur die hier im Thread anwesenden die Displays gekauft hätten. Das sind übrigens die Zeilentreiber ICs: http://www.pi.hitachi.co.jp/pse/images/pdf/210212sp.pdf
@Benedikt K. (benedikt) (Moderator) Ich muss jetzt erst mal ein GROSSES DANKESCHÖN loswerden. Könntest ja bei der Hitze auch schwimmen gehen. Der S-Ram nehme ich mal an 10ns? Ab wann wäre die Zeit kritisch? >Mir kommt es so vor, als wenn nur die hier im Thread anwesenden die >Displays gekauft hätten und leider wenige Displays schaffen es dann auch noch vom Basteltisch in eine praktische Anwendung Wigbert
Wigbert Picht-dl1atw schrieb: > Der S-Ram nehme ich mal an 10ns? Ab wann wäre die Zeit kritisch? 10-20ns sollten gehen. Das Timing dürfte aber etwas kritischer sein als bei den normalen LCDs, da man hier darauf achten muss, dass auch das Shift/Load Timing hinkommt, und so nur 1 Loadtakt durch den SRAM Zugriff ausgeführt wird. Dadurch müssen die Daten schon etwas früher stabil anstehen. Die >50ns SRAMs dürften hier also ganz sicher nicht funktionieren, um Gegensatz zu der LCD Version. Mal eine Frage zu diesem Datenblatt hier: http://www.mikrocontroller.net/attachment/53306/SHARP_LJ64EU34.pdf Timingdiagramm auf Seite 11 (Page7): Note 1) Logic Level ist not necessary to be specified in dotted line portion. Was heißt das? Muss man die Impulse genauso anlegen wie im restlichen Bereich, oder sind die Signale in dem Bereich don't care?
So hatte ich das auch verstanden, aber das Display will nicht so recht. Eventuell liegt das auch am leicht veränderten Timing wenn ich die HD Impulse während VD auslasse. Das Display ist auf jedenfall extrem kritisch was das Timing von Horizontal und Vertikalfrequenz angeht: Diese Schleife im Programm:
1 | for (;;) |
2 | { cli(); |
3 | _delay_us(2); |
4 | sei(); |
5 | _delay_us(500); |
6 | }
|
Also alle 500µs den Interrupt für 2µs blockieren, reicht aus, damit das Display flackert. Vergrößere ich auf >4µs, beginnt das Display sogar Zeilen auszulassen. Es möchte also eine Jitter freies und Frequenz genaues Timing von HD und VD. Das macht die Sache mit dem UART Interrupt etwas kompliziert. PS: Hat jemand zufällig Infos über die Lebensdauer bzw. über die Einbrennempfindlichkeit im Vergleich zu anderen Displays z.B. OLEDs? Ich hatte eine Angabe von 100kh gefunden, aber das kommt mir etwas hoch vor. Tagsüber sieht das Display nicht wirklich toll aus, da es eine eher weiße Farbe hat und daher relativ stark das Umgebungslicht reflektiert, und somit der Kontrast mies ist. Im dunkeln sieht das Display aber sehr brillant aus, durch die goldgelbe Farbe. Man sieht auch schön das image sticking (oder wie auch immer das bei EL Displays heißt): Es dauert einige Sekunden bis die Pixel komplett aus sind.
Die Frage nach der Lebensdauer ist ganz interessant. Man findet oftmals Seiten, auf denen wiederaufbereitete Displays angeboten werden, für Maschinensteuerungen oder bisweilen auch Spielautomaten (vermutlich Flipper). Es gibt offensichtlich einen hohen Bedarf, was nicht unbedingt dafür spricht, daß die Dinger ewig halten. In der Firma haben wir öfter mal verschlissene Displays vom Kunden als Reklamation erhalten (inzwischen ist die betreffende Baugruppe auf LCD umgestellt), meistens ist dabei nicht das Panel selbst gestorben, sondern das Treiberboard, oftmals durch Fehler in der Hochspannungsversorgung. In selteneren Fällen trat in Folge dann auch Abbrand auf. Einige Quellen empfehlen, die Displays bei ersten Verschleißanzeichen (Flackern, fehlerhafte Zeilen) zu warten, erklären jedoch nicht, was bei der Wartung gemacht wird. Ich tippe eigentlich auf einen Elko-Austausch.
PS: Man kann eine orangene Kontrastfolie verwenden. Kostet etwas Lichtstärke, hilft aber bei Tageslicht.
Sebastian schrieb: > Man findet oftmals > Seiten, auf denen wiederaufbereitete Displays angeboten werden, für > Maschinensteuerungen oder bisweilen auch Spielautomaten (vermutlich > Flipper). Es gibt offensichtlich einen hohen Bedarf, was nicht unbedingt > dafür spricht, daß die Dinger ewig halten. Andererseits sprechen wiederaufbereitete Displays auch für eine hohe Lebensdauer des Displays, oder wird bei der Wiederaufbereitung das Display getauscht? (was ich mir aber nicht vorstellen kann.)
Ich denke nicht, daß bei der Wiederaufbereitung das eigentliche Display (Glasteil, "Panel") getauscht wird. Das ist ziemlich haarig zu löten, milde gesagt. Solange kein Kurzschluß zwischen irgendwelchen Zeilen- und Spaltenleitungen (Durchschlag) auftritt, hält das wahrscheinlich recht lange.
@ Benedikt: > Ich muss unbedingt mal den 7805 durch einen Schaltregler ersetzen, Schau mal Bestellnummer 350042 bei Pollin. Komplette LM2575-5 Schaltung.
Guido schrieb: > Schau mal Bestellnummer 350042 bei Pollin. > > Komplette LM2575-5 Schaltung. Die Idee hatte ich gestern Abend auch... Die Spule und der LM2575 stammen auf diesem Ladegerät. In dem Ladegerät arbeitet der LM2575 als CV/CC Wandler: In der Ausgangsleitung liegen Widerstände (4x 1Ohm) über die der Strom gemessen wird. Das SOT23-5 IC ist ein LM8261 Rail2Rail OP, der 50-75mA liefern kann und zwischen 2,5V und 30V läuft. Dazu ist er noch sehr schnell. Also gut brauchbar. Der verstärkt den Strom und führt diesen über eine BAV70 Doppeldiode zusammen mit der Ausgangsspannung dem Feedback Eingang des 2575 zu. Daher liefert das Modul auch etwa 5,6V. Ab etwa 400mA macht der Regler dann dicht. Für die Spule habe ich leider kein Datenblatt gefunden, aber diese hat 330µH 0,55Ohm. Ich würde diese irgendwo auf 0,5-8A Maximalstrom einschätzen. Das nurmal dazu, falls dies für jemanden interessant sein könnte.
Ey cool!!! Ich bin durch Zufall über diesen Thread gestolpert und prompt wurden alte Erinnerungen wach :-) Alles Interessante habt ihr ja schon entdeckt, deswegen hier nur meine persönlichen Erfahrungen: 1986 habe ich eine Ansteuerung für die LJ320-irgendwas als Diplomarbeit (Hard- und Software, damals war das noch kompliziert genug für eine Diplomarbeit, wir hatten ja nix...) 6809-Prozessor, 32k*8 SRAM, das man nur gaaanz knapp schnell genug war und eine Handvoll TTL + ein PAL (richtig: kein GAL, ein PAL!). Daraus wurde dann sogar ein Seriengerät. 1994 habe ich die LJ512-XX mit einem DSP56000 vo Motorola angesteuert, da konnte das serielle Interface gleich einen Teil der Videoerzeugung übernehmen und der DSP hat die (schnellen) Bildchen berechnet. Ach, was waren das für schöne Zeiten, als ich noch Hardware entwickeln durfte, sniff... Zur Haltbarkeit kann ich nur sagen: Nach ein paar 1000 Stunden sind die Dinger eingebrannt, d.h. statische Bildelemente, die bei den Anwendungen für die Teile wohl sehr häufig sind, verschwinden einfach nicht mehr vom Bildschirm. Felder, in denen z.B. wechselnder Text (Messwerte) steht, werden gleichmäßig hell, d.h. der Kontrast verschwindet. Deswegen kann ich mir vorstellen, daß 'refurbished' bedeutet, daß ein neues Display an die alte Elektronik angebaut wird. Elektronikausfälle hatten wir so gut wie nie, nur eben das Einbrennen bis zu Unbenutzbarkeit. Wenn ich mich recht erinnere wurden die Teile von Sharp irgendwann gegen Ende der 90er abgekündigt, Ersatz wurde noch einige Zeit von Finnlux geliefert. So. Und ich habe mir gerade auch 2 Stück bestellt :-))) Wo kann man eigentlich sehen, wie viele noch am Lager sind? Ich habe nur eine Anzeige 'grün-Am Lager'... IdS, schöne Nacht noch! Baku
@Baku M. (baku) > ein paar 1000 Stunden das würde bedeuten < 10000 Stunden also gerade ein Jahr Dauerbetrieb. Da fällt eine Anwendung mal weg. >Wo kann man eigentlich sehen, wie viele noch am Lager sind? nun sind sie wohl alle, ich kann im Shop kein LJ... mehr finden. Gib im Warenkorb 1000 Stück ein, und der Warenkorb rechnet runter was lieferbar ist. Wigbert
Moin auch! Hihi, dann habe ich wohl die letzten ergattert :-))) Das mit der Lebensdauer ist so eine Sache... Die fallen ja nicht komplett aus, das Bild wird nur ständig schlechter. Ein Kunde hat solche Teile noch (seit über 10 Jahren) in Betrieb (24h/7d) und 'man kann immer noch was erkennen'. Aber schön sieht das nicht aus... Das sind aber schon die von Finlux, die waren besser als die Sharp. Na, aber für den Preis kann man ja auch nicht meckern. IdS, schönen Sonntag!
könnte mann denn nicht eine art bildschirm schoner verwenden um das sogenannte einbrennen zu minimiern.
@Benedikt K. (benedikt) (Moderator) mal zwischendurch gefragt: Machst Du mit den LM2575-5 die 12V? Sieht so aus, als ob ein Draht von den LM... zu Pin 1+2 des Displays(12V) geht. Wenn ja, mit Schaltung nach DBL? Der kleine Schaltregler unter den blauen Anschlussklemmen sieht nach 5V irgendwas(kann das nicht erkennen) aus. Dank Dir mal schon Wigbert
Wigbert Picht-dl1atw schrieb: > Machst Du mit den LM2575-5 die 12V? Nein, 12V ist meine Eingangsspannung. Die wird über einen Mosfet geschaltet und geht dann direkt an das Display. Der 2575 macht nur die 5V für Schaltung und Display. > Der kleine Schaltregler unter den blauen Anschlussklemmen sieht > nach 5V irgendwas(kann das nicht erkennen) aus. Nein, das ist der P-Kanal Mosfet. Ich habe mal den kompletten Schalplan angehängt. Ob LM2574 oder 2575 ist egal. Ebenso beim Mosfet: Hier kann man jeden P Kanal Fet mit <0,4 Ohm RDSon und >20V verwenden.
Hallo Benedikt, hast Du die Software schon irgendwo veröffentlicht? Ich habe hier eins der Displays und würde es gerne damit ausprobieren. Gruße Tim
Bevor ich die Software hier reinstelle, möchte ich erst noch die Schaltung mit den HC166 ausprobieren. Momentan bin ich auch am Überlegen, ob ein Bildschirmschoner sinnvoll bzw. notwendig ist. Dieser PDF nach sind die EL Displays von der Lebensdauer her eindeutig die beste Displaytechnologie, andererseits wird das Problem mit dem Einbrennen erwähnt (ab Seite 59 bzw. ab Seite 78): http://eitidaten.fh-pforzheim.de/daten/mitarbeiter/blankenbach/vorlesungen/displays/skript_displays.pdf Die Frage ist, wie extrem ist das Einbrennen wirklich ist, im Vergleich zu z.B. OLED, Plasma oder CRT die ja alle zum mehr oder weniger starken Einbrennen neigen?
@Benedikt K. (benedikt) (Moderator) >möchte ich erst noch die >Schaltung mit den HC166 ausprobieren. Versteh ich. ich hab meine HC166 erst Samstag in der Post von Reichelt gehabt. War wohl echt dort ein Problem. Hatte eine Zusage schon zu Mittwoch. Wigbert
So, hier gibts nun meine Software um das Display anzusteuern. Der Controller an sich sollte funktionieren, all die Grafikfunktionen hoffentlich auch, alle habe ich jetzt allerdings nicht getestet. Zumindest bei dem von mir getesteten AVR war das Timing zwischen AVR und HC166 sehr entspannt, sehr viel besser als bei einem HC165 bei dem man darauf achten musste, dass er wirklich nur einen Takt lang das Load Signal bekommt. Durch das Schiebetaktsynchrone Laden beim HC166 ist die Position des Load Signals in Bezug auf den Schiebetakt nicht mehr ganz so kritisch. PS: Der AVR scheint intern mit dem invertierten Takt von XTAL2 zu laufen, zumindest gibt er kurz hinter der fallenden Flanke von XTAL2 die Daten an die IO Ports aus.
@Benedikt K. (benedikt) (Moderator) nur mal zur Sicherheit, die Ausgangsbelegung Deiner Schaltung sollte so stimmen? Spannungspins sind sowieso klar. - Pin 1/2 = +12 V - Pin 3/4 = +5 V - Pin 5/6 = nicht belegt - Pin 7/8 = GND - Pin 9 = V-SYNC =VD - Pin 10 = nicht belegt - Pin 11 = H-SYNC = HD - Pin 12 = GND - Pin 13 = DATA TRANSFER CLOCK = CLK - Pin 14 = GND - Pin 15 = DATA SIGNAL ODD COLUMN = D0 - Pin 16 = DATA SIGNAL EVEN COLUMN = D1 wenn ich dann noch an die Abblock C's denke, sollte kaum was schief gehen. Bei ein Board würde ich ISP vorsehen, und auch TX rausführen Interessant ist auch die Taktabnahme von XTal2 und die Weiterverarbeitung des Signals (natürlich alles andere auch) Toll! Wigbert
Wigbert Picht-dl1atw schrieb: > - Pin 1/2 = +12 V > - Pin 3/4 = +5 V > - Pin 5/6 = nicht belegt > - Pin 7/8 = GND > - Pin 9 = V-SYNC =VD > - Pin 10 = nicht belegt > - Pin 11 = H-SYNC = HD > - Pin 12 = GND > - Pin 13 = DATA TRANSFER CLOCK = CLK > - Pin 14 = GND > - Pin 15 = DATA SIGNAL ODD COLUMN = D0 > - Pin 16 = DATA SIGNAL EVEN COLUMN = D1 Passt. > Interessant ist auch die Taktabnahme von XTal2 Es ist nicht wirklich schön den Quarz so zusätzlich zu belasten geht aber. Beim HC165 brauchte ich eine andere Phasenlage und das ging nur indem ich das Signal an XTAL1 entnommen habe, das war noch weniger schön, denn das war der Eingang des Quarzoszillators, da ist das Signal sehr empfindlich (was man auch schön sieht wenn man mit einem Tastkopf misst: An XTAL1 ist die Amplitude je nach Kapazität deutlich kleiner.) Ein ATmega162 wäre die ideale Lösung gewesen, denn dieser kann das Quarzsignal gepuffert an PortB0 ausgeben, aber der ist auch deutlich teurer.
Falsche Frage, ich war der Meinung es gibt kleinere als die Hex-Inverter, Ich finde den Typ nicht mehr Wigbert
Wigbert Picht-dl1atw schrieb: > ich war der Meinung es gibt kleinere als die Hex-Inverter, > Ich finde den Typ nicht mehr Ja, gibt es, z.B. der 74HC1G04. Allerdings sind das single Gate Inverter, man bräuchte als 2 Stück die man auch nicht so einfach bekommt. Daher nehme ich lieber die Standard 74HC04, die hat man eigentlich immer irgendwo rumliegen.
@Benedikt K. (benedikt) (Moderator) Ah,ich wusste es, ich hab dual Inverter SN74LVCG04DRLR rumliegen die gehen bis 5,5V und sollten den HC04 ersetzen können? Dann könnte ich den routen. Dank Dir mal schon. Wigbert
Interessant. Die kannte ich bisher auch noch nicht. Ja, die sollten gehen, auch wenn diese sehr viel schneller sind.
@Benedikt K. (benedikt) (Moderator) >Interessant. Die kannte ich bisher auch noch nicht. >Ja, die sollten gehen, auch wenn diese sehr viel schneller sind. na dann bau ich die ein, bevor die IC's durchrosten. Die sollten, glaub ich sowieso für ein Nachbau von Dir sein. Wigbert
@Benedikt K. (benedikt) (Moderator) ich hätte für die Spannungsversorgung ein PT6202B 5V 2A da, und der scheint mir für das erste "Testbrett" wie geschaffen, wenn ich wüsste, was ich mit Pin Adj. + Pin INH machen muss. Kenn die Dinger sonst nicht Dank Dir mal schon Wigbert
Der ist zwar etwas oversized für das Display, aber wenn du den eh rumliegen hast, wieso nicht. Üblicherweise dient der Adjust Pin dazu die Spannung etwas nachzuregeln (meist um wenige %). Meist kann man den daher offen lassen. Leider steht dazu nix im Datenblatt.
Hi Benedikt hab mal ne Frage wegen dem Ram zum AVR hin. Hier sollte es doch theoretisch egal sein wie die Adressleitungen zum RAM hin angeschlossen werden, das würde das routen einfacher machen. MfG Kai
Ja, die kann man beliebig drehen, auch die Datenleitungen. Nur die Zuordnung AVR -> Schieberegister muss passen.
>oversized
wenn Du damit meinst, etwas zu Groß, ist das Ding sehr kompakt.
Anschlüsse in SMD, unterhalb ein ordentliches Befestigungsblech,
wohl auch für Kühlung.
5V kommen jedenfalls raus.
Wigbert
Wigbert Picht-dl1atw schrieb: >>oversized > > wenn Du damit meinst, etwas zu Groß, ist das Ding sehr kompakt. Nein, ich meinte eher den Strom von 2A. Zum Thema sehr kompakt: http://www.recom-international.de/pdf/Innoline/R-78xx-0.5.pdf Nein, ich will keine Werbung machen, aber die Dinger sind wirklich genial, leider nicht ganz billig...
Im Datenblatt des Nachfolgers PT6212 sind die Daten als kleine AN angehängt. http://focus.ti.com/docs/prod/folders/print/pt6212.html Arno
>aber die Dinger sind wirklich >genial, leider nicht ganz billig... na ja , da fehlte der Deckel und der Verkäufer schien das Modul für Wertlos zu halten. Oder sowas, gut die V-In ist etwas hoch, aber für ein paar Cent von Irgendwo. O je , wir schweifen vom Thema ab Wigbert
Wigbert Picht-dl1atw schrieb: > Oder sowas, gut die V-In ist etwas hoch, aber für ein paar > Cent von Irgendwo. Ui... wo gibts die Tracos für "ein paar Cent"? * wissenwill *
@Benedikt K. (benedikt) (Moderator) ich kann die Rechenleistung des m8515 bei dem Projekt hier schlecht einschätzen, würde man noch den aktuellen Code der "Bidirektionalen Funkbrücke" mit reinquetschen können? vielleicht: Jumper gesetzt Empfang RFM12 bzw Empfang Uart. Nur mal so ein Gedanke.... Wigbert
Wigbert Picht-dl1atw schrieb: > ich kann die Rechenleistung des m8515 bei dem Projekt hier schlecht > einschätzen, würde man noch den aktuellen Code der "Bidirektionalen > Funkbrücke" mit reinquetschen können? Der Displaycontroller zieht schon deutlich >50% Rechenleistung, aber für die Funkbrücke wird ja kaum etwas benötigt. Es sollte daher theoretisch funktionieren. Da die UART Funkbrücke keine Interrupts verwendet, sondern nur den Status polled, sollte es auch keine Probleme geben. Und PortB mit dem SPI Interface ist sogar noch komplett frei...
Autor: Benedikt K. (benedikt) (Moderator)
>sollte es auch keine Probleme geben
hmm, hatte ich nicht erwartet, aber doch nicht ganz uniteressant.
Empfang geht.
Könnte auch notfalls das Display den RX-TX Datentransfer des RFM12
mitlesen, also ich sende über TX > rfm12 > Daten, oder wäre das zu
viel?
Wigbert
Du meinst einfach nur die Daten die gesendet werden mithören und anzeigen? Das geht natürlich auch.
Also ich dachte RFM12 Empfang darstellen,OK und von PS2-Tastatur über ATTiny(uart) an TX des m8515 wird mit RFM12 Daten gesendet, Sendadaten(Tastatureingabe) werden dann auch mitgelesen. Also eine Art abgesetztes Terminal, das ganze. Das wäre für dem Display angemessen. Wigbert
hallo, mal ein Frage zum SRAM, ich habe noch etliche hier liegen mit 55ns kann ich die denn auch verwenden mfg
Ich habe es nicht ausprobiert, die dürften außerhalb der Specs sein, aber es sollte funktionieren, da ähnliche auch bei den anderen LCD Controllern funktioniert haben.
Hi, so in etwa sähe der Lösungsvorschlag der Platine nach Benedikts Schaltung aus. Ca 75x85mm Herausgeführt: ist ISP, RX,TX,Busy,5V + GND und das GLCD Sollte ein RFM12 zu tragen kommen(was ich in ähnlicher Form schon immer vor hatte) würde die Platine auf der ISP-Steckerseite etwas erweitert und der RFM12 auf der Button-Seite noch rauf kommen. Pins sollte kein Problem sein. Aufgefallen ist mir eigentlich nur der ICP-Pin, der wird bei der Bidir. Funkbrücke mir Soft.Einstellung auch verwendet. @Benedikt wird der Mosfet warm, braucht der ein Kühlkörper. Bei ein paar Ohm sollte doch die Verlustleistung in Grenzen sein. Wigbert
Wigbert Picht-dl1atw schrieb: > Aufgefallen ist mir eigentlich nur der > ICP-Pin, der wird bei der Bidir. Funkbrücke mir Soft.Einstellung > auch verwendet. Der ist angeschlossen, wird aber nicht verwendet. Es reichen die 4 SPI Pins. > wird der Mosfet warm, braucht der ein Kühlkörper. Wenn der Mosfet ausreichend niederohmig ist nicht. Die im Schaltplan angegebenen Mosfets sollten ausreichend niederohmig sein, selbst die SO8 Variante. Es gibt natürlich noch etliche andere die geeignet sind, ich habe nur 2 rausgesucht die leicht erhältlich sind. Ich habe einen SMD10P06L verbaut, den gabs mal bei Pollin, nur den bekommt man nirgends, nichtmal das Datenblatt davon.
@Benedikt K. (benedikt) (Moderator) Dank Dir, ich überschlaf das Board erstmal noch ein paar Tage, um evtl. Fehler noch zu finden. Wigbert
Moin zusammen! Na, das sieh doch ganz gut aus :-) Meine Displays sind auch angekommen, nur leider habe ich nicht sooo viel Zeit, mich damit zu beschäftigen... Ey, seid ihr alle Schüler oder Studenten und habt keine Kinder oder was.... Nachdem ich noch von früher weiß, wie die Dinger anzusteuern sind, wollte ich jetzt mal Neuland betreten und habe mir von Pollin das CPLD-Board mitbestellt. 8515 angeflanscht und VHDL gelernt. Das kann ja auch ganz böse ausgehen: So läuft z.B. mein Taktteiler /3 in der Simulation hervorragend, aber in der Realität überhaupt nicht... Das CPLD kann nämlich garnicht auf der positiven UND der negativen Flanke triggern, aber das sagt einem keine der ansonsten im Übermaße erscheinenden Fehlermeldungen. Nunja. Ziel ist es, eine kleine Platine zu bauen, mit einem RAM (55ns), einem CPLD und einem 8515 (oder besser einem Mega64, muß ichmal sehen, den 8515 hatte ich nich rumliegen), mit der dann sämtliche monochromen Displays aus meinem Displaymuseum anzusteuern sind, und zwar so, daß der Prozessor auch noch Bildinhalte berechnen kann, während das CPLD die stupide Arbeit macht. Mal sehen, was draus wird. Falls Interesse besteht, berichte ich (nach dem Urlaub ohne Computer und Lötkloben) über den Fortgang. In diesem Sinne: Weiter so! Baku (nach Diktat verreist)
Hallo an alle Wenn jemand eine SHARP LJ640U34 Anzeige zum Verkauf Bitte kontaktieren Sie mich so bald wie möglich. Vielen Dank im Voraus Mit freundlichen Grüßen Frohe Weihnachten Seb Hello everyone If anyone has a SHARP LJ640U34 display for sale please contact me as soon as possible. Thanks in advance Kind regards Merry Christmas Seb
Bitte melde dich an um einen Beitrag zu schreiben. Anmeldung ist kostenlos und dauert nur eine Minute.
Bestehender Account
Schon ein Account bei Google/GoogleMail? Keine Anmeldung erforderlich!
Mit Google-Account einloggen
Mit Google-Account einloggen
Noch kein Account? Hier anmelden.








