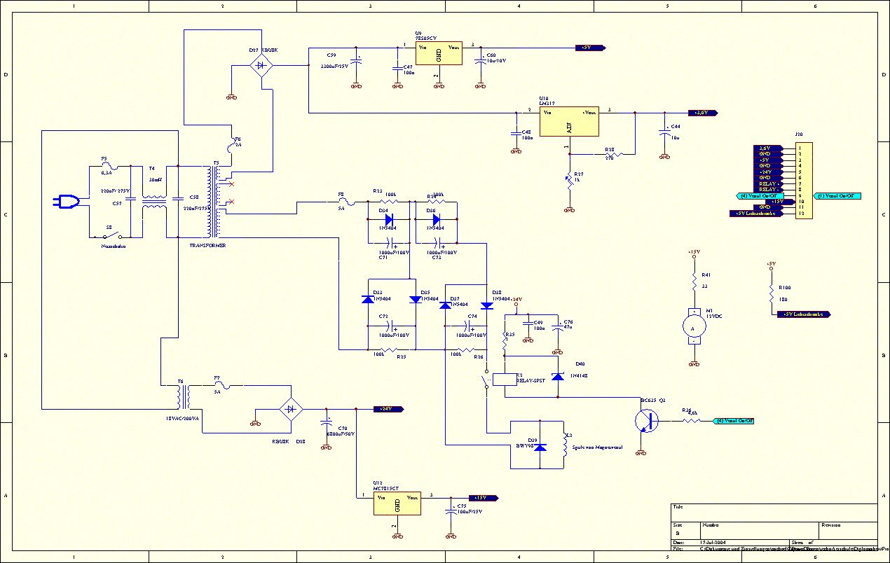
Hallo Zusammen Habe noch immer das Probelm, dass der Transitor Q3 viel länger leitend bleibt als er soll. Wenn ich über den Mikroprozessor eingebe, dass das Relais welcher er ansteuert 0,3 Sekunden anziehen und wieder loslassen soll, bleibt das Relais fast eine Sekunde geschlossen. Mit dem OSZI gemessen ist die Spannung tatsächlich für ca. 1s auf high. Hänge ich die ganze Transistorschaltung ab und messe dann am Prozessor, so stimmen die 0,3 Sekunden. Habe auch einen Versuch gemacht, in welchem ich einen Schalter an den Basiswiderstand R36 angeschlossen habe und über diesen den 5Voltpegel geschalten habe. Hier funktionierte das Relais tiptop, ich konnte das Relais unter 1s ansteuern. Habe schon ein Kondensator (10nF) parallel zu R36 gehängt, jedoch brachte dies auch keinen Erfolg. Habt Ihr noch Ideen?? Bitte melden.... Gruss Mike
Warum nimmst du einen normalen Transistor anstatt eines TTL-kompatiblen MOS-Fet? Wäre ja möglich, daß die 20mA die ein Port liefern kann nicht reichen um den Transistor voll durch zuschalten. Dann würde dein Transistor relativ warm und würde durch die Temparatur mehr leitend, was zu einer längeren "An-Zeit" führt. Würde auch erklären warum es mit deinem Taster am Transistor funktioniert.
Hallo Danny Hast du einen Typ, oder vieleicht sogar die Schaltung, welche ich verwenden könnte, wenn ich einen FET nehmen würde??? Kenne mich mit Feld effekt Transistoren leider fast nicht aus... Danke Gruss Mike
Hab mal ein bißchen gesucht, unter anderem gibt es den BSP75, wenn dein Relais nicht mehr als 1A zieht dann geht dieser. Datenblatt unter http://www.infineon.com/cgi/ecrm.dll/ecrm/scripts/public_download.jsp?oid=36437 Es gibt noch andere Typen, Du musst nur darauf achten das sie TTL oder Logic Level kompatibel sind.
vielen dank danny ich werde das mal genauer unter die Lupe nehmen. Ich hoffe du hast nichts dagegen, wenn ich dich bei Fragen über Email kontaktiere... Gruss Mike
Kein Problem Mike, am Montag abend kann ich Dir einen genauen Typ mailen, habe ein paar Typen in meiner krabbelkiste auf Arbeit.
ok, danke danny es wäre noch cool, wenn diese nicht in smd forat erhältlich wären, denn ich habe meine schaltung auf eine Lochkarte gebaut. Noch ein schönes Wochenende Mike
Hallo Mike, aber dein Controller läuft schon mit dem richtigen Takt, oder ?? Ich meine wegen der Fusebits... wenn du einen Mega benutzt, läuft der eventuell nur mit 1 MHz Takt... kannst ja nochmal schauen.... Als Mosfet geht z.B. der BS170, aber ich glaube nicht das es daran liegt... Gruß Sven
hi, deine schaltung ist schon ok so. ich hab eine ähnliche im einsatz, allerdings mit bc546, läuft tiptop. der basiswiderstand sollte nicht mehr als 1k betragen, dann schaltet der transistor sofort und zuverlässig durch. ggfs von der basis noch 4k7 gegen masse, damit die ladung auf der basis zuverlässig abgebaut wird. um ein relais zu schaltebn braucht's nun wirklich keinen fet, ein gewöhnlicher schalttransistor macht das locker mit. gruss, harry
Hi, die Angaben von 'harry' kann ich bestätigen. Die Diode D40 die Parallel zum Relais eingezeichnet ist sollte auch eine Schottky-Diode sein und keine 1N4148. Die Bipolaren Schutzdioden die Conrad im Programm hat funktionieren auch hervorragend. Zur Not kann auch eine 1N4007 verwendet werden. Eine 1N4148 ist keine gute Wahl. MfG Ralph
Bitte melde dich an um einen Beitrag zu schreiben. Anmeldung ist kostenlos und dauert nur eine Minute.
Bestehender Account
Schon ein Account bei Google/GoogleMail? Keine Anmeldung erforderlich!
Mit Google-Account einloggen
Mit Google-Account einloggen
Noch kein Account? Hier anmelden.
