Hallo, ich habe mir für ein Anodisierbad ein Netzteil gebaut welches 22VDC und ~6A liefert (Trafo, Brückengleichrichter, Elko). Nun möchte ich das Netzteil gerne umbauen/erweitern sodass ich den Stromfluss begrenzen/regeln kann. Kleines Bsp: Das Werkstück zieht zu Beginn des Vorgangs 4A aus meinem Netzteil. Mit zunehmender Anodisierdauer steigt der Bad-Widerstand und der Stromfluss sinkt auf 3,5A. Stattdessen würde ich gerne über den gesamten Zeitraum z.B. 2A fliesen lassen die auch bei steigendem Bad-Widerstand konstant bleiben. Lässt sich das mit der von mir angehängten Schaltung realisieren? Oder wird der Strom nicht konstant bleiben? Habe noch einige Leistungstransistoren (2N6254, 2N4347, 2N4348, 2N6058,...) im TO-3 Gehäuse rumliegen falls man damit was anfangen kann. Wär echt super wenn mir jemand weiterhelfen könnte! Vielen Dank und Gruß, Thomas
Man baut Konstantstromsenken anders, zwischen Emitter und Masse kommt eine Widerstand, der Spannungsabfall an dem Widerstand bestimmt den Strom, und die Spannung stellt man mit einem Poti an der Basis ein wie bei dir, damit das Poti aber nicht so doll belastet wird, nimmt man einen Darlington-Trransistor oder gar 3 kaskadierte bipolare Transistoren. +----+--+--+--Bad-- + | | | | Poti--|< | | | +-|< | | +-|< | |E | Widerstand ca. 1 Ohm 5 Watt | | +----------+-----
Du brauchst noch einen emitter-widerstand als gegenkopplung http://www.elektronik-kompendium.de/sites/slt/0210253.htm
MaWin: Danke für den Schaltplan! Ich habe das gerade mal schnell mit einem Darlington (2N6058, hatte keinen anderen) welcher den 2N6254 schaltet aufgebaut. Emitterwiderstand 1,1 Ohm und Poti 10kOhm. Hab das ganze dann mal mit 5,6Ohm belastet. Der Strom hat sich am Poti einstellen lassen von 0 bis allerdings nur max 2,8A. Normal müssten ja 3,9 drinne sein, die zieht er auch wenn ich ihn direkt am Netzteil anschliese. Wo liegt der Fehler? Sind meine Bauteile vielleicht einfach falsch dimensioniert? fds: Danke auch für den Link, allerdings verstehe ich dort nicht wie ich das ganze einstellbar machen kann. Oder kann ich den Rv einfach durch den Poti ersetzen? Was bringen die beiden Dioden für einen Vorteil?
Hallo Thomas, >Der Strom hat sich am Poti einstellen lassen von 0 bis allerdings nur >max 2,8A. Normal müssten ja 3,9 drinne sein, die zieht er auch wenn ich >ihn direkt am Netzteil anschliese. >Wo liegt der Fehler? Sind meine Bauteile vielleicht einfach falsch >dimensioniert? Du vergißt den Spannungsabfall über dem Emitterwiderstand und über dem Darlington. Bei drei Transistoren sind das zwei Basis-Emitter-Übergänge. Kai
Hallo Kai, oh stimmt, das habe ich gar nicht bedacht. Dann kommt mein Wert ja doch hin. Kann ich den Emitterwiderstand noch verringern (auf 0,5 Ohm)? Oder funktioniert die Schaltung dann nichtmehr richtig? Oder den Darlington gegen einen Bipolaren austauschen sodass ich eine Halbleiterstrecke weniger habe? Ansonsten werde ich das morgen einfach mal ausprobieren. Danke und Gruß, Thomas
Die Schaltung von MaWin hat aber den Nachteil, dass am Poti eine veränderliche Spannung anliegt, hervorgerufen durch die Widerstandsänderung des Bades. Das Poti sollte mit seinem oberen Anschluss an ein konstante Spannung gelegt werden.
HildeK schrieb: > Die Schaltung von MaWin hat aber den Nachteil, dass am Poti eine > veränderliche Spannung anliegt, hervorgerufen durch die > Widerstandsänderung des Bades. Habe ich mir auch gerade gedacht. > Das Poti sollte mit seinem oberen Anschluss an ein konstante Spannung > gelegt werden. Das hat aber wiederum den Nachteil, dass durch das Poti ein zu hoher Strom fließt, wenn der Schleifer fast am oberen Ende steht und die Last einen hohen Widerstand hat oder ganz fehlt. Man sollte dann mindestens noch einen zusätzlichen Widerstand zwischen Potischleifer und Transistorbasis einfügen, der diesen Strom begrenzt. Ob das Ganze genau genug ist, muss geprüft werden, aber ein zusätzlicher Transistor vor dem Darlington (so dass der von MaWin vorgeschlagene Dreifach-Darlington ensteht) ist sicher kein Fehler. Mir persönlich gefällt als einstellbare Konstantstromquelle die Kombination aus OpAmp und Leistungsmosfet am besten, weil sie sehr genau ist und auch nicht mehr Bauteile benötigt.
yalu schrieb: >Man sollte dann mindestens noch einen zusätzlichen Widerstand zwischen >Potischleifer und Transistorbasis einfügen, der diesen Strom begrenzt. Klar - das hatte ich aber als 'Feintunig' implizit unterstellt ... Und wenn das Poti am ganz oberen Ende steht, himmelt es auch die Transistoren. >Mir persönlich gefällt als einstellbare Konstantstromquelle die >Kombination aus OpAmp und Leistungsmosfet am besten, weil sie sehr genau >ist und auch nicht mehr Bauteile benötigt. Ich denke, diese einfache Ausführung einer Stromquelle ist für den hier vorgesehenen Anwendungsfall ausreichend genau.
> Das hat aber wiederum den Nachteil, dass durch das Poti ein zu hoher > Strom fließt Das war ein Zeichenfehler, das Poti kommt natürlich an + Bei 1.1 + 5.6 Ohm an 22V (- 2V Transistoren) müssten 2.9A möglich sein. Das liegt nah genug an deeinen gemessenen 2.8, dass man sich keine Sorgen machen muss, obwohl ein dritter Tansistor davor natürlich das Poti entlastet und die Kennlinie gerader macht. Der volle Strom sollte schon bei 1/4 Potistellung erreicht werden, ganz aufdrehen darf man das Poti nicht sonst werden die Transistoren überlastet (also ggf. ein Festwiderstand in die POtozuleitung nach +).
Für 4A? Du hast die Aufgabenstellung nicht gelesen, sondern plapperst nur nach, was du woanders mal gehört aber nicht verstandne hast, gibt's zu....
Du glaubst es kaum, aber selbst da kann man mit externen Transistoren nachhelfen. Kurios, wa? Es kommt sogar noch besser, denn den LM117 gibt es auch für 10 Ampère, der heißt dann halt nicht mehr LM117, sondern LT1038 und ist plug-in-kompatibel.
Guten Morgen, danke für die zahlreichen Antworten! So wie ich das jetzt verstanden habe soll ich vor den Poti noch einen Festwiderstand einfügen um die Transistoren nicht überlasten zu können? (siehe Anhang) Eine Schutzdiode habe ich auch noch eingefügt. Oder muss der Poti jetzt doch komplett anders angeschlossen werden? Den vollen Strom hatte ich erst als ich das Poti komplett an den Anschlag gedreht habe. Und 0A hatte ich auch erst direkt am anderen Anschlag. Der Strom ist relativ linear zu poti Stellung angestiegen. Und wo bekomme ich eine Konstante Spannung her? Müsste ich etwa noch einen Spannungsregler einbauen welcher dann die Basis des Transistors steuert? yalu: Gegen eine Lösung mit OpAmp und Mosfet hätte ich auch nichts, allerdings ist die Schaltung in deinem Link ja schon um einiges aufwändiger (viel mehr Bauteile) wie diese hier. Vielen Dank und Gruß, Thomas
Die 50 Ohm dürfen gerne mehr sein, 10k sollten möglich sein, die 1N400x brauchst du nicht (keine induktive Last) der Transistor muss auf einen Kühlkörper (4A*20V=80W -> besser 1K/W).
Wenn du eh schon den 2N6058 hast (Darlington, hfe typ 3500 @ 5A), dann kannst du dir den 6254 sparen. Der kann auch nicht mehr Leistung verbraten. Deine Schaltung ist sonst schon richtig - bis auf den 50-Ohm-R (siehe MaWin). >Und wo bekomme ich eine Konstante Spannung her? Sind deine 22V nicht ausreichend konstant? Sonst baue einfach eine Z-Diode (z.B. 5.6V) oder zwei LEDs in Serie nach dem 10k-Vorwiderstand parallel zum Poti ein.
> Wenn du eh schon den 2N6058 hast (Darlington, hfe typ 3500 @ 5A), dann > kannst du dir den 6254 sparen. Der kann auch nicht mehr Leistung > verbraten. Aber selbst wenn er 3500 schafft, sind 2.9A immer noch mehr als 1mA, die aus dem 10k Poti gezogen werden sollen. Das steht dann nicht bei 50%, sondern wird belastet (1mA@5k wären 5V) und verzieht um diese 5V bzw den damit korrespondierenden Strom. Der dreitte Transistor dient zur geringeren Belastung des Potis, damit Schleiferstellung und Strom besser zusammenpassen. Klar kann es auch ein BC238 sein.
Thomas Herzer schrieb: > allerdings ist die Schaltung in deinem Link ja schon um einiges > aufwändiger (viel mehr Bauteile) wie diese hier. Du meinst diesen automatisch generierten Link auf Konstantstromquelle? Der ist nicht von mir, sondern wird automatisch generiert. Ich meinte so etwas wie im Anhang. Mit den angegebenen Widerstandswerten kann der Strom von 0 bis etwa 5,4A eingestellt werden. Der OpAmp kann billig sein, sollte aber an den Eingängen bis zur negativen Versorgungsspannung reichen. R1 ist nicht unbedingt nötig, erleichtert aber das genaue Einstellen am Poti. Als Versorgungsspannung habe ich 15V angegeben, um deutlich unterhalb der maximalen Gate-Source-Spannung des Mosfets (20V) zu bleiben. Möchtest du das Ganze mit 22V betreiben, solltest du vor das Gate als Schutz einen Spannungsteiler oder eine Kombination aus Widerstand und Z-Diode einfügen. Ist die Versorgungsspannung nicht ausreichend konstant, brauchst du noch einen Widerstand plus Z-Diode oder einen Spannungsregler zur Erzeugung einer Referenzspannung für das Poti. Da der Spannungsabfall sowohl an R3 als auch am Mosfet im Vergleich zur Transistorlösung ziemlich klein ist, kann die zur Verfügung stehende Versorgungsspannung fast vollständig zur Versorgung der Last genutzt werden, d.h. die Quelle kann bei höherohmigen Lasten etwas mehr Strom liefern. Auf Grund der hohen internen Verstärkung arbeitet die Schaltung sehr genau, was aber in deinem Anwendungsfall nicht so wichtig sein dürfte.
Hallo, Danke erstmal für eure zahlreichen Antworten! Ich hab die Schaltung mit Transistor jetzt mal in mein Netzteil eingebaut. Funktionieren tut es. Wird sich dann zeigen ob ich damit zurecht komme. Ansonsten bau ich mir die Schaltung von yalu auf (Danke dafür) Dann bis zum nächsten mal ;) Gruß, Thomas
Hallo Yalu, ich habe deine Schaltung jetzt mal aufgebaut da ich für eine andere Anwendung noch eine Konstantstromquelle benötige... Allerdings funktioniert es nicht so wie es soll. Wenn man den Poti dreht passiert erstmal garnichts und auf einmal schaltet der FET innerhalb von ca.1° potiumdrehung schlagartig von Aus auf Vollen Strom. Also quasi unmöglich den strom genau einzustellen. Ausserdem bleibt der Strom (wenn man es mal geschafft hat eine Stellung zwischen 0 und 1 zu finden) nicht konstant. Der Strom steigt mal langsam an und dann sinkt er wieder, also alles andere als konstant. An was könnte das denn liegen? Allerdings habe ich die Schaltung auch mit einem LM741 und IRF540 aufgebaut die ich noch hatte. Gehts damit vielleicht auch einfach nicht? Spannung lag bei 18V. Und Verschiedene Lastwiderstände hab ich auch ausprobiert ohne Veränderung. Wäre nett wenn du (oder jemand anders der sich mit der Schaltung auskennt ;)) mir helfen würde die Schaltung zum laufen zu bekommen. Vielen Dank und Gruß, Thomas
------------------------ +15V
| |
| 10k
10k |
| | |
-|<|--|<|----|--| +
| |
4*1n4148 | | OPV
| |
-|<|--|<|-------| -
| |
|
|------------------------------
Das dürfte am LM741 liegen. Schalte mal die 4 Dioden und die 2
Widerstände zusätzlich mit rein. Dann dürfte es funktionieren.
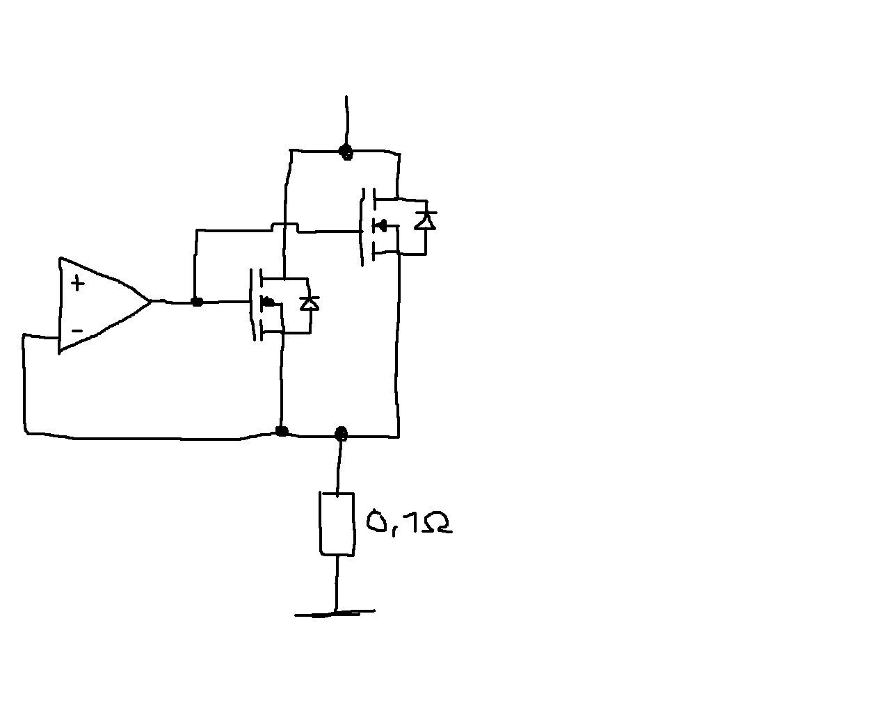
Super :) Hab das mit den Dioden und Widerständen jetzt zwar nicht ausprobiert... aber ich habs einfach nochmal mit nem LM224 aufgebaut und da funktioniert es prima! An was genau hat das jetzt gelegen? Welche Vorraussetzungen erfüllt der 741er nicht? Sry für die doofe Frage aber ich bin noch Anfänger ;) Eine Frage hätte ich noch: Kann ich einfach mehrere Fet's wie in der angehängten Skizze parallel schalten oder muss ich jedem noch einen Widerstand vor's Gate geben das sich die Spannung auf alle Fet's aufteilt? (ohne Spannungsteiler an den Gates würde ja ansonsten theoretisch bei gleicher OPV-ausgangsspannung der doppelte Strom fliesen)
Der 741 verträgt keine Spannungen am Eingang, die so dicht an der negativen Versorgung liegen, der 324 ist dagegen extra für diesen Einsatzfall ausgelegt. Der 741 ist ein schon recht alter Typ und nur mit plus/minus Versorgung vernünftig einsetzbar.
@Doktor Zischer (Gast) >An was genau hat das jetzt gelegen? Welche Vorraussetzungen erfüllt der >741er nicht? Sry für die doofe Frage aber ich bin noch Anfänger ;) Wie bereist gesagt kann der gute, alte 741 nur Eingangsspannungen verarbeiten, die 2V über V- oder 2V unter V+ liegen. Der LM324 kann am Eingang bis V- runter. Das nennt man dann Rail to Rail (Spannung von (Spannungs)Schiene zu Schiene). >Eine Frage hätte ich noch: Kann ich einfach mehrere Fet's wie in der >angehängten Skizze parallel schalten Nein, weil die MOSFETs hier im Linearbetrieb arbeiten. Brauchst du auch nicht. Nimm einen der den Strom abkann und schraub den auf einen Kühlkörper. Fettig. MFG Falk
Okay vielen Dank, wieder was gelernt ;) >Nein, weil die MOSFETs hier im Linearbetrieb arbeiten. Brauchst du auch >nicht. Nimm einen der den Strom abkann und schraub den auf einen >Kühlkörper. Fettig. Der Strom ist nicht das Problem, es geht mir eher um die ~400Watt Verlustleistung die im Extremfall verheizt werden müssen. Da komme ich mit einem IRF540 wohl nicht weit - deshalb dachte ich an parallel schalten. Was wäre denn wenn ich die Fet's parallel schalte und dann jedes Gate mit einer eigenen Regelung (hab ja im lm224 noch 3 opv's frei) mit eigenem Source-Shunt ansteuern würde?
>>Eine Frage hätte ich noch: Kann ich einfach mehrere Fet's wie in der >>angehängten Skizze parallel schalten > >Nein, weil die MOSFETs hier im Linearbetrieb arbeiten. Was hat denn der Linearbetrieb damit zu tun? Das ist doch völlig wurscht. However, ich hab schon bis zu 5 FETs auf diese Weise parallel geschaltet um die ein und andere "Heizung" zu bauen, funktioniert prima (warum sollte es auch nicht gehen). Wichtig ist eigentlich nur, dass die Gate-Source-Kapazität für die entsprechende Anwendung schnell genug umgeladen werden kann und das ist u.a. vom Strom abhängig, der aus dem OP-Amp fließen kann.
Gatewiderstaände am OP Ausgang bitte nicht weglassen, denn: die allermeisten OPV mögen derartige rein kapazitive Belastugn ohne R nicht.
Doktor Zischer schrieb: > Was wäre denn wenn ich die Fet's parallel schalte und dann jedes Gate > mit einer eigenen Regelung (hab ja im lm224 noch 3 opv's frei) mit > eigenem Source-Shunt ansteuern würde? Das geht. Michael schrieb: >>> Eine Frage hätte ich noch: Kann ich einfach mehrere Fet's wie in der >>> angehängten Skizze parallel schalten >> >> Nein, weil die MOSFETs hier im Linearbetrieb arbeiten. > > Was hat denn der Linearbetrieb damit zu tun? Das ist doch völlig > wurscht. Nicht Wurscht, eher Käse ;-) Schau die das Id(Uds)-Diagramm im Datenblatt eines Mosfets an (Beispiel: IRLZ34N). Wird er als Schalter eingesetzt, wählt man Ugs so hoch, dass der Mosfet gut durchschaltet, Uds ist entsprechend klein (z.B. 2,5V). Bei Ugs=6V ist Id bei 175°C etwa halb so hoch wie bei 25°C. Id hat also in diesem Bereich bei konstantem Uds einen negativen Temperaturkoeffizi- enten. Im vorliegenden Stromregler soll der Mosfet abhängig vom Lastwiderstand aber nur teilweise durchsteuern. Dies geschieht dadurch, dass Ugs ent- sprechend geringer (z.B. 2,5V) und Uds größer (z.B.5V) ist. Bei Erwär- mung von 25°C auf 175°C steigt Id auf das Dreifache. In diesem Bereich hat Id bei konstantem Uds also einen positiven Temperaturkoeffizienten. Bei einem positiven Temperaturkoeffizienten ist eine Parallelschaltung nicht ratsam, da eine höhere Temperatur in einem der Mosfets den Strom steigen lässt, was zu einer noch höheren Temperatur führt. Am Ende heizt sich einer der parallel geschalteten Mosfets deutlich stärker als die anderen auf. Bei einem negativen Temperaturkoeffizienten hingegen verteilt sich der Strom und damit die Verlustleitung gleichmäßiger auf die einzelnen Mosfets. Noch etwas zu den Begrifflichkeiten: Der lineare Bereich ist beim Mosfet derjenige im linken Teil des Id(Uds)-Diagramms, wo Id angenähert proportional zu Uds ist. Der rechte Teil, wo Id weitgehend unabhängig von Uds ist, heißt Sättigungsbereich. Da diese Begriffe beim Bipolartransistor anders definiert sind und deswegen oft zur Verwirrung führen, sollte man die alternativen Begriffe ohmscher und Abschnürbereich vorziehen. Andrew Taylor schrieb: > Gatewiderstaände am OP Ausgang bitte nicht weglassen, denn: die > allermeisten OPV mögen derartige rein kapazitive Belastugn ohne R > nicht. Genau das Gegenteil ist der Fall. Der Gate-Widerstand bildet zusammen mit der Gate-Kapazität einen Tiefpass im Gegenkopplungszweig des OPV, der schwingungsfördernd wirkt. Das mit dem zusätzlichen Widerstand ist dann richtig, wenn sich die Kapazität außerhalb des Gegenkopplungszweigs befindet, so dass der enstehende RC-Tiefpass ebenfalls außerhalb liegt.
yalu schrieb: > Andrew Taylor schrieb: >> Gatewiderstaände am OP Ausgang bitte nicht weglassen, denn: die >> allermeisten OPV mögen derartige rein kapazitive Belastung ohne R >> nicht. > > Genau das Gegenteil ist der Fall. Der Gate-Widerstand bildet zusammen > mit der Gate-Kapazität einen Tiefpass im Gegenkopplungszweig des OPV, > der schwingungsfördernd wirkt. Tja, mag bei Dir so sein. Die Datenbücher der Hersteller weisen anderes aus und stimmen mit meinem Statement überein... Und rein experimentell sehe ich den Nutzen des Gatewiderstandes ebenfalls ebenfalls bestätigt. Aber mach halt wie Du meinst, wenn Du es so meinst.
@ Tommi H. (doktor_zischer) >ich habe mir für ein Anodisierbad ein Netzteil gebaut welches 22VDC und >~6A liefert (Trafo, Brückengleichrichter, Elko). Macht max. 132W >Der Strom ist nicht das Problem, es geht mir eher um die ~400Watt >Verlustleistung die im Extremfall verheizt werden müssen. Wie kommst du auf 400W? >Was wäre denn wenn ich die Fet's parallel schalte und dann jedes Gate >mit einer eigenen Regelung (hab ja im lm224 noch 3 opv's frei) mit >eigenem Source-Shunt ansteuern würde? Das geht. Allerdings würde ich ein Stromquelle von dem Kaliber nicht mehr linear bauen. Bau lieber eine Konstantstromquelle mit Schaltregler. MFG Falk
Andrew Taylor schrieb: >> Genau das Gegenteil ist der Fall. Der Gate-Widerstand bildet zusammen >> mit der Gate-Kapazität einen Tiefpass im Gegenkopplungszweig des OPV, >> der schwingungsfördernd wirkt. > > Tja, mag bei Dir so sein. > Die Datenbücher der Hersteller weisen anderes aus und stimmen mit > meinem Statement überein... Welche Datenbücher meinst du genau? Ich habe im Datenblatt des TLC272 folgende Passage zu dem Thema gefunden: All operating characteristics of the TLC272 and TLC277 are measured using a 20-pF load. The devices can drive higher capacitive loads; however, as output load capacitance increases, the resulting response pole occurs at lower frequencies, thereby causing ringing, peaking, or even oscillation (see Figure 41). In Figure 41 ist eine Spannungsfolgerschaltung mit einem Lastkondensator vom Ausgang zur negativen Versorgungsspannung gezeigt. Und so wird das Problem gelöst (was du in deinem Beitrag wahrscheinlich meintest): In many cases, adding a small amount of resistance in series with the load capacitance alleviates the problem. "In series with the load capacitance" bedeutet zwischen dem Abzweigknoten der Gegenkopplung und dem Kondensator und nicht zwischen dem OPV-Ausgang und dem Abzweigknoten der Gegenkopplung, wo er meiner Meinung nach völlig fehl am Platz wäre, da er sich dann innerhalb des Regelkreises befände. In der obigen Stromregelschaltung kann der Widerstand aber nur direkt am Ausgang des OPV (also innerhalb des Regelkreises) angebracht werden, da der Mosfet selbst Bestandteil des Regelkreises ist. Wenn du bessere Quellen zu dem Thema hast: Her damit! Ich bin immer bereit, etwas dazuzulernen :) Das Kapazitätsproblem in der Stromregelschaltung (sofern man überhaupt von einem Problem sprechen kann), lässt sich besser dadurch vermeiden, dass man einen Mosfet mit geringer Gate-Kapazität nimmt (der von mir eingezeichnete IRLZ34N ist diesbezüglich kein so gutes Beispiel). Mosfets mit kleiner Gate-Kapazität haben zwar i.Allg. ein größeres RDSon, was aber in dieser Anwendung praktisch kein Nachteil ist.
>>ich habe mir für ein Anodisierbad ein Netzteil gebaut welches 22VDC und >>~6A liefert (Trafo, Brückengleichrichter, Elko). > >Macht max. 132W > >>Der Strom ist nicht das Problem, es geht mir eher um die ~400Watt >>Verlustleistung die im Extremfall verheizt werden müssen. > >Wie kommst du auf 400W? Falk, lesen hilft manchmal. Die Sache mit den 400W ist ein neues Gerät und hat nichts mehr mit dem Eingangspost gemein. yalu, wie so ein MOSFET funktioniert ist klar aber wenn man die FETs alle auf den gleichen KK schraubt ist das einiger maßen kompensierbar. Klar, man sollte nicht die FETs an deren Leistungsgrenze betreiben sonst geht wegen dem Temperaturgefälle sicherlich der ein und andere Hobbs ;)
Michael schrieb: >>>ich habe mir für ein Anodisierbad ein Netzteil gebaut welches 22VDC und >>>~6A liefert (Trafo, Brückengleichrichter, Elko). >> >>Macht max. 132W > yalu, wie so ein MOSFET funktioniert ist klar aber wenn man die FETs > alle auf den gleichen KK schraubt ist das einiger maßen kompensierbar. > Klar, man sollte nicht die FETs an deren Leistungsgrenze betreiben sonst > geht wegen dem Temperaturgefälle sicherlich der ein und andere Hobbs ;) Es erleichtert die Sache, wenn man Fets aus der gleichen Charge bzw. entsprechend ausgemessen hat für's Ugs. Und jedem einen eigenen Gatewiderstand spendiert. Und ganz Vorsichtige spendieren jedem FET einen einzelnen Gatewiderstand und einen eigenen OPV So mal zur Kapazität am Gate: Bei 5 und mehr parallelgeschalteten ist man schnell im Bereich der xx Nanofarrad. Und das mag kaum ein OPV. Aber mach halt wie Du meinst, bau es einfach auf und miß nach ob es so tut we Du es vorhast/ geplant hast. Auch wenn hier andere eine andere Meinung zu Gatewiderständen haben. cu, Andrew
Parallelschaltung der Mosfets nur mit Source-Widerständen zur Symmetrierung. Dann geht das.
> yalu, wie so ein MOSFET funktioniert ist klar aber wenn man die FETs > alle auf den gleichen KK schraubt ist das einiger maßen kompensierbar. > Es erleichtert die Sache, wenn man Fets aus der gleichen Charge bzw. > entsprechend ausgemessen hat für's Ugs. > Parallelschaltung der Mosfets nur mit Source-Widerständen zur > Symmetrierung. Dann geht das. Ja, das sind auch alles Möglichkeiten, um den Strom einigermaßen gleichmäßig auf die Mosfets aufzuteilen. Aber angesichts der immensen Verlustleistung und der wachsenden Bauteilzahl wäre der oben von Falk vorgeschlagene Schaltregler nicht unschick. Nicht, dass der kiloschwere Kühlkörper noch jemandem auf den Fuß fällt :)
@ yalu (Gast) >unschick. Nicht, dass der kiloschwere Kühlkörper noch jemandem auf den >Fuß fällt :) Wieso auf den Fuss fällt? Der bekommt Räder und wird geschoben! SCNR Falk
>Aber angesichts der immensen Verlustleistung und der wachsenden >Bauteilzahl wäre der oben von Falk vorgeschlagene Schaltregler nicht >unschick. Nicht, dass der kiloschwere Kühlkörper noch jemandem auf den >Fuß fällt :) Ich vermute einfach mal, auch wenns nur ins Blaue ist, dass es grade der Sinn sein soll soviel Leistung zu verheizen. Inwiefern soll dann ein Schaltregler helfen die Leistung nicht zu verheizen?
@ Michael (Gast) >>Wie kommst du auf 400W? >Falk, lesen hilft manchmal. Die Sache mit den 400W ist ein neues Gerät >und hat nichts mehr mit dem Eingangspost gemein. Und das steht wo? In deinem Kopf? Siehe Netiquette. > Michael (Gast) >Ich vermute einfach mal, auch wenns nur ins Blaue ist, dass es grade der >Sinn sein soll soviel Leistung zu verheizen. In einem Galvanikbad? > Inwiefern soll dann ein Schaltregler helfen die Leistung nicht > zu verheizen? Wir reden hier nicht von einer Entladeschaltung für Akkus oder so. MFG Falk
Lies dir mal den Post des TE vom 19.10.2009 um 18:21 Uhr durch. Ich zitier nur mal einen Teil daraus der grad zeigt, dass es nicht mehr um das Problem geht der im Eingangspost steht: >ich habe deine Schaltung jetzt mal aufgebaut da ich für eine andere >Anwendung noch eine Konstantstromquelle benötige... Ich empfehle dir deshalb mal den ersten Punkt der Netiquette zu beachten...vor allem das dort angesprochene Erst Lesen
Hallo an alle, ist ja wahnsinn was ich hier für eine Diskussion entfacht habe ;) Freut mich wirklich das mir hier soviele Leute weiterhelfen möchten. Um die Unklarheiten zu beseitigen: Es handelt sich wie einige schon bemerkt haben nicht um das Netzteil von ganz oben (das ist mittlerweile schon im Einsatz, auch wenn dort die Konstantstromregelung nicht ganz so gut funktioniert (anscheinend sehr temp. abhängig)) Sondern um ein neues Netzteil welches ich in erster Linie aus Spass am Basteln baue, es aber auch mal für das Anodisierbad einsetzen möchte wenn mal mehr Strom benötigt wird. Der Trafo schafft 12A bei 24VAC(=~33VDC) - daher die ~400Watt Verlustleistung. >Das geht. Allerdings würde ich ein Stromquelle von dem Kaliber nicht >mehr linear bauen. Bau lieber eine Konstantstromquelle mit Schaltregler. Das mit dem Schaltregler hört sich natürlich schon interessant an, allerdings hab ich damit noch nie etwas zu tun gehabt und von daher auch überhaupt keine Ahnung wie man so etwas aufbauen würde. Und ich vermute mal das wird schon komplizierter werden als ein paar Transistoren parallel zu schalten und an einem fetten Kühlkörper (von miraus auf Rädern ;)) zu befestigen. Ist doch auch irgendwie geil richtig Energie zu verheizen gg Aber interessieren würd mich der Schaltregler schon mal - vielleicht für mein nächstes Projekt. Vielleicht ist jemand so nett und erklärt mir das mal. Ansonsten werde ich wohl einfach mal einige der zahlreich oben genannten Lösungsvorschläge zur Fet-Parallel Schaltung ausprobieren um zu schauen was gut funktioniert und mit was ich am besten klar komme. Am interessantesten finde ich eigentlich das mit eigenem OPV für jeden Fet. Da ich ja eh schon den LM224 habe wären das auch nicht mehr Bauteile wie wenn ich noch Symetrierwiderstände einfügen würde.
@Doktor Zischer (Gast) >mein nächstes Projekt. Vielleicht ist jemand so nett und erklärt mir das >mal. Vielleicht bist du mal so clever und clickst auf diese lustigen blauben Worte, in Fachkreisen auch Snüffelstück, ähhh, Link genannt? Versuchs mal hier, sim sala bim Konstantstromquelle. MfG Falk
Bitte melde dich an um einen Beitrag zu schreiben. Anmeldung ist kostenlos und dauert nur eine Minute.
Bestehender Account
Schon ein Account bei Google/GoogleMail? Keine Anmeldung erforderlich!
Mit Google-Account einloggen
Mit Google-Account einloggen
Noch kein Account? Hier anmelden.



