Hi,
ich versuche momentan eine Schaltung zu entwickeln, die den
Nulldurchgang eines Außenleiters erkennt. Problem ist dabei, dass ich
eigentlich den Nulldurchgang von L1 zu N brauche, ich aber keinen N zur
verfügung habe sonderm mich ich Drehtstromnetz befinde.
Um zu verdeutlichen was ich brauche:
Folgendes Bild soll die Sinus-Spannung darstellen :-)
+325 -- --
/ \ / \
/ \ / \
0V / \ /
\ /
\ /
\ /
-325 --
Und dieses Signal möchte ich gerne am Ausgang haben :-) (Soll ein
rechtecksignal sein:-))
5V _______ ______
| | |
0V | |________|
Dieses Rechtecksignal soll später im uC ausgewertet werden (Frequenz)
und um Zündzeitpunkte für Thyristoren zu ermitteln.
Im Anhang habe ich meinen jetztigen Stand und wollte mal eure Meinung zu
dieser Schaltung hören. Wird sie so wie ich es mir vorstelle
Funktionieren ? Könnte es irgendwo schwierigkeiten geben ?
Ach habe vergessen das Rechtecksignal zu invertieren, es ist also genau um 180° Verschoben :-) Danke schon mal im vorraus Gruß Jontef
Die Schaltung die dort diskutiert wird, kommt für mich so nicht in frage, da ich genau wissen muss, wann die positive Halbwelle ist und wann die Negative. Das ist mit der schaltung ja so nicht möglich. Aber werde sie mir auch nochmal genau anschauen und mal sehen ob man was verändern kann damit es doch geht. Noch weitere vorschläge zu meiner schaltung?
Gast schrieb: > Die Schaltung die dort diskutiert wird, kommt für mich so nicht in > frage, da ich genau wissen muss, wann die positive Halbwelle ist und > wann die Negative. Das ist mit der schaltung ja so nicht möglich. Aber > werde sie mir auch nochmal genau anschauen und mal sehen ob man was > verändern kann damit es doch geht. Anstatt Brückengleichrichter, ne Einpulsgleichrichtung nehmen.
Schau dir mal dasda an. Ist zwar nicht genau das was du suchst - vielleicht hilft es aber dennoch ein bisschen weiter... http://www.hoelscher-hi.de/hendrik/light/dmxdimmer.htm Abschnitt: ZC-Detection Gruß cosphi
Danke für die Antworten, hat mich aber noch nicht so recht weiter gebracht. Die Lösungen bzw. Schaltungen von "manateemoo" und "Stephan B." ähneln ja meiner Schaltungen. Das hatte ich im Prinzip ja auch so vor. Werde es mal aufbauen und mal Testen. "Gast schrieb: > Die Schaltung die dort diskutiert wird, kommt für mich so nicht in > frage, da ich genau wissen muss, wann die positive Halbwelle ist und > wann die Negative. Das ist mit der schaltung ja so nicht möglich. Aber > werde sie mir auch nochmal genau anschauen und mal sehen ob man was > verändern kann damit es doch geht. Anstatt Brückengleichrichter, ne Einpulsgleichrichtung nehmen." Auf die Idee bin ich auch schon gekommen. Die Schaltung ist ja auch recht schön, nur irgendwie ist sie mir so aufwendig für so eine Aufgaben. Zu viele Bauteile.Es Müssen nämlich auch auf kosten geachtet werden. Nochmal zu meienr schaltung daoben: Wird das so klappen mit dem Nullpunkt den ich mir durch die 3 Widerstände erzeugt habe?
@Gast: Schon mal überlegt, daß die Belastung durch den oberen Zweig Deinen "Nullpunkt" (wenn er denn je gültig war) gewaltig verschiebt?
Morgen! Schau dir mal AN von Atmel an.... http://www.atmel.com/dyn/resources/prod_documents/DOC2508.PDF
Autor: kurz (Gast) Datum: 01.09.2009 07:53 @Gast: Schon mal überlegt, daß die Belastung durch den oberen Zweig Deinen "Nullpunkt" (wenn er denn je gültig war) gewaltig verschiebt? Was verstehst du unter gewaltig ? klar es werden ein paar Volt sein, nur bei einem Strom von wenigen wenigen mA dürfte das keine all zu große auswirkung haben denke ich. Autor: Lorenz P. (lpg-elektronik) Datum: 01.09.2009 07:54 Morgen! Schau dir mal AN von Atmel an.... http://www.atmel.com/dyn/resources/prod_documents/... Die Atmel Notes kenn ich, halte ich aber gar nichts von weil es keine Galvanische Trennung gibt. Wollte das Erst so aufbauen mit einem Trenntrafo 230V/5V o.ä. nur wird dann das Signal durch die Dioden zu sehr verfälscht. Oder?
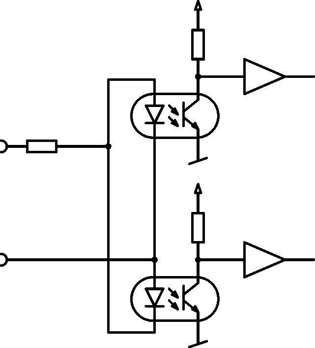
ähnliches habe ich ja gemacht aber so recht funktionieren will es noch nicht bis jetzt. Was für einen Optokoppler willst du denn dafür nehmen ? Ich hatte den SFH608-3 ins auge gefasst, da er schon mit gerecht geringen strömen klar kommt. Und wozu die 2 Dioden ? Sehe da noch keinen sinn drin. Eigentlich sollte es ja auch komplett ohne Diode gehen oder?
Die Schaltung von Lorenz P ist meist ungeeignet, da so der DC anteil erhöht wird. Ausgangtastverhältnis nicht 1:1. Besser eine Led antiparallel zur Optokopplerled.
Naja ich denke eine Diode (1N4007) erfüllt den zweck genauso, wenns ie antiparallel geschaltet wird. Ich hatte es auch schon ähnlich aufgebaut. Das Problem bei der Sache ist aber, dass es kein sauberes Rechtecksignal gibt da der Optokoppler erst bei höheren Spannung voll durchsteuert. Ich habe extra schon einen Optokoppler verwendet (SFH608-3), der bei sehr niedrigen Strömen schaltet, nur leider bekomme ich es nicht in den griff.
Das hier gibt schöne kurze Peaks in jedem Nulldurchgang ab.
1 | 5V |
2 | o |
3 | | |
4 | .-.4k7 |
5 | | | |
6 | | | |
7 | '-' |
8 | | |
9 | o------------------ uC |
10 | ___ 82k | |
11 | o------|___|----------o-----------)---------. |
12 | | | | |
13 | | OK1 .---o---. OK2 | |
14 | | | | | |
15 | - |/ \|<- V |
16 | ^ -> -| | - |
17 | | |> <| | |
18 | | | | | |
19 | | GND GND | |
20 | ___ 82k | | |
21 | o------|___|----------o---------------------' |
> OK1 und OK2
Ja, nun, das sind (wie es der Name schon nahelegt)
Opto-Koppler 1 und Opto-Koppler 2.
Ich verwende hier TLP181, aber das sind SMD-Teile...
Bedrahtet werden das eher CN17 o.ä. sein.
gast schrieb: > Das Problem bei der Sache ist aber, dass es kein sauberes > Rechtecksignal gibt da der Optokoppler erst bei höheren Spannung voll > durchsteuert. Stichwort: Komparator. Wobei das i.d.R. ja eh keine Rolle spielt. Die µC formen es ja digital um.
falls dir alle 3 Außenleiter zur verfügung stehen, kannst du mittels Widerständen oder auch Ls einen Sternpunkt generieren wenn du alle 3 Rs bzw. Ls gleich groß machst also symmetrisch das Netz belastest erhälts du wieder einen N auf den du dich beziehen kannst.....
Wenn du nur 2 Aussenleiter hast, dann kanst du den Nulldurchgang gegen N einfach über den Nulldurchgang zwischen den Aussenleitern und einer Zeit definieren. Im 50Hz-Netz gibt es eine feste Phasenbeziehung: nach 20ms wiederholt sich alles.
>nach 20ms wiederholt sich alles ...solange das Netz noch nicht mit anderen Impulsen versaut wird. http://upload.wikimedia.org/wikipedia/commons/0/07/Regulated_rectifier.gif
Bitte melde dich an um einen Beitrag zu schreiben. Anmeldung ist kostenlos und dauert nur eine Minute.
Bestehender Account
Schon ein Account bei Google/GoogleMail? Keine Anmeldung erforderlich!
Mit Google-Account einloggen
Mit Google-Account einloggen
Noch kein Account? Hier anmelden.


