Hallo,
so das ist meine Schaltung gedacht für eine 5er luftpistolen
Schießanlagen(Schnellfeuer), selbstverständlich Sportlich. Dazu brauchte
ich 5 Taster(Als Steckleiste angezeigt (2x7)) die beim Schuss auslösen,
4 Taster für die Steuerungseinheit ("hoch","runter","ok","reset"), 2
LED's (ebenfalls steckleiste) und und das Display (ebenfalls als
steckleiste angezeigt, jedoch richtig angezeigt) ich habe mich für den
4-bit modus entschieden.
Das ganze läuft per Microcontroller,weil da ja ein Timer sein muss
Könnte mir das bitte jemand kontrollieren?
Gruß,
Alex
Sorry - hab nur ganz kurz drauf geschaut. Bitte gewöhne dir gleich an, nicht alles "zusammenhängend" zu zeichnen. Verwende Masse-Symbole - die Kosten nix ;-) Sonst wird's zu schnell unünbersichtlich (wie man sieht). Aufgefallen ist mir auf den ersten Blick und ohne mich reinzudenken, dass die Stütz-Cs komplett fehlen. Also: 100nF bzw. 10nF an jeden(!) Versorgungspin und noch einen Bulk-Kondensator mit ein paar uF dazu. Des weitern den RESET-Pin nicht in der Luft hängen lassen. Dazu gibt es die Hardware-Design-Guides von Atmel (Pullup + C an Masse + ggf. ESD-Schutzdiode parallel zum R). So schnell so gut. Schönen Abend noch ERICH
Und zeichne mal einen vernünftigen Schaltplan; auf dem geposteten ist ja überhaupt nichts zu erkennen. Ausserdem: Die Taster sind nicht am Controller angeschlossen. Ein bisschen mehr Beschriftung täte auch gut; so kann man dann auch die Buchsen zuordnen.
Hi
>Ist diese Schaltung jetzt richtig?
Du ahnst nicht, warum hier keiner so richtig antwortet?
Das ist kein Schaltplan. Das ist eine Zumutung. Niemand wird Zeit
investieren das zu entschlüsseln, zumal du auch nicht so richtig in der
Lage bist die Funktion zu beschreiben. Tue dir und anderen einen
Gefallen und mach es ordentlich. 'Dann werden sie auch geholfen'.
MfG Spess
Danke, für deine Erklärung, aber was muss ich noch verändern das es ordentlich aussieht? Gruß, Alex
Hi >Danke, für deine Erklärung, aber was muss ich noch verändern das es >ordentlich aussieht? Sieh dir einfach andere Schaltpläne (Zeitschriften, Baupläne etc.) an. MfG Spess
> aber was muss ich noch verändern das es ordentlich aussieht?
Eigentlich ganz einfach: Sieh dir mal einige andere Schaltpläne an. Der,
den du auf Anhieb gleich verstehst, der ist schön gemacht und gut
lesbar...
Dein 1. Plan war katastrophal, der 2. ist schon auf dem richtigen Weg...
1. Zeichne Leitungen im Raster (Pinabstand, 1/10 inch)
2. Es gibt nur orthogonale Leitungen
3. Verwende für jeden Masseanschluss ein Massesymbol
4. Dito für Vcc
5. Busse werden als solche gekennzeichnet
6. Jeder Abgang eines Bus bekommt ein Label
Wie kriege ich das gut hin? Ich habe noch nie so ein Programm benutzt. Gruß, Alex
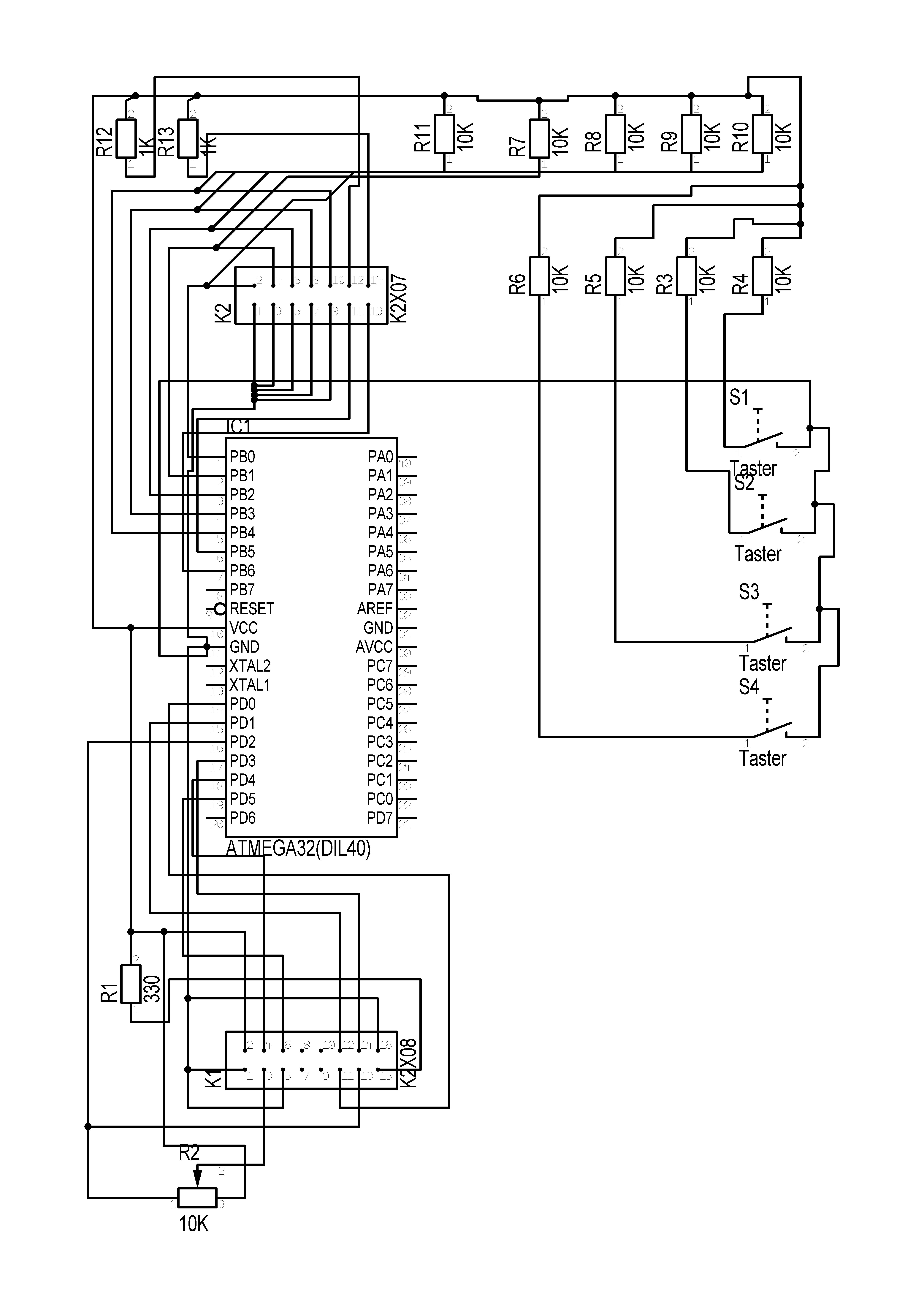
So ich habe jetzt probiert es so offensichtlich wie möglich zu gestalten. Ist dort noch ein Fehler? Gruß, Alexander
Das sieht ja schon mal viel besser aus! Für den Reset Pin brauchst du keinen Wechselschalter nutzen. Ein Schließer nach GND + der schon vorhandene 10k Pullup reichen aus. AVCC solltest du auch noch einen 100n Kondensator verpassen. AREF solltest du nicht beschalten, da es sonst zu einem Kurzschluss kommen kann wenn du den ADC falsch konfigurierst. Aber den brauchst du ja anscheinend eh nicht. Wenn du die Signale in den Bussen nach ihrer Funktion (z.B. RS, E, SW0, SW1,...) benennst und diese dann an beiden Seiten als Label einfügst ist es noch etwas übersichtlicher. Aber das ist vielleicht auch nur Geschmackssache.
Eine Nebenfrage: Welches Programm ist das mit dem das Schaltbild gemacht wurde ??
Schaut doch ehr nach Eagle aus... Der Reset ist noch falsch beschalten. R nach Vcc, C nach Masse und ein Schließer nach Masse. Wurde ja schon erwähnt. 1k als Vorwiderstand für die LEDs erscheint mir etwas groß. Sind das Low-Current-Typen? Bei den Tastern musst du unbedingt die internen Pullups aktivieren, sonst ließt du nur Mist ein. Ist ansich kein Problem so, man muss dann später nur dran denken. Allgemein schaut der Plan aber schon echt gut aus. Andere sind da deutlich lernresistenter... Gruß, Sebastian
So: > Für den Reset Pin brauchst du keinen Wechselschalter nutzen. Ein > Schließer nach GND + der schon vorhandene 10k Pullup reichen aus. > > AVCC solltest du auch noch einen 100n Kondensator verpassen. > > AREF solltest du nicht beschalten, da es sonst zu einem Kurzschluss > kommen kann wenn du den ADC falsch konfigurierst. Aber den brauchst du > ja anscheinend eh nicht. > > Wenn du die Signale in den Bussen nach ihrer Funktion (z.B. RS, E, SW0, > SW1,...) benennst und diese dann an beiden Seiten als Label einfügst ist > es noch etwas übersichtlicher. Aber das ist vielleicht auch nur > Geschmackssache. Hab ich ergänzt ich hoffe es ist jetzt richtig. >Welches Programm ist das mit dem das Schaltbild gemacht wurde ?? Anfangs Tartget, dann aber Eagle. Eagle ist besser, dennoch ist die Bibilothek ein bisschen kompliziert ich blick da noch nicht durch. Wieso? Würdet ihr mir was anderes empfehlen oder gibt es tipps für die Bibilothek? >1k als Vorwiderstand für die LEDs erscheint mir etwas groß. Sind das >Low-Current-Typen? Ich brauche superhell LED's die auch ein relativ großen Durchmesser haben. Auf was sollte ich dort achten? >Bei den Tastern musst du unbedingt die internen Pullups aktivieren, >sonst ließt du nur Mist ein. Wie geht das? in der Programmierung oder? 5 Taster stehen auf 12m entfernung und die beide LED's wahrscheinlich auch. Wie regel ich das richtig. Welche Stecker und Kabel sollte ich verwenden? Gruß, Alexander
Ups jetzt habe ich glatt den Schaltplan vergessen einzufügen.
Wie willst du den Controller programmieren? Archaische raus/rein Methode? Dein AVCC hängt etwas in der Luft.
> Ich brauche superhell LED's die auch ein relativ großen Durchmesser > haben. > Auf was sollte ich dort achten? Auch wenn du im Schaltplan den Widerstandswert auf 1k hast kannst du ihn nachher noch ändern. Würds mal mit einfachen 5mm-LEDs mit Fassung ausprobieren. Dann siehst du ja wie gut man die erkennen kann (kommt auch auf die Schiessstandbeleuchtung an) >>Bei den Tastern musst du unbedingt die internen Pullups aktivieren, >>sonst ließt du nur Mist ein. > > > Wie geht das? in der Programmierung oder? Ja, wenn du die Eingänge konfigurierst kannst du die Pullups einschalten! > > 5 Taster stehen auf 12m entfernung und die beide LED's wahrscheinlich > auch. Wie regel ich das richtig. Welche Stecker und Kabel sollte ich > verwenden? Die Steuerung auch nach vorne? Ansonnsten einfach eine Steuerleitung/Telefonkabel verwenden. Was wird das ganze genau wenn ich fragen darf? (bin auch LuPi-Schütze) > Gruß, > Alexander MFG Mixer
>Was wird das ganze genau wenn ich fragen darf? (bin auch LuPi-Schütze)
Wir bauen eine 5-schüssige Luftpistolen Schießanlage. Die Mechanik haben
wir bereits, jedoch an der Elektronik hängst, da komme ich ins spiel.
Die Aufgabe ist:
Eine Art Timer...
Es soll so funktionieren:
1.Man Schaltet das Gerät ein Auf den Display zeigt sich ein intro.
2.Man kann wählen zwischen Wettkampf oder Training.(Wettkampf ist fest
gelegt)
3.Bei Training: Wählen der Zeit z.B. 10 sec.(wettkampf)
4.Wählen der schuss oder unendlich(also kein zähler)
5.Beginn durch start ---> man muss start drücken um die 5 schuss
danach pause und anzeige der treffer bis man wieder start drückt dann
gehts wieder los.
(6)wenn man wettkampf gewählt hat wird gezählt wie viel man gtroffen hat
bei training begrenzt auch
Hi >>C2 ist falsch beschaltet ! >Was muss geändert werden? VCC(AVR) an VCC und C2 von VCC nach GND. MfG Spess
so hatte ich es ja dann sollte ich noch eins dazu machen also kann ich c2 ganz weg lass des was gemeint war ist c1 oder?
Wenn die Taster an so langen Leitungen hängen, solltest Du die besser galvanisch vom Controller trennen (Optokoppler). LEDs auch. Sonst hast Du lange Antennen am Controller, über die sich dieser alles Mögliche einfangen kann. Außerdem sollte ein JTAG oder ISP Stecker vorgesehen werden. Die Versorgungsspannung sollte zumindest durch eine Diode vor Verpolung geschützt werden. Besser mit 9V versorgen, mit Diode vor Verpolung schützen, mit Supressor-Diode oder Varistor Überspannung abfangen, dann mit 7805 herunterregeln. Wenn Du die Zeiten einigermaßen genau einhalten möchtest nutze einen Quarz. Der interne OSC ist sehr temperaturabhängig.
Guten Morgen, ich würde einen ISP Anschluss vorsehen, das beschleunigt den Entwicklungszyklus ungemein, falls man ein ISP fähiges Programmiergerät hat. Ich würde ebenfalls die Pins des UART nicht für die LCD Steuerung verwenden, sondern auf einen Stecker führen, so dass man sie ohne Stress für Debug Ausgaben oder später zum Anschluss eines Rechners z.B. als Anzeige-Medium verwenden kann. Anschlüsse sind ja genug frei. mfg SH
Bitte melde dich an um einen Beitrag zu schreiben. Anmeldung ist kostenlos und dauert nur eine Minute.
Bestehender Account
Schon ein Account bei Google/GoogleMail? Keine Anmeldung erforderlich!
Mit Google-Account einloggen
Mit Google-Account einloggen
Noch kein Account? Hier anmelden.



