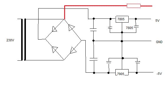
Ich habe hier ein Phänomen, das ich nicht verstehe. Ich habe eine Uhr gebaut, die mit Netzfrequenz betrieben wird, die für eine Minute nur ~58 Sekunden braucht. Der Reihe nach: Ich benutze mein Standard-Bastel Netzteil, das so wie im beiliegenden GIF aufgebaut ist. Nichts besonderes: Trafo - Gleichrichter - Siebelko, die eine virtuelle Masse bilden, 7805 + 7905. Alles ganz normal aufgebaut. Auf einem Steckbrett steckt ein Mega16, mit LCD drann. Nun brauchte ich auf die Schnelle einen Zugang zu den 50Hz. Also hab ich mir in mein Standardnetzteil (eines der wenigen Dinge denen ich vor Jahren ein Gehäuse verpasst habe :-) auf die Schnelle einen Abgriff nach dem Trafo verpasst (die rot markierten Teile) und gehe damit auf den INT2 des Mega16 (über 1k-Schutzwiderstand). Der INT2 löst auch aus. Nur wie gesagt: Es sieht so aus als ob meine Netzfrequenz so um die 54Hz liegen würde, meine Uhr benötigt für 1 Minute nur ~58 reale Sekunden. Und das kann ich nicht glauben! Kann es sein, dass ich Schmutz in der Netzspannung habe (Kühlschrank, Fenseher, was halt sonst noch so im Haushalt keucht und fleucht)? Edit: Ach ja, reibt euch nicht zu sehr an der 7805/7905 Beschaltung auf. Im echten Gerät wird dann nur ein 7805 sitzen und es gibt auch keine virtuelle Masse mehr. So wie es jetzt ist, ist es nur ein Testaufbau. Mir geht es ausschliesslich darum, warum ich keine 50Hz habe. Edit: Ich habe den Code jetzt nicht da, aber bitte glaubt mir, dass in einer ISR bis 50 zählen meine Fähigkeiten nicht übersteigt. Ich habe wohl 20 mal kontrolliert ob ich nicht um 1 daneben bin. Edit2: 100nF Kondis am Mega sind selbstverständlich auch drann. Der Mega funktioniert definitiv einwandfrei. Es muss irgendwas an den Pulsen sein. Da ich aber kein Oszi besitze, kann ich das auch nicht kontrollieren.
Was das mit den 58 Sekunden soll, versteh ich nicht. Aber ja, du mußt die Netzspannung schon filtern. Am einfachsten sicherlich mit einem AC-Optokoppler. Insbesondere im Nulldurchgang sollte die Schaltung blind sein! Andere Möglichkeit ist der klassische SR-FF als 'Entprellschaltung'. Die echte Netzfrequenz schwankt normalerweise nicht mehr als um +- 0,2Hz und wird im 24h Mittel nachgeregelt.
Abdul K. schrieb: > Was das mit den 58 Sekunden soll, versteh ich nicht. Ganz einfach. Ich mach die Windows Uhr auf. Bei 0 starte ich meine Uhr. Meine Uhr ist bei 1 Minute, wenn die Windows Uhr erst 57/58 Sekunden anzeigt. Der Fehler ist real und summiert sich. Nach 5 Minuten geht die AVR-Uhr schon 10 Sekunden vor.
Ich würde auch auf Müll auf der Leitung prädieren. Eventuell ist der Arbeitspunkt für den INT zu niedrig. Ist Rauschen auf der Leitung, könnte der INT manchmal zu oft ausgelöst werden. Vorschlag: Gleichgerichtete und nicht geglättete Spannung über eine Diode abnehmen und danach nur leicht glätten (Störungen wegnehmen). Dann ggf mit dem internen Komparator einen passenden Arbeitspunkt einstellen.
Vergeß die Windoof-Uhr. Bei PCs sind die internen 32k-Quarze sowas von billich. Habe da schon die wundersamsten Qualitäten gesehen. Und dann gabs da noch einen obskurren Bug in der PC-Architektur. Weiß nicht, ob der aktuell noch drin ist. Die einzig wirklich brauchbaren internen Uhren scheint Apple zu haben. Zumindest früher. Nimm einen Funkwecker und probiers nochmal.
Christian H. schrieb: > Gleichgerichtete und nicht geglättete Spannung über eine Diode abnehmen Diode hab ich auch probiert. Abgriffpunkt - 1N4148 - R - Int_Eingang Das (für mich) verblüffende war, dass dann kein INT mehr durchkam. Ich bin dem aber noch nicht weiter nachgegangen. > und danach nur leicht glätten (Störungen wegnehmen). Das ist eines der nächsten Dinge, die ich heut nachmittag ausprobieren will. kleinen Kondensator nach Masse. 100nF kommen mir etwas viel vor. Mal sehen was sich in der Bastelkiste so findet.
Abdul K. schrieb: > Vergeß die Windoof-Uhr. Bei PCs sind die internen 32k-Quarze sowas von > billich. Habe da schon die wundersamsten Qualitäten gesehen. Und dann > gabs da noch einen obskurren Bug in der PC-Architektur. Weiß nicht, ob > der aktuell noch drin ist. Die Windows-Uhr geht an und für sich ziemlich gut(*). Habe aber zur Kontrolle auch mal mit dem iPhone gestoppt. Gleiches Problem. Auch die Größenordnung des Fehlers ist identisch. (*) Ich kann einfach nicht glauben, dass meine PC Uhr in dieser Größenordnung falsch gehen würde und das nicht nach ein paar Tagen auffallen würde.
Nachdem ich im Labor mal die Netzfrequenz mit dem Oszi bei verschiedenen Verbrauchern angesehen habe, wundere ich mich regelmäßig, daß meine mit Netzfrequenz gesteuerte Uhr doch noch eine gescheite Zeit anzeigen kann. Sparlampen, Schaltnetzteile, Phasenschnittsteuerungen, Schaltimpulse, ... verschandeln den schönsten Sinus manchmal bis zum Rechteckimpuls mit Oberwellen. In Deinem Fall würde ich mal ein Netzfilter zur Probe davorschalten oder am INT2 einen Tiefpass um die 50Hz versuchen. Es könnte aber auch ein kleines Masseproblem sein?
zwei unschöne Dinge: 1. Du gibst auf den Int-Eingang ein Sinus-Signal Ich kenn den Mega nicht, aber wenn er keinen ST-Eingang hat, dann kann das zu unliebsamen Überraschungen führen, wenn an einem normalen Digitalen Eingang die Flanken zu flach sind. 2. Wie hoch ist eigentlich die Spitzenspannung an deinem INT-Signal? Wohl deutlich über 5V, oder? Und ob das der Mega lange mitmacht, wage ich zu bezweifeln. Auch dies könnte natürlich ein Fehlverhalten verursachen, da du den Pin weit ausserhalb der Spezifikation betreibst. Oder hab ich hier was übersehen??
oszi40 schrieb: > Nachdem ich im Labor mal die Netzfrequenz mit dem Oszi bei verschiedenen > Verbrauchern angesehen habe, wundere ich mich regelmäßig, daß meine mit > Netzfrequenz gesteuerte Uhr doch noch eine gescheite Zeit anzeigen kann. Genau das ist es ja, was mich stutzig macht. Hab mich im Netz mal umgesehen. Praktisch alle Netzfreeuenz Uhren die ich gesehen haben, treiben an dieser Stelle so gut wie keinen Aufwand. OK. Der jetzige Schnellschuss ist extrem minimalistisch, aber ich sehe auch hier keine Filterung http://elektronik-kompendium.de/public/arnerossius/schaltungen/avr/microclock.png http://bwir.de/schaltungen/digitaluhr > oder am INT2 einen Tiefpass um die 50Hz versuchen. Tiefpass wirds wohl werden. Netzfilter hab ich so schnell keines greifbar. > Es könnte aber auch ein > kleines Masseproblem sein? Du meinst durch die virtuelle Masse?
Schrotty schrieb: > 1. Du gibst auf den Int-Eingang ein Sinus-Signal > Ich kenn den Mega nicht, aber wenn er keinen ST-Eingang hat, Hat er. > 2. Wie hoch ist eigentlich die Spitzenspannung an deinem INT-Signal? > Wohl deutlich über 5V, oder? Und ob das der Mega lange mitmacht, wage > ich zu bezweifeln. > Auch dies könnte natürlich ein Fehlverhalten verursachen, da du den Pin > weit ausserhalb der Spezifikation betreibst. Der Pin hat interne Schutzdioden, zusammen mit dem Widerstand begrenzt das Strom und Spannung auf ungefährliche Werte. Ich würde auch auf Schmutz in der Netzspannung tippen. Ein Tiefpass wäre wohl sehr zu empfehlen.
Schrotty schrieb: > 1. Du gibst auf den Int-Eingang ein Sinus-Signal > Ich kenn den Mega nicht, aber wenn er keinen ST-Eingang hat, dann kann > das zu unliebsamen Überraschungen führen, wenn an einem normalen > Digitalen Eingang die Flanken zu flach sind. Hmm. Da könnte was drann sein. Daran hab ich tatsächlich noch gar nicht gedacht. > 2. Wie hoch ist eigentlich die Spitzenspannung an deinem INT-Signal? > Wohl deutlich über 5V, oder? Travo ist ein 12V Typ. Im 'Leerlauf' werdens wohl noch ein paar V Spitze-Spitze mehr sein. > Und ob das der Mega lange mitmacht, wage > ich zu bezweifeln. Ursprünglich hatte ich selbst noch Clamping Dioden drann. Aber im Zuge der Fehlersuche habe ich die entfernt und benutze nur die internen Clamp-Dioden. Der R sollte die eigentlich schützen.
Karl heinz Buchegger schrieb: > Abdul K. schrieb: >> Vergeß die Windoof-Uhr. Bei PCs sind die internen 32k-Quarze sowas von >> billich. Habe da schon die wundersamsten Qualitäten gesehen. Und dann >> gabs da noch einen obskurren Bug in der PC-Architektur. Weiß nicht, ob >> der aktuell noch drin ist. > > Die Windows-Uhr geht an und für sich ziemlich gut(*). Habe aber zur > Kontrolle auch mal mit dem iPhone gestoppt. Gleiches Problem. Auch die > Größenordnung des Fehlers ist identisch. > > (*) Ich kann einfach nicht glauben, dass meine PC Uhr in dieser > Größenordnung falsch gehen würde und das nicht nach ein paar Tagen > auffallen würde. Mehrere Sekunden am Tag sind bei PCs normal. Wenn der Quarz defekt ist, können das dann auch Minuten sein. Typische Fehler beim Hersteller: 1. Runtergefallen, aufgehoben, eingelötet. Geht doch... 2. Ultraschall-Reinigung des gesamten Boards. Achso ja, dummerweise Reinigungsfrequenz bei Resonanzfrequenz. usw. Aber das hast du ja nun ausgeschlossen. Nimm ein Scope und schaue.
Wie schon geschrieben wurde: Die Schaltung so ist Mist. Gerade rund um den Nulldurchgang sind Rundsteuersignale und Co aktiv. Der Interrupt Pin fängt sich daher jeden möglichen Mist ein. Von daher gilt hier das gleiche wie bei Tastern: Entweder du "entprellst" hardwaremäßig (über einen Tiefpass/Bandpass) und lieferst dem µC ein sauberes Rechtecksignal, oder du musst softwaretechnisch ran indem du keinen Interrupt Pin verwendest, sondern das Signal mit einer höheren Frequenz samplest und Störungen rausschmeißt: Wenn die Frequenz an dem Pin sehr von 100Hz nach oben abweicht, dann wird der Impuls ignoriert, wenn er nach unten abweicht wird auf interne Zeitbasis umgeschaltet. Ich habe beides bei mir verwendet, da ich ähnliche Probleme hatte, seitdem stelle ich die Uhr 2x im Jahr: Einmal +1 Stunde, einmal -1h...
Karl heinz Buchegger schrieb: > > So um die 9V Du bist nicht gerade ein Vorbild. Gehe lieber als Gast rein. > >> Und ob das der Mega lange mitmacht, wage >> ich zu bezweifeln. > > Ursprünglich hatte ich selbst noch Clamping Dioden drann. Aber im Zuge > der Fehlersuche habe ich die entfernt und benutze nur die internen > Clamp-Dioden. Der R sollte die eigentlich schützen. Und R ist 100K aufwärts? MCU toggelt irgendwas, Transient schaltet am Sense-Eingang wegen 100K hochohmig? Nochmal: Scope und richtige Filterschaltung!
Benedikt K. schrieb: > Wie schon geschrieben wurde: Die Schaltung so ist Mist. > Gerade rund um den Nulldurchgang sind Rundsteuersignale und Co aktiv. > Der Interrupt Pin fängt sich daher jeden möglichen Mist ein. Ich hab schon befürchtet, dass das mein Problem sein wird. > Von daher gilt hier das gleiche wie bei Tastern: Entweder du > "entprellst" hardwaremäßig (über einen Tiefpass/Bandpass) und lieferst > dem µC ein sauberes Rechtecksignal, Darauf wirds wohl hinauslaufen.
Ich vermute mal wie oben schon gesagt, dass an der entsprechenden Schwelle der Interrupt "prellt" also zu oft ausgelöst wird, wegen dem Dreck auf der Leitung. Der Schmitt Trigger Bereich des AVR Eingangs könnte zu klein sein. Alternativ könnte es ja auch sein, dass die hohe Spannung Probleme macht. Kann ich mir aber nicht vorstellen, da du ja einen entsprechenden Vorwiderstand einsetzt. Ich würde mal versuchen: 1. Externe Clamp Diode auf 5V (Nur um das auszuschließen, ist ja schnell reingefummelt). 2. RC Tiefpass am Signal vielleicht? Die Verzögerung sollte ja keine Probleme machen bei dieser Anwendung EDIT: Auf jeden Fall, die russische Schaltung spricht nicht gerade für dich, KH ;) ;)
Abdul K. schrieb: > Karl heinz Buchegger schrieb: > >> >> So um die 9V > > Du bist nicht gerade ein Vorbild. Gehe lieber als Gast rein. :-) Mea culpa
Deine Ihr geht schneller, zählt also mehr Impulse. Im Nulldurchgang (bzw. der Umschaltschwelle des Digitaleingangs) führt jede winzige Störung zur Vervielfachung von Impulsen. Überlege sich einfach 12V~ mit überlagterten 1V Kammerton A. Du brauchst einen Schmitt-Trigger Dingang mit möglichst hoher Hysterese, und einen (RC-)Eingangsfilter der alles jenseits der 100 Hz gut wegfiltert. Dann klappt das auch mit der Netzsynchronen Uhr.
@Andreas: Das mag sein, dass er ne Schutzdiode hat, aber diese ist nicht dafür gedacht, sie als Spannungsbegrenzung zu missbrauchen. Das DB sagt klar: Absolute Maximum Rating: Vcc+0,5 Alles darüber kann sogar zur Zerstörung des ICs führen. Über den ST und dessen Eigenschaften wie Hysterese etc konnte ich leider keine Angaben finden. So eine Art der Beschaltung kann funktionieren, muss aber nicht, da du dich nicht innerhalb der Spezifikation des Chips bewegst. Daher mein Vorschlag: Spannungsbegrenzung mit z-Diode und nen externen ST setzen. Nur um diesen Fehler auszuschliessen
Simon K. schrieb: > Ich würde mal versuchen: > 1. Externe Clamp Diode auf 5V (Nur um das auszuschließen, ist ja schnell > reingefummelt). Hatte ich ursprünglich. > 2. RC Tiefpass am Signal vielleicht? Die Verzögerung sollte ja keine > Probleme machen bei dieser Anwendung Das werde ich auch mal probieren. > EDIT: Auf jeden Fall, die russische Schaltung spricht nicht gerade für > dich, KH ;) ;) Erwischt. War ein Mitten-In-der-Nacht Schnellschuss. Du kennst das: Pgm ist soweit fertig (Uhr ist nur ein Teil davon). Mit dem Timer geht du Uhr falsch, solange die Quarzfrequ. nicht exakt ausgemessen ist. Also was tun: 50Hz müssen her, die auf einen INT, ISR installieren. Die Uhr tickt. Die Überraschung war morgends allerdings groß, als die Uhr während der Nacht ein paar Stunden vorgelaufen ist. Das hatte ich einfach nicht erwartet.
Die Schaltungs-Links sind Mist. Hier was aus meinem Link-Fundus: http://www.dos4ever.com/nixie1/nixie1.html Und hier die aktuelle Netzfrequenz: http://www.swissgrid.ch/power_market/grid_operation/frequency/ Sollte auch für DE gelten. Da siehste auch die integrierte Version. Alles weitere kostet jetzt aber extra :-)
Na ja, ich würde das Signal direkt am Plus des Gleichrichters abgreifen und in Reihe zum Siebelko eine Diode schalten. Somit haben zumindest Steuersignal und Schaltung die gleiche Masse. Michael
Vor Jahren hab ich mir auch mal so ne netzsynchrone Uhr gebaut- allerdings mit einigen 4017. Dazu lass ich die Wechselspannung direkt nach dem Trafo über 1M und eine Diode an den Zähleingang. Als Filterung nur einen 33nF vom Eingang runter nach Masse und 2 externe Schutzdioden. Mich hats echt überrascht, dass es mit so wenig Aufwand funktioniert. Die Uhr geht so +/- 1 Minute am Tag falsch, macht aber über längere Zeiträume keinen Fehler.
Abdul K. schrieb: > Die Schaltungs-Links sind Mist. Hier was aus meinem Link-Fundus: > http://www.dos4ever.com/nixie1/nixie1.html http://www.dos4ever.com/nixie1/timebase.gif Also Respekt, das ist echt Bulletproof! So wie ich das sehe mit einem Flip Flop, dass über die positive bzw. negative Halbwelle gesetzt bzw. zurückgesetzt wird.
Es ist kein riesen Schaltungsaufwand nötig. Du kannst doch bequem in Software filtern: Einfach nach dem Interrupt den Interrupt für 15ms sperren. Und vor der Freigegabe natürlich das Interrupt-Pending-Flag löschen! Peter
Die drei wichtigsten Punkte sind bereits genannt worden, hier sind noch ein paar Kommentare dazu: 1. RC-Tiefpass verwenden. Er sollte die Störungen so weit reduzieren, dass sie sehr deutlich unter der Amplitude des 50-Hz Signals liegen, so dass der Schmitt-Trigger in (3) greifen kann. 2. Amplitude so weit reduzieren, dass sie im Eingangsspannungsbereich des AVR liegt. Mit der Amplitude werden auch die Störungen reduziert. Die Reduktion der Amplitude kann bspw. über eine entsprechend große Zeitkonstante des o.g. TP erfolgen. Durch das Beschneiden mit den Schutzdioden reduzierst du zwar die Amplitude des Nutzsignals, nicht aber die der Störungen (wenn diese unterhalb von 5Vpp liegen). 3. Schmitt-Trigger verwenden. Die Hyterese muss ein Stück größer als die Spitze-Spitze-Spannung der nach dem TP verbleibenden Störungen, aber ein Stück kleiner als die Amplitude des Nutzsignal sein. Damit das überhaupt geht, ist der Tiefpass in (1) wichtig. Die AVR-Eingänge haben eine Hyterese von etwa 0,5V, was evtl. zu wenig ist. Optional kannst per Software dafür sorgen, dass der Interrupteingang immer nur in einem schmalen Zeitfenster (es kann noch deutlich schmaler sein als von Peter vorgeschlagen) um den erwarteten Triggerzeitpunkt herum aktiv ist. Damit werden die Störungen zwar nicht komplett eliminiert, aber immerhin wird die Wahrscheinlichkeit, dass sie zu unerwünschten Zählimpulsen führen, deutlich verringert. Diese Maßnahme ist aber kein Ersatz, sondern nur ein Zusatz für die drei erstgenannten. Du hast uns zwar verboten, über deine Netzteilschaltung zu lästern, ich tu's trotzdem ;-) ... weil sie vielleicht mit deinem Problem zusammenhängt: Die GND-Lei- tung hat überhaupt keine DC-Verbindung zum Rest des Netzteils. Wenn der Stromverbrauch an der +5V- und der -5V-Leitung im kurzfristigen Mittel nicht exakt gleich ist, wird das GND-Potential wegdriften, so dass der Schwellwert für die Auswertung des 50-Hz-Signals nicht mehr stimmt. Am besten schließt du den Kondensator unten links einfach kurz, dann hast du eine uniploare Stromversorgung, wie du sie für später sowieso geplant hast.
Nachtrag, ich schrieb: > Die GND-Leitung hat überhaupt keine DC-Verbindung zum Rest des > Netzteils. Korrekt wäre " fast keine DC-Verbindung". Über die GND-Leitungen der beiden Regler kann ein Ausgleichstrom fließen, der aber bei angeschlos- senem AVR und wahrscheinlich vorhandenen Peripheriekomponenten evtl. zu klein ist.
Hi Das Netzteil ist insgesamt etwas gewöhnungsbedürftig. Einer derartige Schaltung setzt man eigentlich nur bei Trafos mit Mittelanzapfung, die mit Masse verbunden ist. Die vorliegene Schaltung hat den Nachteil, das der Strom vom positiven Regler über den Negativregler zurückfliesst. Mag bei kleinen Leistungen gehen. Mein Fall wäre es trotzdem nicht. Zur Triggerung deiner Uhr würde ich einen Optokoppler mit antiparalleler Diode zur Led nehmen. MfG Spess
Hallo Karl-Heinz, zwei Dinge möchte ich gerne hinzufügen, der Rest wurde schon mehrfach erwähnt: 1. Bitte Dein 50Hz Signal entsprechend filtern und UNBEDINGT auf Spannungen <= VCC reduzieren z.B. mit Schottky oder Z-Diode. Bodyströme führen (meist) zur Verschiebung von Schaltschwellen im IC, auch der AD-Wandler mißt plötzlich ganz anders. "Gesund" ist das mit Sicherheit nicht. 2. Filtern in SW kann auch so aussehen, daß Du Deinen INT nur in einem von Dir zu bestimmenden "Aufenthaltswarscheinlichkeitsbereich" freischaltest... Dein interner Timer ist auf jeden Fall so genau eine Art "Gatingfunktion" zu realisieren... ich bin Sicher, daß Dir hierzu noch viel mehr einfällt. Viel Erfolg! Gruß Volker
50Hz aus Optokopplern zu gewinnen, scheint auf jeden Fall eine gute Idee, da 1.Die kleinen Störungen unterhalb der Einschaltschwelle der LED verschwinden. 2.Das Masseproblem umgangen wird.
Schrotty schrieb: > @Andreas: > > Das mag sein, dass er ne Schutzdiode hat, aber diese ist nicht dafür > gedacht, sie als Spannungsbegrenzung zu missbrauchen. > > Das DB sagt klar: > Absolute Maximum Rating: Vcc+0,5 > Alles darüber kann sogar zur Zerstörung des ICs führen. Richtig, aber wenn die Flußspannung der internen Diode <= 0.5V ist (was AFAIK zutrifft) kann man diese Spezifikation auch durch einen Vorwiderstand einhalten. Lässt sich ja problemlos mit dem Multimeter überprüfen. Wichtig ist natürlich dass der Widerstand den Strom ausreichend begrenzt. Wenn man auf Nummer sicher gehen will schadet eine zusätzliche externe Clamping-Diode natürlich nicht. Allerdings muss das dann eine mit geringerer Flußspannung als die intere sein (also Schottky), oder eine Zenerdiode zu GND, sonst bringt sie nichts. > Über den ST und dessen Eigenschaften wie Hysterese etc konnte ich leider > keine Angaben finden. Über die Clamping-Dioden steht da leider auch nicht viel. Also wenn man nicht auf den letzten Cent achten muss, im Zweifelsfall lieber ein bisschen mehr Hardware spendieren um sicher zu gehen.
So hat man das FRÜHER gemcht - Elektor Miniaturausgaben von 1972 und 1973. Quarze waren noch viel zu teuer.
Christoph Kessler (db1uq) schrieb: > So hat man das FRÜHER gemcht - Elektor Miniaturausgaben von 1972 und > 1973. Quarze waren noch viel zu teuer. Aber damals war die Netzspannung auch noch ein sauberer Sinus.
>50Hz aus Optokopplern zu gewinnen, scheint auf jeden Fall eine gute >Idee, da >1.Die kleinen Störungen unterhalb der Einschaltschwelle der LED >verschwinden. >2.Das Masseproblem umgangen wird. Mich stört die völlig fehlende Tiefpaß-Filterung. Außerdem ist mir die Hysterese für meinen Geschmack auch nicht groß genug. Ich habe schon Schaltungen gesehen, bei denen die 50Hz mir drei hintereinandergeschalteten identischen RC-Gliedern gefiltert wurde. Danach folgte ein OPamp mit Verstärkung und ein schneller Schmitt-Trigger mit großer Hysterese. Mit dem Ausgangssignal wurde eine PLL-Stufe mit sehr kleinem Ziehbereich gesteuert, die auch bei kurzzeitigen Netzausfällen weiterhin den Takt liefert. Letztlich wurde das PLL-Ausgangssignal für die Takterzeugung verwendet und nicht der Ausgang des Schmitt-Triggers. Was oft auch vergessen wird, ist, daß ein öffnender Gleichrichter im Netzteil in Verbindung mit der Induktivität der Sekundärtwicklung selbst heftige Schwingungen verursachen kann. Die Gleichrichterdioden sollten daher mit 10...47nF Kondensatoren gebrückt werden oder man schaltet der Sekundärwicklung einen 100nF Kondensator parallel, noch vor dem Gleichrichter. Kai Klaas
Ich hab in den 70ern mit dem Monoflop 74121 ans der Netzfrequenz saubere 50Hz Impulse bekommen. Sollte auch heute noch gehen. mfg Dietmar M.
Der 1kOhm Serienwiderstand am INT-Pin ist viel zu klein. Bei 12V Trafospannung sollte man wenigstens 47kOhm benutzen, um die Body-Dioden nicht zu grillen, ganz abgesehen vom AVR selbst, der bei zu wenig Stromaufnahme auf über 7V hochlaufen müßte.
Kai Klaas schrieb: >>50Hz aus Optokopplern zu gewinnen, scheint auf jeden Fall eine gute >>Idee, da >>1.Die kleinen Störungen unterhalb der Einschaltschwelle der LED >>verschwinden. >>2.Das Masseproblem umgangen wird. > > Mich stört die völlig fehlende Tiefpaß-Filterung. Außerdem ist mir die > Hysterese für meinen Geschmack auch nicht groß genug. Dann nimm halt ne unterversorgte Glühlampe. > > Ich habe schon Schaltungen gesehen, bei denen die 50Hz mir drei > hintereinandergeschalteten identischen RC-Gliedern gefiltert wurde. > Danach folgte ein OPamp mit Verstärkung und ein schneller > Schmitt-Trigger mit großer Hysterese. Mit dem Ausgangssignal wurde eine > PLL-Stufe mit sehr kleinem Ziehbereich gesteuert, die auch bei > kurzzeitigen Netzausfällen weiterhin den Takt liefert. Letztlich wurde > das PLL-Ausgangssignal für die Takterzeugung verwendet und nicht der > Ausgang des Schmitt-Triggers. Die Schaltung würde mich interessieren. Bekommt man das aufwandsarm hin? > > Was oft auch vergessen wird, ist, daß ein öffnender Gleichrichter im > Netzteil in Verbindung mit der Induktivität der Sekundärtwicklung selbst > heftige Schwingungen verursachen kann. Die Gleichrichterdioden sollten > daher mit 10...47nF Kondensatoren gebrückt werden oder man schaltet der > Sekundärwicklung einen 100nF Kondensator parallel, noch vor dem > Gleichrichter. > Oder gleich UF4007 oder diotec Schottky-Brückengleichrichter.
Überprüfe doch einmal am Int-Eingang mit einem Multimeter die Frequenz. Dies machen fast alle MM und ausreichend genau. Wenn OK, dann ist es die Soft. Wie ist der INT-Eingang initialisiert: H, L, Flanke L->H, Flanke H->L ... ? Mal alles durchprobieren. Evtl. den Eingang als Analog-Komperator initialisieren.
Hi Leute da ich annehme, dass mein Problem mit dem hier geschilderten in Zusammenhang steht, hier meine Frage: Habe zwei Lichtwecker (Oregon Scientific WS 902 Sunrise Wake-up) gekauft die meine Kinder in der Winterzeit sanfter munter machen sollen. Nun haben beide (die Wecker) das Problem, dass sie innerhalb von ca. 10 Stunden gut fünf Minuten vor gehen. Nachdem ich das Problem mit der Auswertung der Netzfequenz zur Bestimmung des Zeittaktes schon mal gehört hatte stellt sich mir nun die Frage mit welchen Hilfsmitteln bekomme ich ein sauberes Signal? Reicht es wenn ich einen PC-Überspannungsschutz Supra-Guard mit Netzfilter (Herst.-Nr. 00146661) kaufe und davor hänge? Danke im Voraus für eure Hilfe cu Paul PS Bauen kann ich mir nix da zwei linke Hände und zehn Daumen ;)
Paul schrieb: > Reicht es wenn ich einen PC-Überspannungsschutz Supra-Guard mit > Netzfilter (Herst.-Nr. 00146661) kaufe und davor hänge? > Bauen kann ich mir nix da zwei linke Hände und zehn Daumen ;) Dann prüfe die Wecker erst mal an einen anderen Stromkreis/anderes Haus um herauszufinden ob es wirklich Störungen durch Schaltnetzeile oder Dimmer sind oder Deine Wecker eine totale Fehlkonstruktion.
Paul schrieb: > Reicht es wenn ich einen PC-Überspannungsschutz Supra-Guard mit > Netzfilter (Herst.-Nr. 00146661) kaufe und davor hänge? Nein. Sicher nicht. :-( Du könntest mal einen Test mit einem Trenntrafo machen... oder probieren, ob 200m aufgewickeltes Verlängerungskabel etwas ändern... oder die Zeitschätzeisen an den Verkäufer zurückgeben... :-o EDIT: du hättest ruhig einen neun Thread aufmachen und auf den hier verweisen können. Dann hätte ich nicht ein altes Problem und dessen Lösung komplett durchlesen müssen, um dann zu sehen, dass es eigentlich um was anderes geht... :-/
Lothar Miller schrieb: > Du könntest mal einen Test mit einem Trenntrafo machen... hmm.... gibt es sowas bezahlbar von der Stange, also mit Schuko? > oder probieren, ob 200m aufgewickeltes Verlängerungskabel etwas > ändern... 200m .... wird interessant wenn ich meiner Frau die Kabeltrommeln zeige die dann bei den Kids in den Zimmern herumliegen... ;) > oder die Zeitschätzeisen an den Verkäufer zurückgeben... :-o grins der ist gut aber ich möchte die elektronische Näherungsanzeige des zeitweilig verdeckten Sonnenstandes bitte doch behalten > EDIT: du hättest ruhig einen neun Thread aufmachen und auf den hier > verweisen können. Dann hätte ich nicht ein altes Problem und dessen > Lösung komplett durchlesen müssen, um dann zu sehen, dass es eigentlich > um was anderes geht... :-/ Sorry bin hier Gast und zum ersten mal hier...
Bist du ueberhaupt sicher das der Wecker als Takt die Netzfrequenz braucht und keinen Quarzoszillator hat ? Ich schaetze mal das der Quarzoszillator nicht richtig abgeglichen ist. Schau doch mal ins innere ob da irgendwo ein Quarz ist.
Der Conrad VORSCHALTTRANSFORMATOR AT-50 NV (Best.-Nr.: 510252 - U0) sollte zwar von 115 auf 230 bzw. von 230 auf 115 regeln aber wenn ich Ihn auf 230/230 stelle zieht der dann auch das Signal "glatt" ?
Helmut Lenzen schrieb: > Schau doch mal ins innere ob da irgendwo ein Quarz ist. Du bist gut, ich weiß doch nicht mal wie ein Quarz (mal vom geologischen Mineral abgesehen) aussieht....
Helmut Lenzen schrieb: > Bist du ueberhaupt sicher das der Wecker als Takt die Netzfrequenz > braucht und keinen Quarzoszillator hat ? Ich bin von der Netzfequenz ausgegangen weil beide Wecker die gleiche Abweichung haben..
Paul schrieb: > Ich bin von der Netzfequenz ausgegangen weil beide Wecker die gleiche > Abweichung haben.. Das ist zwar eine Korrelation aber kein Beweis. Kannst du ein Foto vom inneren machen ? Wenn da einer drin ist kannst du den ganzen anderen Rummel sparen. Quarze sehen wie oben aus.
Paul schrieb: >> Du könntest mal einen Test mit einem Trenntrafo machen... > hmm.... gibt es sowas bezahlbar von der Stange, also mit Schuko? Trenntrafos haben keinen Schutzkontakt... Paul schrieb: > Der Conrad VORSCHALTTRANSFORMATOR AT-50 NV (Best.-Nr.: 510252 - U0) > sollte zwar von 115 auf 230 bzw. von 230 auf 115 regeln aber wenn ich > Ihn auf 230/230 stelle zieht der dann auch das Signal "glatt" ? Das tut er vermutlich nicht, weil es ein Spartrafo ist... http://au.oregonscientific.com/ulimages/manuals2/WS902.pdf Aber nachdem ich das Datenblatt gelesen habe, vermute ich auch eher, dass du ein Problem mit einem Taktgeber hast. Denn das Ding läuft ohne Umschalten an 50 und an 60 Hz... Und zudem hast es Backup-Batterien, damit bei Stromausfall die Uhr weiterläuft.
Lothar Miller schrieb: > Aber nachdem ich das Datenblatt gelesen habe, vermute ich auch eher, > dass du ein Problem mit einem Taktgeber hast. Denn das Ding läuft ohne > Umschalten an 50 und an 60 Hz... > Und zudem hast es Backup-Batterien, damit bei Stromausfall die Uhr > weiterläuft. Also ist da wohl nix zu machen...???... oder?
Paul schrieb: > Backup-Batterien, damit bei Stromausfall die Uhr Bei einem ähnlichen 50-Hz-Wecker wurden die Impulse bei Batteriebetrieb mit einem simplen RC-Generator simuliert, was dann zu Gangdifferenzen von 20 min/Tag führte. Wahrscheinlich ist die beste Lösung diese Geräte schnell wieder zum Verkäufer zurückzubringen solange noch Zeit ist.
Wenn es dem Benutzer denn so wirklich wichtig ist und der Weckvorgang sonstwo nicht zu kaufen, dann würde ich an seiner Stelle die Teile einem der fähigen Leute hier im Forum zuschicken und den machen lassen. Technisch ist das ja kein Problem den Quarz oder Netzsync passend hinzubiegen. Muß man eben die kaufmännische Seite aka Vergütung regeln.
Das wäre ne feine Variante :) Mag sich einer versuchen und mir auch seine Kosten nennen ?
So wie bei aktuellen Stellenofferten? Nein! Wenn schon, dann nenne den Preis den bezahlen würdest. 2 Stunden Arbeit für alles.
FM 87.5 to 108 MHz,Power Input: AC 220-240V,50/60Hz (EU version) ... oder zu ...? ABOUT OREGON SCIENTIFIC Visit our website (www.oregonscientific.com) to learn more about Oregon Scientific products.
Na für 40 Euronen schaue ich mal rein. Maile mir einfach. Eventuell mußt du dich dazu anmelden.
Bitte melde dich an um einen Beitrag zu schreiben. Anmeldung ist kostenlos und dauert nur eine Minute.
Bestehender Account
Schon ein Account bei Google/GoogleMail? Keine Anmeldung erforderlich!
Mit Google-Account einloggen
Mit Google-Account einloggen
Noch kein Account? Hier anmelden.



