Hallo Gemeinde, ich habe einmal eine Verständisfrage zur angehängten Schaltung. Es ist der Schaltplan von meinem defekten Subwoofer (Knallt beim Einschalten, "puckert" wie ein Herzschlag im StandBy). Bei der Fehlersuche habe ich gesehen, dass die Platine an 2 Stellen ziemlich braun geworden ist (Q105 und Q106). Die Bauteile scheinen zwar noch OK, aber ich habe diese trotzdem mal mit einem Ersatztyp ausgetauscht. Die Transistoren haben keinen Kühlkörper und werden auch ohne dass ich laut drehe sehr heiß. Darf das sein - ist das evtl. ein Rückschluß auf den Fehler ? Kann mir evtl. jemand kurz und knapp die Funktionsweise der Endstufe erklären ? Bei Bedarf kann ich auch den gesamten Schaltplan bereitstellen. Danke schonmal für alle Hilfe, lboppi
>Funktion kurz:
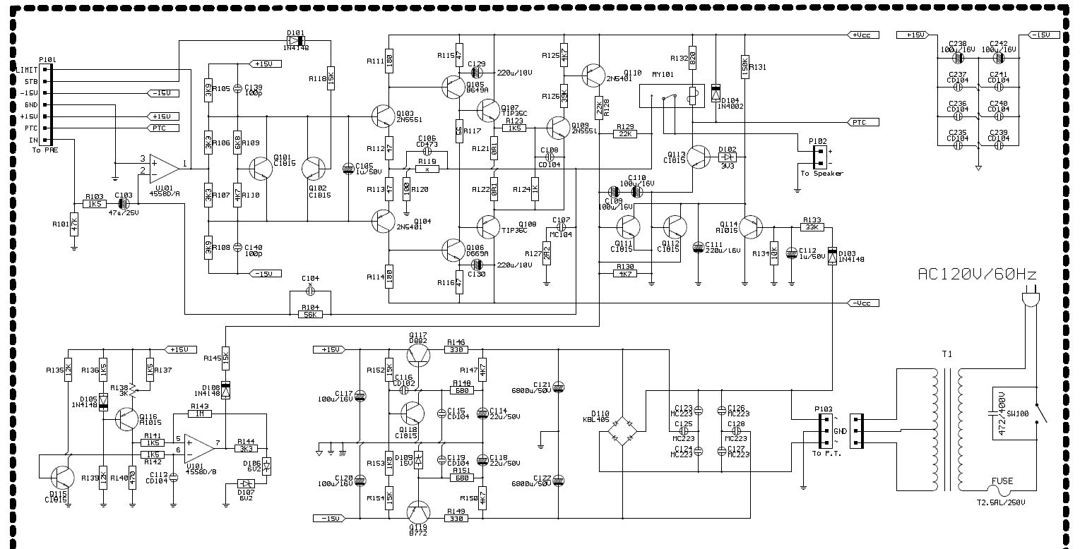
Vorverstärker > komplementäre Endstufe > Lautsprecher
+ Relais RY101 gegen Klack
1.Optische Kontrolle: Alle Elkos noch gesund ?
2.Spannungen mit Schaltplan verglichen ?
  Das ist ein zweistufiger Gegentaktverstärker. Miss mal den Strom durch R117 sowie evlt. Durchgänge in den Leistungstransistoren Q107/Q108. Möglicherweise ist auch was am 'Balancer-Teil' (alles im imaginären Rechteck von R105/R108 bis Q103/Q104) verreckt. Bei mir hats in einem dreistufen Gegentaktverstärker (was: HiFi-Endstufe) einen der Leistungs-NPN gebritzelt (kein Durchgang von B auf E), daraufhin ist der Strom der mittleren Stufe über den Leistungs-PNP "abgeflossen" (Durchschlag von B auf C).. das hat den Magic Smoke veranlasst, aus ein paar Teilen rauszukommen ;-)
Danke für die schnelle Reaktion :-) Also optisch sind echt nur die beiden braunen Stellen der Platine zu beanspruchen, wo ich aber jetzt testweise die anderen Transistoren eingesetzt habe. All zu viele Spannungen konnte ich jetzt nicht messen. Im Schaltplan sind leider keine Spannungen zu gewissen Referenzpunkten angegeben. Ich habe jetzt mal das Signal STB abgeklemmt und das Problem tritt nicht mehr auf - der Ton ist nur Anfangs etwas verzerrt. Evtl. liegt das Problem garnicht in der Endstufe, sondern schon auf der anderen Platine mit dem Filter und der automatischen Ab- bzw. Stummschaltung. Was ich aber echt nicht verstehe, ist dass die beiden genannten Transistoren so heiß werden - schalten diese denn nicht nur die "dicken" Transistoren TIP35C und TIP36C ?
1.Es reicht nicht in jedem Fall, die Diodenstrecken der Transistoren auf Gesundheit zu prüfen. Sie sollten auch die passende Stromverstärkung haben. Wenn Endtransitoren überlastet sterben, dann reißen sie auch die Ansteuerung oft mit ins Verderben. 2.Mal prüfen ob der Verstärker evtl. schwingt? Oszi ?
Also durch R117 fließen, wenn der Subwoofer läuft nur Milli-Amperes. Ohne Signal 0,00 Ampere. Der höchste Ausschlag an meinem Digital-Multimeter (das 5 Euro Ding von Conrad) waren 150 mA.
Leider hält sich mein Equipment sehr in Grenzen :-) Aber wie gesagt, wenn der Subwoofer einmal läuft, dann läuft er. Das Problem ist echt nur beim Einschalten + angeschlossenem STB Signal oder im "StandBy" bei angeschlossenem STB Signal. Denke mal das STB für StandBy steht.
STB Signal sollte wohl den Eingang leise steuern, ist aber vermutlich verbrummt ? Dann such doch mal den Elko dazu.
Anbei auch mal die vorgeschaltete Elektronik. Also mit dem STB Signal ist echt etwas faul. Abgeklemmt -> Sub funktioniert, ist nur Anfangs etwas verzerrt (evtl. auch von Transistor-Ersatypen) Angeklemmt -> Sub schlägt beim Einschalten voll aus, meine Nachbarn freuen sich bestimmt schon :-)
Ich werd' am morgen oder am WE mal die Limiter Platine rausnehmen und gucken was passiert ... Schon mal vielen Dank für Eure bisherige Unterstützung
Soo, hab' mal wieder etwas Zeit mich meinem Problem zu wittmen. Ich habe mal ein Video und auch mal nur den Sound angehangen, den der Subwoofer bei angeschlossenem STB-Signal im Standby macht. Teilweise komm' ich auch gar nicht so weit und die Überlastschaltung löst sofort beim Schließen des Relais aus. Deswegen habe ich für das Video den Subwoofer erst später manuell dazugeschaltet. Hat jemand noch einen guten Tip, wo ich die Ursache suchen kann ?
Habe jetzt erstmal noch was anderes probiert, da ich da eeh gerade dran war und die Limiter-Platine schwer zugänglich war um Bauteile zu tauschen: 1. - Limiter-Platine von der "Eingangs-Platine" getrennt (P301 von M201 gekappt) - jetzt an P301 den oberen PIN (also STB) an 15 Volt gehangen, da dieses Signal ursprünglich von der gekappten Platine kam. STB gegen GRND hatte vorher auch ca. 15 V -> Gleiches Problem -> Fazit -> Der Fehler ist nicht auf der "Eingangs-Platine" 2. - Verbindung zwischen Limiter-Platine und Haupt-Platine gekappt - wieder von +15V auf STB Verbindung gelegt -> Problem tritt nicht auf -> Fazit -> Das Problem scheint auf der Limiter-Platine zu liegen, korrekt ? Werde jetzt mal den C301 wie vorgeschlagen tauschen.
Also, jetzt hab' ich mal die Limiter-Platine rausgenommen und die Kontaktleisten M201 und P101 direkt angeschlossen. Der Subwoofer läuft so hervorragend. Also ist der Fehler definitiv auf der Limiter-Platine. Hat jemand eine Idee, wofür die Schaltung gut ist (Schaltplan3.jpg aus oberem Post) ?
Also, das "Puckern" entsteht wahrscheinlich folgendermaßen:
Die Limiterschaltung schaut sich das Ausgangssignal von U101 an. Liegt 
dieses Signal ("LIMIT") außerhalb eines bestimmten Bereichs, wird C301 
vom Komparator U301 aufgeladen, was dazu führt, daß Q302 niederohmig 
wird und das Musiksignal, das über R310 an diesen Spannungsteiler 
gelangt, kurzschließt. Die Endstufe erhält also über C304 kein 
Musiksignal mehr, was dazu führt, das das Signal am Ausgang von U101 
wohl wieder kleiner wird. Damit schaltet der Komparator U301 aber wieder 
zurück, was C301 wieder entlädt, Q302 wieder hochohmig macht und das 
Musiksignal wieder in voller Höhe an die Endstufe gibt.
Damit ist der Kreis wieder geschlossen und das Spiel fängt von vorne an. 
Die Frequenz dieses Puckerns ergibt sich im wesentlichen aus der 
Zeitkonstante von C301, R305 (und ein paar anderen Bauteilen) und liegt 
ungefähr im Sekundenbereich.
Jetzt kannst du dir überlegen, wieso das dein Verstärker das im 
Standby-Betrieb macht, wo doch an R240 und am Ausgang von U101 dann 
eigentlich eine Spannung von rund 0V liegen sollte,
Kai Klaas
  Hallo Kai, sehr gute Idee. So scheint es auch wirklich zu sein. Am Ausgang von U101 liegen nämlich nicht 0V sondern ca. -2 V an. Ich weiß nur noch nicht, woher diese kommen und warum diese nur sind, wenn der Verstärker im Stand-By ist...
Was mißt du denn an R240 im Standby? Sind die Signale MUTE und STB eigentlich identisch? Kai Klaas
Hallo Kai, die Platine mit dem R240 habe ich gar nicht mehr angeschlossen. Ich habe jetzt nur die Verstärkerplatine. Ich habe zum Testen STB über einen 1K-Ohm Widerstand an +15V gehangen. Das entspricht dann ungefähr dem, wie es auch in Wirklichkeit wäre (+12 V an STB). STB und MUTE sind gleich, heißen nur irgendwie anders auf den Platinen bzw. Plänen. Die Limiter-Platine habe ich im Moment auch abgeklemmt. Ich habe aum Ausgang von U101 -1,5 Volt. U101+ liegt logerscherweise auf GND und an U101- habe ich ca. 15 mV. Können diese 15mV zu -1,5 V am Ausgang führen ? Habe mal den gesamten 1. Plan angehangen. Vielleicht kommen diese 15mV auch von der Schaltung unten links. Das ist, glaube ich jedenfalls, die Überlast-Abschaltung. Danke für Deine Unterstützung.
Also von der Schaltung unten links kommt es nicht. Habe die Verbindung bei R145 gekappt.
>Können diese 15mV zu -1,5 V am Ausgang führen ?
Ja, wenn mit der Endstufe was nicht stimmt und sie deshalb unsymmetrisch 
nach einer Seite gezogen wird.
Aber eigentlich wird der Limiter erst bei größeren Spannungen aktiv, 
deshalb denke ich, daß die -1,5V nur der gemittelte DC-Wert ist, den du 
mit einem Multimeter erhälst. Super wäre natürlich, wenn du da mal ein 
Oszi anhängen könntest. Auch solltest du mal den Limiter überprüfen, bei 
welchem Signal am Anschluß LIMIT der Komparator umschlägt. Vielleicht 
stimmt ja auch seine Schwelle nicht.
Wenn du dir die Mühe machen könntest, an allen Stellen der Endstufe die 
Spannungen gegen Signalmasse zu messen, könnten wir wesentlich mehr 
sagen über den Zustand der Endstufe. Das solltest du einmal mit und ohne 
Standby messen. Ich denke, daß eventuell etwas mit der Endstufe nicht 
stimmt. Ein Strom von 150mA durch R117 ist nämlich auch etwas 
ungewöhnlich.
Kai Klaas
  Kein Problem - das mess' ich gerne mit meinem Multimeter. Nen' Oszi hab' ich halt leider nicht.
So, habe jetzt mal an einigen Stellen im Stand-By gemessen. Die Messpunkte, die ich mir jetzt mal rausgesucht habe, habe ich im Anhang markiert. Dabei ist mir erstmal aufgefallen, dass die Leistungstransistor (TIP35C und TIP36C) nicht direkt an Vcc hängen, sondern eine eigene Spannungsversorgung haben. Ich habe leider nur den Schaltplan für die 120V Variante im Internet gefunden :-( Messwerte: -Vcc: -44,4 V +Vcc: 44,1 V 1: 236,0 mV 2: 44,0 V 3: -44,2 V 4: 20,0 mV 5: 21,3 V 6: -21,3 V 7:-453,0 mV 8:-453,0 mV Ist hier schon etwas auffällig ? Ist evtl. alleine schon die kleine Differenz der Versorgungsspannung das Problem ?
> 7:-453,0 mV > 8:-453,0 mV Ist das ein copy-paste-Fehler? Falls nein dann schau dir mal den Q107 genauer an. (Selbiges Phänomen war übrigens mei meiner HiFi-Endstufe - negatives Potential an der Basis des NPN-Leistungstransistors).
..und den Q105 natürlich auch ansehen, der könne ebenfalls verreckt sein </Ingrid>
Hallo lboppi, >Ist hier schon etwas auffällig ? Eigentlich alles ok. Die Spannungsabfälle an R111 und R114 sind <=0,2V so daß die Endstufen sicher aus sind. Die Spannung an R120 ist auch nicht außergewöhnlich, wenn am Ausgang des Verstärkers 20mV erscheinen sollen, um die Offsetspannung von U101 zu kompensieren. >Ist evtl. alleine schon die kleine Differenz der Versorgungsspannung das >Problem ? Nein. Der Unterschied kommt daher, weil die 44V Versorgung zusätzlich das Relais versorgen muß. Also, nichts ungewöhnliches. >Am Ausgang von U101 liegen nämlich nicht 0V sondern ca. -2 V an. Ich >weiß nur noch nicht, woher diese kommen und warum diese nur sind, wenn >der Verstärker im Stand-By ist... Die kommen wahrscheinlich vom Basisstrom von Q102, der irgendwohin abfließen muß. Also ich tippe mittelerweile auf den Komparator oder die Schaltung um Q101/102. Tausche doch mal U101, sowie C103 und C105. Sind denn das wirklich +15V und -15V? Kai Klaas
>Ist das ein copy-paste-Fehler? Falls nein dann schau dir mal den Q107 >genauer an. Ich glaube, das kommt nur durch die Belastung mit dem Multimeter, weil dann Q108 etwas öffnet. An R120 liegen ja +236mV an. Dann würde man oben und unten von R117 die gleiche negative Spannung (-453,0mV) messen. Kai Klaas
Also die +15V sind in Wirklichkeit +15,44V und die -15V sind -15,66V. Ist es denn richtig, dass die Transistoren Q103 bis Q106 im Normalbetrieb (also kein StandBy) ohne Eingangs-Signal so heiß werden, dass man sich fast die Finger dran verbrennt ? Die Transistoren haben keinen Kühlkörper.
Hallo lboppi, >Ist es denn richtig, dass die Transistoren Q103 bis Q106 im >Normalbetrieb (also kein StandBy) ohne Eingangs-Signal so heiß werden, >dass man sich fast die Finger dran verbrennt ? Doch, wenn die wirklich mit +/-44V laufen, kann es da schon sehr warm werden. Mach doch mal bitte die gleichen Messungen mit angeschalteter Endstufe (also ohne Standby). Kai Klaas
Hallo Kai,
hat etwas gedauert aber hier die Werte:
  -Vcc:   -43,0 V
  +Vcc:    43,0 V
     1:   236,0 mV
     2:    43,4 V
     3:    42,8 V
     4:    -1,0 mV
     5:    21,3 V
     6:   -21,3 V
     7:   330,0 mV
     8:  -440,0 mV
U101 habe ich getauscht und C103 und C105 geprüft (über normale 
Widerstandsmessung am Multimeter) -> alles OK.
Vielleicht sollte ich einfach alle Bauteile neu bestellen und tauschen 
:-)
  >Messwerte: > -Vcc: -44,4 V > +Vcc: 44,1 V > 1: 236,0 mV > 2: 44,0 V > 3: -44,2 V >... > 5: 21,3 V > 6: -21,3 V >... >Ist hier schon etwas auffällig ? Ja - wenn Vcc 44V sind, dann sollte man an 5 und 6 ebenfalls diese Spannung messen (ist schließlich dieselbe Strippe). Also 5 und 6 kann definitiv nicht richtig sein. Ich würde einfach die Standbyleitung abklemmen, und den Q102 kurzschließen (C-E). Sinn des ganzen: es fließt kein positiver Standbystrom in die Basis des Q102, somit kein Störstrom, den der gesamte Regelkreis ausregeln müsste. Gegen Masse müssten sich dann also praktisch 0V messen lassen an 1+4+7+8. Vielleicht geht dann auch schon das Blubbern weg. Ähnlich sollte es im eingeschalteten Zustand sein (ohne den "Kurzen" an C-E), auser daß 7+8 rund +/-0,6V haben müsste. Wenn das so in etwa stimmt, sollte die Endstufe eigentlich ok sein. Daß die beiden Tribertransistoren heis werden, ist hier normal, denn bei R117=56Ohm müssen reichlich 20mA fließen, um mit einem Spannungsabfall von rund 1,2V einen Ruhestrom durch die die Endstufentransis fließen zu lassen. Und bei 44V für jeden der Treiber ergibt das rund 900mW - hart an der Grenze für diesen Transistortyp, und ich würde sogar behaupten, deutlich über der Grenze, wenn der Verstärker mal ordentlich Musik produzieren soll. Ansonsten finde ich es immer recht lustig, wie man einen Verstärker, dessen Endstufe keine Kühlkörper kennt, als Subwoofer bezeichnen kann ;-).
Hallo Jens, 5 und 6 hängen in der richtigen Schaltung nicht an Vcc. Dort ist in der richtigen Schaltung eine eigene Spannungsversorgung mit den genannten +/- 21,3 V. Wie gesagt, die Platine an Q105 und Q106 ist auch schon recht dunkel geworden. Die Transistoren sind aber OK. Verstehe auch nicht, wieso die Dinger keine Kühlkörper haben. Ich dachte immer Harman/Kardon wären schon die etwas besseren Geräte. Ich habe auch schon überlegt, den Subwoofer auf Dauar-An zu stellen. Kann man denn nicht für R115 - R116 größere Widerstände nehmen ?
na gut, bei +/-22V isses dann nicht so kritisch - macht unter 0.5W bei Q105/106 - also keine Gefahr in dem Falle. Ein halbes Watt ist unkritisch für diese Art Transistoren (heiß heist nicht, daß die zu heiß sind - wenn die 100°C haben, ist es für die Finger zu heiß, aber nicht für den Transi selbst). Hier sehe ich also kein Problem. Ansonsten betrachte ich die Spannungen in der Endstufe als nicht so dramatisch - 20mV im standby am Ausgang sollten keine Ursache sein. Offensichtlich impft der Limiter doch dieses Blubbern ein über die Rückkoppelschleife. Der Ausgang von U101 wird zum Limiter zurückgegeben - das ist eine Art Fensterkomparator, bei dem das "Fenster" über 10V groß ist - die Ausgangsspannung von 2V am Ausgang von U101 sollte daher absolut nicht stören. Offensichtlich stört das aber, deshalb würde ich einfach mal die Spannungen um U301 herum messen (Eingänge, Ausgänge, und schauen, ob das zueinander paßt).
Die Meßwerte sind etwas merkwürdig! Miß mal bitte den Spannungsabfall direkt (also nicht nach Masse) über R111, R114, R115, R116 und R117 und die Basisspannungen von Q103 und Q104 nach Masse. Kai Klaas
Im STB Modus wird durch Q102 and Q103/Q104, in der Folge an Q105/Q106 und weiter an Q107/Q108 einfach der Ruhestrom komplett gesenkt, falls alles in Ordnung ist. Der Ruhestrom ist dazu da, die Übernahmeverzerrungen des oberen und unteren Zweigs zu verhindern beim Nulldurchgang des Signals. Ist da hinten nicht alles in Ordnung, dann sinkt der Ruhestrom in einem der Teilzweige Q103/104, Q105/Q106 und Q107/Q108 nicht symmetrisch. Schon geht der U101 in einen + oder - Ausschlag, (gegen)gekoppelt DC durch R104. Woraufhin falls dieser Ausschlag zu viel ist, geht der Limiter los. Gezeigt wird die Ruhestrom reduzierung bei STB an dem Strom durch R117. Die Spannungsmessungen des TO an Punkt 7 und Punkt 8 zeigen dies bei STB / Nicht STB. Eigentlich fehlt mir nun Emitter Q107 und Emitter Q108 um das weiter nach hinten zu verfolgen. Aber wieso funktioniert das Teil wenn kein STB gesetzt ist? Dann sollte doch die Unsymmetrie immer noch wirken? Also deswegen: Mich interessierung Spannungen an Q109/Q110 sowie R128-*-R129 als nächstes. Denn der U101 muss offensichtlich weit ausschlagen um die Balance herzustellen, ohne Ruhestrom gelingt ihm dies nicht mehr, mit Vorspannungen an den Transistoren gelingt ihm dies wohl gerade noch. Mein Senf, aber ich würde evtl. dann versuchen das Problem zu isolieren: Damit kein Speaker kaputt geht, hochohmiger machen. R129 trennen. R126 ebenso. Messungen mit und ohne STB. Pin 2 von U101 mal auf Masse drücken und Punkt 4 Messen mit STB, ohne STB. So was in der Art als nächstes... Grüße, Mike
Hallo zusammen, hier sind die gewünschten Messwerte im NICHT StandBy: R111: 1,11 V R114: 1,20 V R115: 0,67 V R116: 0,70 V R117: 0,82 V Bisher alle Angaben ohne Berücksichtigung der Polarität. B Q103: 0,86 V B Q104: -0,94 V E Q107: -0,80 mV E Q108: -0,80 mV B Q110: 44,7 V C Q110: ~0,0 V E Q110: 44,8 V B Q109: ~0,0 V C Q109: 42,7 V E Q109: ~0,0 V R128 an R129: ~0 V Viele Grüße, Lars
Aber jetzt mal eine andere Frage: Was bewirkt denn überhaupt die StandBy-Schaltung ? Brauche ich das überhaupt - werden dadurch die Bauteile der Endstufe weniger belastet/heiß, weniger Strom verbraucht ? Das eigentliche Problem, dass der Subwoofer ohne Ende knallt, habe ich ja gelöst (wodurch auch immer .... ?). Vielleicht sollte ich echt das StandBy-Signal einfach abklemmen und gut ist. Kurzschließen, wie oben genannt, würde ich die C-E-Strecke von Q102 lediglich nicht, da dieses ja dann die StandBy-Schaltung wäre. Was meint ihr ?
Hallo lboppi, >Was bewirkt denn überhaupt die StandBy-Schaltung ? >Brauche ich das überhaupt - werden dadurch die Bauteile der Endstufe >weniger belastet/heiß, weniger Strom verbraucht ? Die Idee des Standby ist, den Ruhestrom durch die Endstufen auszuschalten und damit die Verlustleistung der ganzen Endstufe. Deinen Messsungen nach sind die Endstufentransistoren jedoch so gut wie stromlos! Nur die Treiber führen Strom. Q105 wird wohl sehr heiß, denn eine Ube von 0,43V bei 15mA Kollektorstrom ist schon beachtlich! So, wie es ausshieht ist das eine reine Klasse-B-Endstufe mit erhöhten Verzerrungen bei kleiner Aussteuerung. Q105 und Q106 werden in jedem Fall viel zu heiß und sollten mit einem Kühlkörper gekühlt werden. C129 und C130 könnten durch die dauernde Überhitzung Schaden genommen haben. Die würde ich auf jeden Fall mal austauschen. >Das eigentliche Problem, dass der Subwoofer ohne Ende knallt, habe ich >ja gelöst (wodurch auch immer .... ?). Ich habe eine kleine Simulation mit TINA angestellt. Demnach geht der Ausgang von U101 tatsächlich nach rund -2V, wenn Q102 leitend gemacht wird. Wenn allerdings am Eingang der Schaltung (an R101) nur ganz kleine Signale anstehen, macht der Ausgang von U101 riesige Sprünge. Es könnte also durch einen Kontaktfehler dort Brumm an den Eingang gelangen, der das ganze "Gepuckere" ausgelöst hat! Durch die An- und Absteckerei könntest du den Kontaktwiderstand wieder verkleinert und den Brumm damit beseitigt haben. Kai Klaas
Danke für die Messwerte. Später oder erst morgen kann ich weitermachen. Aber Kai Klaas bestätigt meine Aussage mit STB schaltet den Ruhestrom auf niedrig. Immer gut wenn mehr als einer der selben Meinung ist. STB schaltet aber NICHT Audio auf null. Die Messwerte sehen gut aus, auf ersten Blick. Hmmmm. Please standby. Grüße, Mike
Ok. Ohne STB sieht das gut aus. Q109 und Q110 sauber. Aber wir hörten ja bereits das ohne STB alles halbwegs läuft. Bitte die LIMIT Leitung disablen und STB setzen. Aber erst weiterlesen. Dann zügig erst einmal Punkt 4 Messen. Und gleich ausschalten. Da Du ein Baumarkt-Digi-Volt hast, kannst Du ja gar nicht ahnen was da zeitlich abläuft (Mittelung, Spot-Werte etc.) Sorry mit Laptop unterwegs also Tippfehler denkbar :-) STB kannst Du ja auch simulieren indem Du die B's von Q103 und Q104 zusammenschliesst. Dann kannst Du ja die Limiterplatine komplett weglassen. Wir brauchen nun die Messungen vom Fehlerfall, wie schon für den "OK" Fall. Aber am besten ohne den Limiter, der die Sache ja periodisch "bereinigt (pucker-pucker)". Die Messungen bei pucker-pucker sind ohne Oszi schwer zu machen. Dann hast Du aber die Gefahr das Dir das Ding abraucht - also mir gefällt das nicht so sehr. Du darfst also B Q103 und B Q104 nur kurz zusammenschliessen und das Messgerät sollte schon am Punkt angebracht sein zum sofortigen Ablesen. mit Krokos? Immer wieder die beiden Basen Q103 und Q104 zusammen mit nem Draht und Messgerät permanent an Punkt 4. Dann die anderen Punkte auch ähnlich messen. Mal sehen was die STB so an fehler in die Schaltung reinbringt.
Hallo Kai und Mike, danke echt für Eure mühevolle Unterstützung. Das mit dem StandBy-Signal hat sich irgendwie eeh erledigt, da die Endstufe gar nicht mehr in den StandBy geht. Wahrscheinlich ist beim ganzen Basteln irgendwas anderes kaputt gegangen, z. B. als ich den 50V/4900uF Kondensator mit der Pre-Amp-Platine kurzgeschlossen habe :-( Ich werd' bei meiner nächsten Bestellung ein paar Ersatz-Transistoren und Kühlkörper bestellen und gut ist. Könnt' Ihr mir evtl. noch einen Vergleichstyp für den B649A / D669A nennen, den ich z. B. bei Reichelt bekomme ? Habe da so auf die schnelle nix gefunden. Danke nochmals, Lars
Hallo lboppi, also, wenn das der Originalschaltplan ist und meine Simulation stimmt, dann fließt im Normalbetrieb (ohne Standby) überhaupt kein nennenswerter Ruhestrom durch die Endstufentransistoren! Die sind in reinen Klasse-B-Betrieb vorgespannt, was ja auch nicht soo unüblich ist für Subwoofer-Verstärker. Und der Ruhestrom durch die Treiberstufen ist lächerlich gering und eigentlich überhaupt nicht der Rede wert. Das ist eine Standby-Schaltung ohne wirklichen Standby. Vielleicht haben die Entwicklungsfuzzis von diesem Teil mal die Bauteilewerte geändert, um den Ruhestrom durch die Endstufen zu verkleinern und aus Angst diesen Standby-Teil beibehalten. Dann wäre das Teil von Anfang an Murks gewesen. Kaum zu glauben, daß das Teil von Harman Kardon sein soll. Wieder einmal ein Mythos zerstört... Kai Klaas
> Könnt' Ihr mir evtl. noch einen Vergleichstyp für den B649A / D669A > nennen, den ich z. B. bei Reichelt bekomme ? Habe da so auf die schnelle > nix gefunden. Wenn man dem "Transistor Substitution Data Book 1993" [1,2] glauben darf, dann .. 2S A968 [3] und .. 2S C2238 [4] Alle Angaben natürlich wie immer ohne Gewe^Hähr. HTH [1] http://www.datasheetarchive.com/pdf-datasheets/Databooks-5/Document266107.pdf [2] http://www.datasheetarchive.com/pdf-datasheets/Databooks-5/Document26623.pdf [3] http://www.reichelt.de/?ARTICLE=15743 [4] http://www.reichelt.de/?ARTICLE=16434
Hallo Kai, jaja, das ist der Originalschaltplan vom Subwoofer SUB-TS7 der Reihe HKTS7, allerdings von der 120V Variante. Ich hätte da auch mehr erwartet. 1. dass es länger hält (ist jetzt 2,5 Jahre alt) und 2., dass die Elektronik etwas besser ist.
ich wollte kurz mal was zum Brumm anmerken da ich bei meinem Selbstbauverstärker letzten auch etwas ähnliches erlebt habe. Zur Vorgeschichte, für die ersten Versuche verwende ich einen kleinen Trafo mit 2 x 12V 2x 1,25A, nach dem Gleichrichten und Glätten(verwende nur 1000µF Elkos) habe ich 2 x 17V zur Verfügung. Wenn ich nun lauter drehe und der Strom durch den Lautsprecher so hoch ist das die Elkos das nicht mehr puffern können. Liegt der gleichgerichtete Netzbrumm an den beiden Endtransistoren bzw. überall an. Genauso ist es bei dir wenn ein oder beide Endtransistoren kurzgeschlossen sind bzw deine defekte Limiterschaltung einsetzt, die Belastung geht so weit hoch das die Versorgungsspannung brummt und der Lautsprecher bekommt das ab der OPV versucht dann auch noch sein übriges. Ich finde man sollte die Limiterschaltung so aufbauen das ein zu hohes Eingangssignal an einigen in Reihe gesetzten Dioden einen Durchbruch bewirkt und dann an einem vorgesetzten Widerstand abfällt. Und wo wir schon dabei sind vielleicht kann mir jemand kurz bei meiner Leistungs-Berechnung helfen. Angenommen mein 12V Trafo würde Strom ohne Ende liefern, dann wäre meine Leistungsberechnung wie folgt. 2 x 17V / 4 Ohm = 8,5A 2 x 17V * 8,5A = 289 Watt ok DC hört man aber selten ;-) gibts da irgendwie noch einen weiteren Faktor oder rechnet man nur mit 1 x 17 V da diese ja auch immer abwechselnd anliegen? Die Stabilität des Verstärkers hängt also damit zusammen wie viel Strom der Trafo liefern kann also wenn ich da 2 x 4 Ohm parallel hänge fließt der doppelte Strom also muss der Trafo für den doppelten Strom dimensioniert werden?
> gibts da irgendwie noch einen weiteren Faktor Ja, nur ein mal 17V und Sinus. Da der Lautsprecher nach Masse angeschlossen ist, sieht er nur 17V. 2*17V würde er nur bei einem Brückenverstärker sehen, wo er zwischen 2 Ausgängen hängt, von denen der eine zur Zeit +17V und dere andere zur selben Zeit -17V liefert. Bei dir sind es aber nur noch 17V. Das ist aber der Spitzenwert des Sinus, der Effektivwert liegt bei 12V und der an 4 Ohm lässt 3A fliessen und damit kommen 36W raus. Der Rest ist PMPO Geschwurbel. > Ich finde man sollte die Limiterschaltung so aufbauen das ein zu hohes > Eingangssignal an einigen in Reihe gesetzten Dioden einen Durchbruch > bewirkt und dann an einem vorgesetzten Widerstand abfällt. Besser wäre erst mal, ein Limit zu erkennen. Wenn also der Verstärker am Ausgang nicht mehr genau das (verstärkt) liefern kann, was ihm am Eingang vorgesetzt wird, dann sollte eine rote Lampe angehen. Das wäre eine Übersteuerungsanzeige und eine SlewRateLimit-Erkennung und eine Defekterkennung. Wenn man will, kann man dann noch den Verstärker leiser schalten, das machen die meisten aber erst wenn er zu heiss wird.
>Wenn man dem "Transistor Substitution Data Book 1993" [1,2] glauben >darf, dann >.. 2S A968 [3] >und >.. 2S C2238 [4] ja genau, bei dieser Art von Markierung einfach 2S davorsetzen, dann paßt es schon meistens (sind Japaner). Sicherheitshalber aber nochmal mit dem jeweiligen Datenblatt abchecken, daß der Transistor auch wirklich bezüglich Gehäuse und Eigenschaften zum vorliegenden Exemplar und Einsatzbedingungen paßt (ich glaube, ein paar BC-Typen haben auch solche Markierungen - ist aber eher unüblich)
das mit dem Erkennen habe ich so erledigt, Eingangspoti voll auf, maximalen Pegel des Zuspielers so einstellen das am Eingang 0,775 V Peak to Peak anstehen, hierzu verwende ich ein Sinussignal mit 1000 Hz nun stelle ich die Verstärkung so ein das es der Sinus nicht eckig wird. Die Verstärkung wird jetzt nicht mehr geändert sondern nur das Eingangspoti mit dem Eingangssignal abgeschwächt wird. Ich werde mal eine Begrenzung des Eingangsssignals mit einem Widerstand und ein paar Schottkys ausprobieren damit sollte es dann etwa 0,7-0,8V begrenzt werden.
Hallo Thomas, >Ich werde mal eine Begrenzung des Eingangsssignals mit einem Widerstand >und ein paar Schottkys ausprobieren damit sollte es dann etwa 0,7-0,8V >begrenzt werden. Ich sehe keinen Grund für diese Begrenzung am Eingang. Der Ausgang begrenzt ja ohnehin und mit den Dioden erhälst du zusätzlich kräftige Verzerrungen, wenn du die Grenze so tief liegst. Kai Klaas
Hallo! Hat jemand auch den Schaltplan für die 230V Version? Mein Sub macht geau diese Tickergeräusche und ich komme einfach bei der Fehlersuche nicht weiter. Gruß
Hallo zusammen, ich habe einen anderen Felher als ihr. Und zwar bekomme ich kaum Leistung aus dem Sub. Also der Regler ist aufgedreht und der Sub ist gerade mal zu hören, wenn man sich vor ihm hin kniet. Als wenn er das eingehende Signal nicht mehr verstärkt....nun bin ich nicht so bewandert... Ich habe das Poti, den Levelregler, getauscht und einen Transistor. Der der vor den Kondensatoren sitzt, da der Kleber dort ein wenig angelaufen war. Das brachte aber keinen Erfolg. Habt ihr noch Ideen? Ich habe ein Multimeter und ein Lötkolben .... Danke im Voraus. lg ;)
Hallo Seebeck, wie hast Du denn den Verstärker aufbekommen? Ich habe die äußeren Schrauben (ca. 10) und die inneren 4 rausgeschraubt, bekomme jedoch die Rückplatte nicht raus. Auch drücken von innen hilft nicht - bewegt sich keinen Millimeter! Der Sub brummt nur noch - wird wohl am Eingangssignal ein Op oder Widerstand hin sein. Dein Sub verstärkt das Einganssignal vermutlich nicht - Treiber der Leistungsendstufe oder schon davor hin? Oder auch die Filterschaltungen - müsstest mal überbrücken. Grüße, Alex
Hallo zusammen, leider habe ich auch das Problem das mein Sub nach erreichen einer bestimmten Betriebstemperatur anfängt im Sekundentakt "blub-blub-blub" zu machen. Nach studieren des Schaltplans und ohne das Gerät aufschrauben zu müssen, kann dies vorerst nur an 3 Schaltungsteilen liegen: -Over-Current Q112-Q115 -Over-Temperature Q101 -DC Offset Protection Q107-Q109 den alle diese Schaltungsteile betätigen das Mute-Signal des Class-D Verstärkers und schalten das Relais aus. Da jedoch das Problem in meinem Fall erst nach relativ langer Bestriebsdauer anfällt und das hinterteil des Sub´s dann relativ warm ist vermute ich das es an der Over-Temperature Schaltung liegen muss. Denn nach Ausschalten des Gerätes und längerer Pause funktioniert es wieder, bis es dann wieder ausfällt. Von einem Wilden tauschen der Transistoren würde ich erstmal abraten, das kostet bloß Frust und Geld, da ohne nötiges Messequipment man hier nicht weiter kommt. Zuerst werde ich versuchen die Wärmeleitpaste des Verstärkers zu erneuern damit die Wärmeabfuhr wieder ordnungsgemäß funktioniert und ich das dann ausschliessen kann. Wenn dies nicht fruchtet werde ich im laufenden Betrieb mit dem Oszilloskop die besagten Schaltungsteile nachmessen und bei Erfolg weiter berichten. MfG CID
Hallo CID, Ich glaube es macht Sinn, statt einen Thread von 2009, bei dem es um ganz andere Hardware geht, zu kapern, einfach einen neuen aufzumachen. Sonst liesst hier jemand die Überschrift "... HiFi ..." und dann in deinem Post "... Class-D ..." und schon geht der Flamewar los. Und wenn du einen neuen Aufmachst: Ein Tipp, welchen Subwoofer von welcher Firma du verwendest, wäre wohl hilfreich.
Hallo Spekulantius, es handelt sich um exakt die gleiche Hardware! Und um das exakt selbe Problem. Auch mein Subwoofer fällt unter das Genre "Hifi" Ich wusste nicht dass das Kommentieren in einem schon vorhanden Thread als "Kapern" bezeichnet wird. Und ich persönlich finde es quatsch für das selbe Problem einen neuen Thread auf zu machen nur weil der andere etwas älter ist... Ich bin der festen Überzeugung das die User hier im Forum wissen das in einem Subwoofer ein Class-D Verstärker vorhanden ist und nicht denken das die Stromkäfer auf der Membran auf und ab hüpfen. Ansonsten wäre ich hier tatsächlich falsch. Ich gebe dir aber recht das ich den Typ hätte schreiben sollen, da dies bisher in diesem Thread selten geschah. Die Harware wird verbaut in Harman/Kardon TS 7 bis 18. Gruß CID
CID schrieb: > es handelt sich um exakt die gleiche Hardware! Kann nicht sein. Die Oben verlinkten Schaltpläne sind ganz sicher kein Class-D.
Auch wenn der Thread schon etwas älter ist, aber der Fehler schon häufiger zu sein. Der Fehler war ein langsames Tuckern / Takten ca. 1 Hz, wobei der Verstärker dann in den Standby Mode fiel und abschaltete. Als der Fehler zu erst auftrat war es noch deutlich hörbar war - da hat die Schutzschaltung wohl noch nicht angesprochen. Der Fehler ließ sich auf die Limiter Platine (kleine Platine Senkrecht auf der Platine an den Buchsen) eingrenzen. Der OP dort hat ein ca. 1 Hz (ca. 2,5-10 V je nach Temperatur) Rechteck Signal ausgegeben, so dass dann die Schutzschaltung anspricht und den Ausgang trennt. Ein Tausch des OP074 hat nichts gebraucht (nur eine niedrigere Frequenz der Störungen). Verschwunden ist der Fehler nach entfernen von Resten so komisch dunklen Klebers auf der Platine, mit dem ein Kabel befestigt war. Vermutlich hat der Kleber (oder Korrosionsprudkt auf der Platine) für eine Kopplung des Signals (Limit) in den Verstärker verursacht. Der Hinweiss mit dem Kleber kommt aus einem englischsprachigen Forum - wenn auch auf einem anderen teil der Platine. Die Schaltung bei der 230 V Version (TS7 / 230) ist etwas anders als im Service Manual, aber im wesentlichen noch gleich. Anders ist die +-15 V Versorgung über eine extra Trafowicklung und entsprechend anderes Layout. Auch beim Limiter sind andere Pins des TL074 benutzt als im Manual - die Schaltung scheint aber sonst gleich. Wenn die Schaltung länger mit dem Fehler läuft (Rechteck bis in die Übersteuerung, wenn auch ohne Last), werden ggf. einiger der Transistoren in der Endstufe (Q103,Q104 im Plan) recht heiß, da die Abschaltung des Signals je gerade nicht mehr funktioniert. Es kann also sein, das auch da noch was defekt ist - bei mir wohl noch nicht.
lboppi schrieb: > Vielleicht sollte ich echt das > StandBy-Signal einfach abklemmen und gut ist. Kurzschließen, wie oben > genannt, würde ich die C-E-Strecke von Q102 lediglich nicht, da dieses > ja dann die StandBy-Schaltung wäre. > > Was meint ihr ? Sollte man nicht drauf verzichten. Ulrich H. schrieb: > Der Fehler ließ sich auf die Limiter Platine (kleine Platine Senkrecht > auf der Platine an den Buchsen) eingrenzen. Der OP dort hat ein ca. 1 Hz > (ca. 2,5-10 V je nach Temperatur) Rechteck Signal ausgegeben, so dass > dann die Schutzschaltung anspricht und den Ausgang trennt. Bei mir wesentlich weniger Pegel. > Ein Tausch > des OP074 hat nichts gebraucht (nur eine niedrigere Frequenz der > Störungen). Verschwunden ist der Fehler nach entfernen von Resten so > komisch dunklen Klebers auf der Platine, mit dem ein Kabel befestigt > war. Vermutlich hat der Kleber (oder Korrosionsprudkt auf der Platine) > für eine Kopplung des Signals (Limit) in den Verstärker verursacht. Der > Hinweiss mit dem Kleber kommt aus einem englischsprachigen Forum - wenn > auch auf einem anderen teil der Platine. Ulrich H. schrieb: > Auch beim Limiter sind andere Pins des TL074 benutzt als im Manual - die > Schaltung scheint aber sonst gleich. Hallo, habe auch gerade einen sub-ts7 mit "Herzklopfen im STBY" auf dem Tisch. Mit dem Kleber entfernen hat gar nichts gebracht. Meiner Meinung nach ist das ein Übersprechen von den Komperatoreingängen zum Limiter-Verstärker der ja relativ hoch nachverstärkt. Mit OP's in getrennten Gehäusen gäbe es das Problem wohl nicht. Ich habe mich für einen zusätzlichen Mute-Transistor* zwischen dem invertierenden Eingang und dem Ausgang des Limiterverstärkers entschieden. So wird die Schleifenverstärkung im STBY herabgesetzt und das Oszillieren hört auf. LG old. PS: Der Limiter arbeitet ganz ausgezeichnet. Verzerrt nicht. Darauf zu verzichten, ist keine gute Idee. *BC547C; 27K; 1N4148
So gut ist der Limiter auch wieder nicht: Das Signal wird für den Limiter stark abgeschwächt und dann wieder verstärkt. Der Limiter (bzw. der Verstärker dahinter) ist damit für den Großteil des hörbaren (trotz Tiefpassfilter noch hörbar) Rauschens verantwortlich. Wenn man wollte könnte man den OP (TL074) wohl gegen einen rauschärmeren Typen ersetzen (z.B. MC33079). Steht bei mir noch auf der Liste - zumal ich dem IC schon einen Sockel verpasst habe. Zumindest in der Simulation verzerrt die Limiterschaltung auch etwas, weil sie ja auch unsymmetrisch je nach Polung ist. Wegen der Verzerrungen ist der Pegel am Limiter wohl auch so klein Gewählt. Der 2. Transistor ist da ggf. schon eine gute Idee. Wie groß die Amplitude der Störung wird, hängt von der Stärke der Rückkopplung ab. Das kann variieren, etwa mit der Temperatur. So wie ich das sehe liegt es aber eher nicht an einer Kopplung auf dem Chip, sondern halt extern, etwa über den Kleber oder ggf. Flussmittelreste. Der Limiter wirkt aber nicht nur als an/Aus Mute, sondern reduziert halt ggf. auch die Amplitude mehr oder weniger im linearen Bereich.
Ulrich H. schrieb: > Rauschens verantwortlich. Wenn man wollte > könnte man den OP (TL074) wohl gegen einen rauschärmeren Typen ersetzen > (z.B. MC33079). Steht bei mir noch auf der Liste Wenn ich die Box kippe und mit dem Ohr reinkrieche, höre ich leise ein Brummen und Rauschen. (Offene Eingänge!) Ich sehe da keinen Handlungsbedarf, da die Sub-Woofer-Box nicht als Kopfhörer gedacht ist. LG old.
Bei der Ausführung, die ich hier hatte, konnte man das Rauschen hören, auch wenn die Box normal auf dem Boden steht, sofern es in der Umgebung ruhig ist. Nicht schlimm, aber immerhin - vielleicht sind auch meine Ohren noch besser. Das Rauschen ist auch weitgehend unabhängig von der Einstellung der Verstärkung usw. Die Technischen Daten sind auch nicht so gut - mit -60dB bei 1 Watt, muss man halt damit rechnen, dass es noch hörbar ist. Man kann es auch nachrechnen, das ist so etwa was man vom TL074 hinter der Limiterschaltung (ca. 1/30 vom Line Pegel) erwarten kann. Vielleicht reicht ja schon ein anderes, besseres Exemplar beim TL074 - auch da soll es ja einige Streuungen geben, besonders beim 1/f Rauschen.
Hi, Tüfftler und Experten, Ich habe schon länger diesen Thread im Auge vom lboppi. Diese Platine oder auch Subwoofer macht in einigen Systemen, egal ob JBL oder HKS einige Probleme. Die Platinen sind zum Großteil absolut identisch oder wurden leicht verbessert. Das was ich aus meinen Recherchen erfahren habe. Ich selber habe eine Platine die 135 rev.B genannt wird. Seit geraumer Zeit schaltet sich mein Subwoofer SCS 140 nicht mehr aus und bleibt dauerhaft an. Er verursacht im Standby oder auch während dem Betrieb ein bloppen/Knacks Geräusch. Sobald der Subwoofer richtig arbeiten muss, ist dieses Phänomen fürs erste weg. Daher ist auch an der kompletten Anlage ein Ausschalter montiert. Da es mich aber immer mehr nervt, habe ich die Platinen aus dem Subwoofer Gehäuse demontiert und diese liegen mit vor. Die Transistoren scheinen in Ordnung zu sein, lediglich die Stellen an der Platine sind leicht braun verfärbt, was auf Hitze hindeutet. Vorsorglich habe ich die genannten Transistoren von lboppi entfernt und werde heute Ersatz besorgen, sodass ich den Subwoofer vorerst wieder in Betrieb nehmen kann. Laut einigen Aussagen ist wohl der Limiter das Problem an diesem Fehlverhalten oder liege ich mit der Annahme falsch? Was kann man dagegen tun? Jemand hat vorgeschlagen den TL074 komplett zu tauschen gegen ein anderes Bauteil bzw. ein anderen TL074 zu versuchen. Hingegen OXI Tagdesnein hat paar Bauteile hinzugefügt, jedoch nicht genau erwähnt wie und wo genau man es anbringt. Eine Schaltungskizze wäre sehr hilfreich gewesen. Es wäre echt schade den Subwoofer wegzuschmeißen oder zu ersetzten. Ich sehe aber auch nicht ein für eine Ersatzplatine/verstärker Modul 150€ und mehr zu zahlen. Da kann ich auch gleich ein neuen Kaufen. Ich wäre euch sehr verbunden, wenn mir jemand weiter helfen könnte. PS bevor ich es vergesse, ich habe die Service Manual für die 230V Version mit beigefügt!
Bitte melde dich an um einen Beitrag zu schreiben. Anmeldung ist kostenlos und dauert nur eine Minute.
  
  Bestehender Account
  
  
  
  Schon ein Account bei Google/GoogleMail? Keine Anmeldung erforderlich!
Mit Google-Account einloggen
Mit Google-Account einloggen
  Noch kein Account? Hier anmelden.





 Thread beobachten
 Thread beobachten Seitenaufteilung abschalten
 Seitenaufteilung abschalten