Hi Leute, ich versuche gerade einen möglichst simplen Oszillator aufzubauen (keine IC's). Er sollte eine eingangsspannug abhängige frequenz haben für 3-12V von 5-20Hz (wobei alles im Bereich 3-100Hz) Ok wäre. Der Hintergrund ist das ich eine Lüstersteuerung habe welche nur Lüfter steuert welche ein Tachosignal haben, bei solchen ohne geht der Kanal nach einer halben Minute aus ein Alarm Ton an. Also will ich eine kleine Schaltung bauen welche der Steuerung vorgaukelt das sich der Lüfter dreht. Die Schaltung im Anhang funktioniert nicht so toll, erstens läuft sie immer mit in etwa der selben Geschwindigkeit zweitens scheint da was zurückzukoppeln weil auch wein ich einen anderen Kanal auf drehe ändert sich die Frequenz. Das Signal greife ich an der Diode mit einem 1K Widerstand ab. Kann mir hier vielleicht jemand bitte weiterhelfen.
> ich versuche gerade einen möglichst simplen Oszillator aufzubauen > (keine IC's). Schade... sonst hätte ich dir einen Oszillator mit einem Single-Supply-OP empfohlen. > eingangsspannug abhängige frequenz haben > 3-12V Das wird dir mit dieser Schaltung nicht gelingen...
Zeichne doch mal ein Bild mit Versorgung (?V), Eingangsspannung (3-12V?) und gewünschtem Ausgangssignal (Frequenz, Tastverhältnis). Allein aus der Beschreibung oben kann sicher (noch) kein funktionierender Vorschlag abgeleitet werden.
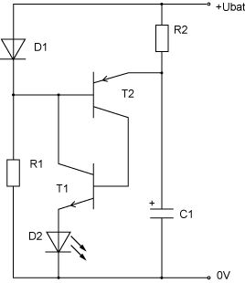
Ich habe hier was interessantes gefunden: http://www.dieelektronikerseite.de/Lections/Spannungsgesteuerte%20Oszillatoren%20-%20Frequenzen%20unter%20Spannung.htm mit 9 V Versorgung funtzt es auch, aber mit 12 (was so ein PC netzteil da so liefert) nicht mehr die LED leuchtet immer nur halt mal heller und mal dunkler :/
Die Betriebsspannung darf bei dieser Schaltung nicht größer als die Emitter-Basis-Sperrspannung der Transistoren sein, sonst passieren seltsame Dinge bis hin zum Sterben der Transistoren. Das maximale Ueb ist in den Dateblättern üblicherweise mit 6V angegeben. In der Praxis halten die Transistoren oft 8-9V gerade noch so aus, aber 12V ist definitiv zuviel.
Uch habe einpaar opv gefunden: http://www.alldatasheet.com/view.jsp?Searchword=10358 was für ne schaltung geht den damit?
> was für ne schaltung geht den damit? Alles mögliche :-o Aber da waren noch ein paar Fragen offen aus dem Beitrag "Re: Langsamer transistor oszilator"
>Aber da waren noch ein paar Fragen offen
Also Versorgungsspannung 12V
Steuerspannung 3-12V
Ausgang 12V im Bereich 3-100Hz
Alles auf dem selben ground.
Wen ich keine Schaltung habe kann ich das erstmal schlecht aufzeichnen
ich Hofe aber das die Beschreibung ausreicht.
Danke schon mal im voraus
Trax
PS: wen Steuerspannung auf 0 dann sollte der Ausgang auch auf 0 und da bleiben bis wieder saft an der Steuerung liegt.
Wenn Rechteckimpulse genügen, dann schau Dir die 555er genauer an. http://www.elektronik-kompendium.de/sites/bau/0206115.htm
Ich habe 4 von diesen 10358 opv's da da sind jeweils 2 pro chip. und ich brauche 4 solche oszis. Wie kann ich mit denen so ein Spannungsgesteuerten Oszilator aufbauen.
Bitte melde dich an um einen Beitrag zu schreiben. Anmeldung ist kostenlos und dauert nur eine Minute.
Bestehender Account
Schon ein Account bei Google/GoogleMail? Keine Anmeldung erforderlich!
Mit Google-Account einloggen
Mit Google-Account einloggen
Noch kein Account? Hier anmelden.
