Ich habe mal in einer alten Veröffentlichung diese Schaltung gesehen. Wird eine Spannung > 7V angelegt, arbeitet die Basis-Emitter-Diode revers. Am Collector entsteht unerwartet eine negative Spannung, vieleicht nur ein paar Milivolt, hab es noch nicht getestet. Meine Frage nun, wenn ich in einer Schaltung nur posetive Spannungen habe, aber eine kleine negative Hilfsspannung brauche, ist es dann ratsam, so etwas zu verwenden? Ich brauche wirklich nur ein paar µA und ein paar mV. Da scheint mir eine Ladungspumpe mit ICM7226 oder so was etwas überdimensioniert!
>Ich habe mal in einer alten Veröffentlichung diese Schaltung gesehen. >Wird eine Spannung > 7V angelegt, arbeitet die Basis-Emitter-Diode >revers. Das ist der Durchbruch der Diode. Die hält nicht viel, weil hochdotiert. Wenn der Strom nicht sehr begrenz wird, geht der Transistor kaputt. >Am Collector entsteht unerwartet eine negative Spannung, vieleicht nur >ein paar Milivolt, hab es noch nicht getestet. Messfehler? >Meine Frage nun, wenn ich in einer Schaltung nur posetive Spannungen >habe, aber eine kleine negative Hilfsspannung brauche, ist es dann >ratsam, so etwas zu verwenden? Nöö, weil Unsinn. >Ich brauche wirklich nur ein paar µA und ein paar mV. Wofür denn? OPV? Nimm einem mit Rail to Rail Eigenschaften. MFG Falk
Falk Brunner schrieb: >>Am Collector entsteht unerwartet eine negative Spannung, vieleicht nur >>ein paar Milivolt, hab es noch nicht getestet. > > Messfehler? Das hatte ich auch mal irgendwo gelesen. Ich glaube die Erklärung dazu war irgendwas in der Richtung, dass die BE Diode in Sperrichtung als IR LED arbeitet und die BC Diode dieses Licht wieder in Spannung umwandelt.
@ Benedikt K. (benedikt) (Moderator) >Das hatte ich auch mal irgendwo gelesen. Ich glaube die Erklärung dazu >war irgendwas in der Richtung, dass die BE Diode in Sperrichtung als IR >LED arbeitet und die BC Diode dieses Licht wieder in Spannung umwandelt. Also der Transistor glüht schon. Na dann . . .
Ich habe das eben mal ausprobiert (BC546 über 4,7k an 12V): Ab dem Moment wo der Transistor durchbricht, liegen tatsächlich -340mA am Kollektor an! Der Kurzschlussstrom ist abhängig vom Strom und liegt irgendwo bei <10µA.
Moin, ich denke mal du meinst -340mV? Aber sehr interessant die schaltung. MfG Echo
hm interessanter effekt... aber wirklich brauchen kann man das nicht
oder?
>wo der Transistor durchbricht
**knacks** ;)
@ Benedikt K. (benedikt) (Moderator) >Moment wo der Transistor durchbricht, liegen tatsächlich -340mA am >Kollektor an! Irgendwelche Diffusionsspannungen der PN Übergänge? Sehr seltsam. Thermospannungen wären "etwas" kleiner. . . @ Didlmaus (Gast) > Inverter_Speciale.PNG Jetzt seh ich es erst richtig. Das kann man mit drei Widerständen erledigen, siehe Spannungsteiler. MfG Falk
Ich habe jetzt schon einige Zeit gegoogelt aber nirgends etwas dazu gefunden (was eventuell an den ungünstigen Suchbegriffen liegt). Wie gesagt: Ich meine das wäre über optische Effekte erklärt worden, aber dem widerspricht eigentlich, da der BC546 komplett vergossen ist. Von daher würde mich eine belegbare Erklärung auch interessieren. Ich glaube die Schaltung war vor vielen Jahren mal in irgendeiner Zeitschrift beschrieben, es könnte Elektor gewesen sein.
Silizium als Dotierungssubstrat ist doch optisch transmissiv für IR-Licht, vllt könnte das dadurch funktionieren.
@ Benedikt K. (benedikt) (Moderator) >Wie gesagt: Ich meine das wäre über optische Effekte erklärt worden, >aber dem widerspricht eigentlich, da der BC546 komplett vergossen ist. Naja, das "Licht" kann ja auch von innen kommen. Ich meine über die diversen Sperrschichten, die dann "leuchten". Aber das ist nur eine Schuss ins Blaue, Halbkleiterphysik ist nicht so mein Ding 8-0 >Zeitschrift beschrieben, es könnte Elektor gewesen sein. Aprilausgabe? ;-) MfG Falk P S Hmmm, mal so laienhaft gesponnen. Die BE Diode geht in den Durchbruch und arbeitet ähnlich einer Zenerdiode. Dabei ensteht auch "Licht", welcher Wellenlänge auch immer (Rekombinationsprozesse der Ladungsträger?!?). Die BC Diode wirkt als Photodiode, da die P Schicht ja sehr dünn ist. Hmm, passt sogar mit der Polarität.
Hmm, aber ich glaube ein Optokoppler mit Diodenausgang ist dennoch effizienter in dieser "Anwendung".
Benedikt K. schrieb: > Ich habe jetzt schon einige Zeit gegoogelt aber nirgends etwas dazu > gefunden (was eventuell an den ungünstigen Suchbegriffen liegt). > Wie gesagt: Ich meine das wäre über optische Effekte erklärt worden, > aber dem widerspricht eigentlich, da der BC546 komplett vergossen ist. > Von daher würde mich eine belegbare Erklärung auch interessieren. > Ich glaube die Schaltung war vor vielen Jahren mal in irgendeiner > Zeitschrift beschrieben, es könnte Elektor gewesen sein. Ja das war in einer Elektor beschrieben. Es war die Quizfrage eines Pofessors. In der folgenden Elektor war dann die Auflösung. Ich erinnere mich daran, dass da von Photonen-Emission, verursacht durch den Strom beim BE-Durchbruch, gesprochen wurde. Die Kollektor-Basisdiode wirkt dabei als Photodiode.
Falk Brunner schrieb: > P S Hmmm, mal so laienhaft gesponnen. Die BE Diode geht in den > Durchbruch und arbeitet ähnlich einer Zenerdiode. Dabei ensteht auch > "Licht", welcher Wellenlänge auch immer (Rekombinationsprozesse der > Ladungsträger?!?). Die BC Diode wirkt als Photodiode, da die P Schicht > ja sehr dünn ist. Hmm, passt sogar mit der Polarität. Ja, genau. Das hatte ich mir auch gedacht. Es gibt verschiedenste Berichte von Z-Dioden die manchmal auch sichtbar leuchten (und nicht nur wenn man sie ohne Vorwiderstand betreibt). So abwegig ist es also garnicht. Ich suche trotzdem mal ob ich noch was dazu finde. > Hmm, aber ich glaube ein Optokoppler mit Diodenausgang ist dennoch > effizienter in dieser "Anwendung". Aber bedeutend schwerer zu bekommen. Mir ist zumindest keiner bekannt, den ich ohne Aufwand beschaffen könnte bzw. ich kenne eigentlich überhaupt keinen.
> Aber bedeutend schwerer zu bekommen. Mir ist zumindest keiner bekannt, > den ich ohne Aufwand beschaffen könnte bzw. ich kenne eigentlich > überhaupt keinen. HCNR200, HCNR201 von Avago, aber extrem teuer. If=10mA -> Iphoto = 50uA
Ah, ok, das sind Spezialteile für die galvanische Trennung von Analogsignalen. Die Transistorschaltung habe ich gefunden: Elektor Mai 2005 bzw. Juli/August 2005. Die Erklärung ist wie oben schon mehrfach geschrieben: BE Diode in Sperrichtung bricht durch, arbeitet als IR LED, deren Licht von der CB Diode wieder in eine Spannung umgewandelt wird. Die Schaltung entstammt wohl ursprünglich von hier: Pease, Bob, "Pease Porridge", Electronic Design, March 18, 1996,pp 123 Pease, Bob, "Bob's Mailbox", Electronic Design, April 1,1996, pp 95
>HCNR200, HCNR201 von Avago, aber extrem teuer. >If=10mA -> Iphoto = 50uA IL300, Reichelt, 2€. Das müßte doch auch mit einer IR-LED und einer BPW34 gehen, oder? Kai Klaas
@Benedikt K.: Hast du deinen Versuchsaufbau mal längere Zeit laufen lassen und nach- geschaut, ob sich an der Ausgangsspannung oder am Ausgangsstrom etwas ändert? Meiner Erfahrung nach mögen Transistoren den Durchbruch der BE-Diode nicht so gerne. Schon ein Strom deutlich unter 1mA führt bspw. zu einer bleibenden Verringerung der Stromverstärkung. Vielleicht beruht der Effekt in Wirklichkeit gar nicht auf Halbleiter- leuchten der BE-Diode, sondern auf thermischem Glühen ;-) Falk Brunner schrieb: >> Inverter_Speciale.PNG > > Jetzt seh ich es erst richtig. Das kann man mit drei Widerständen > erledigen, siehe Spannungsteiler. Einen Invertierer mit nur drei Widerständen? Oder meinst du drei Widerstände plus ein OpAmp? @Didlmaus: Falls die Schaltung in Inverter_Speciale.PNG die Anwendung für diesen Transistoreffekt sein soll: Das wird nichts Gescheites. Zum einen müssen die -100mV schon ziemlich genau stimmen, da hier ein Fehler um den Faktor 25 verstärkt am Ausgang erscheint. Die Ausgangs- spannung der Transistorschaltung hängt aber vermutlich von ziemlich vielen schwer vorhersehbaren Faktoren ab. Zum anderen kannst die Schaltung so modifizieren, dass du die negative Hilfsspannung mitsamt dem 1kΩ-Widerstand weglässt und stattdessen den nichtinvertierenden Eingang des Operationsverstärkers an einen Span- nungsteiler (33kΩ und 22kΩ) zwischen 5V und GND anschließt. Das Ganze tut das Gleiche wie vorher, braucht aber einen Transistor und einen Widerstand weniger. Außerdem brauchst du keine Spannung >5V, um die BE-Diode durchbrechen zu lassen.
Hallo Yalu, >Zum anderen kannst die Schaltung so modifizieren, dass du die negative >Hilfsspannung mitsamt dem 1kΩ-Widerstand weglässt und stattdessen den >nichtinvertierenden Eingang des Operationsverstärkers an einen Span- >nungsteiler (33kΩ und 22kΩ) zwischen 5V und GND anschließt. Das Ganze >tut das Gleiche wie vorher, braucht aber einen Transistor und einen >Widerstand weniger. Nicht ganz. Da der "+" Eingang ja jetzt nicht mehr auf Masse und der "-" Eingang dadurch auch nicht mehr auf virtueller Masse liegen, sondern auf rund Vcc/2, sieht das Eingangssignal nun keine symmetrische Last mehr. Das kann bei Schaltungen mit hohen Quellwiderständen ein Problem werden, auch die jetzt fließenden Rückströme bei Uein = 0. Ich würde das wahrscheinlich aber genau so machen und nicht etwa mit dieser negativen Hilffspannung, weil deine Argumentation mit der fehlenden Konstanz natürlich völlig richtig ist. Vielleicht würde ich aber den 100k Widerstand am Eingang deutlich größer wählen und einen zusätzlichen Widerstand vom Eingang nach Masse hängen, um dem Eingangssignal eine symmetrischere Last vorzugaukeln und den Eingangswiderstand nicht unnötig groß werden zu lassen. Das klappt natürlich besser mit einem CMOS-OPamp, wie beispielsweise dem MCP601, mit seinen niedrigen Eingangsströmen. Kai Klaas
Hallo Kai, > Nicht ganz. Da der "+" Eingang ja jetzt nicht mehr auf Masse und der > "-" Eingang dadurch auch nicht mehr auf virtueller Masse liegen, > sondern auf rund Vcc/2, sieht das Eingangssignal nun keine > symmetrische Last mehr. Ok, ich bin davon ausgegangen, dass der Quellwiderstand <<100kΩ ist, so dass die Belastung durch die 100kΩ keine Rolle spielt. Ist der Quell- widerstand größer, stimmen die Ausgangsspannungen 5V und 0V sowieso nicht mehr (auch in der Originalschaltung), da ist dann auch die Ver- schiebung des Referenzpunkts um 2V nicht mehr so tragisch ;-)
@ yalu (Gast) >Einen Invertierer mit nur drei Widerständen? Oder meinst du drei >Widerstände plus ein OpAmp? Wieso Invertierer? Der OP will -10..10V auf 0..5V konvertieren, geht wunderbar mit drei Widerständen. Und fals er wirklich eine Invertierung braucht (-10..10 auf 5..0V) kann er das ggf. in Software machen, wenn er da einen uC dran hat. MFG Falk
naja - nur Spannungsteiler reicht nicht ganz - irgendeine Spannungsverschiebung muß da schon noch mit rein. Also: ein Δ von 20V muß auf ein Δ von 5V runter - Spannungsteiler 1:4. Und damit man an einem Teiler 1:4 bei -10V 0V am Ausgang sieht, muß man den mit 1/3 davon positiv vorspannen -als exakt +3,333333....V am Fußpunkt des Spannungsteilers (anstatt Masse). Zufälligerweise ein üblicher Wert für Festspannungsreferenzen - ist also ganz praktisch dieser Dimensionierungs-/Funktionalitäts-Wunsch ;-) Sind also nur eine Referenz und insgesamt drei R's (incl. Rv für die Referenz) Falls aber die 0...5V niederohmig ausgegegeben werden sollen, kommt man um einen OPV nicht herum.
Dass das ganze irgendwo sehr hochfrequent schwingt und den Spannungsmesser dadurch total verklatscht wurde schon ausgeschlossen?
Falk Brunner schrieb: > Wieso Invertierer? Der OP will -10..10V auf 0..5V konvertieren, geht > wunderbar mit drei Widerständen. Ja, so genau weiß man's nicht, was die Didlmaus wollte. Die Schaltung und deren Name (Inverter_Speciale.PNG) deutet auf einen Invertierer hin, auch wenn die Beschriftung Ausgangsspannung (0 bis 5V) andersherum (5 bis 0V) logischer gewesen wäre. Wenn die Invertierung nicht erforderlich oder per Software machbar ist, kann man sich den OpAmp natürlich sparen, da hast du völlig recht. Vielleicht meldet sich die Didlmaus ja wieder. Jens G. schrieb: > naja - nur Spannungsteiler reicht nicht ganz - irgendeine > Spannungsverschiebung muß da schon noch mit rein. Falk meinte einen erweiterten Spannungteiler mit drei Widerständen, etwa so: Vom Ausgang gehen 20kΩ zum Eingang, 10kΩ nach 5V (die wohl vorhanden sind) und 20kΩ nach GND. Ist der Eingangswiderstand der nachfolgenden Schaltung nicht unendlich, aber konstant, kann man ihn evtl. durch andere Dimensionierung kompensieren. Ist er variabel oder unbekannt, kommt man um den OpAmp nicht drum herum.
Danke für die vielen Antworten. Spannungsteiler habe ich auch schon überlegt, aber 1. mein Meßobjekt darf auf keinen Fall eine Spannung bekommen! 2. Masse von Meßobjekt muss Masse von Schaltung sein, hochlegen auf 2,5V geht also auch nicht. Wenn ich einen IL300 da hätte, würde ich mal testen ob folgendes geht: Beide Dioden in Reihe => 2 * 0,5V = 1V Diese mit einem LM385 1.25V auf 0,625V stabilisieren und diese dann in der Schaltung verwenden.
Didlmaus schrieb: > Wenn ich einen IL300 da hätte, würde ich mal testen ob folgendes geht: > Beide Dioden in Reihe => 2 * 0,5V = 1V > Diese mit einem LM385 1.25V auf 0,625V stabilisieren Der OP puffert die Spannung nur. Diese ist durch die Alterung der Dioden nie und nimmer stabil.
Ändert sich die Spannung wirklich so sehr mit der Alterung? Die Fotodioden sind bei dem geringen Strom in der Sättigung, d.h. die Spannung verändert sich logarithmisch mit der Lichtmenge. Von daher sollte die Spannung doch eigentlich relativ stabil sein.
@ Didlmaus (Gast) >1. mein Meßobjekt darf auf keinen Fall eine Spannung bekommen! Wieso? Ausserdem ist das alles sehr hochohmig, da passiert so schnell nix. >Wenn ich einen IL300 da hätte, würde ich mal testen ob folgendes geht: >Beide Dioden in Reihe => 2 * 0,5V = 1V Vergiss es!!! Mach es richtg oder lass es bleiben! MFG Falk
@Benedikt: Was ich im Kopf hatte war die Alterung von Optokopplern, die aber hauptsächlich durch die LED verursacht wird. So steht es jedenfalls schwammig im Datenblatt der IL300. Die Alterung der LED ist hier durch die logarithmische Kurve der Fotodiode egal. Inwieweit die Fotodiode altert dazu habe ich nichts gefunden. Evtl. kann man von Photovolatikzellen Testergebnisse nehmen. Trotzdem kann ich die Schaltung nicht empfehlen, da müsste man sie erstmal einem Langzeittest unterziehen. Die Temperaturabhängigkeit könnte die Spannung schwanken lassen.
Didlmaus schrieb:
> 1. mein Meßobjekt darf auf keinen Fall eine Spannung bekommen!
Was bedeutet das? Doch nicht, dass die Spannung am Messobjekt 0V sein
muss? Das wäre ja in deiner zuletzt geposteten Schaltung auch nicht der
Fall.
Wie ist denn das Messobjekt beschaffen? Ist das etwas Hochohmiges oder
Niederohmiges?
@Alexander >Die Temperaturabhängigkeit könnte die Spannung schwanken lassen. Die Open Circuit Spannung einer Photodiode ist direkt von kT/q abghängig! Das würde also nur mit einer zusätzlichen Regelung gehen, die aber bei dem winzigen Strömchen, den man der Photodiode ohnehin nur entnehmen könnte, praktisch leistungslos arbeiten müßte. Viel Spaß... @Yalu, >Wie ist denn das Messobjekt beschaffen? Ist das etwas Hochohmiges oder >Niederohmiges? Ja, genau. Ohne weitere Didles von Detailmaus kann mal wieder nur geraten werden... Kai Klaas
So, habe hier die Schaltung noch mal besser beschriftet. Die Schaltung ist noch nicht getestet, muß noch alles mögliche bei Angelika bestellen, u.A. einen IL300. Ich denke aber die Schaltung könnte durchaus funktionieren, hängt hauptsächlich davon ab, ob der IL300 als "Solargenerator" auch genügend Strom liefern kann. Genügend Strom wären: (0,625V / 62k5 = 10µA) + (0,625V / 100k = 6,25µA) + (10µA für den LM385) = 26,25µA. Die Schaltung um IC2 mit dem LM385 1.2 und den beiden 100k Widerständen dient der Stabilisierung der vom IL300 gelieferten Photospannung auf -0,625V. @ yalu (Gast) >Didlmaus schrieb: >> 1. mein Meßobjekt darf auf keinen Fall eine Spannung bekommen! >Was bedeutet das? Doch nicht, dass die Spannung am Messobjekt 0V sein >muss? Das wäre ja in deiner zuletzt geposteten Schaltung auch nicht der >Fall. Das bedeutet das diese Meßschaltung auf keinen Fall selber eine Spannung in das zu messende Objekt einspeisen darf. Ein Beispiel möge das einmal erläutern: In einer laufenden Schaltung wird die Spannung an der Basis eines Transistors gemessen. Die Meßschaltung speist selber eine Spannung ein, der Transistor wird leitend und PENG...
@ Didlmaus (Gast)
>Ich denke aber die Schaltung könnte durchaus funktionieren,
Als instabiles Einzelexemplar auf dem Basteltisch. Mehr nicht.
MFG
Falk
Didlmaus schrieb: >> Didlmaus schrieb: >>> 1. mein Meßobjekt darf auf keinen Fall eine Spannung bekommen! > >> Was bedeutet das? Doch nicht, dass die Spannung am Messobjekt 0V sein >> muss? Das wäre ja in deiner zuletzt geposteten Schaltung auch nicht >> der Fall. > > Das bedeutet das diese Meßschaltung auf keinen Fall selber eine > Spannung in das zu messende Objekt einspeisen darf. Ein Beispiel möge > das einmal erläutern: > > In einer laufenden Schaltung wird die Spannung an der Basis eines > Transistors gemessen. Die Meßschaltung speist selber eine Spannung > ein, der Transistor wird leitend und PENG... Angenommen die zu messende Spannung in dieser laufenden Schaltung wäre -10V. Die Spannung am invertierenden Eingang des OpAmps ist immer ungefähr 0V. Diese 0V sind aber 10V mehr als die zu messende Spannung, also wird eben doch etwas eingespeist. Ok, da liegt ja noch der 1MΩ-Widerstand dazwischen. Trotzdem fließen immerhin 10µA in die zu testende Schaltung hinein, die deinen oben angesprochenen Transistor durchaus zum Leiten bringen könnten. Nach meinem Vorschlag vom 26.11.2009 22:51 wäre die Spannung am invertierenden Eingang +2V und damit der Strom in die zu testende Schaltung 12µA statt 10µA. So arg groß ist der Unterschied nicht. Ich würde mal behaupten, wenn 12µA zu viel sind, sind 10µA immer noch grenzwertig. Wenn du die Rückwirkung deiner Messschaltung wirklich minimieren möchtest, musst du einen nichtinvertierenden Verstärker aufbauen, am Besten mit einem (MOS)FET-OpAmp. Leider brauchst du dazu eine negative Versorgungsspannung von mindestens -10V, die du mit einem DC/DC-Wandler, einer Ladungspumpe oder wie auch immer¹ erzeugen musst. Arg viel teurer wie der IL300 wird das aber trotzdem nicht. ¹) ... du kannst natürlich auch ca. fünfzehn IL300 in Reihe schalten ;-)
Falk Brunner (falk) schrieb: >@ Didlmaus (Gast) > >>Ich denke aber die Schaltung könnte durchaus funktionieren, > >Als instabiles Einzelexemplar auf dem Basteltisch. Mehr nicht. > >MFG >Falk Diese selbstgerechte Aroganz eines "Falk Brunner" regt mich schon ein bischen auf. Zur Sache kann er außer aroganten Kommentaren nichts beitragen. Hinweise auf http://www.mikrocontroller.net/articles/Spannungsteiler bringen garnichts. Anscheinend hat er den ganzen Tag nichts besseres zu tun als Threads zu trollen. Kann es sein das er das alter Ego von MAWIN ist? Man weiss es nicht. Werden wir es je erfahren? Ein hilfreicher Betrag könnte z.B. so aussehen: Hallo Didlmaus, ich habe zufällig ein paar IL300 da. Die Idee diese als Spannungsquelle zu mißbrauchen ist ganz witzig... Habe mal einen Testaufbau gemacht. Einige bringen an der Empfangsdiode so und soviel Volt bei so und soviel µA. Andere aber nur so und soviel. Also starke Exemplarstreuungen, je nach Lieferant. Deshalb würde ich sagen: auf keinen Fall für eine Serienfertigung, du bringst dich sonst in Teufels Küche. Meine Meinung: Du hast dich da in was verrannt.Nimm lieber einen ICM7226 und einen TL431, Schaltplan siehe Anhang. Falls du Angst hast, das die Taktfrequenz dieses Baussteins durchschlägt, kannst du ja mal die Drossel 4711-0815 in die Versorgungsspannungsleitung legen. Viel Spass noch beim Basteln ;-) So stelle ich mir einen hilfreichen Beitrag vor...
@ Didlmaus (Gast)
>So stelle ich mir einen hilfreichen Beitrag vor...
1.) Wir sind hier nicht bei "Wünsch dir was"
2.) Ich bin keine Frau
3.) Ich habe keine Lust (mehr) dem 1000sten Bastler zu erklären, warum
Murks Murks ist
MFG
Falk
Ich habe eben mal gegoogelt: Ergebnisse 1 - 10 von ungefähr 50.100 für falk brunner arrogant. (0,15 Sekunden) Falk Brunner schrieb: >3.) Ich habe keine Lust (mehr) dem 1000sten Bastler zu erklären, warum >Murks Murks ist @Falk Brunner: Dann laß es bleiben! Wenn du keine Lust hast, brauchst du auch nicht dein Gift hier abladen. Geh zu deinen Profis und erkläre denen, warum Murks Murks ist.
@ Didlmaus (Gast) >Ich habe eben mal gegoogelt: >Ergebnisse 1 - 10 von ungefähr 50.100 für falk brunner arrogant. (0,15 >ASekunden) Du solltest dich mal mit den Grundlagen von Google beschäftigen. Und mal an deiner Kritikfähigkeit arbeiten. >Dann laß es bleiben! Das tue isch bereits. > Wenn du keine Lust hast, brauchst du auch nicht >dein Gift hier abladen. Das ist eine enstirninge, fast böswillige Interpretation deinerseits. > Geh zu deinen Profis und erkläre denen, warum Murks Murks ist. Mach ich schon oft genug ;-) MfG Falk P S Immer schön locker bleiben.
Was ist denn jetzt eigentlich der Sinn dieses Threads? Geht es um die "Ersatzschaltung" des einen Transistors mittels IL300? Oder darum, aus -10v...+10V 0..5V zu machen? Wenn letzteres, dann so machen, wie anfangs schon mal gesagt. Wenn negative Spannung nötig, dann einfach mit einer kleinen Ladungspumpe dies realisieren.
@ Jens G. (jensig) Der Sinn war mal, zu klären ob es sinnvoll oder dämlich ist, diesen komischen Tranistor-negative-Spannung-Effekt zu verwenden. Wir sind ein bischen vom Thema abgekommen... ;-)
würde ich nicht machen, wenn es um Konstanz geht. Denn wie schon gesagt, werden sich die Transis mit verminderter Stromverstärkung bedanken, wenn die "E-B-ZDiode" so betrieben wird (vielleicht ist das aber auch nur noch eine überlieferte Mär aus der Halbleiterurzeit) - müsste man mal testen, was so an Konstanz herauskommt. LED's haben aber immer grundsätzlich eine gewisse Alterung - vielleicht nicht sehr ideal für die Konstantspannungserzeugung via Licht ...
@Didlmaus >Der Sinn war mal, zu klären ob es sinnvoll oder dämlich ist, diesen >komischen Tranistor-negative-Spannung-Effekt zu verwenden. Also, ich finde es Murks, weil die Fotodioden den hohen Strom nur im Kurzschlußfall liefern können. Du willst aber, daß sie gleichzeitig auch noch Spannung liefern. Nur ist nirgends spezifiziert, wieviel Strom du bei 0,625V / 2 = 0,3125V pro Fotodiode entnehmen kannst. Bei 10mA LED-Strom sind es im Kurzschlußbetrieb 70µA. Bei dir fließt durch die LED aber nur rund 4mA, also sind das nur 28µA, die du im Kurzschlußbetrieb ziehen kannst. Deine Schaltgung braucht aber 26µA, und nimmt man den Worst Case Fall von 20µA für den LM385, dann braucht sie sogar 36µA. Damit bist du schon über dem, was dir die Fotodiode im Kurzschlußbetrieb überhaupt liefern kann. Wenn du jetzt noch eine Spannung haben willst, ist der zur Verfügung stehende Strom ja noch wesentlich geringer. So gesehen hat Falk völlig Recht. Die Schaltung kann bei dir funktionieren, muß aber nicht. Baust du sie in Serie, wirst du erhebliche Ausfälle haben. Ich würde einen ICL7660 nehmen und erstmal eine negative Versorgunsgsspannung erzeugen. Damit versorgst du einen AD822 für den Eingang der Schaltung. Für den Ausgang der Schaltung, der nur 0...5V liefern darf, (leider schreibst du ja nicht genau, was du überhaupt machen willst) nimmst du dann einen zweiten AD822 und betreibst ihn mit 0/+5V. Dann kannst du ganz sauber und ohne Mühe die bipolare Eingangsspannung verarbeiten. Kai Klaas
@Autor: Kai Klaas (Gast) Thanks, da hast du mich auf was gebracht! Die Stelle mit den 500mV und 70µA bei 10mA hatte ich im Datenblatt glatt überlesen. :-( würg mich :-( Mit meinen 4mA Strom durch die Led sind das dann 28µA. Wenn ich aber beide Dioden parallel schalte hätte ich 56µA Kurzschlussstrom. Überschlägig rechne ich Ri = 500mV Leerlaufspannung / 56µA Kurzschlussstrom = 8928 Ohm. Die Dioden würde ich also als Spannungsquelle mit 500mV und Ri = 10k simulieren. Die Schaltung um IC2 ist modifizierbar, so daß auch eine kleinere Spannung als 0,625V ausreicht! Leider finde ich in LT-Spice keinen LM385 1.2 Muß mal was ähnliches aus der LT-Kiste suchen, dann kann ich es simulieren.
@Didlmaus >Überschlägig rechne ich Ri = 500mV Leerlaufspannung / 56µA >Kurzschlussstrom = 8928 Ohm. Nein, du hast entweder die Leerlaufspannung oder den Kurzschlußstrom, aber nicht beides zusammen. Ziehst du Strom, liefert die Fotodiode nicht mehr die volle Leerlaufspannung. Je nach Innenwiderstand bricht sie mehr oder weniger zusammen. Aber das ist leider im Datenblatt nicht näher spezifiziert. Kai Klaas
@Kai: >> Überschlägig rechne ich Ri = 500mV Leerlaufspannung / 56µA >> Kurzschlussstrom = 8928 Ohm. > > Nein, du hast entweder die Leerlaufspannung oder den Kurzschlußstrom, > aber nicht beides zusammen. Deswegen modelliert die Didlmaus die Fotodiode ja als 500mV-Quelle mit 10kΩ Innenwiderstand, die im Leerlauf 500mV liefert und im Kurzschluss- fall 500mV/10kΩ=50µA. Begrenzt sie die Spannung mit der Spannungsrefe- renz-OpAmp-Schaltung bspw. auf 300mV, liefert nach diesem Modell die Fotodiode immer noch (500-300)mV/10kΩ=20µA. Begünstigend kommt noch dazu, dass die I(U)-Kennlinie der Fotodiode im Bereich zwischen 0 und 500mV nicht linear, sondern gekrümmt verläuft, so dass bei 300mV mit einem Strom gerechnet werden kann, der deutlich näher am Kurzschluss- strom liegt. Ich würde mal mindestens 40µA schätzen. Und so viel Strom wird tatsächlich benötigt: 10µA fließen durch den 62,5kΩ-Widerstand (der dann durch 30kΩ ersetzt würde), knapp 10µA durch der LM385 (damit dieser vernünftig regelt), ein paar µA durch die Widerstände parallel zum LM385, macht zusammmen etwa 30µA. Mit den geschätzten 40µA würde das also gerade so hinkommen. Wenn man beide Fotodioden parallel schaltet (80µA), hätte man sogar noch gut Luft. Man könnte den 62,5kΩ-Widerstand und damit die benötigte Spannung noch weiter verringern, da der benötigte Strom immer gleich bleibt. Nur machen sich dann auch die Offsetspannungen der OpAmps und Rauschen immer stärker bemerkbar. Die ganze Trickserei ist also gar nicht so aussichtslos, wie sie zunächst aussieht. Obwohl ich immer noch nicht ganz verstanden habe, warum mein obiger Vorschlag mit den +2V am nichtinvertierenden Eingang des oberen OpAmps so viel schlechter sein soll ;-)
Kai Klaas (Gast) schrieb: >Nein, du hast entweder die Leerlaufspannung oder den Kurzschlußstrom, >aber nicht beides zusammen. Ziehst du Strom, liefert die Fotodiode nicht >mehr die volle Leerlaufspannung. Je nach Innenwiderstand bricht sie mehr >oder weniger zusammen. Aber das ist leider im Datenblatt nicht näher >spezifiziert. @ Kai Klaas (Gast) & alle Ich denke mal, die beiden Punkte der Kennlinie Leerlaufspannung und Kurzschlussstrom sind durch eine Gerade zu verbinden, die kürzeste Verbindung... Es könnte natürlich auch eine irgendwie geartete Kurve sein! Wie könnte diese Kurve aussehen? Gibt's da Literatur? Habe immer noch nicht bestellt, wer kann es mal testen?
> Wie könnte diese Kurve aussehen? Gibt's da Literatur? http://de.wikipedia.org/wiki/Fotodiode#Betriebsarten Der 4. Quadrant (U>0, I<0) ist der relevante. Die deutliche Abweichung vom linearen Verlauf der Spannungsquelle mit Innenwiderstand ist ein Vorteil für dich (s. auch mein letzter Beitrag).
Hallo Yalu, >Deswegen modelliert die Didlmaus die Fotodiode ja als 500mV-Quelle mit >10kΩ Innenwiderstand, die im Leerlauf 500mV liefert und im Kurzschluss- >fall 500mV/10kΩ=50µA. Stimmt! Du hast völlig Recht! Habe ich ganz übersehen, daß das ja so gemeint war. >Und so viel Strom wird tatsächlich benötigt: 10µA fließen durch den >62,5kΩ-Widerstand (der dann durch 30kΩ ersetzt würde), knapp 10µA durch >der LM385 (damit dieser vernünftig regelt), ein paar µA durch die >Widerstände parallel zum LM385, macht zusammmen etwa 30µA. Mit den >geschätzten 40µA würde das also gerade so hinkommen. Allerdings rechnest du mit den typischen Daten, bei der Leerlaufspannung, dem Kurzschlußstrom und dem Bias-Strom durch den LM385. Wenn die stark streuen oder Temperaturgänge dazu kommen, kann es dennoch eng werden. >Wenn man beide Fotodioden parallel schaltet (80µA), hätte man sogar noch >gut Luft. Aber dann kommst du wieder nicht auf die 0,625V, oder? Kai Klaas
> Aber dann kommst du wieder nicht auf die 0,625V, oder?
Das nicht, aber wenn man die 62,5kΩ durch 30kΩ ersetzt, braucht man nur
noch 300mV. Durch diesen Widerstand müssen unabhängig von seiner Größe
immer 2,5V/250kΩ=10µA fließen, damit die Ausgangsspannung wie gewünscht
um 2,5V angehoben wird.
Bei 300mV und darunter ist man in der Gegend, wo die Fotodiode (ich
nehme an, es ist eine aus Silizium) schon halbwegs als Konstantstrom-
quelle arbeitet und damit einen Strom in der Nähe des Kurzschlussstroms
liefert.
Damit die Spannungregelung rechts unten auf die -300mV regelt, müssen
die beiden 100kΩ-Widerstände natürlich ebenfalls angepasst werden, bspw.
durch 60kΩ und 190kΩ.
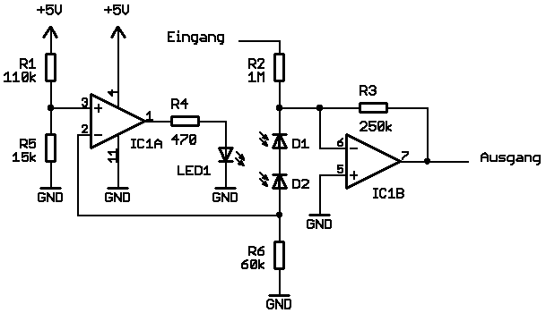
Hier ist noch ein Vorschlag, bei dem die Fotodioden nur mit 10µA belastet werden. Sie müssen bei der angegebenen Dimensionierung jeweils 300mV, zusammen also 600mV erzeugen. IC1A, der Optokoppler, und R6 bilden eine Konstantstromsenke mit eben diesen 10µA. Die Referenzspannung von 600mV kann in diesem Fall auch mit einem Spannungsteiler (R1 und R5) aus einer beliebigen bereits existie- renden Konstantspannung >=600mV erzeugt werden. Dadurch spart man sich evtl. die zusätzliche Spannungsreferenz. Da der Strom durch Verändern des LED-Stroms geregelt wird, bekommt die LED unabhängig von den Optokoplerparametern gerade so viel Strom, wie für das Funktionieren der Schaltung benötigt wird. Die Belastung durch die Spannungsreglerschaltung in der Schaltung von Didlmaus entfällt komplett. Falls die Fotodioden Schwierigkeiten haben, die 10µA zu erreichen (was ich aber nicht glaube), kann man sie auch parallel schalten. Sie müssen dann nur noch jeweils 5µA liefern. Da die LEDs dann aber zusammen nur noch die halbe Spannung erzeugen, müssen R6 durch 30kΩ und R5 durch 7,5kΩ ersetzt werden. Der Nachteil dieser Anordnung besteht darin, dass sich Offsetspannungen und Rauschen doppelt so stark bemerkbar machen.
Nachtrag: Der Name "negative-spannung.png" war schlecht gewählt und ist historisch bedingt. Es gibt in der Schaltung ja gar keine negative Span- nung mehr :)
Hallo Yalu, >Hier ist noch ein Vorschlag, bei dem die Fotodioden nur mit 10µA >belastet werden. Hey, Clever! Na klar, wenn man den IL300 schon verwendet, gell? Dann könnte man den IL300 doch auch in seiner klassichen Beschaltung verwenden? Kai Klaas
Hallo Kai, > Dann könnte man den IL300 doch auch in seiner klassichen Beschaltung > verwenden? Ach, die beiden Fotodioden sind ursprünglich gar nicht dazu gedacht gewesen, die Spannung oder den Strom von hingefrickelten negativen Spannungsquellen auf einen brauchbaren Level zu verdoppeln? ;-) Bei der getrennten Verwendung der Fotodioden sollte man allerdings noch ihren Gleichlauf, das "Transfer Gain" im Hinterkopf behalten, der lt. Datenblatt zwischen 0,56 und 1,65 streut. Netterweise werden die Teile ja vom Hersteller in 10 Klassen vorselektiert, so dass die Streuung innerhalb einmer Klasse nur noch ±6% beträgt.
yalu (Gast) schrieb: >Hier ist noch ein Vorschlag, bei dem die Fotodioden nur mit 10µA >belastet werden. Sie müssen bei der angegebenen Dimensionierung jeweils >300mV, zusammen also 600mV erzeugen. Die Schaltung sieht wirklich gut aus, kein Problem mit eventueler Unsymmetrie der Photodioden, Bauteile gespart und Stromverbrauch minimiert! Nicht schlecht, Herr Specht! Alle Achtung, dafür würde ich auf einer Skala von 0 bis 10 Punkten 12 Punkte geben! Es bleibt noch zu prüfen 1. ob eventuel eine Schwingneigung der Schaltung da ist. Falls ja, einen paar hundert pF Kondensator zwischen Ausgang und -Eingang schalten? 2. Wie es mit dem Rauschen aussieht. Hier könnte eventuel ein Kondensator parallel zu den Photodioden helfen?
Hallo Didlmaus, > Es bleibt noch zu prüfen > 1. ob eventuel eine Schwingneigung der Schaltung da ist. Könnte schon sein, da die Gegenkopplung des linken OpAmps über einige Ecken läuft, auch wenn die Kapazitäten von LED und Fotodioden relativ gering sind (15pF bzw. 12pF). Der von dir eingezeichnete C1 kann da aber sicher helfen. Ein zweiter Kondensator parallel zu R3 (wie auch in Kais Schaltung) kann auch nicht schaden. Der würde auch höherfrequentes Rauschen dämpfen. Die beiden OpAmps beeinflussen sich über den Knoten oberhalb von D1 auch gegenseitig. Ob und wie man deswegen zusätzliche Maßnahmen zur Schwin- gungsbekämpfung treffen muss, kann ich jetzt auf die Schnelle nicht sagen. > 2. Wie es mit dem Rauschen aussieht. Hier könnte eventuel ein > Kondensator parallel zu den Photodioden helfen? Den würde ich erst einmal weglassen, da er zusammen mit R6 einen Tief- pass im Gegenkopplungszweig bildet und damit schwingungsfördernd ist. Wenn du noch keinen IL300 hast, kannst du das Ganze ja mal mit einer gewöhnlichen (IR)-LED und zwei Fotodioden aufbauen, um evtl. noch bisher nicht erkannte Probleme aufzudecken. Dann siehst du auch, ob das Rauschen überhaupt einen nennenswerten Einfluss auf die Funktion hat.
Hallo Yalu, >Bei der getrennten Verwendung der Fotodioden sollte man allerdings noch >ihren Gleichlauf, das "Transfer Gain" im Hinterkopf behalten, der lt. >Datenblatt zwischen 0,56 und 1,65 streut. Netterweise werden die Teile >ja vom Hersteller in 10 Klassen vorselektiert, so dass die Streuung >innerhalb einmer Klasse nur noch ±6% beträgt. Ja, das habe ich der Einfachheit halber mal unerwähnt gelassen. Den 30k Widerstand könnte man aber jederzeit als 50k Kermet-Trimmer auslegen. Der Hersteller gibt in seiner Applikation Note http://www.vishay.com/docs/83708/appn50.pdf an, daß diese Schaltung für die galvanisch getrennte Übertragung von Analogspannungen eine Genauigkeit von besser als 12bit liefern soll. Demnach sollte sie nach einem Grundabgleich für die meisten Anwendungsfälle ausreichend genau funktionieren. Natürlich nicht so genau, wie deine Schaltung mit der direkten Rückkopplung. >Ob und wie man deswegen zusätzliche Maßnahmen zur Schwingungsbekämpfung >treffen muss, kann ich jetzt auf die Schnelle nicht sagen. Genau das war die Überlegung "meine" Schaltung zu bringen, da von dieser ja bereits bekannt ist, daß sie stabil funktioniert. C2 würde ich ebenfalls weglassen. Ich würde eher R3 und auch R5 eine Kapazität parallelschalten. Yalu, deine Schaltungsidee war eine echte kreative Überraschung! Chapeau! Kai Klaas
Hallo Kai, >> Ob und wie man deswegen zusätzliche Maßnahmen zur Schwingungsbekämpfung >> treffen muss, kann ich jetzt auf die Schnelle nicht sagen. > > Genau das war die Überlegung "meine" Schaltung zu bringen, da von dieser > ja bereits bekannt ist, daß sie stabil funktioniert. Das ist natürlich ein Argument: Auf Bewährtes setzen und damit neue Probleme gar nicht erst aufkommen lassen. > Yalu, deine Schaltungsidee war eine echte kreative Überraschung! Vielen Dank! Die Idee kam mir, als ich mein eigenes Gelaber von oben noch einmal durchlas: > Durch diesen Widerstand müssen unabhängig von seiner Größe > immer 2,5V/250kΩ= 10µA fließen, ... und > wo die Fotodiode (ich nehme an, es ist eine aus Silizium) schon > halbwegs als Konstantstromquelle arbeitet ... Da dachte ich mir, man könnte die 10µA, die am invertierenden Eingang des oberen OpAmps abgesaugt werden müssen, doch gleich mit einer Kon- stantstromquelle erzeugen, aber natürlich einer richtigen, geregelten. Die Idee war somit naheliegend.
Ich möchte zu der ursprünglichen Idee noch anmerken, daß bereits ein einmaliger BE-Durchbruch die Rauschwerte des Transistors für alle Zeiten erheblich verschlechtert. Er scheint also dotierungsmäßig dauerhaft geschädigt zu werden. Und, warum nicht normale Optokoppler mit Basis-Anschluß am Ausgang als Fotodioden mißbrauchen. Es bleibt aber die hohe Streuung des CTR.
Abdul K. schrieb: > Ich möchte zu der ursprünglichen Idee noch anmerken, daß bereits ein > einmaliger BE-Durchbruch die Rauschwerte des Transistors für alle Zeiten > erheblich verschlechtert. Er scheint also dotierungsmäßig dauerhaft > geschädigt zu werden. Wird der Transistor dann bei dauerhaftem BE-Durchbruch immer schlechter oder ist das irgendwann stabil? > Und, warum nicht normale Optokoppler mit Basis-Anschluß am Ausgang als > Fotodioden mißbrauchen. Es bleibt aber die hohe Streuung des CTR. Wieviel µA kann man bei normale Optokopplern mit Basisanschluß erwarten? Kannst du einen empfehlen?
Peter Zz schrieb: > Abdul K. schrieb: >> Ich möchte zu der ursprünglichen Idee noch anmerken, daß bereits ein >> einmaliger BE-Durchbruch die Rauschwerte des Transistors für alle Zeiten >> erheblich verschlechtert. Er scheint also dotierungsmäßig dauerhaft >> geschädigt zu werden. > > Wird der Transistor dann bei dauerhaftem BE-Durchbruch immer schlechter > oder ist das irgendwann stabil? Vermutlich der übliche logarithmische Verlauf. Ich habe das selbst nie ausprobiert, aber in verschiedenen Quellen gelesen. > >> Und, warum nicht normale Optokoppler mit Basis-Anschluß am Ausgang als >> Fotodioden mißbrauchen. Es bleibt aber die hohe Streuung des CTR. > > Wieviel µA kann man bei normale Optokopplern mit Basisanschluß erwarten? > Kannst du einen empfehlen? Kann keinen empfehlen, da nie gemessen. Ausprobieren und hier posten! Z.B. der verbreitete billige 6N136 hat auch einen Ausgang für seine extra interne Fotodiode. Diverse Hersteller haben auch photovoltaische Koppler im Programm. Meist um MOSFETs anzusteuern. Bspw. IRF und Clare.
Abdul K. schrieb: >>> Und, warum nicht normale Optokoppler mit Basis-Anschluß am Ausgang als >>> Fotodioden mißbrauchen. Es bleibt aber die hohe Streuung des CTR. >> >> Wieviel µA kann man bei normale Optokopplern mit Basisanschluß erwarten? >> Kannst du einen empfehlen? > > Kann keinen empfehlen, da nie gemessen. Ausprobieren und hier posten! > Z.B. der verbreitete billige 6N136 hat auch einen Ausgang für seine > extra interne Fotodiode. Mal gemessen. Einige zig uA werden geliefert.
Mit ein paar roten LEDs als Fotodioden ist man übrigens bei Sonnenschein schnell bei mehreren Volt. Ganz erstaunlich. Leider ist der Innenwiderstand saugroß. Aber wenn man dann damit einen fetten Folienkondensator auflädt und den pulsartig über einen Schaltregler entlädt, ist das eventuell eine Lösung für sehr spezifische Anwendungen. Z.B. bringt die LED-Leiste eines alten s/w Fax-Gerätes durchaus 30V bei klarem Himmel.
Bitte melde dich an um einen Beitrag zu schreiben. Anmeldung ist kostenlos und dauert nur eine Minute.
Bestehender Account
Schon ein Account bei Google/GoogleMail? Keine Anmeldung erforderlich!
Mit Google-Account einloggen
Mit Google-Account einloggen
Noch kein Account? Hier anmelden.








