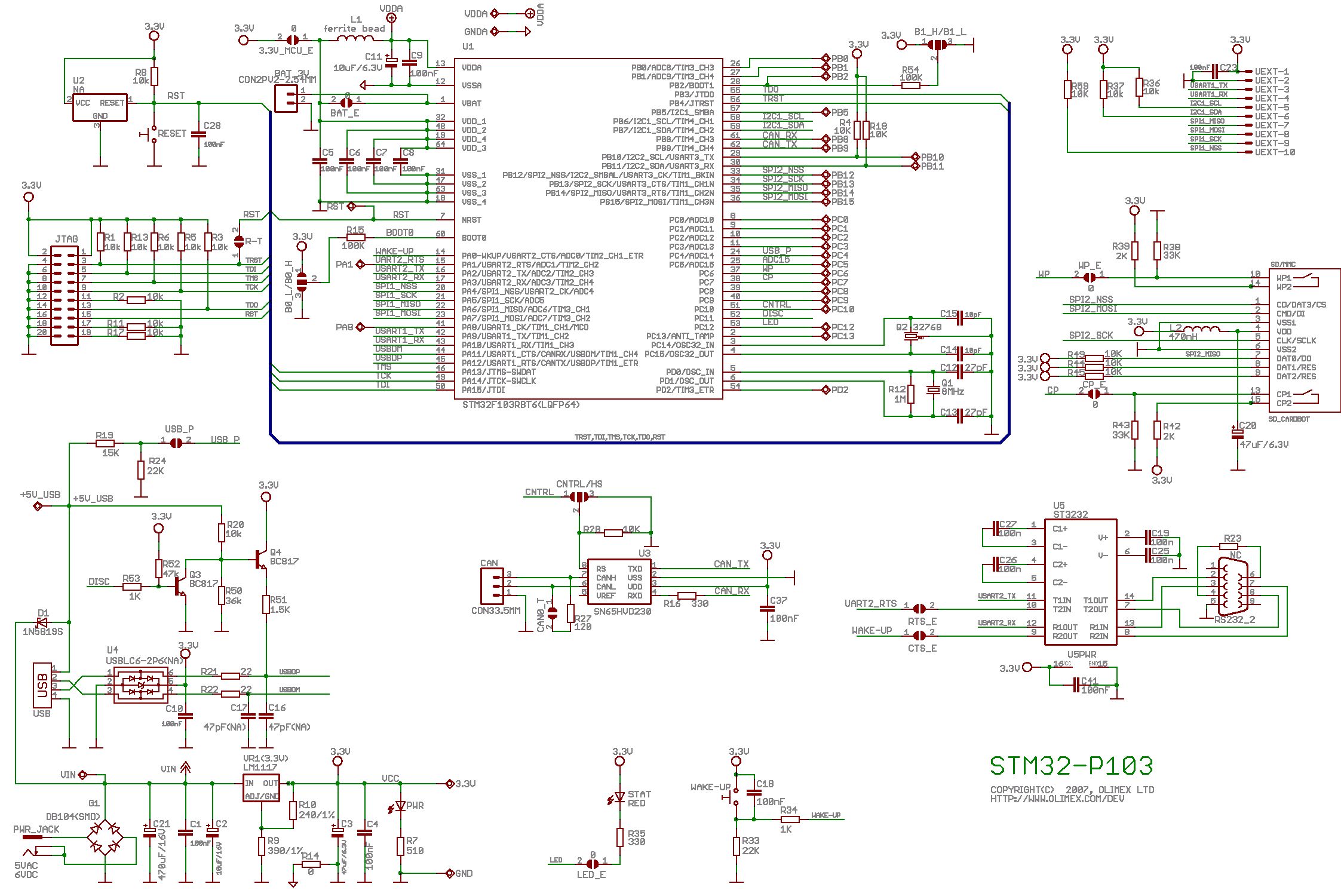
Hallo, ich möchte eine JTAG-Verbindung zu einem STM-32F (ARM Cortex-M3) via eines ULINK2 von Keil herstellen. Jetzt wird da von Keil so ein 20-poliger Pfostenstecker verwendet. Ich möchte auf meiner Platine jetzt aber nicht so viel Platz verschwenden und frage mich daher welche Pins ich tatsächlich benötige. Im Anhang habe ich mal die Beschaltung der JTAG-Schnittstelle von einem EVAL-Board von OLIMEX angehängt. Ich denke man braucht: TRST TDI TMS TCK TDO RST Was ist mit 3V3 und GND? Und wie sieht das mit den 3-Pins aus, welche über 10k nach GND verbunden sind? mfg Sebastian
Wenn Du SWJ_CFG[2:0] auf %001 setzt, kannst Du auch noch ohne /TRST auskommen.
Wie sieht das denn mit RST (Reset) aus. Braucht man den nicht nach dem flashen für einen Reset oder wird das über TRST abgehandelt?
Der Reset kann auch per Kommando über JTAG ausgelöst werden. Bei einigen JTAG Adaptern kann/muss man das dann auch dementsprechend einstellen. Ansonsten habe ich bisher auch die Pins wie sie Jürgen bereits aufgelistet hat verwendet, werde aber mal bei gelegenheit Arnes Tipp (Danke!) testen. Wenn es noch weniger Pins sein sollen, dann wäre noch SDW mit nur noch 2 Signalleitungen (SWDIO und SWDCLK) möglich. Theoretisch. Hat in der Praxis aber nie bei mir funktioniert (was wohl an meiner billig Lösung liegt). Und eines sollte man nicht vergessen: Sofern kein GND mehr zwischen 2 Leitungen im JTAG Kabel vorhanden ist, dann sollte man das Kabel möglichst kurz halten.
OK, danke für eure Antworten. Dann werde ich das auch so wie von Jürgen vorgeschlagen machen.
Den RST wegzulassen ist mutig. Würde ich nicht einsparen. Der STM32 ist hier zwar nicht so kritisch wie andere Controller, aber es ist immer gut wenn der JTAG-Adapter den Chip in einen definieriten Zustand holen kann.
Bitte melde dich an um einen Beitrag zu schreiben. Anmeldung ist kostenlos und dauert nur eine Minute.
Bestehender Account
Schon ein Account bei Google/GoogleMail? Keine Anmeldung erforderlich!
Mit Google-Account einloggen
Mit Google-Account einloggen
Noch kein Account? Hier anmelden.
