Hallo Gemeinde, bin auch Neueinsteiger, dieses Forum gefällt mir sehr gut, da muß ich doch gleich was loswerden :O) Versuche mich gerade mit der ATtiny13, habe allerdings gestern gleich mal 2 "verfust". Aus diesem Grund möchte ich mir das oben genannte Board zulegen. Explizit steht da allerdings die ATtiny13 nicht dabei, nur u.a. ATtiny12 und ATtiny15. Weiss jemand ob ich mit dem Board die ATtiny13 wieder beleben kann ? Gibt es andere Alternative ? Ich benutze Basecom AVR demo, habe über Druckerport einen einfachen Programmieradapter gebaut (http://s-huehn.de/elektronik/avr-prog/avr-prog.htm) und ein fertiges script zum testen compiliert und hochgeladen. Hat auch alles auf Anhieb funktioniert, auch mehrere Änderungen am script überlebt (Reaktivlicht zum Nacht-cachen) :O) Irgendwann las ich, das die fuse-bits angepasst werden sollen, und zwar wie folgt: Fusebit DCBA auf "1011:Int. RC Osc. 128 kHz; start-up time: 14 CK + 64 ms\ Fusebit E auf "1:Divide cock by 8, OFF\ So tat ich dann auch... nach "WRITE FS" erkannte BASECOM AVR meinen ATTiny13 nicht mehr. Auch Ponyprog half nix. Allerdings funktioniert die Schaltung nach wie vor perfekt, komme halt nicht mehr auf den tiny. Ich habe hier über das Thema bereits gelesen, allerding war das Problem meist, das der externe Oscilator geklickt wurde. Das Problem sei ja dann über einen ext. Osc. lösbar. Weiss jemand rat ? Geht nur noch HV ? Bedanke mich vorab Peter
Peter schrieb: > [...] > Int. RC Osc. 128 kHz; start-up time: 14 CK + 64 ms 128 kHz is ziemlich langsam! ;) Die ISP-Frequenz darf nur max. 1/4 davon betragen, dann sollte es auch ohne HV gehen... Volker
Vielen Dank, Volker, ich dachte schon ich hätte die falsche Frage gestellt :O) Habe gestern ein neues Parallelkabel gebaut und nochmal Schritt für Schritt die Einstellungen in BASECOM AVR vorgenommen. Ich kann inzwischen den ATTiny13 programmieren, auslesen etc, aber die fusebits rühre ich nicht an. Habe nur noch einen funktionalen tiny13, bis zur nächsten Bestellung sollte es heben :O) Allerdings habe ich bereits gestern festgestellt, das man recht schnell an die Grenzen des Speichers kommt, ich werde mir gleich en paar "größere" AVR´s zulegen. Was hält Ihr den nun von dem Board ? (ATMEL Evaluations-Board V2.0.1) Ich möchte einfch mal tiefer in die Materie einsteigen, kleine Projekte realisieren und vorwärts kommen :O) STK500 ist mit momentan zu teuer, wenn ich mal in Level2 vorgedrungen bin...vielleicht... bis dahin langt mein Bastelkabel...
Falls du das ATMEL Evaluations-Board von Pollin meinst: Ich hab' das auch. Es ist nicht schlecht, aber was es bietet, kann man auch locker selbst auf Lochraster aufbauen. Der Schaltplan ist die 0-8-15 Beschaltung für AVRs und du kannst ihn auch bei Pollin 'runterladen ... Der Vorteil am Fertiggerät ist natürlich ... das es schon fertig ist. Um einen verfusten Chip wiederzubeleben hilft es allerdings nicht viel ...
@Lochrasterfan Ja, den meinte ich. Kann man in BASECOM AVR demo dieses Board ansprechen ? Ich habe eine starke Abneigung gegen C+ (sprich: ich kanns net ) und würde gerne in basic programmieren, dieses demo Programm wurde recht häufig erwähnt, so hab ich dieses mal ausprobiert. Bis jetzt klappt auch alles ganz gut, bis auf 2 verfuste tiny13, aber deswegen werde ich jetzt nicht 80.- Euro investieren (STK500), um 2.- Elektroschrott zu beleben :O) Wie gesagt, ich stehe am Anfang, und ensprechend meiner bisherigen Zeit und Geld investitionen habe ich bereits mehr erreicht als gehofft :O) Ich bleibe am Ball.
Verfusete Chips kann man mit dem Board teilweise wiederbeleben. Zusätzlich habe ich einen Quartzoszillator mit 4 MHZ, welcher dann den verfusten taktet. Wenn Du den Reset-PIN zu einem IO-Pin gefuset hast, hilft das Board nicht mehr. Die Demo-Version von Bascom kann bis 2kB Code erzeugen. Als Programmer nutze ich den USB-AVR Prog von Ulrich Radig. Dieser kann auch das Pollin-Board über USB speisen. So spart man sich ein Netzteil... Der AtTiny13 lässt sich am 12/15er Sockel programmieren. Einzig die Taster und LEDs snid nicht direkt zugänglich, lassen sich aber per Brücken in einem anderen Sockel nutzen. Ich nutze den gern für temperaturgesteuerte Lüftersteuerungen. Auf 128kHz runter habe ich mich aber nicht getraut. Bei den 1,2 MHz muss man schon den USB-Progger auf langsam einstellen... Ich habe mir noch ein Textool-Sockel gegönnt, sodass die ICs leicht eingesetzt und entnommen werden können. Als Software nutze ich den khazama AVR-Programmer. Das Programm lädt vor jedem Programmiervorgang auf Wunsch automatisch das HEX-File neu. Einzig bei den Fuses funzen ab und zu die Kombiboxen nicht. Über die Checkboxen lassen sich aber alle Einstellungen vornehmen.
Peter schrieb: > Vielen Dank, Volker, ich dachte schon ich hätte die falsche Frage > gestellt :O) Nein, nein.. machmal rutscht so ein Thread nur schneller runter als einem lieb ist. ;) > Allerdings habe ich bereits gestern festgestellt, das man recht schnell > an die Grenzen des Speichers kommt, ich werde mir gleich en paar > "größere" AVR´s zulegen. Ich habe mir gleich zu Anfang einen Vorrat an Mega8, 8515 und 8535 angelegt.... > Was hält Ihr den nun von dem Board ? (ATMEL Evaluations-Board V2.0.1) > Ich möchte einfch mal tiefer in die Materie einsteigen, kleine Projekte > realisieren und vorwärts kommen :O) STK500 ist mit momentan zu teuer, Ich halte generell nicht so viel von Pollin. Da kauft man halt Restposten aber keinesfalls verlaessliche Entwicklungs-Tools. ;) Den Mehrpreis des STK500 halte ich durchaus fuer gerechtfertigt und gerade fuer Einsteiger ist es perfekt, da es so viel vereinfacht und man einfach schneller zu ersten Ergebnissen kommt. Abgesehen davon waechst das Bord mit Deinem Koennen und stellt auch spaeter noch ein anstaendiges, flexibles Entwicklungstool dar. Hier eine kleine Aufstellung meiner damaligen "Startausruestung": - STK500 + Netzteil - 2x USB-Seriell-Wandler - Steckboard (steht neben STK500) - Handvoll Pfostenstecker (2x5) + Flachbandkabel + Stiftleisten (1x10) - Ausreichend Mega8, 8515 und 8535 Die ersten Gehversuche dann nur mit dem Board (LEDs, Taster, Serielle Schnittstelle), spaeter mit den gebastelten Adaptern (Pfostenstecker -> Stiftleiste) die einzelnen Pins auf Steckbrett gelegt und dort auch grosse Schaltungen diskret aufgebaut. Relativ bald kam dann noch ein 4x20 Zeichen LC-Display in die hintere Ecke des Steckbretts, das ich jederzeit (wiederum uber o.g. Adapter) in Sekundenschnelle "anstoepseln" kann. Auch heute benutze ich das STK500 noch fuer die meisten Projekte. Den Kauf habe ich nie bereut. Volker
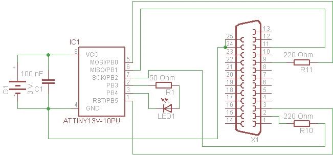
Habe gestern eine neue Bestellung zusammengestellt (Reichelt), u.a. auch ein paar ATmega8 mit dabei und ein Steckboard und ein stab. Netzteil mit 1500mAh und div. Spannungen. @peterfido Ich versuche dann mal so ein Tiny13 wieder zu beleben mit einem ext. Oszilator, schaumama wie wiet ich komme. Ich habe damals nur 2 fuse-bits verstellt: Fusebit DCBA auf "1011:Int. RC Osc. 128 kHz; start-up time: 14 CK + 64 ms\ und Fusebit E auf "1:Divide cock by 8, OFF\ Ich denke das es beim Int.128kHz abgeschmiert ist.Habe seit dem nochmal den fusebit E hin und hergestellt (bei einem neuen tiny13v), ohne Probleme. Bei DCBA traue ich mich nicht mehr :O) @Volkerschulz Sicherlich hast Du mit der STK500 recht, es ist bald Ostern, mein Brief an den Osterhasi ist noch nicht abgeschlossen :O) Ich denke auch das ich da früher oder später nicht herum komme. Meine nächsten "Projekte" sehen nicht spektakulär aus, ich möchte als erstes dann z.B. ein Lauflicht oder Knight-Rider-Licht mit der ATmega8 entwickeln (entwickeln heisst hier selber dahinterkommen, NICHT googeln). Als nächste habe ich noch ein paar Servos aus meiner Modellbaukiste noch rumfliegen, die sollen auch nicht verschont bleiben. Nachdem ich alles ausgiebig studiert habe kommt mein eigentlicher Wunsch: ein kleiner Roboter, der z.B. einen Lichtstrahl und später dann mit einem 2. Roboter per Funk kommuniziert... so... das wars schon... :O) Da ganze getippe hier führte mich zu einer neuen Frage: Kann ich eigentlich die ATmega8 auch über meinen selbstgebastelten Paralleport Stecker programmieren (siehe Bild)? Also so wie die ATtiny13 (MISO,MOSI,SCK,RST und natürlich +5V und GND) ansteuern ?
Peter schrieb: > [...] @Volkerschulz > > Sicherlich hast Du mit der STK500 recht, [...] > Ich denke auch das ich da früher oder später nicht herum komme. Dann sowieso kein Geld fuer das Pollin-Board rauswerfen. ;) > Meine nächsten "Projekte" sehen nicht spektakulär aus, ich möchte als > erstes dann z.B. ein Lauflicht oder Knight-Rider-Licht mit der ATmega8 > entwickeln (entwickeln heisst hier selber dahinterkommen, NICHT > googeln). Dann sei Dir das AVR-Tutorial auf dieser Seite an's Herz gelegt. Durcharbeiten und gleichzeitig ausprobieren... und lernen. > Als nächste habe ich noch ein paar Servos aus meiner > Modellbaukiste noch rumfliegen, die sollen auch nicht verschont bleiben. Hat man die erste LED per PWM gedimmt, sind Servos sowieso nicht mehr weit. ;) > Nachdem ich alles ausgiebig studiert habe kommt mein eigentlicher > Wunsch: ein kleiner Roboter, der z.B. einen Lichtstrahl und später dann > mit einem 2. Roboter per Funk kommuniziert... so... das wars schon... Man waechst mit seinen Projekten. Und hier im Forum hilft ja eigentlich immer jemand, wenn doch mal Fragen aufkommen. > Da ganze getippe hier führte mich zu einer neuen Frage: > > Kann ich eigentlich die ATmega8 auch über meinen selbstgebastelten > Paralleport Stecker programmieren (siehe Bild)? Also so wie die ATtiny13 > (MISO,MOSI,SCK,RST und natürlich +5V und GND) ansteuern ? Na klar. Nur noch schnell vorher im Datenblatt die Pin-Belegung checken... Volker
@volkerschulz Dein link zu dem tutorial war schon mal klasse, eine geballte Ladung an Infos, so wie ich es brauche... ich war so sehr mit wiki und google beschäftigt, das ich den ersten Link hier auf der Startseite gar nicht gesehen habe (AVR Tutorial) :O) Pin Belegung bzw. Datenblätter der einzelnen AVR´s habe ich bereits angeschaut, zumindest ATTiny13 und ATmega8, so kam dann auch die Frage, ob der "einfache Parallelprogrammierer" langt, den ich oben gepostet habe. Nach Deinem letzten "JA" werde ich wohl auf das "geechtete Pollin-Produkt" verzichten :O) Ich schätze Mitte nächster Woche kommt meine Bestellung, dann werde ich bis dahin mal die Tutorials wälzen und am Wochenende in die tiefe Praxis einsteigen. Vielen Dank für die bisherige Unterstützung... ich komme wieder :O)
In diesem Fall brauchst Du keinen externen Takt sondern nur einen extrem langsamen Programmiertakt.
@ Peter R. Wie sieht das denn in der Praxis aus ? Wie ich bereits erfahren habe liegt es wohl daran, das durch das ändern des fuse-bits des AVR Osc. von 9.6Mhz (standard) auf 128kHz der Osc. zu langsam schwingt, es sollte ja mindestens das 4 fache vom Programmer kommen... hab ich das richtig verstanden ? ... ja ... :O) Also könnte ich nun den Programmer (Frequenz) auf mindesten 1/4 runtersteuern, dann könnte ich eventuell meine ATtiny13 wieder "beleben". Meine Fragen wäre nun: 1.) Wo stelle ich diese "Programmierfrequenz" ein ? Ich benutze BASCOM AVR und den Parallelportprogrammierer wie bereits als Bild angefügt. In BASCOM selbst kann ich nur über OPTION=>COMMUNICATION die Baudrate des COM Ports einstellen, was mir ja nix bringt, da ich LPT benutze. Sollte ich mir nun doch lieber ein serielles Programmierkabel bauen ? Dann könnt ich in der Systemsteuerung von Windoof die Baudrate bis 300 runtersetzen... und es probieren... Liege ich richtig... oder voll daneben ? :O/
Als die Bitbanging-Programmer (Hardware und Software) entwickelt wurden, gab es diese langsamen Takteinstellungen einiger AVRs noch nicht. Du kannst also nicht davon ausgehen, dass dies unterstützt wird. Alle schimpfen über den hohen Preis des Original-Equipment von Atmel, aber kaum einer denkt daran, dass dies mit dem Stand der Technik "mitwächst" (Firmwareupdate). ...
@Hannes ... ich schimpfe doch gar nicht... der Preis mag ja durchaus gerechtfetrigt sein, aber 80.- Euro sind 80.- Euro. Mein Problem ist auch das mein "neuer" Laptop keine Schnittstellen mehr hat ausser USB, deshalb arbeite ich momentan mit meinem "alten" Toshiba, der hat seriell und parallel noch drauf, ist aber mit 450MHz/256MB RAM/ WIN MILLENIUM sehr langsaaaaaam. Bevor ich jetzt Hals über Kopf 80.- Euro in ein System investiere, das USB nicht unterstütz, und ich weiter auf meiner alten Gurke arbeiten muss, warte ich halt noch ein bißchen. Ein USB=>COM Wandler soll ja auch nicht gerade die perfekte Lösung sein ... habe ich gelesen ...
Peter schrieb: > @Hannes > > ... ich schimpfe doch gar nicht... Ich will Dich doch nicht beschimpfen. Doch langsam nervt es, wenn jedesmal, wenn man die Nachteile der Bitbanging-Programmer nennt, Leute auftauchen und erklären, wie gut das Zeug bei ihnen funktioniert. Klar, an einem alten Rechner mit den richtigen Schnittstellenschaltkreisen und mit kurzem Kabel mag das ohne Weiteres klappen. Aber es sind zu viele Störquellen (OS-Timimg, stromsparende Schnittstellen-ICs, ...), weshalb es eben nicht immer zuverlässig klappen muss. Bei mir lief es auch nicht, ich experimentierte daraufhin mit meinem Druckerport und bastelte mir anhand des Datenblattes des AT90S1200 mein eigenes System, erweiterte dies dann auf die damals erhältlichen AVRs und arbeitete lange recht zufrieden damit. http://www.hanneslux.de/avr/isp/isp.html Das ging gut, bis ich mir mal bei einem Sonderangebot das STK500 zulegte, auch mit langem Kabel, denn das ISP-Timing war moderat. Heute würde ich diesen Eigenbau aber niemandem mehr empfehlen. Für mich hatte der Eigenbau hauptsächlich den Nutzen, dass ich mich intensiv mit dem ISP beschäftigt hatte und mir dabei etwas Hintergrundwissen aneignen konnte, das viele der Copy&Paste-Nachbastler nicht haben. > der Preis mag ja durchaus > gerechtfetrigt sein, aber 80.- Euro sind 80.- Euro. Das ist der Preis für das Original-STK500. Es gibt aber auch die abgespeckte Version als handliches Gerät. Das ist der AVR-ISP MK II. Das Teil kostet im Laden nur um die 40 Euro, kann dafür aber kein HV und hat auch keine IC-Fassungen. Interessant ist auch der AVR-Dragon, der kann neben ISP auch HV und sogar per DW und JTAG debuggen, allerdings nur die kleineren debug-fähigen AVRs bis 32 KB Flash. Und von all dem Zeugs gibt es ganz brauchbare Nachbauten zu akzeptablen Preisen. Da wären Ullihome, Obdev, AVR-ASP z.B. als Suchbegriffe geeignet. Diesbezüglich kann und will ich aber keine Empfehlungen geben, denn ich besitze und benutze diese Dinger nicht, denn ich verwende STK500 und Dragon. > Mein Problem ist auch das mein "neuer" Laptop keine Schnittstellen mehr > hat ausser USB, Dann brauchst Du halt etwas USB-taugliches. Und wenn Dir das Original zu teuer ist, dann informiere Dich über die Nachbauten und bediene Dich dort. Bei Ullihome soll es recht preiswert sein. > deshalb arbeite ich momentan mit meinem "alten" Toshiba, > der hat seriell und parallel noch drauf, ist aber mit 450MHz/256MB RAM/ > WIN MILLENIUM sehr langsaaaaaam. Bis vor Kurzem arbeitete ich noch mit einem 233er MMX undter WIN98SE. > Bevor ich jetzt Hals über Kopf 80.- Euro in ein System investiere, das > USB nicht unterstütz, Irrtum, das STK500 nutzt die RS232 als echte RS232 (also kein Bitbanging) und ist daher mit jedem billigen USB-Seriell-Wandler benutzbar, sofern sich die COM-Nummer auf den vom AVR-Studio unterstützten Bereich einstellen lässt. > und ich weiter auf meiner alten Gurke arbeiten > muss, warte ich halt noch ein bißchen. Ein USB=>COM Wandler soll ja auch > nicht gerade die perfekte Lösung sein ... habe ich gelesen ... Da hast Du was Falsches gelesen. Für das STK500 ist das ok. Nur Bitbanging-Programmer (die vom AVR-Studio sowiso nicht unterstützt werden) brauchen gute echte Schnittstellen und ein sauber getimtes OS. ...
Hannes Lux schrieb: >> Bevor ich jetzt Hals über Kopf 80.- Euro in ein System investiere, das >> USB nicht unterstütz, > > Irrtum, das STK500 nutzt die RS232 als echte RS232 (also kein > Bitbanging) und ist daher mit jedem billigen USB-Seriell-Wandler > benutzbar, sofern sich die COM-Nummer auf den vom AVR-Studio > unterstützten Bereich einstellen lässt. > >> und ich weiter auf meiner alten Gurke arbeiten >> muss, warte ich halt noch ein bißchen. Ein USB=>COM Wandler soll ja auch >> nicht gerade die perfekte Lösung sein ... habe ich gelesen ... > > Da hast Du was Falsches gelesen. Für das STK500 ist das ok. Nur > Bitbanging-Programmer (die vom AVR-Studio sowiso nicht unterstützt > werden) brauchen gute echte Schnittstellen und ein sauber getimtes OS. Kann ich nur bestaetigen, das STK500 funktioniert auch bei mir mit jedem billigen Wandler! Volker P.S.: Wenn Du Student bist (oder einen kennst), schau mal hier: http://www.eproo-student.de/index.php?page_id=16 STK500 fuer knapp 40 EUR
@Hannes ... habe mich ja auch nicht beschimpft gefühlt :O) Bis vor ca. 1 Minute habe ich das Wort "Bitbanging-Programmer" noch nicht mal gehört, geschweige denn zu wissen was es heissen soll. So viel zu meinem Wissensstand :O) Danke für die Info mit der STK500/ USB-COM Wandler ! Ich denke das ich mir das Original zulegen werde, volkerschulz hat mir da einen guten Tipp geschrieben, ich bin zwar kein Student, aber ich finde schon noch einen... :O) ... und bei 40.- Euro habe ich sogar den Segen meiner Frau sicher... ;O) AVR Studio benutze ich nicht, da geht nur Assembler... das ist zu hart für mich (momentan). Ich habe mit BASCOM AVR angefangen, basic ist vielleicht eher was für den Anfang. Leider ist das AVR Tutorial komplett mit Assembler codes versehen, da werde ich ne weile nagen müssen... @volkerschulz Danke, das mit dem Wandler und der Studentenversion... was soll ich denn da noch überlegen
Je nachdem wie Fit Du in PC-Programmierung bist, kannst du auch ein eigenes Programm schreiben, welches die Fuses neu setzt. Der Ablauf der Kommunikation steht im Datenblatt.
> AVR Studio benutze ich nicht, da geht nur Assembler... Naja, man kann auch den GCC einbinden, dann geht auch C. Hab' ich aber nicht, ich bevorzuge ASM. > das ist zu hart > für mich (momentan). Ich habe mit BASCOM AVR angefangen, basic ist > vielleicht eher was für den Anfang. Dies ist ein Trugschluss. Ich kenne einige Basic-Dialekte auf 8-Bit-Rechnern und PC und ich kenne auch Bascom. Für AVRs ist Bascom nicht mein Ding, da es zu ineffizient ist. Ich habe meist kleine Dinge auf kleinen AVRs, mit Bascom müsste ich dafür immer größere AVRs einsetzen und Vieles ließe sich aufgrund des Timings gar nicht realisieren. > Leider ist das AVR Tutorial komplett > mit Assembler codes versehen, da werde ich ne weile nagen müssen... Nein, es gibt auch ein C-Tutorial, einen Link drunter. ...
Peter R. schrieb: > Je nachdem wie Fit Du in PC-Programmierung bist, kannst du auch ein > eigenes Programm schreiben, welches die Fuses neu setzt. Der Ablauf der > Kommunikation steht im Datenblatt. Ich arbeite mit BASCOM AVR, weil ich mich eben NICHT mit Assembler oder C++ auskenne. Mir fehlt (noch :O) ja teilweise die Grundverständniss, um überhaupt meine Probleme in Worte zu fassen... ... um so mehr Respekt habe ich vor den Leuten, die das auch noch verstehen, was ich hier so schreibe :O)
Peter schrieb: > Ich arbeite mit BASCOM AVR, weil ich mich eben NICHT mit Assembler oder > C++ auskenne. Mir fehlt (noch :O) ja teilweise die Grundverständniss, um > überhaupt meine Probleme in Worte zu fassen... > > ... um so mehr Respekt habe ich vor den Leuten, die das auch noch > verstehen, was ich hier so schreibe :O) Hehe.. Aber das AVR-Tutorial dieser Seite ist (meines Erachtens) auch fuer Leute geeignet, die mit Null-Assember-Vorkenntnis an die Sache gehen. Volker
Hannes Lux schrieb: >> AVR Studio benutze ich nicht, da geht nur Assembler... > > Naja, man kann auch den GCC einbinden, dann geht auch C. Hab' ich aber > nicht, ich bevorzuge ASM. Ich werde mich auch an ASM wagen, soll ja nicht verkehrt sein fürs Verständniss, ich arbeite den Tutorial mal ab > >> das ist zu hart >> für mich (momentan). Ich habe mit BASCOM AVR angefangen, basic ist >> vielleicht eher was für den Anfang. > > Dies ist ein Trugschluss. Ich kenne einige Basic-Dialekte auf > 8-Bit-Rechnern und PC und ich kenne auch Bascom. Für AVRs ist Bascom > nicht mein Ding, da es zu ineffizient ist. Ich habe meist kleine Dinge > auf kleinen AVRs, mit Bascom müsste ich dafür immer größere AVRs > einsetzen und Vieles ließe sich aufgrund des Timings gar nicht > realisieren. Effizienz/Timing spiel für mich noch keine Rolle, für mich steht erstmal die Funktionalität an erster Stelle. (LED´s zum Leuchten bringen etc.) Nichts anspruchsvolles, ich will erstmal die basic´s begreifen. Ich habe mir bereits mehrere Scripte angeschaut, am verständlichsten war bis jetzt basic, c++ ist ja auch nicht so schlimm, ASM ...oje...oje > >> Leider ist das AVR Tutorial komplett >> mit Assembler codes versehen, da werde ich ne weile nagen müssen... > > Nein, es gibt auch ein C-Tutorial, einen Link drunter. Ich weiss,ist für mich aber genauso Neuland :O) Ich werde beide durcharbeiten, ich habs ja net eilig
Volker Schulz schrieb: > Hehe.. Aber das AVR-Tutorial dieser Seite ist (meines Erachtens) auch > fuer Leute geeignet, die mit Null-Assember-Vorkenntnis an die Sache > gehen. > > Volker Das Du da mal nicht daneben liegst ;O) Ne, mal ernst: das Tutorial ist gut aufgebaut, ich habe es bereits 1x komplett überflogen, sowohl ASM als auch C. Ich habe da schon ein par Sachen begriffen, ganz so doof wie ich hier schreibe, bin ich ja auch nicht :O) Dezimal/Binärsystem,Umwandlung,KV-Tabellen,Flip-Flops,Multiplexing etc. ist jetzt nicht ganz Neuland, aber so gut wie: und zum Mitdisskutieren mit den "Crackis" hier langts noch lange nicht :O) Aber ich höre gerne zu... und ich lerne... zwar langsam, aber es bleibt schon was hängen
Wollte nur mal bescheid geben, das dieses Board hier einfach genial ist ! Habe einiges aufgeschnappt und bin rege am basteln... ... Und komme sogar vorwärts :O) Eine Registrierung ist es mir alle male wert... ein fettes Lob an mikrocontroller.net ! Peter (ex-Gast)
Peter Hess schrieb: > Wollte nur mal bescheid geben, das dieses Board hier einfach genial ist > ! Habe einiges aufgeschnappt und bin rege am basteln... Welches Board jetzt?!? ;) Volker
Moin Volker, noch keins, meine Studentin hat ausstudiert, bin noch am Suchen... Benutze momentan immer noch mein gebasteltes Parallelkabel, für die Attiny13 / ATmega8 und mein Einsatzgebiet ist es noch genug. U.a. habe ich ein Steckboard von Reichelt, da baue ich momentan auf und ab :O) Das System ist wirklich gut, ich komme schnell und gut voran. Auch bascom ist nach wie vor im Einsatz, habe aber bereits das hier beworbene 0.- Euro c++ Buch bestellt... lässt sich ein wenig Zeit... Hatte bisher nur einen Rückschlag erlitten, hat mich aber dafür ne ganze Nacht gekostet: pullup... intern eingeschaltet und die ganze zeit versucht mit vcc anzutasten... naja... jetzt sitzt es wenigsten :O) Servos habe ich auch bereits erfolgreich gepulst... komme meinem roboter immer näher :O)
... zu früh gefreut... bekomme definitiv keine richtige Ansteuerung für meine Servos hin :O( und das seit 2 Nächten... Habe sämtliche scripte, die jemals für attiny13 und bascom geschrieben wurden getestet... servo läuft in eine Richtung "hüpfend" bis zum Anschlag und zuckelt dann vor sich hin... Habe den bascom internen SERVO Befehl getestet (http://www.rn-wissen.de/index.php/Servo) ... auch nix. pulseout...(http://forum.allaboutcircuits.com/showthread.php?t=8308)auch nix... meine eigenen Ergüsse erspare ich Euch. Ich möchte eigentlich nichts weiter, als einen Servo in eine bestimmte Stellung bringen oder hin und her steuern... nur so. (oder mal einen Bagger bauen... was auch immer) Ich habe eine einfache Testschaltung aufgebaut, attiny13 mit +5V und GND (100nF zwischen drinn), Servo Pulse auf PIN 5 (PB0), Servo +/- natülich auch angeschlossen. Ach ja, mein Servo ist von Modelcraft, S-15 (Conrad)... uralt... keine Infos weit und breit... Verzweiflung macht sich breit :O(
Update: es läuft :O) Waren nur die falschen Parameter an denen ich rumgeschraubt habe. Kann jetzt entlich einen (mehrere) Servo hin und her steuern... schöööön...
Bitte melde dich an um einen Beitrag zu schreiben. Anmeldung ist kostenlos und dauert nur eine Minute.
Bestehender Account
Schon ein Account bei Google/GoogleMail? Keine Anmeldung erforderlich!
Mit Google-Account einloggen
Mit Google-Account einloggen
Noch kein Account? Hier anmelden.
