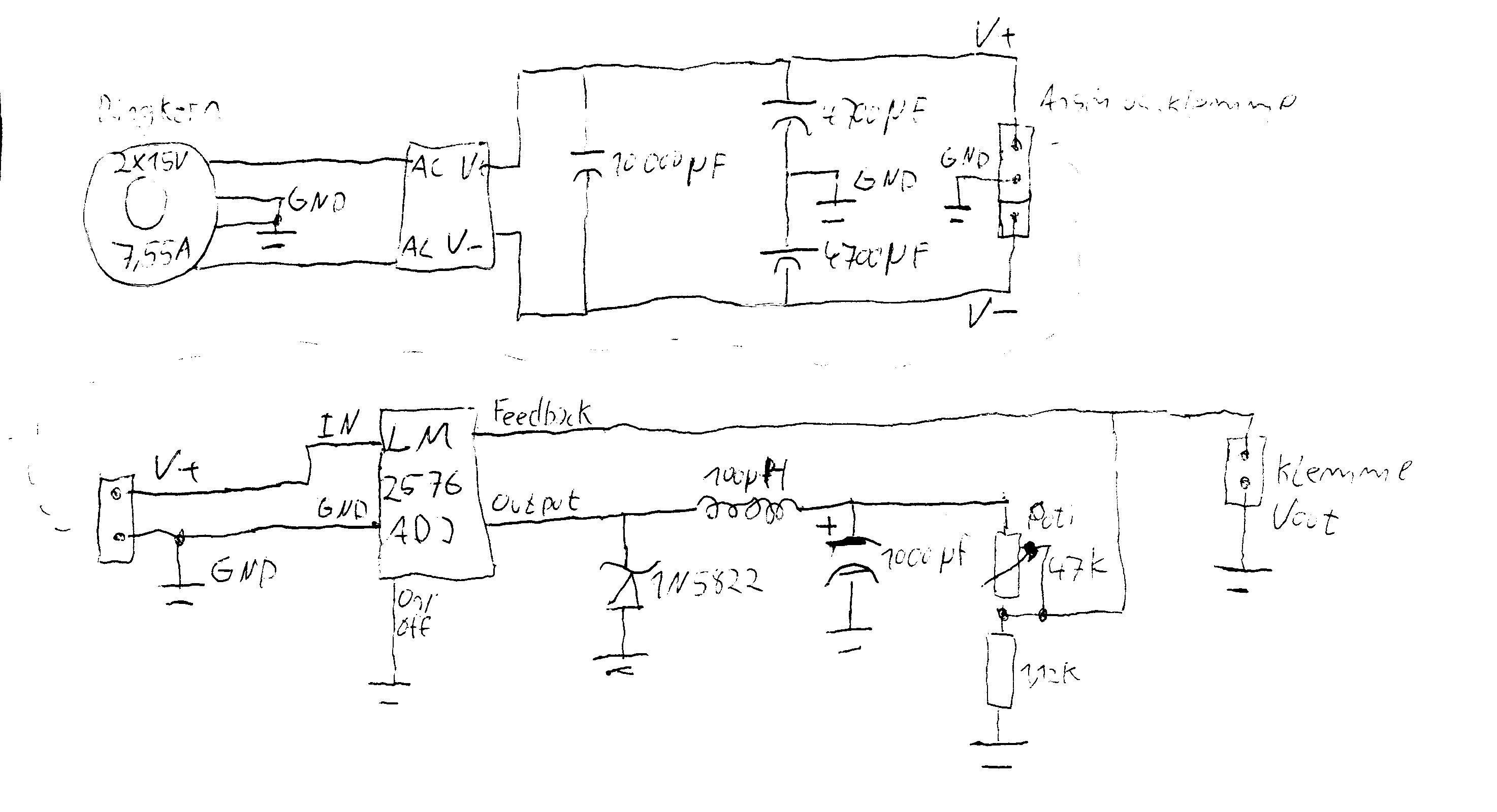
Hi Ich versuche gerade mir ein eigenes Schaltnetzteil mit dem Step Down Converter Lm2576 ( http://www.national.com/ds.cgi/LM/LM2576.pdf ) zu bauen. Klappt auf meiner selbstgeätzten Platine soweit auch ganz gut. Heißt die Spannungen kann ich korrekt einstellen und bei niedriger Stromentnahme (Lüfter mit 0.13 A) ist auch nichts zu höhren. Als ich aber zu Testzwecken mal eine Halogenbirnchen (12V 20W )angeschlossen habe fängt (ich glaube es ist die 100uH Drosselspule) die Schaltung an Geräusche zu machen. Das ganze fängt bei ca. 0.7A an und wird dann immer lauter. Das Geräusch ist schlecht zu beschreiben, hört sich in etwa so an als ob Wasser durch ein zu enges Rohr strömt.Sind auf jeden Fall nicht die 52khz Schaltfrequenz. Ich kann mal eine Aufnahme machen falls das weiterhilft. Und der Trafo fängt auch an zu brummen. Irgendwas fängt also an zu schwingen ich weiß nur nicht woran das liegt. Als Induktivität hab ich eine Standart Drosselspule von Reichelt genommen, vielleicht ist die nicht geeignet. Die Kondensatoren sind auch Standart Elkos von Reichelt. Ich weiß echt nicht woran das liegt sind doch nur ein paar Bauteile, oder ist das Schaltungsdesign so Kritisch. Sind aber schon große Masseflächen und breite kurze Leiterbahnen. Im Anhang hab ich mal meine Schaltung die ein bisschen vom Datenblatt abweicht. Die Eingangselkos sind um einges größer weil ich später noch andere Sachen (Schrittmotor) mit dem Ringkern betreiben will. Und eine Negative Spannung soll auch noch später erzeugt werden deshalb der Mittenabgriff am Trafo. Vielleicht hat ja einer ne Idee wo der Fehler ist.
Hi Drosselspulen sind denkbar ungeeignet als Speicherdrosseln in Schaltreglern. Grund -> Drosselspulen sollen HF-Energie vernichten. Speicherdrosseln sollen Energie speichern und wieder abgeben. Matthias
Wo bekommt man denn passende Speicherspulen her. Im Datenblatt stehen eingige Hersteller(L1 100 µH, Pulse Eng. PE-92108), aber die werden wohl kaum solche geringen Mengen versenden. Bei Reichelt bin ich auch nicht fündig geworden. Oder muss ich die Spule selber wickeln? Wenn ja welcher Kernmatrial ist geeignet, bei Reichelt steht etwas von Referenzpermeabilität und ein Farbcode ist angegeben (rot-grün, gelb-weiß ....). Ich kenn mich mit dem anlogen Zeug leider nicht so gut aus. Sind doch nur 5 Bauteile mit IC das muss doch irgendwie zu machen sein, hat denn keiner schon mal einen Step-Down Converter mit dem lm 2576 aufgebaut. Das gefiepe nervt mit der Zeit und wegwerfen möchte ich die schöne Platine nicht. Im Anhang hab ich das Geräusch mal aufgenommen, die Aufnahme ist nicht so toll müsste aber reichen.
Hallo für den Pulse oder Renco 100µH würde ich Dir die PCV-2-104-10 von Coilcraft empfehlen. Du kannst da auch ein Muster bestellen. http://www.coilcraft.com/pcv2.cfm#table Schaue Dir mal das Layout von ON-Semi an. So sollte es sein. www.onsemi.co.jp/pub/Collateral/LM2576-D.PDF Gruss Steffen
Hi die Eisenpulver-Ringkerne von Reichelt wären zumindest mal einen Versuch wert. ISt halt Selberwickeln angesagt. Matthias
Hi danke für die Links und Tipps Habe mir jetzt mal die Samples bestellt,werde es aber auch nochmal mit den Eisenpulver(Amidon) Ringkernen und selberwickeln versuchen. Ich hab das Datenblatt nochmal gründlicher studiert und das Platinenlayout scheint doch kritisch zu sein(Elkos und Widerstände). Also das ganze wird jetzt nochmal neu geroutet mit 2- seitiger Platine und durchgehender Massefläche und den Rückkopplungswiderständen und Kondensatoren näher am LM2575.Hoffe das hilft dann endlich. Grüsse Toto
Habe auch vor mir eine Schaltung mit dem lm2575-5 zu bauen. Doch ich habe da noch ein paar Fragen: - Wie sieht es denn mit der Wärmeentwicklung bei Belastung von 0,7A - 1A aus (Uein=12V). Braucht man unbedingt einen Kühlkörper? Ich brauche eine Schaltung, die 5V und ca. 1A leistet und kaum Wärme erzeugt (ohne Kühlkörper wäre schön). - Was für eine Spule kann ich für den Chip benutzen? Habe eine Spule bei Reichelt gefunden (siehe Anhang). Wäre die dafür zu gebrauchen? Und wenn nicht, was gibts für Alternativen, die leicht zu beschaffen sind? Danke schon mal für eure Antworten... Gruß PatrickHH
@PatrickHH Welche Spule: lies dir nochmal die Beiträge weiter oben durch. Dort findest du die Antwort auf deine Spule. Wärmenetwicklung & Kühlkkörper: zum Einarbeite in die Grundlagen http://www.sprut.de/electronic/switch/schalt.html Ob der LM2575 gekühlt werden muss kannst du anhand der Fromel im Datenblatt-Anhang S.17 ausrechnen, schöne Übung.
spule vergiessen mit harz.....oder ne menge klebstoff dran
Wie die Spule bezeichnet wird ist doch eigentlich egal, oder etwa nicht? Die unterscheiden sich halt in der Induktivität, der Strombelastbarkeit und kommen unterschiedlich schnell in die Sättigung. Ich bin nämlich im Moment selbst auf der Suche nach einer Spule für ein SNT und werde wohl die Eisenpulver Ringkerne mit µ=75 nehmen. Amidon sagt, daß Ferrite leicht in die Sättigung gehen...
Hi Das Projekt lag kurz auf Eis bis die Samples von Renco gekommen sind. Platine neu geroutet alles zusammengelötet und..... der gleiche Fehler wieder Geräusche. Lange Rede kurzer Sinn nach einigem Messen Fehler gefunden. Es lag am Eingangselko aus meiner "Grabbelkiste" der defekt war. Neuer Standardelko und Ruhe war. Ob es jetzt auch mit der Reichelt Drosselspule klappt kann ich nicht sagen hatte keine Lust nochmal das Löten anzufangen. Als Speicherelko habe ich auch Low ESR Becherelkos (alles Reichelt) eingesetzt, wird aber warscheinlich auch mit den standard Spulen und Elkos funktionieren. Ich hab zwar einen Kühlkörper montiert, der wird aber bis ca 1A nicht merklich Warm. Erst am Limit ist eine deutliche Erwärmung spürbar. Bei einer zweiseitigen Platine kannst du ja zu Sicherheit die Kupferfläche als Kühlung nutzen. Ansonsten funktioniert das Ding seit 2 Wochen einwandfrei. Noch eine Warnung, Vorsicht bei den Abständen zwischen den Pins. Die sind ziemlich klein, also die Pads nicht zu groß machen.Hat einen bösen Kurzschluss mit richtig schönem Lichbogen gegeben und der LM war hinüber.Beim Messen war aber noch kein Kurzschluss vorhanden. Kann auch am Lötfett zwischen den Pins gelegen haben das ich noch nicht entfernt hatte weil ich mal wieder zu ungeduldig war.Oder die hohe Schaltfrequenz begünstig die Bildung eines Lichtbogens so genau kenn ich mich da nicht aus. Also viel Erfolg. mfG Toto
Noch ein kleiner Nachtrag. Die Samples sind natürlich von Coilcraft nicht Renco aus dem Link von Steffen. Und die Eingangsspannung beträgt ca 40V, also bei 12 V wird 1A wird wohl kein Kühlkörper nötig sein.
>Wie die Spule bezeichnet wird ist doch eigentlich egal, oder etwa nicht? Die unterscheiden sich halt in der Induktivität, der Strombelastbarkeit und kommen unterschiedlich schnell in die Sättigung. ...ja wenns so einfach wäre dass Induktivität gleich Induktivität ist dann könnte vielleicht auch ich eines Tages diese Dinger verstehen. Es gibt da leider noch so unangenehme Sachen wie Frequenzabhängigkeit der Induktivität/Kernmaterials, Windungskapazitäten, Dämpfungsverluste... es hat schon seinen Grund warum Hersteller ihren Spulen all die schönen Beinamen geben. Ich hab mal eine kleine Testreihe mit einer Kollektion von Spulen gemacht. Alle geleiche (nahezu) Nenn-Induktivität jedoch unterschiedliche Bauformen (Stab,Ringkern,Topf) und Materialien (z.T. undefiniert aus der Krabbelkiste) in verreinfachter Flyback Schaltung. Gemessen wurde die übertragene Leistung in abhängigkeit von f und t-on. Das Ergeniss war erschreckend: Leistungsübertragung variierte bis zu Faktor 5, die jeweiligen Leistungsübertragungsmaxima lagen zwischen 10kHz und 480kHz und die zugehörigen Dutycyle zwischen 20%-78% (alles ohne Sättigunsbegerenzung) >Amidon sagt, daß Ferrite leicht in die Sättigung gehen... dazu wüsste ich gern auch etwas genaueres (ausser der schwammigen Aussage von Amidon dass Ferritringkerne bis 50W geeignet sind, bei welcher grösse???) Gibt es Formeln die bei gegebener Ringkerngrösse/Material die übertragrbare Leistung angeben? Zumindest für Ferrit-77 u. Eisenpulver-18/-26, oder zumindest Erfahrungswerte?
Danke für die Antworten, dann werde ich im neuen Jahr mal eine Bestellung machen und mein Layout schon mal auf den LM2575 anpassen. Als Spule werde ich mal die von Reichelt ausprobieren. Sonst muß ich wohl eine selber wickeln. Gruß PatrickHH
Gibt bei reichelt und ELV auch prima fertig gewickelte geeignete Ringspulen. jörn
@Jörn Meinst du die stromkompensierten Ringkerndrosseln? Ich dachte, die sind eher ungeeignet für Schaltregler. Thorsten
Tja, ich habe auch die Seite von Amidon studiert und nichts genaues gefunden! Bei Reichelt gab's unter all den Ringkernen bis auf einen einzigen (T 80-26) kein spezifisches Datenblatt. Und für's 18er Material habe ich nichts gefunden. Ich nehme jetzt mal einfach das 26er Material und probier's aus. Außerdem stimmen bei Reichelt die Angaben über die Al Werte nicht (beim 18er und 26er). Zum Beispiel wäre es nett, zu wissen, welchen Fluß man in der Spule überhaupt hat und was das Material aushält!
>wäre es nett, zu wissen, welchen Fluß man in der Spule...
Zur Berechnung der spulenrelevanten Parameter habe ich mir obiges
Spreadsheet gebastelt.
Aber wie gesagt ohne die Materialspezifischen Parameter wie
Maximalfluss, Verluste etc kommt man halt nicht weit...
>Al Werte Spulen messe ich mir mit einem einfachen LC Schwingkreis aus. (die Schaltung hab ich irgendwo aus dem Netz???) Bei bekanntem C1 und unbekannten L1 messe ich die LC-Schwingkreisfrequenz. Daraus ergibt sich dann L1. C1 wird variiert um den Al(f)-verlauf im Frequenzbereich 10kHz bis 200kHz zu bekommen (der LM311 Komerator ist nicht besonders schnell) Misst man die Schwingkreisamplitude so hat man (im Vergleich zu anderen) schon einen ersten Eindruck von der Güte der Spule.
Hallo, ich hab mal unter http://schmidt-walter.fbe.fh-darmstadt.de/smps/smps.html was zum Thema SNT gefunden. Dort heißt es, dass ein Luftspalt in der Speicherdrossel essentiell wäre und dass in diesem primär die Energie in der Drossel gespeichert würde. Reicht es dann nicht, einen Ringkern vom Reichelt mit einer guten Säge so zu bearbeiten, dass ein klar definierter Luftspalt entsteht (Sind die Pulver-Kerne gesintert oder riselt das Pulver dann heraus?? ;-)) Die Frage bleibt aber: Wie kann man die Kerndaten bestimmen? Kann man von den Werten beim Reichelt ausgehen? Die Grüßen kann man ja messen. Den Luftspalt entsprechend auch. Damit ist auch die eff. Kernlänge gegeben, oder (Umfang des Mittelkreises - Spaltbreite)? Die Frage bleibt der mag. Leitwert. Kann dieser vom reichelt genommen und ggf. mit einer Korrektur (Spalt!!) verrechnet werden? MfG Christian
Ist wohl schon 2 Jahre zu spät, aber mir ist aufgefallen, dass die Spannung Vout an der Feedbackleitung abgegriffen wird, was so nicht gehen kann.
> Reicht es dann nicht, einen Ringkern vom Reichelt mit einer > guten Säge so zu bearbeiten, dass ein klar definierter Luftspalt > entsteht Brauchst Du nicht. Die (entsprechenden) Ringkerne haben einen sogenannten "verteilten Luftspalt". D.h. der Luftspalt ergibt sich durch die einzeln isolierten Sintermaterialen des Ringkerns.
Jetzt muss ich auch mal meine Erfahrungen mit dem LM2576HV-ADJ beitragen, vielleicht hilfts ja irgendwem (wer abkürzen will, kann sich auch gleich auf die Ergebnisse stürzen): Problembeschreibung 1: Benötigt habe ich zwei Schaltungen, welche jeweils von 48V auf 12V bzw. 5V regeln. Die 5 Schiene wird dabei maximal mit ca. 1 Ampere belastet (Display), und die 12V Schiene mit max. 3 Ampere (Autoradio). Das Layout war zunächst hinsichtlich einfacher Leitungsführung optimiert, da ich keine Ätzmöglichkeiten hab und deshalb mit der Hand verdrahte. Jedenfalls gings nicht. Beide Schaltungen... Ich kenne nur das Verhalten der 12V Schiene in dieser Entwicklungsphase, weil ich einfach zuerst versuchte diese in Betrieb zu nehmen. Leider kann ich hier nicht mit einem Oszillogramm dienen, aber komischerweise regelte der LM2576 den Spulenstrom zwischen 0,3 und 4 Ampere, indem er ca. 7-8 Takte (d.h. 52kHz/8 = 6,5kHz entspr. 15ms) praktisch einen Duty-Cicle von Null fuhr, und anschließend meist 4 Takte (= 7,5ms) voll durchsteuerte. Dies führte zu der großen Stromamplitude. Ich hab das Layout zweimal geändert, und auch die Kondensatoren zweimal ausgetauscht, indem ich immer mehr kleinere Kondensatoren draufsetzte und auch Low-ESR Kondensatoren beim zweiten Mal einsetzte. Nichts - das Verhalten blieb. Wir dachten schon, die Logik bzw. die Sensorik vom LM2576 wäre defekt, als ich die Freilaufdiode noch ausgetauscht habe. Und siehe da - einwandfreies Betriebsverhalten. Der Wirkungsgrad stieg von 50% auf 86%. Der Duty-Cicle beträgt jetzt konstant ca. 25% und der Spulenstrom läuft zwischen 2 und 3 Ampere hin und her. Ergebnis 1: Obwohl ich eine Leistungs-Schottky-Diode BY251 verwendete, welche bis 3 Ampere ausgelegt ist, war diese offensichtlich nicht ausreichend. Der Austausch gegen eine MBR20100CT, mit insgesamt 20 Ampere Stromtragzahl hats dann gebracht. Wo genau der Grund liegt muss mir ein Leistungselektroniker sagen. Problembeschreibung 2: Dann kam das 5V Netzteil dran. Hier hatte ich auch schon die gleichen Low-ESR Kondensatoren, gutes Layout und die fette Diode. Aber eine andere Induktivität. Wenn man Spannung und Strom (mit einem zusätzlichen Shunt in Serie) an der Spule maß, sah man die Pulse des LM2576, aber keinen Stromanstieg ( :-? galt hier die Physik nicht mehr?? ). Die Pulse waren immer zweifach. Zuerst ein kurzer Impuls ohne resultierenden Spulenstrom, dann ein etwas längerer, mit einem immensen Stromanstieg auf ca. 15-20 Ampere am Ende des Spannungspulses. Dass dieser Stromspike am Ende und nur sehr kurz auftrat erkläre ich mir mit dem Überstromschutz des LM2576, der dann halt wieder abschaltet. Nun zur (vermutlichen) Lösung: Ergebnis 2: Die Spule des 12V Reglers ist ein 220uH Speicherdrossel der Firma Würth mit 3 Ampere Belastbarkeit und der Typennummer 744136. Sie ist für Schaltwandler bis 200kHz gedacht und hinsichtlich ihrer Betriebsgrößen von mir anhand des Datenblattes des LM2576 ausgewählt. Die anfängliche Drossel des 5V-Wandlers war die B82721 von Siemens mit 2x400uH, eine Entstördrossel bis 3,6 Ampere. Auch diese anhand des LM2576-Datenblattes ausgewählt und mit ca. ein 8tel der Baugröße der anderen Drossel, was mir schon komisch vor kam. Wie Kupfer Michi weiter oben schon anmerkte, sind diese Dinger nicht zur Energiespeicherung gedacht, sondern zur Netzglättung. D.h. sie sollen hochfrequente Impulse vernichten, also solche wie den Takt des LM2576, was das Ding dann auch zuverlässig gemacht hat! Aber das wußte ich zu dem Zeitpunkt noch nicht, bzw. hab nicht darauf geachtet. Das oben beschriebene Stromverhalten erkläre ich mir aktuell durch die Sättigung der Spule, bei welcher ja dann die Induktivität stark abnimmt und halt der Strom einfach frei durchpfeift. Der Austausch gegen die Würth-Speicherdrossel (die halt jetzt nicht optimal dimensioniert ist) brachte auch diesen Fehler zum verstummen. Also: Achtet auf die Grenzfrequenzen! Für Kommentare bin ich jederzeit offen. LG Micha
Bitte melde dich an um einen Beitrag zu schreiben. Anmeldung ist kostenlos und dauert nur eine Minute.
Bestehender Account
Schon ein Account bei Google/GoogleMail? Keine Anmeldung erforderlich!
Mit Google-Account einloggen
Mit Google-Account einloggen
Noch kein Account? Hier anmelden.


