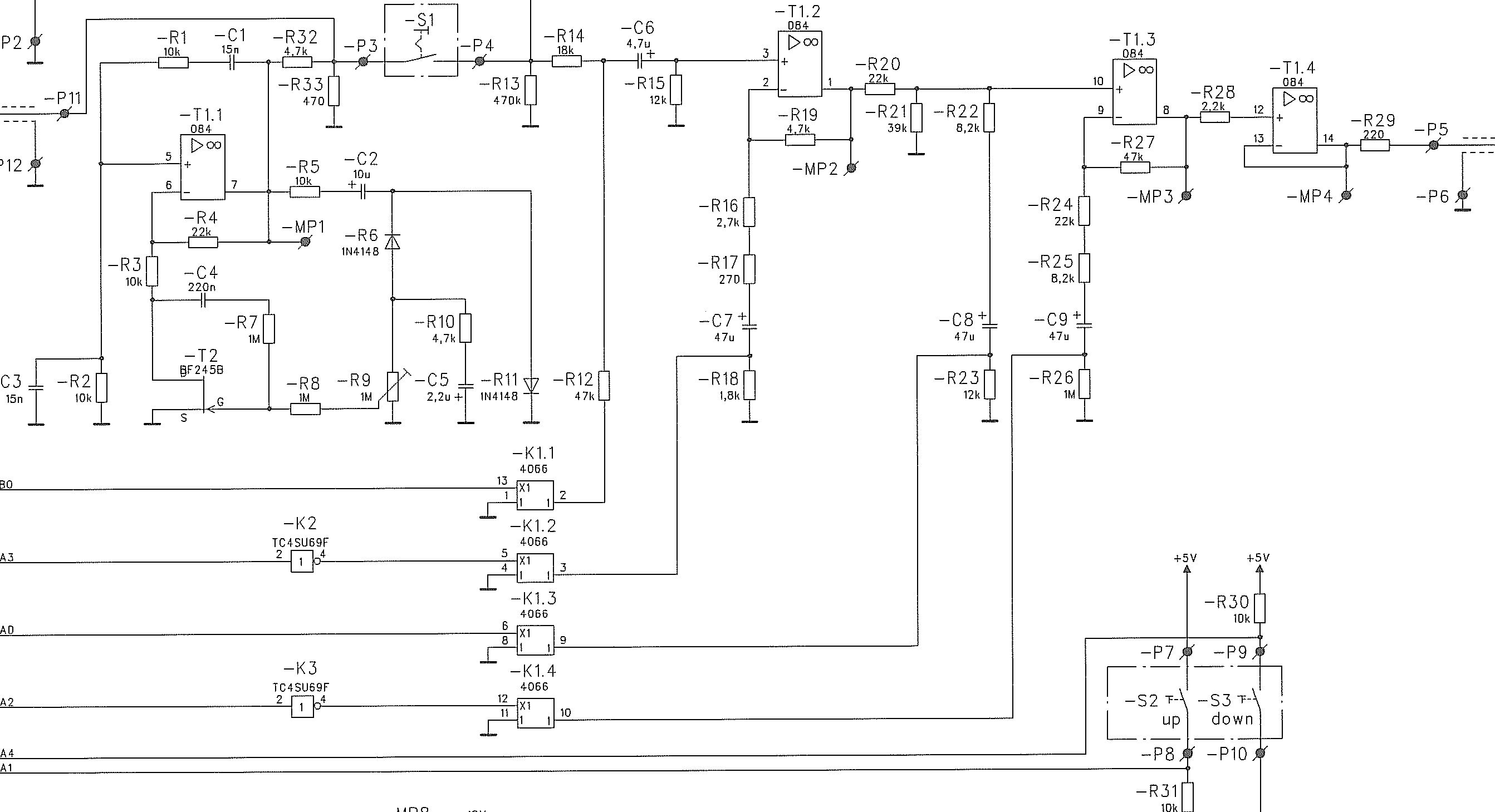
Hallo, könnte mir einer erklären für was die Kondensatoren C7-C8-C9 in der Schaltung sind? Danke Gruß
C7 und C9 lassen die beiden Verstärker nur Wechselspannung verstärken, C8 bin ich mir nicht so sicher
Hallo, warum sind das Elkos? Filtert C6 nicht schon die Gleichspannung raus? Bzw für was ist C6? Danke
Martin schrieb: > C7 und C9 lassen die beiden Verstärker nur Wechselspannung verstärken, > C8 bin ich mir nicht so sicher C8 ebenfalls für genu diese Funktion (AC-Verstärkung). Kx.3 ist da lediglich für die Verstärkungs-Umschaltung.
Halllo, ja ist eine IHK-Prüfung. Aber ich möchte die Schaltung trotzdem verstehen. So ganz klar ist mir das mit dem Kondensator noch nicht. Für was ist der R21? Wäre für eine Erklärung dankbar. Gruß
meiner meinung nach c7 und c9: 1. lassen nur wechselspannungsverstärkung zu 2. besitzen eine untere grenzfrequenz, d.h., sie können auch als bass-abschwächer fungieren 3. bei einer einfachen spannungsversorgung des OpAmps (nur +Ub und Masse) blocken sie die Gleichspannung (i.d.R. 1/2 Ub) ab c8: R20, C8 bilden über R22 einen Tiefpass (hohe Frequenzen werden maximal auf den Wert von R22 plus R18 abgeschwächt, wobei R18 über den CMOS-schalter 4066 überbrückt werden kann) R20/R21: spannungsteiler, schwächen den signalpegel ab
Hallo, danke schonmal für die Erklärung. Der OPV wird mit +/- 12v betrieben. Warum werden aber Elkos für Wechselspannung genutzt?
dritz schrieb: > Warum werden aber Elkos für Wechselspannung genutzt? es gibt zwei gründe: 1. der elko ist bereits vorgespannt, z.B. mit +6V. jetzt kann er spannungen von 0 bis +6V verarbeiten. 2. aus unwissenheit. in der praxis können elkos meistens auch kleine "falsch-rum"-spannungen verkraften. bipolare elkos wären aber besser oder auch antiseriell geschaltete elkos. dann kann jeder elko eine halbwelle übernehmen.
Die Verwendung von Elkos im Signalweg bei solchen Schaltungen ist völlig normal. In der Regel will man damit die Verstärkung der Offsetspannungen verhindern. Nicht unbedingt, weil die den Signalhub einschränken würden, sondern weil diese an Potis Kratzgeräusche beim Drehen verursachen würden und an Schaltern Knackstörungen zur Folge hätten. Da in der gezeigten Schaltung eifrig die Verstärkung umgeschaltet wird, würden auch hier beim Umschalten Knackstörungen enstehen. Durch die Kondensatoren C7, C8 und C9, sind R18, R23 und R26 weitgehend gleichstromlos. Allerdings sind S1 und K1.1 nicht vor Knackstörungen sicher, da man dort die Elkos wohl vergessen hat. Kai Klaas
Hallo, und weshalb gerade Elkos und nicht andere Typen. Die Kondensatoren sind ja mit 47µF auch relativ groß, oder?
>und weshalb gerade Elkos und nicht andere Typen. > >Die Kondensatoren sind ja mit 47µF auch relativ groß, oder? Die sind nicht groß, sondern durchaus üblich. Du willst ja auch tiefe Frequenzen übertragen. Zeitkonstanten von RC >= 0,1 sind ganz normal. Eventuell muß das Signal ja auch durch eine ganze Reihe von solchen Hochpässen. Man erreicht damit außerdem, daß die am Kondensator abfallende Wechselspannung so klein wird, daß die erlaubte Sperrspannung von rund 2V auch für große Signale und niedrige Frequenzen nicht überschritten wird. Auch die Verzerrungen des Elkos bei niedrigen Frequenzen verringern sich dadurch auf erträgliche Werte. Das ist gängige Praxis beispielsweise in Studiomischpulten. Kai Klaas
Bitte melde dich an um einen Beitrag zu schreiben. Anmeldung ist kostenlos und dauert nur eine Minute.
Bestehender Account
Schon ein Account bei Google/GoogleMail? Keine Anmeldung erforderlich!
Mit Google-Account einloggen
Mit Google-Account einloggen
Noch kein Account? Hier anmelden.
