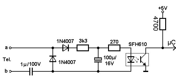
Hallo, ich möchte mit einem AVR erkennen, wenn jemand mich anruft. Ich habe hierzu folgende Peripherie gefunden: http://www.roboternetz.de/phpBB2/files/ruferkennung.gif Das Prinzip der Schaltung verstehe ich, jedoch nicht die Dimensionierung der Bauteile. 1. Der Tiefpass hinter dem Gleichrichter hat eine Grenzfrequenz von ca. 0,5 Hz - warum? Die Rufspannung beträgt 25 Hz. 2. Der Entkopplungskondensator hat 1 uF - wie wird der denn berechnet? Ich weiß, der ist wahrscheinlich ziemlich unkritisch aber ich würde es trotzdem gerne wissen. 3. Wozu dient der 270 Ohm-Widerstand? Als Vorwiderstand für den Optokoppler kann doch eigentlich schon der 3,3 kOhm Widerstand herhalten. ....ich habe nochmal darüber nachgedacht - die LED im Optokoppler würde den Kondensator kurzschließen und unwirksam machen - richtig? Vielen Dank im Voraus für eure Hilfe
http://www.elektronik-kompendium.de/forum/upload/20060604203037.jpg Die Schaltung verstehe ich noch viel weniger: Bei 60 V Rufspannung, also 85 V hinter dem Gleichrichter müsste der Optokoppler doch sofort abrauchen (Maximale Sperrspannung von LEDs sind doch nur so etwa 5 V)!?
Der erste Link funktioniert nicht! Die zweite Schaltung reagiert nur auf den Schleifenstrom. Die Klingelspannung kommt ja gar nicht an, da die Klemmen B und X nicht mit der Schaltung verbunden sind. Gruß, Peter
Peter Bünger schrieb: > Der erste Link funktioniert nicht! Oh, sorry. Ich habe das Bild mal an diesen Beitrag angehängt.
Peter Bünger schrieb: > Die zweite Schaltung reagiert nur auf den Schleifenstrom. Die > Klingelspannung kommt ja gar nicht an, da die Klemmen B und X nicht mit > der Schaltung verbunden sind. Ah ok. D.h. die zweite Schaltung kommt für mich gar nicht in Frage, weil ich nicht am Telefon selbst herumbasteln will.
1. Funktioniert wie ein Siebelko im Netzteil, die pulsierende Gleichspannung soll geglättet werden. Die 3k3 würde ich eher als Strombegrenzung sehen, wenn der Elko noch ganz leer ist. Die nötige Kapazität hängt vom Strom ab, den der Verbraucher (hier: LED) braucht. 2. Als kapazititver Vorwiderstand |Xc| = 1/(2*pi*25Hz*1µF). Dieser Widerstand sollte grob gesagt bei der niedrigsten Rufspannung den gewünschten LED-Strom fließen lassen können. (Den 270R-Vorwiderstand vernachlässigt.) 3. Ja, Du hast Recht, dann würde sich der Elko nicht aufladen können, folglich die Glättung nicht funktionieren und am Optokoppler käme ein Wechselsignal mit der Frequenz der Klingelspannung raus.
Daniel schrieb: > Die nötige Kapazität hängt vom Strom ab, den der Verbraucher (hier: LED) > braucht. Und von der Welligkeit, die man zulassen will. Es gibt eine Faustregel, hab ich aber vergessen. Ich glaube auch nicht, dass das für diese Schaltung jemand berechnet hat. Höchstens überschlagen.
Danke für deine Antwort! Im Nachhinein fällt mir dann jetzt auch auf, dass die Idee mit dem Tiefpass vollkommener Unsinn war, schließlich handelt es sich hinter dem Gleichrichter um eine pulsierende Gleichspannung :-)
Bitte melde dich an um einen Beitrag zu schreiben. Anmeldung ist kostenlos und dauert nur eine Minute.
Bestehender Account
Schon ein Account bei Google/GoogleMail? Keine Anmeldung erforderlich!
Mit Google-Account einloggen
Mit Google-Account einloggen
Noch kein Account? Hier anmelden.
