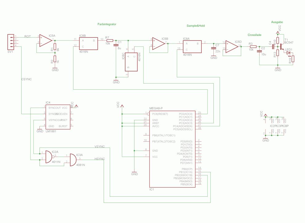
Hallo Forum, Vor weg: Ich bin bestenfalls ein Hobbywurschtler, also bitte korrigiert mich an jeder Ecke! :) Wie schon viele andere versuche ich mich an einem selbstgebauten Ambilight (eine Technologie von Philips, die die durchschnittliche Farbe des aktuellen Bildes bzw. Bildsektors mit LEDs nach hinten an die Wand abstrahlt, zu sehen z.B. bei YouTube oder direkt bei Philips). Die einzige funktionierende, vollständig dokumentierte Eigenbauversion, die ich bisher gefunden habe, filmt mit einer Webcam einen zweiten Fernseher ab und verarbeitet das Kamerasignal mit einem Mikroprozessor. Das ist aber für meinen Geschmack viel zu unelegant und zu teuer. :) Ich möchte meine Schaltung direkt ans Scartkabel hängen und die Farbsignale RGB sowie die Synchronisation auswerten. Letzteres erlaubt es mir, das Bild in mehrere Bereiche zu unterteilen und für jeden Bereich eine eigene Farbwiedergabe zu realisieren. In der angehängten Grafik ist der Einfachheit halber nur ein Farbkanal und ein Bildbereich implementiert. Die Idee: Das Farbsignal wird zunächst verstärkt und dann in einem Tiefpass integriert. Zu welchem Zeitpunkt, also über welchen Bildbereich integriert wird, bestimmt der von einem Mikrocontroller gesteuerte Schalter IC8B. Der Tiefpass ist so dimensioniert (tau=80ms), dass selbst nach den vollen 40ms eines PAL-Bildes die Integration noch näherungsweise linear erfolgt. Am Ende jedes Bildes schließt IC8A kurz und erlaubt so die Speicherung des integrierten Signals per Sample&Hold. Danach wird der Farbintegrator über IC8C wieder gelöscht. Der zweite Tiefpass soll für sanfte Übergänge bei abrupten Farbwechseln sorgen. Ein Tau von 100ms ergibt hier eine maximale Fade-Zeit von etwa einer halben Sekunde. Falls das bis hier alles Sinn machen sollte, bleibt meine große Sorge das "Ausgabe"-Glied. Ich möchte am Ende eine 3W-PowerLED treiben, deren Helligkeit (also Strom?) linear mit der Spannung über C2 zunimmt und bei maximaler Signalspannung gerade ihr Maximum erreicht. Ist dazu so eine Verstärkerstufe, wie ich sie eingezeichnet habe, sinnvoll, und wie müsste ich die drei Widerstände und den Kondensator dimensionieren? Andere Überlegung: Ich brauche eine spannungsgesteuerte Stromquelle, also einen Transkonduktanzverstärker. Da solche OTAs wohl nicht die ca. 1A für die LED treiben können, muss ein npn dahinter. Wie müsste dann konkret die Schaltung aussehen? Vielen Dank für alle Anregungen, Gruß, Eric
Wenn du eine Spannung hast (beispielsweise 0V für aus und 1V für 100%) dann solltest du die LED mit einem OpAmp wie TS912 (und einen Transistor wie BD135 zur Verstärkung des Stroms) betreiben: LED V --|+\ +---|<|--- +5V | >-|< NPN +--|-/ |E +--------+--3 Ohm-- GND (3 Ohm für 330mA bei 1V) ICH würde das V einfach durch RC Mittelwertbildung aus dem R(GB) Signal des Scartkabels bilden, dein Aufwand erscheint mir zu hoch.
Hallo, daß das so nur geht, wenn die Geräte auch RGB ausgeben, weißt Du aber? SAT-Receiver. DVD-Player usw. können das üblicherweise. Ein TV gibt aber z.B. nur FBAS an seinen Scartbuchsen aus. Gruß aus Berlin Michael
MaWin schrieb: > Wenn du eine Spannung hast (beispielsweise 0V für aus und 1V für 100%) > dann solltest du die LED mit einem OpAmp wie TS912 (und einen Transistor > wie BD135 zur Verstärkung des Stroms) betreiben: > > LED > V --|+\ +---|<|--- +5V > | >-|< NPN > +--|-/ |E > +--------+--3 Ohm-- GND (3 Ohm für 330mA bei 1V) > > ICH würde das V einfach durch RC Mittelwertbildung aus dem R(GB) Signal > des Scartkabels bilden, dein Aufwand erscheint mir zu hoch. D.h. für 1A also 1Ohm? Das sieht ja einfach aus! :) Danke schön, werd ich doch mal ausprobieren! RC-Mittelwertbildung ist genau das, was ich vorhabe, nur eben in einem definierten Bildbereich, damit ich das ganze separat für den oberen, linken und rechten Bildrand machen kann. Michael U. schrieb: > daß das so nur geht, wenn die Geräte auch RGB ausgeben, weißt Du aber? > > SAT-Receiver. DVD-Player usw. können das üblicherweise. Ja, das ist klar, ist für meinen DVD-Player bzw. für den DVB-T-Receiver gedacht. Bei beiden gehe ich von RGB-Signalen aus. Michael U. schrieb: > Ein TV gibt aber z.B. nur FBAS an seinen Scartbuchsen aus. Gibt es Fernseher mit Scart-AUSgang? :) Gruß, Eric
MaWin, ich habe deinen Vorschlag gerade mal in Qucs simuliert, da kommt aber nur Murks raus. Liegt vielleicht auch am Programm, das möchte ich nicht ausschließen. Sehe ich das richtig, dass der invertierende Eingang des OPs an den Emitter des npn kommt?
Ja. Die Schaltung funktioniert millionenfach. Aber natürlich gibt es einige Randbedingungen: Wenn der OpAmp mit 0V und 5V versorgt wird, muss es ein single supply OpAmp sein, dessen Eingangsbereich Masse einschliesst, ein uA741/TL071 geht z.B. nicht, ein LM358/ TS912 schon. Wenn der OpAmp nicht stabil ist, muss die Regelung durch ein RC Netzwerk verlangsamt werden, als C 10nF und R 10k geht meistens, eigentlich sollte man aber die Regelung auf möglichst schnelle überschwingerfreie Reaktion auslegen. Das wäre nötig bei zu schnellen OpAmps und zu grossen Transistoren. LED V --|+\ +---|<|--- +5V | >--+--|< NPN +--|-/ C |E +--------+-R-+--3 Ohm-- GND (3 Ohm für 330mA bei 1V) Wenn die LED nicht aus nur einem Chip in Reihe besteht, braucht die Schaltung mehr als 5V, die 5V reichen knapp für eine weisse bzw. blaue LED. Kommt man mit einer zu hohen Eingsngsspannung V, dann bekommt die LED zu viel Strom (geht kaputt), wird der Shunt '3 Ohm' überlastet (raucht ab), und vielleicht wird der Transistor zu heiss. Also nicht mehr Spannung an den Eingang anlegen, als die Teile aushalten. Wenn man nicht 330mA sondern 1A fliessen lässt, muss die Stromverstärkung des Transistors ausreichen, um den Strom, den der OpAmp liefern kannn (meist 20mA) auf dieses 1A zu verstärken. Der BD135 sollte das schaffen, ein 2N3773 wohl nicht mehr, bei so gering verstärkenden Transistoren und noch mehr Strom bräuchte man einen Darlington. Es gibt also Möglichkeiten, warum die Schaltung nicht funktioniert, aber millionnefach tut sie es in der oben gezeigten Form.
Ein Hinweis noch am Rande: Das Helligkeitsempfinden des Auges ist nicht linear. Ein Tastverhältnis von 50% (1:1) bei einer PWM bedeutet zwar für eine LED genau die Hälfte der Leistung, dies bedeutet aber nicht, dass man den Eindruck hätte die LED wäre nur halb so hell wie bei einem Tastverhältnis von 100%. Der Empfindlichkeitsverlauf ist zum einen eher logarithmisch und zum anderen verschiebt sich die Farbempfindlichkeit des Auges mit dem Menge des insgesamt einfallenden Lichts. Am Tage, bei Sonnenschein, haben wir eher eine höhere Rot-Empfindlichkeit, während sich dies bei dunkler Umgebung in eine höhere Blau-Empfindlichkeit verschiebt. Deshalb empfinden auch viele die Xenon-Lampen an PKWs des Nachts als so grell, da sie halt einen höheren Blau-Anteil haben als die (noch) üblichen Halogen-Lampen.
@TE die gezeigte Schaltung von MAWIN funktioniert bei korrekter Auslegung der Bauteile sicher! Google doch mal nach "Stromsenke mit OP" z.b. ; Da werden Sie geholfen
Hallo, Eric Woltermann schrieb: > Gibt es Fernseher mit Scart-AUSgang? :) Ja, deiehtnlich aiie TVs geben das empfangene Signal auch aus um z.B. einen Videorecorder anschließen zu können. Wird ja auch gern genutzt, um per Scart-Out/Cinch-Adapter den Ton auf die Anlage zu bekommen. Mein aktueller LG-LCD gibt auf Scart1 nur Analog-Tuner und auf Scart2 das Signal von Analog-Tuner, DTB-C/T Tuner oder Scart1 aus. Scart1 soll auch RGB und Component ausgeben können, RGB wäre das Signal vom VGA-In. Was allerdings wirklich wann rauskommt habe ich nicht getestet. ;) Aus Scart2 kommt auf jeden Fall Ton von allen Tunern und von Scart1 raus. Gruß aus Berlin Michael
scart ist, soweit ich weiß bidirektional. Heißt: ich habe hier einen Scart --> Video + Cinch -Adapter, bei dem man zwischen input und output umschalten kann. Welche Pins des Kabels am Gerät belegt sind, ist natürlich verschieden.
Also, vielen Dank an alle, insbesondere an MaWin, ich werd das jetzt am Wochenende direkt ausprobieren! Gruß, Eric
Mir sind gerade noch zwei Fragen in den Sinn gekommen. 1) MaWin schrieb: > Wenn die LED nicht aus nur einem Chip in Reihe besteht, > braucht die Schaltung mehr als 5V, die 5V reichen knapp > für eine weisse bzw. blaue LED. Wie groß ist denn U_CE in diesem Fall? Ich kann im Datenblatt des BD135 keine Kennlinien dazu finden. Ich gehe mal davon aus, dass über der LED je nach Stromfluss die entsprechende Spannung nach Datenblatt und über dem Emitterwiderstand die Signalspannung V abfällt. U_CE wäre dann der Rest (U_b - U_LED - V). 2) MaWin schrieb: > Wenn der OpAmp mit 0V und 5V versorgt wird, muss es ein > single supply OpAmp sein, dessen Eingangsbereich Masse > einschliesst, ein uA741/TL071 geht z.B. nicht, ein LM358/ > TS912 schon. Ich würde gerne einen LM324 einsetzen. Wenn ich "input common mode voltage range" richtig interpretiere, akzeptiert der Masse am Eingang, richtig? Danke, Gruß, Eric
Bitte melde dich an um einen Beitrag zu schreiben. Anmeldung ist kostenlos und dauert nur eine Minute.
Bestehender Account
Schon ein Account bei Google/GoogleMail? Keine Anmeldung erforderlich!
Mit Google-Account einloggen
Mit Google-Account einloggen
Noch kein Account? Hier anmelden.
