Hallo zusammen, ich hab im Netz eine einfache Schaltung für ein "Licht-Monitor" gefunden. Die Schaltung sieht zu einfach aus, als dass sie gut funktionieren kann. Wozu ich die brauche: ich baue ein LED-Stroboskop und will die Lichtblitze messen. Die Lichtblitze haben ein Länge von 1ms bis 1µs. Licht ist genug vorhanden da die Sensor-Led direkt von einer Power-Led beleuchten wird. Grüße Leo
Die Schaltung arbeitet mit digitalen ICs.
Das ist zwar billig, aber nicht besonders genau.
Ausserdem liefert sie Pulse, und nicht die Intensität.
Zum Messen müsstest du noch integrieren.
Ich hoffe, du hast keine "Sensor-Led" sondern eine
Photodiode.
Die wirklichen Messchaltungen für Lichtimpulse arbeiten
mit Photodioden, Operationsverstärkern, Transimpedanzwandlern
und Mittelwertbildner.
Selbst wenn man von Universitäten im Internet solche Aussagen
findet wie:
"Because the pulses typically last a few thousandths of a
second and are faster than the response time of the fastest
electronic devices, it was extremely difficult to measure them."
sind deine Zeiten noch problemlos. Es geht eher um Impulse
im Nanosekunden, Pikosekunden oder Femtosekundenbereich (man
ist derweil wohl bei Attosekunden).
+----R---+
| |
GND --|<|--+--|-\ |
| >--+--R--+-- Mittelwert der Lichtmenge
GND ----|+/ |
C
|
GND
Man braucht aber schon einn schnellen Operationsverstärker,
so was wie THS4011 auf passendem Layout
Moin, mir geht es nicht um die Intensität. Ich will nur die tatsächliche Blitzzeit und den Blitzzeitpunkt möglichst genau messen. Ich nehme natürlich eine Photodiode. Grüße Leo
@ Leonardo W. (krangel) >Wozu ich die brauche: ich baue ein LED-Stroboskop und will die >Lichtblitze messen. Die Lichtblitze haben ein Länge von 1ms bis 1µs. 1us ist schon recht flott. Da braucht es einen schnellen OPV, welcher dann als Transimpedanzverstärker arbeitet. Siehe [[Lichtsensor / Helligkeitssensor]]. >Licht ist genug vorhanden da die Sensor-Led direkt von einer Power-Led >beleuchten wird. Abstand? Wenn wirklich genug Licht da ist, könnte der gute, alte LM358 mit 1 MHz reichen. Wenn nicht, brauchst du was mit 5..10 MHz. MfG Falk
Eine PD mit kleiner Fläche nehmen, die sind schneller. Die PD nicht gegen GND schalten, sondern mit Vcc vorspannen verringert die Diodenkapazität und macht die PD schneller. Ein Blick ins Datenblatt zeigt, wieviel Sperrspannung die PD abkann. Das R-C am Ausgang natürlich nicht, wenn die Pulse auf einem Oszi dargestellt werden sollen.
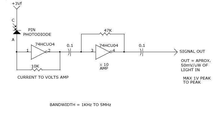
Hi, Falk Brunner schrieb: >>Licht ist genug vorhanden da die Sensor-Led direkt von einer Power-Led >>beleuchten wird. > > Abstand? Die Photodiode soll direkt neben den Led im Lichtstrom liegen. > Wenn wirklich genug Licht da ist, könnte der gute, alte LM358 mit 1 MHz > reichen. Wenn nicht, brauchst du was mit 5..10 MHz. Der LM358 scheint mir zu langsam. Da ich kein High Speed Opamp in meiner Bastelkiste habe, wäre die Schaltung mit dem 74HC04, wenn sie denn funktioniert, mein Favorit. >wenn dein Empfänger direkt vor der LED sitzt würde ich einfach einen >TORX173 o.ä. nehmen. >Jürgen Das ist im Prinzip eine gute Idee, aber LWL Receiver haben leider ein fest eingebautes Rotfilter für 700nm. Ich will auch das Nachleuchten der weißen LEDs messen. Grüße Leo
Leonardo W. schrieb: > wäre die > Schaltung mit dem 74HC04, wenn sie denn funktioniert, mein Favorit. Beachte: im Schaltbild ist ein HCU04 und kein HC04. Das 'U' ist für diese Anwendung wichtig! Es gehen auch die CD4049UB. Wieder nur mit 'U'. Im folgenden Link siehst du den Unterschied, auf Seite 2. http://focus.ti.com/lit/ds/symlink/cd4049ub.pdf
@ Leonardo W. (krangel) >Die Photodiode soll direkt neben den Led im Lichtstrom liegen. Hmm. >Der LM358 scheint mir zu langsam. Mir nicht. Ich hab vor Kurzem einen TIA mit AD??? gebaut, ein Low Power OPV mit 1 MHz. Der empfängt SAUBER 2µs Pulse bei 27K Rückkoppelwiderstand. >Da ich kein High Speed Opamp in meiner Bastelkiste habe, wäre die >Schaltung mit dem 74HC04, wenn sie denn funktioniert, mein Favorit. Hör auf mit dem Bastelmurks! Nimm einen brauchbaren OPV!!! MfG Falk
> mir geht es nicht um die Intensität. Ich will nur die tatsächliche > Blitzzeit und den Blitzzeitpunkt möglichst genau messen. Wenn dich die Intensität nicht interessiert, ist die Schaltung tatsächlich möglich... > Da ich kein High Speed Opamp in meiner Bastelkiste habe, wäre die > Schaltung mit dem 74HC04, wenn sie denn funktioniert, mein Favorit. ....aber nicht mit einem 74HC04. Hast du überhaupt gelesen, was die Originalschaltung verwendete ?
Hallo Leonardo Das Messen der Blitzzeit ist relativ einfach und preisgünstig (ca. 1 Euro). Genauere Angaben findest du unter: http://www.focus-stacking.ch/html/blitzzeit.html bei Fragen wendest du dich an mich: info@farben-und-formen.ch Gut Licht Kurt
Bitte melde dich an um einen Beitrag zu schreiben. Anmeldung ist kostenlos und dauert nur eine Minute.
Bestehender Account
Schon ein Account bei Google/GoogleMail? Keine Anmeldung erforderlich!
Mit Google-Account einloggen
Mit Google-Account einloggen
Noch kein Account? Hier anmelden.
