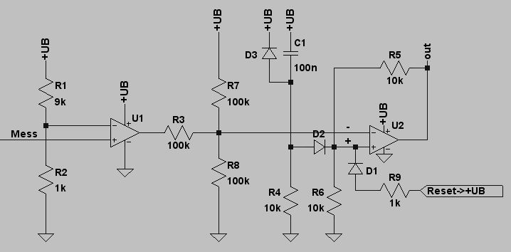
Hi, ich bin gerade dabei eine Schaltung mittels OPs aufzubauen, habe dabei jedoch ein kleines Problem. Schaltung ist im Anhang. Ich möchte eine gemessene Spannung mit einem festen Wert (1V) vergleichen. Wenn die gemessene Spannung höher als die Vergleichsspannung ist, soll der Ausgang von 5V nach 0V wechseln und in diesem Zustand bleiben. Der erste OP muss also als Komperator geschaltet werden, der zweite als Inverter mit "Selbsthaltung" in dem beschriebenen Zustand. Rücksetzung soll nur durch Unterbrechen der Versorgungsspannung passieren. Eventuell kann mir jemand einen Tipp zur richtigen Beschaltung geben. Danke. mfg Paul
Stichwort: Mitgekoppelter OPV oder Schmitt-Trigger Musst einfach den Ausgang des zweiten auf den +Eingang des zweiten zurücklegen.
Hi, R4, C1, D2 und D3 sind für den Reset nach Power on zuständig. Die Zeitkonstante muss länger sein als die des Netzteils. GN8 Leo
Mahlzeit, die D1 verhindert, dass beim Abfallen des Messsignals unter die Ref.Spannung der Schmittrigger zurueckgesetzt wird. Mann kann auch die Rueckkopplung des Schmittriggers unsymmetrisch machen. Gruesse Leo
@krangel: Kannst du mal die .asc Datei hochladen? Wie groß ist R3? m.M.n. kann man D1 einfach weglassen.
Hi Leonardo, danke für deine Hilfe. Ich hab die Schaltung aufgebaut und eigentlich funktioniert sie auch. Ich habe allerdings noch ein Problem. Im Prinzip geht es um folgendes: An einem Schaltnetzteil hängen 2 Lasten. 1x ein uC und 1x ein anderer, externer Verbraucher. Bei einem Kurzschluss der externen Last soll das Schaltnetzteil nicht abschalten sondern den uC weiter mit Spannung versorgen. Dazu wird in der Zuleitung der externen Last der Strom gemessen und wenn dieser einen gewissen Wert überschreitet die externe Last abgeworfen. Soweit funktioniert die Schaltung auch. Das Problem ist nun das Erkennen dass der Kurzschluss behoben ist. Dazu hatte ich vor den uC alle Sekunde oder so die OP-Schaltung zurückzusetzen zu lassen. Dazu wollte ich die Spannung am +-Eingang des 2.OPs so anheben, dass dieser den Ausgang aktiviert. Das funktioniert auch, allerdings wird anschließend nicht wieder schnell genug abgeschalten und das Schaltnetzteil erkennt einen Kurzschluss und schaltet komplett ab. Wie kann ich das verhindern ? Danke. mfg Paul
Nabend, R8 ist notwendig damit der Schmittrigger den Reset auch bei anliegender Messspannung an nimmt. Woher die Verzögerung kommt kann ich mir nicht vorstellen. GN8 Leo
Paul schrieb: > Das Problem ist nun das Erkennen dass der Kurzschluss behoben ist. > Dazu wollte ich die Spannung am +-Eingang des 2.OPs so anheben, dass > dieser den Ausgang aktiviert. Das funktioniert auch, allerdings wird > anschließend nicht wieder schnell genug abgeschalten und das > Schaltnetzteil erkennt einen Kurzschluss und schaltet komplett ab. Je nach Last kann man die Spannung langsam erhöhen und dabei den Strom messen. Wenn dieser über dem Limit liegt schaltet man wieder ab. Dazu müsste man den Transistor, der den Lastabwurf macht den linearen Bereich durchfahren. Zeichne mal den Rest deiner Schaltung auf, also die Strommessung und den Lastabwurf, dann kann man dir weiterhelfen.
Das ganze ist eigentlich ziemlich simpel. Strommessung erfolgt in der pos. Versorgungsleitung über Shunt mit nachfolgender Aufbereitung durch INA138. Danach gehts auf die OP-Schaltung. Lastabwurf erfolgt über P-Kanal MOSFET ebenfalls in der pos. Versorgungsleitung, nach dem Shunt. Gate ist über Widerstand an pos. Versorgungsleitung angebunden, d.h. der FET sperrt normalerweise. Ein weitere FET kann das Gate auf Masse ziehen und damit die Ausgangsspannung freigeben. Den 2. FET möchte ich mittels dieser Schaltung ansteuern.
Paul schrieb: > Das funktioniert auch, allerdings wird > anschließend nicht wieder schnell genug abgeschalten und das > Schaltnetzteil erkennt einen Kurzschluss und schaltet komplett ab. Wie > kann ich das verhindern ? Danke. Hab jetzt gemerkt, dass der Ausgangs-MOSFET stirbt. Der ist dann dauernd leitend und kann damit die Last nicht mehr abschalten. Daher schaltet dann die Kurzschlussüberwachung am Schaltregler das Netzteil ab. Ugs am FET ist innerhalb der Specs. Was könnte noch für den Tod des FETs verantwortlich sein ? Danke.
Paul schrieb: > Was könnte noch für den Tod des FETs > > verantwortlich sein ? Danke. Überschreitung von: Verlustleistung, Strom, Spannung, R47 ist falsch, etc. Wenn Du gelgentlich mal die Höflichkeit hast einen Plan zu posten, können unsere Kristallkugeln evtl. detaillierter weiterhelfen.
Der CPH6339 kann maximal 20V Gate-Source. Im ausgeschalteten Zustand liegen bei deiner Schaltung 24V an. Der 2SK3720 kann +/- 5V an Gate Source, da biste mit deiner direkten Speisung von der 5V Logik auch reichlich knapp an den absolute maximum ratings. Such dir Bauteile, wo du etwas Luft zu den Grenzwerten hast.
für den 2SK3720 okay, da gibt es genug anderes. Bei dem CPH6339 sollte die Gatespannung bei 12V im ausgeschalteten Zustand liegen (da 10k/10k Spannungsteiler). Sollte eigentlich okay sein.
Hi Paul, hast Du induktive Lasten am Ausgang? Brauchst Du eventuell noch Schutzdioden um Spannungsspitzen zu töten?
Bitte melde dich an um einen Beitrag zu schreiben. Anmeldung ist kostenlos und dauert nur eine Minute.
Bestehender Account
Schon ein Account bei Google/GoogleMail? Keine Anmeldung erforderlich!
Mit Google-Account einloggen
Mit Google-Account einloggen
Noch kein Account? Hier anmelden.




